Скачать ОСТ 24.125.13-89 Тройники равнопроходные кованые для трубопроводов АЭС. Конструкция и размеры

Дата актуализации: 01.01.2021

ОСТ 24.125.13-89

Тройники равнопроходные кованые для трубопроводов АЭС. Конструкция и размеры

Обозначение: ОСТ 24.125.13-89
Обозначение англ: OST 24.125.13-89
Статус:не определен законодательством
Название рус.:Тройники равнопроходные кованые для трубопроводов АЭС. Конструкция и размеры
Дата добавления в базу:01.09.2013
Дата актуализации:01.01.2021
Дата введения:01.01.1990
Дата окончания срока действия:30.06.2003
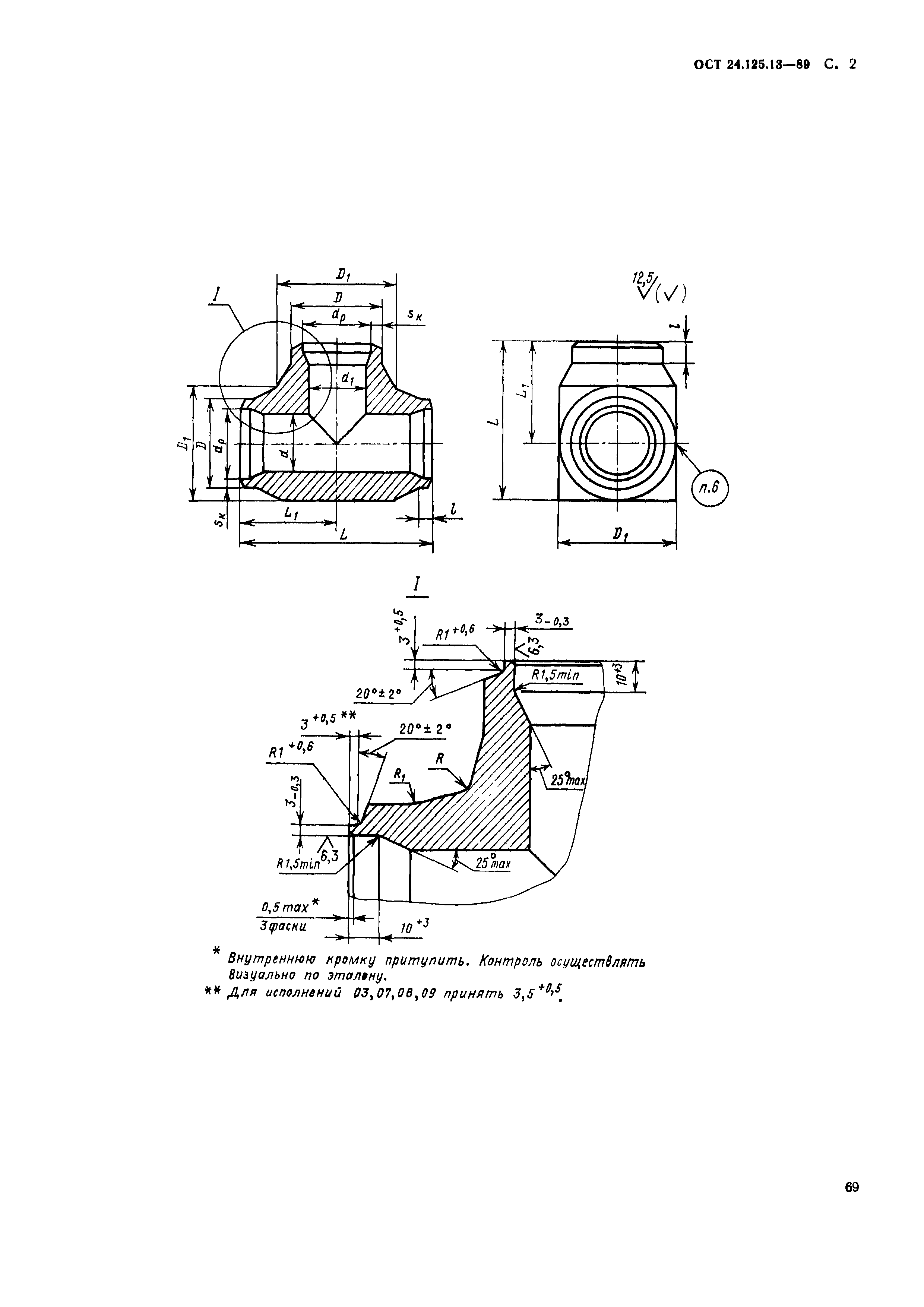
Область применения:Стандарт распространяется на кованые равнопроходные тройники из коррозионно-стойкой стали аустенитного класса для трубопроводов АЭС.
Разработан: НПО ЦКТИ им. И.И. Ползунова
Утверждён:26.06.1989 Министерство тяжелого, энергетического и транспортного машиностроения СССР (ВА-002-/4829)
Принят: Минатомэнерго СССР (USSR Minatomenergo )
Госатомэнергонадзор СССР (USSR Gosatomenergonadzor )
Заменяет собой:
  • ОСТ 108.104.103-76
Нормативные ссылки:
ОСТ 24.125.13-89ОСТ 24.125.13-89ОСТ 24.125.13-89ОСТ 24.125.13-89ОСТ 24.125.13-89ОСТ 24.125.13-89