Скачать Типовой проект 902-1-134.88 Альбом III. Строительные изделияДата актуализации: 01.01.2021
|
| Обозначение: | Типовой проект 902-1-134.88 |
| Обозначение англ: | 902-1-134.88 |
| Статус: | не определен законодательством |
| Название рус.: | Альбом III. Строительные изделия |
| Дата добавления в базу: | 01.09.2013 |
| Дата актуализации: | 01.01.2021 |
| Дата введения: | 01.09.1988 |
| Дата окончания срока действия: | 30.06.2003 |
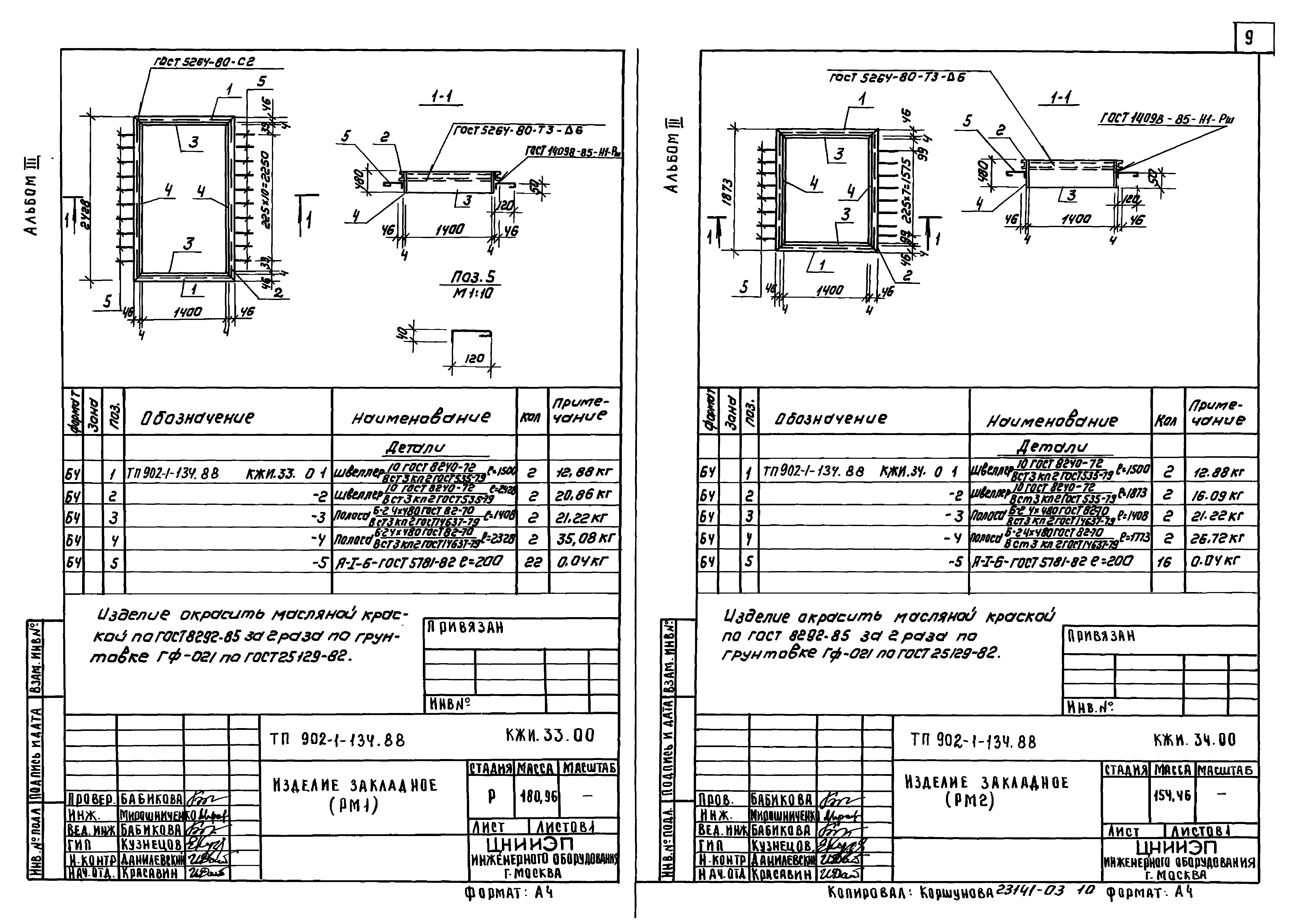
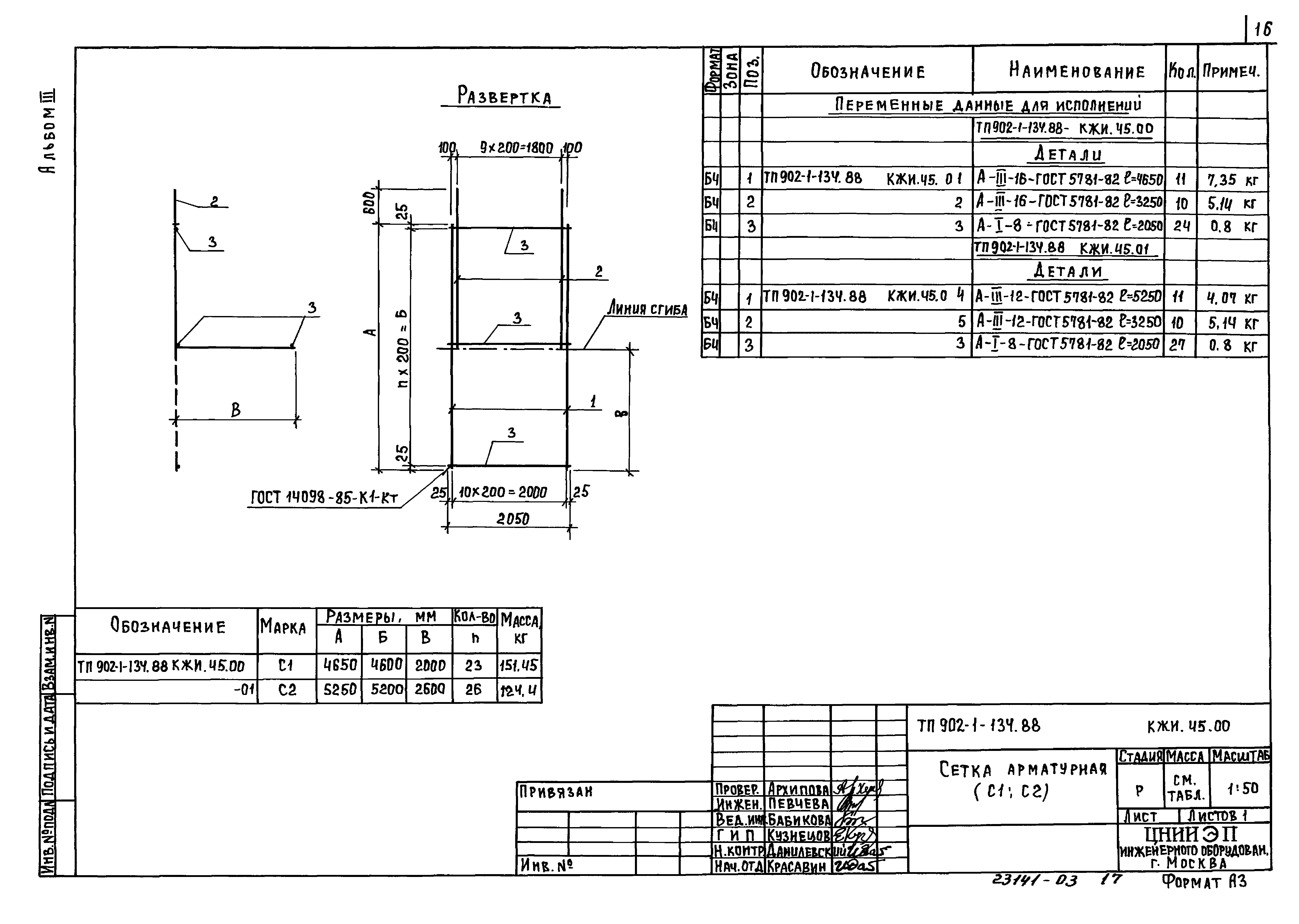
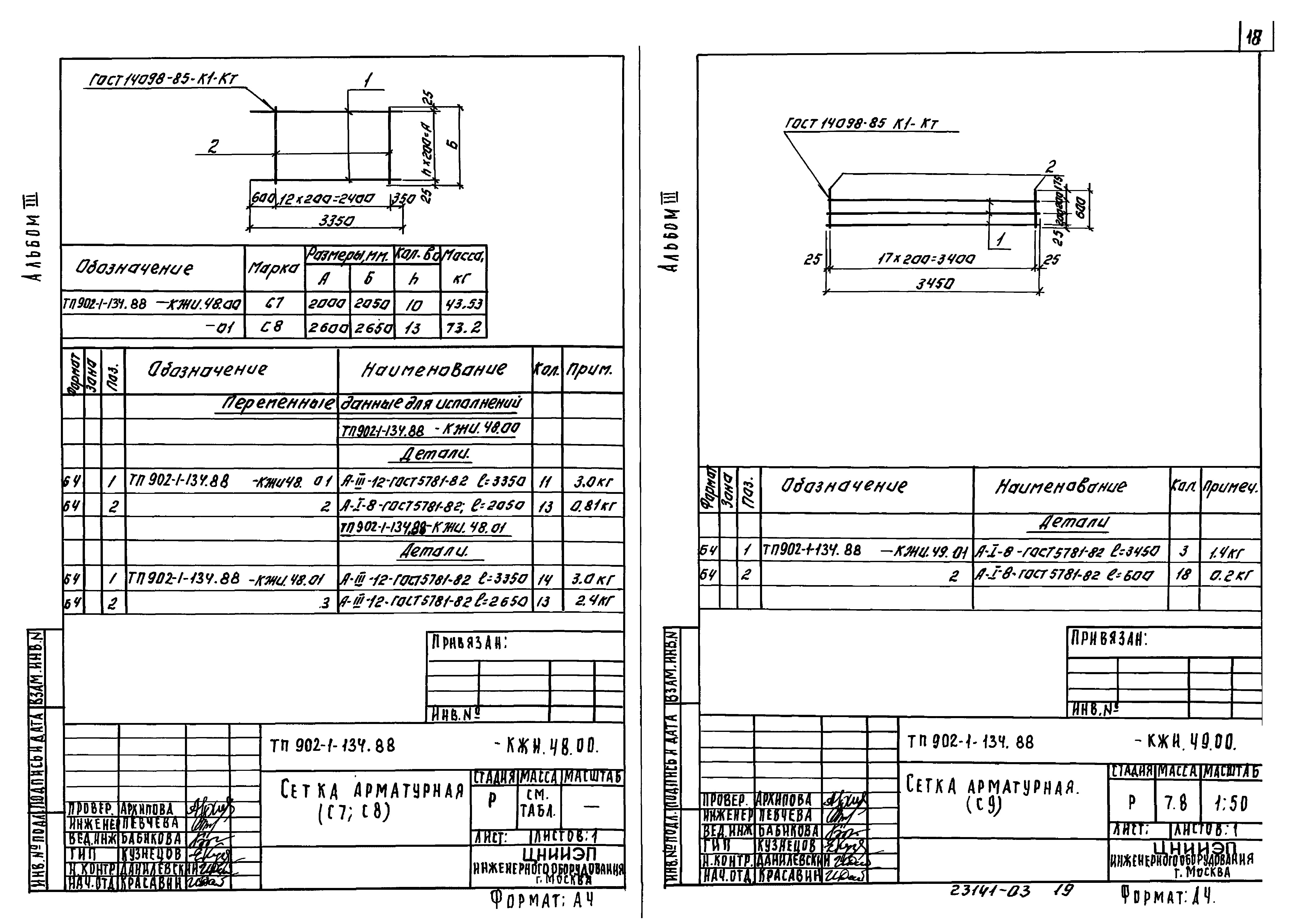
| Оглавление: | ТП 902-1-134.88-КЖИ01.00 Колонна (К60-7-1;К60-7-2) ТП 902-1-134.88-КЖИ02.00 Колонна КФ73-1АV ТП 902-1-134.88-КЖИ11.00 Балка покрытия (1БД12-3АVт-1) ТП 902-1-134.88-КЖИ21.00 Плита покрытия (ПГ-2АIVт-1...ПГ-2АIVт-3) ТП 902-1-134.88-КЖИ22.00 Плита ПГ1-5АIVт-А ТП 902-1-134.88-КЖИ31.00 Щит металлический Щ1;Щ2 ТП 902-1-134.88-КЖИ32.00 Щит металлический Щ3;Щ4 ТП 902-1-134.88-КЖИ33.00 Изделие закладное РМ1 ТП 902-1-134.88-КЖИ34.00 Изделие закладное РМ2 ТП 902-1-134.88-КЖИ35.00 Изделие закладное РМ3 ТП 902-1-134.88-КЖИ36.00 Изделие закладное РМ4 ТП 902-1-134.88-КЖИ37.00 Изделие закладное РМ5 ТП 902-1-134.88-КЖИ38.00 Решетка металлическая Р1 ТП 902-1-134.88-КЖИ39.00 Изделие закладное РМ6,РМ7 ТП 902-1-134.88-КЖИ40.00 Решетка жалюзийная ВЖ1;ВЖ2 ТП 902-1-134.88-КЖИ41.00 Изделие соединительное МС1 ТП 902-1-134.88-КЖИ42.00 Решетка Р2 ТП 902-1-134.88-КЖИ43.00 Соединительный элемент МС3 ТП 902-1-134.88-КЖИ44.00 Изделие закладное МН6 ТП 902-1-134.88-КЖИ45.00 Сетка арматурная (С1,С2) ТП 902-1-134.88-КЖИ46.00 Сетка арматурная (С3,С4) ТП 902-1-134.88-КЖИ47.00 Сетка арматурная (С5,С6) ТП 902-1-134.88-КЖИ48.00 Сетка арматурная (С7,С8) ТП 902-1-134.88-КЖИ49.00 Сетка арматурная (С9) ТП 902-1-134.88-КЖИ50.00 Каркас плоский (КР1) ТП 902-1-134.88-КЖИ51.00 Сетка арматурная (С11) ТП 902-1-134.88-КЖИ52.00 Сетка арматурная (С10) ТП 902-1-134.88-КЖИ53.00 Плита 1ПВ4-5АIV-60ВБН-200М |
| Разработан: | ЦНИИЭП |
| Утверждён: | 15.03.1988 Госкомархитектура (68) |
| Заменяет собой: |
|




















