Скачать Типовой проект 902-3-12 Альбом II. Технологическая, строительная части. Заказные спецификацииДата актуализации: 01.01.2021
|
| Обозначение: | Типовой проект 902-3-12 |
| Обозначение англ: | 902-3-12 |
| Статус: | не определен законодательством |
| Название рус.: | Альбом II. Технологическая, строительная части. Заказные спецификации |
| Дата добавления в базу: | 01.09.2013 |
| Дата актуализации: | 01.01.2021 |
| Дата введения: | 30.06.1980 |
| Дата окончания срока действия: | 30.06.2003 |
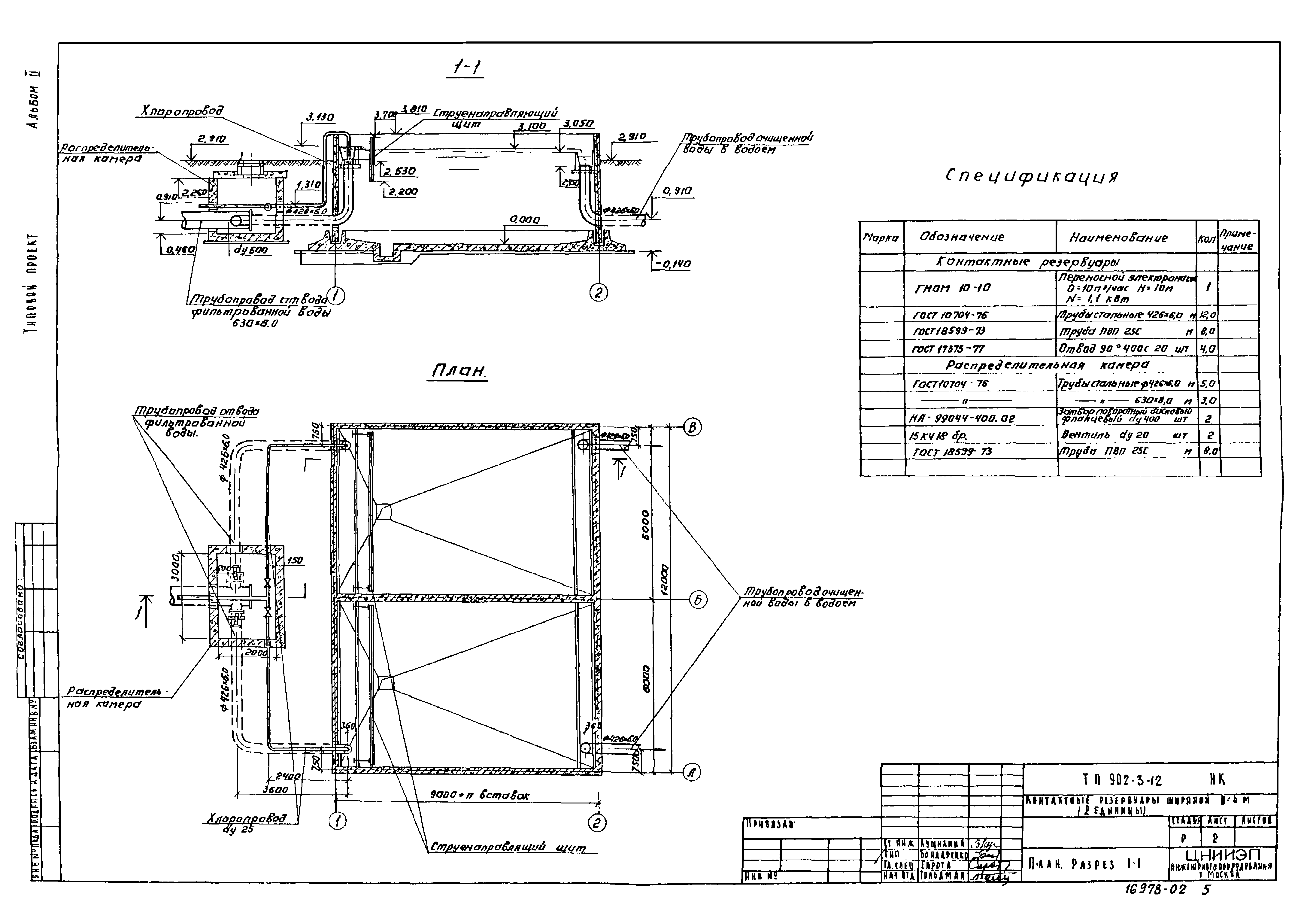
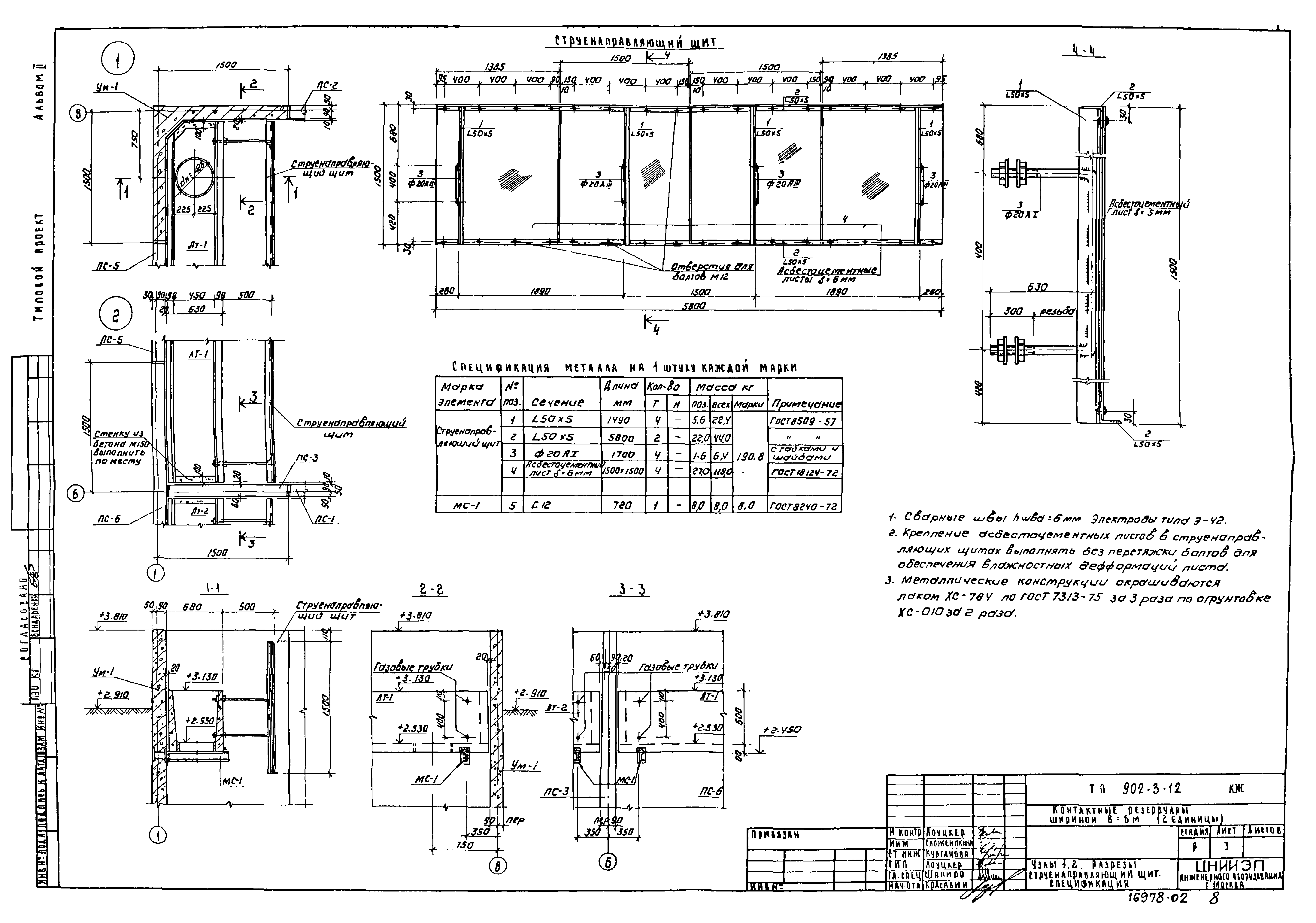
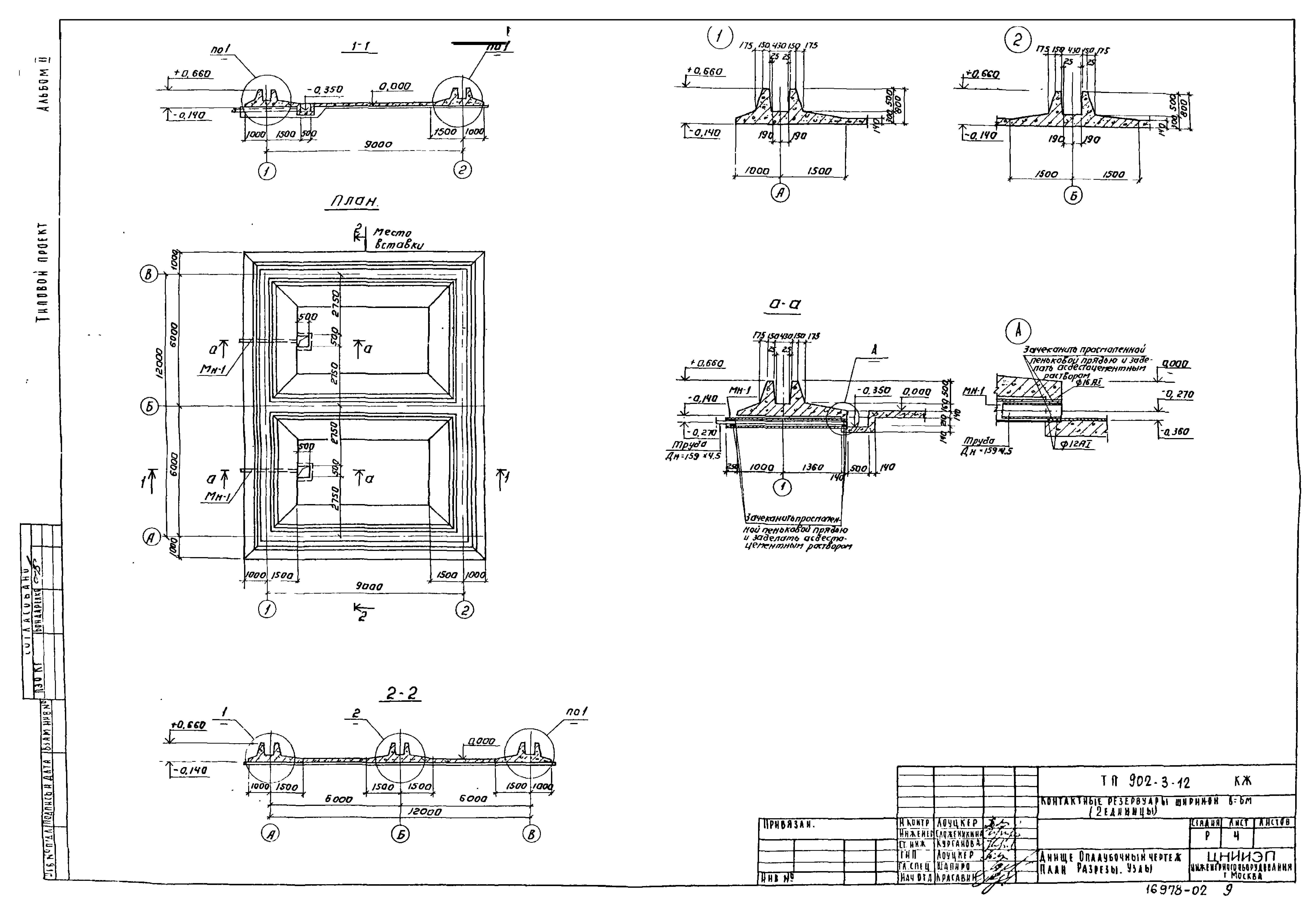
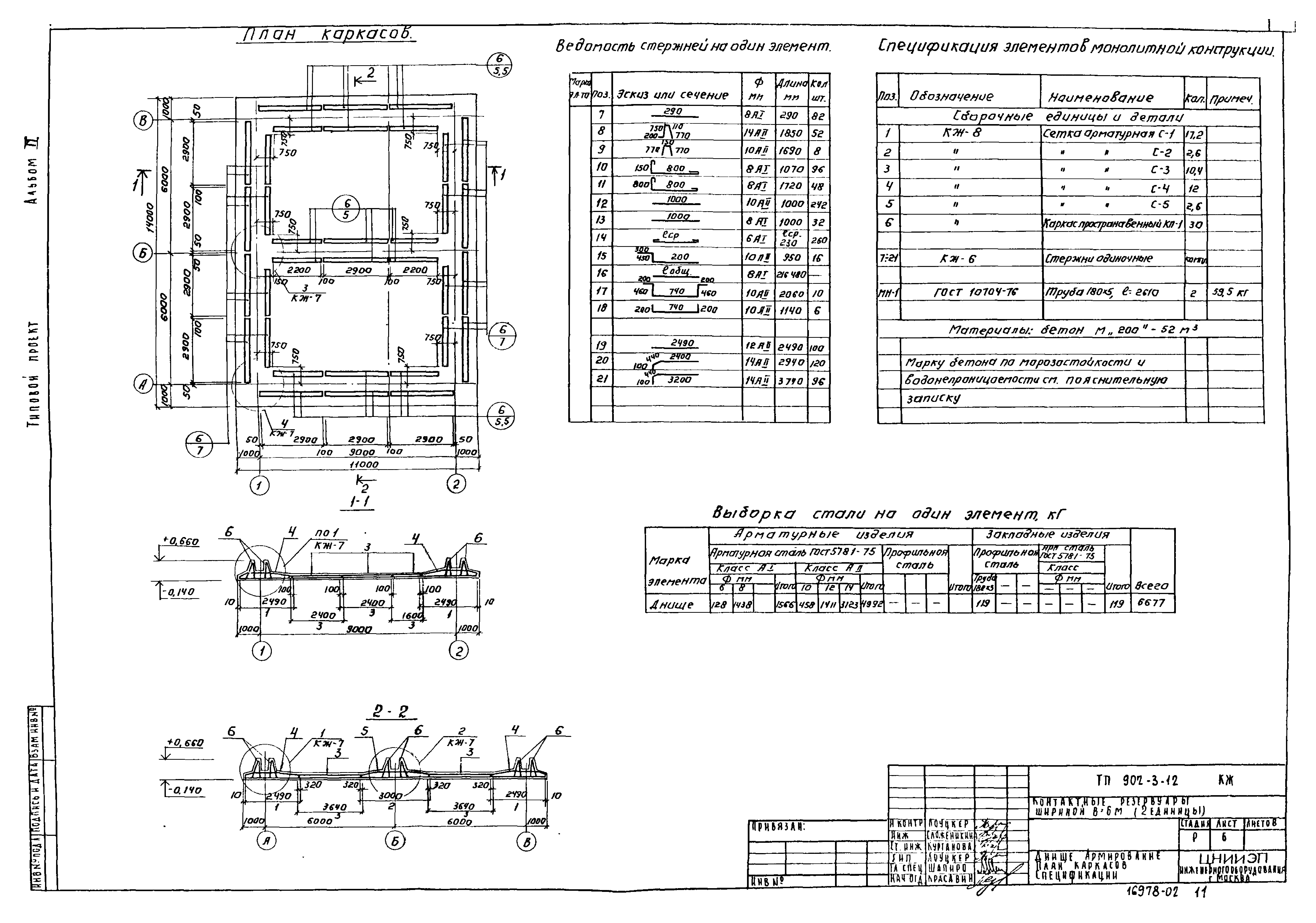
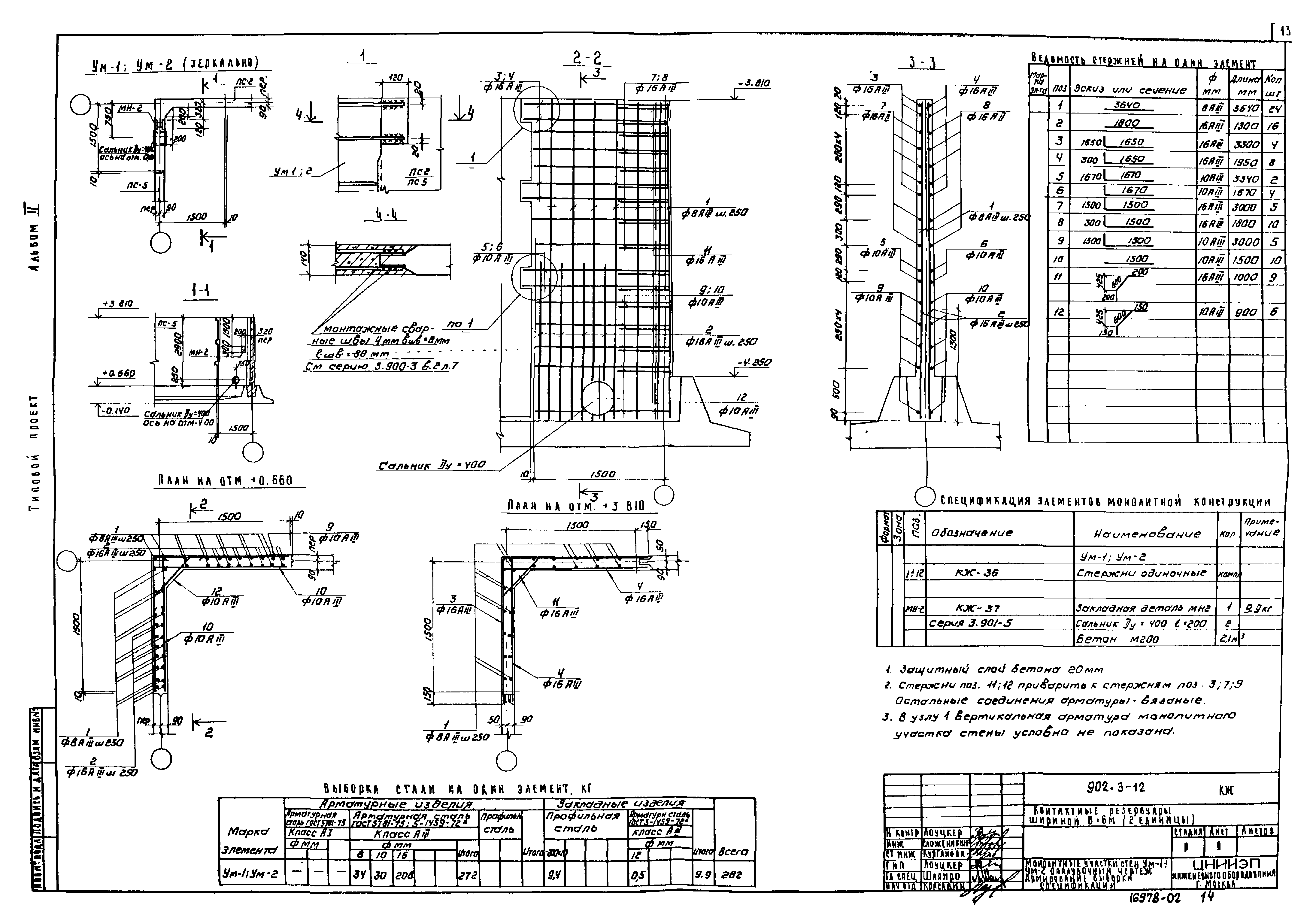
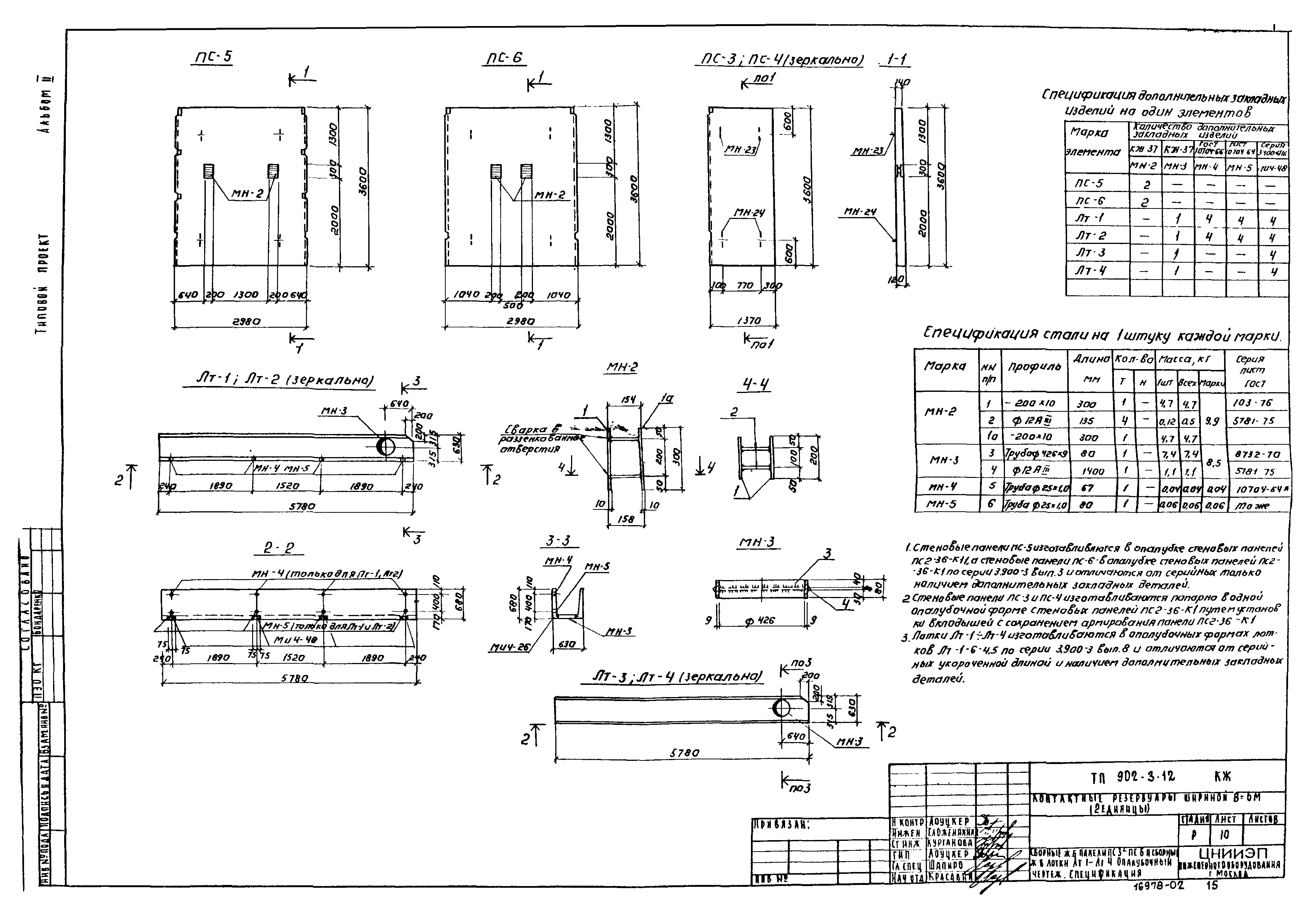
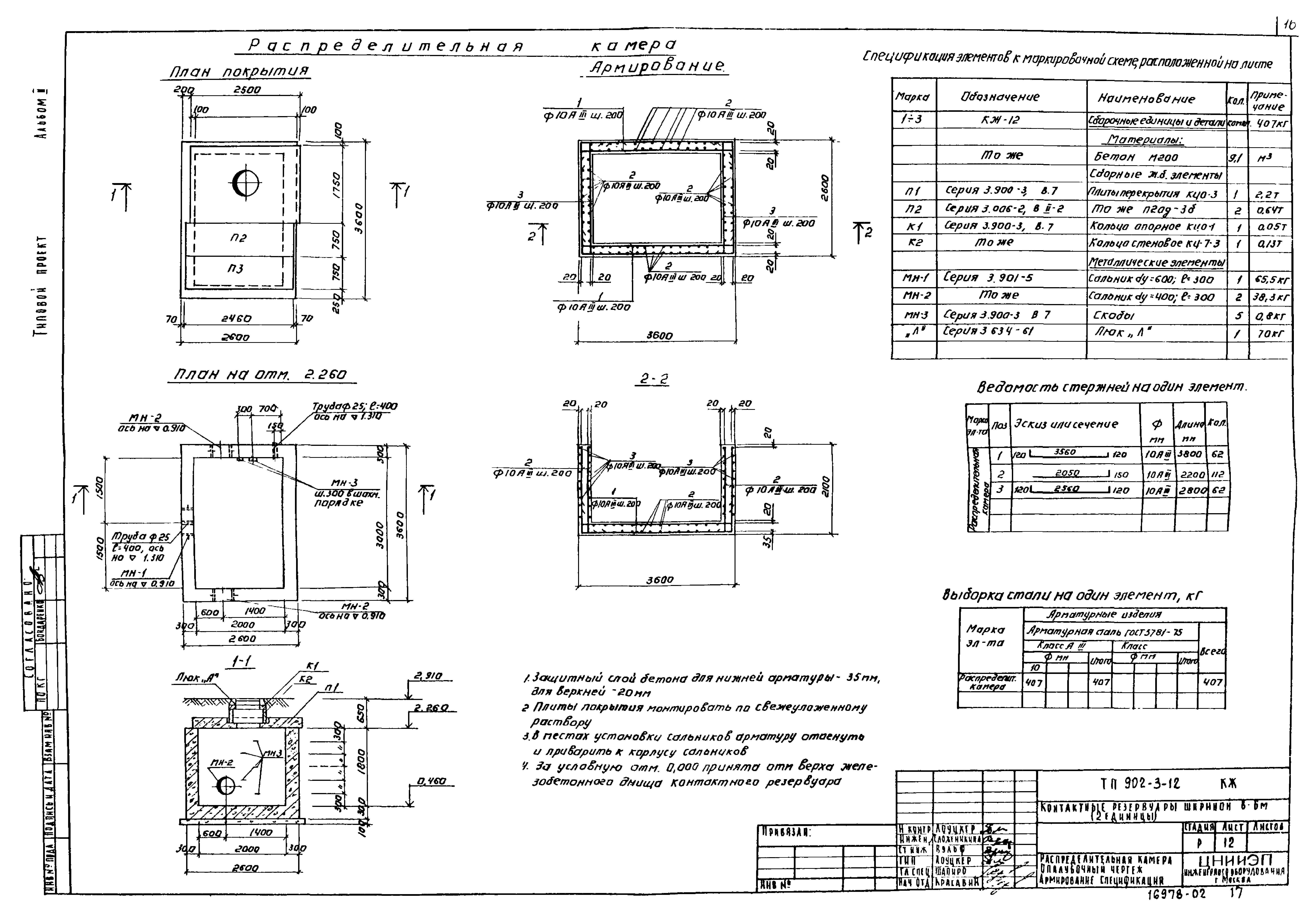
| Оглавление: | ТП 902-3-12 Содержание ТП 902-3-12-НК Технологические чертежи ТП 902-3-12-НК-1 Общие данные ТП 902-3-12-НК-2 План. Разрез 1-1 ТП 902-3-12-КЖ Строительные чертежи ТП 902-3-12-КЖ-1 Общие данные ТП 902-3-12-КЖ-2 Маркировочные схемы панелей и лотков. Разрезы 1-1;2-2. Спецификация ТП 902-3-12-КЖ-3 Узлы 1,2. Разрезы. Струенаправляющий щит. Спецификация ТП 902-3-12-КЖ-4 Днище. Опалубочный чертеж. План. Разрезы. Узлы ТП 902-3-12-КЖ-5 Днище. Армирование. План нижних и верхних сеток ТП 902-3-12-КЖ-6 Днище. Армирование. План каркасов. Спецификация ТП 902-3-12-КЖ-7 Днище. Армирование. Узлы ТП 902-3-12-КЖ-8 Днище. Армирование. Арматурные сетки и каркасы. Спецификация ТП 902-3-12-КЖ-9 Монолитные участки стен УМ-1÷УМ-2. Опалубочный чертеж. Армирование. Выборки. Спецификации ТП 902-3-12-КЖ-10 Сборные ж.б. панели ПС-3÷ПС-6 и сборные ж.б. лотки. Спецификация ТП 902-3-12-КЖ-11 3х метровая вставка ТП 902-3-12-КЖ-12 Распределительная камера. Опалубочный чертеж. Армирование. Спецификации ТП 902-3-12-НК-С1 Заказная спецификация на насосное оборудование и арматуру |
| Разработан: | ЦНИИЭП |
| Утверждён: | 06.05.1980 Госгражданстрой (Gosgrazhdanstroy 121) |

















