Скачать Серия ИИ-04-2 Выпуск 19. Колонны сечением 40х40 см для зданий с высотой этажа 4,8 и 6,0 м. Рабочие чертежиДата актуализации: 01.01.2021
|
| Обозначение: | Серия ИИ-04-2 |
| Обозначение англ: | Series ИИ-04-2 |
| Статус: | заменен |
| Название рус.: | Выпуск 19. Колонны сечением 40х40 см для зданий с высотой этажа 4,8 и 6,0 м. Рабочие чертежи |
| Дата добавления в базу: | 01.09.2013 |
| Дата актуализации: | 01.01.2021 |
| Дата окончания срока действия: | 01.04.1982 |
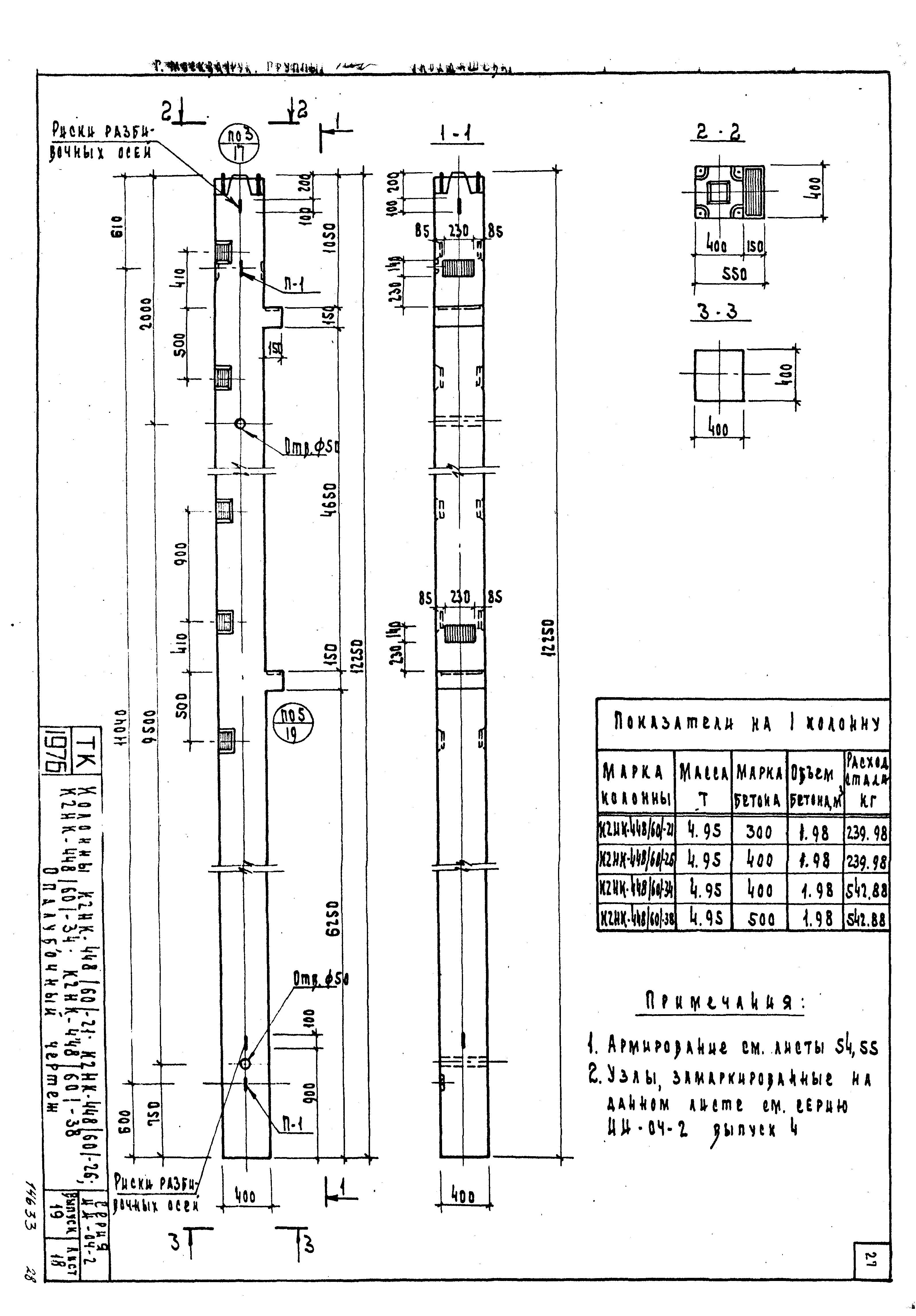
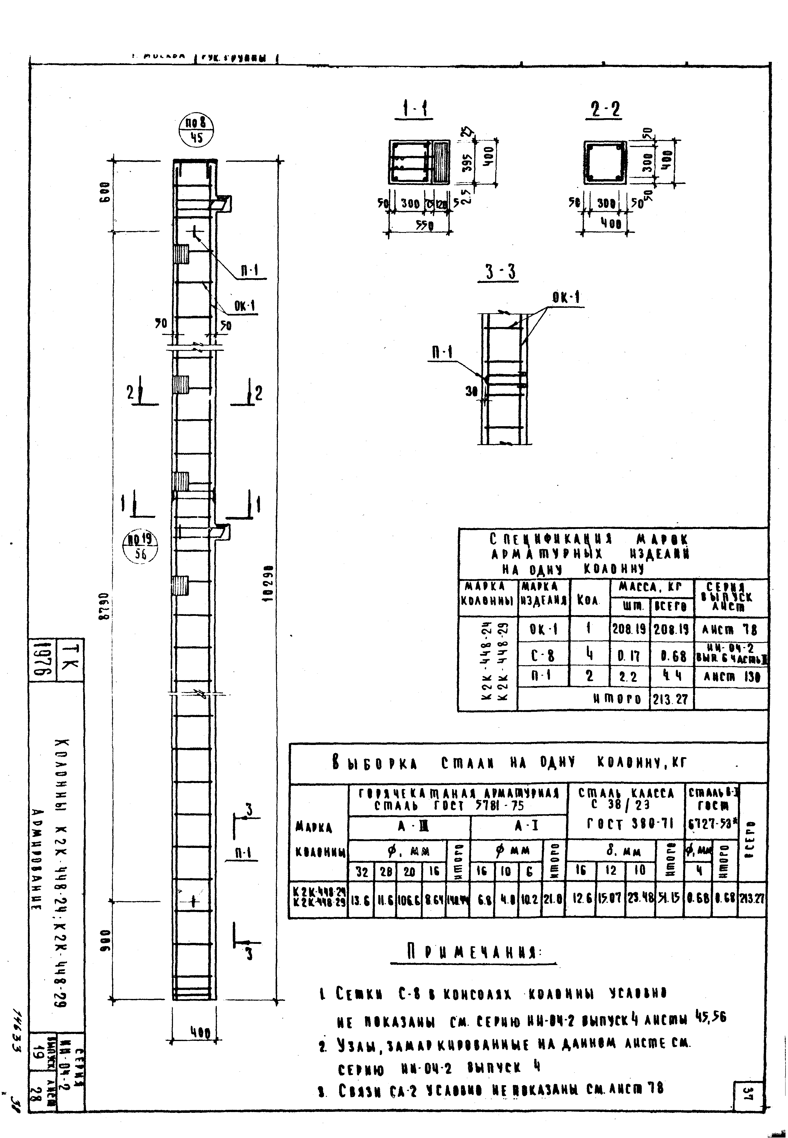
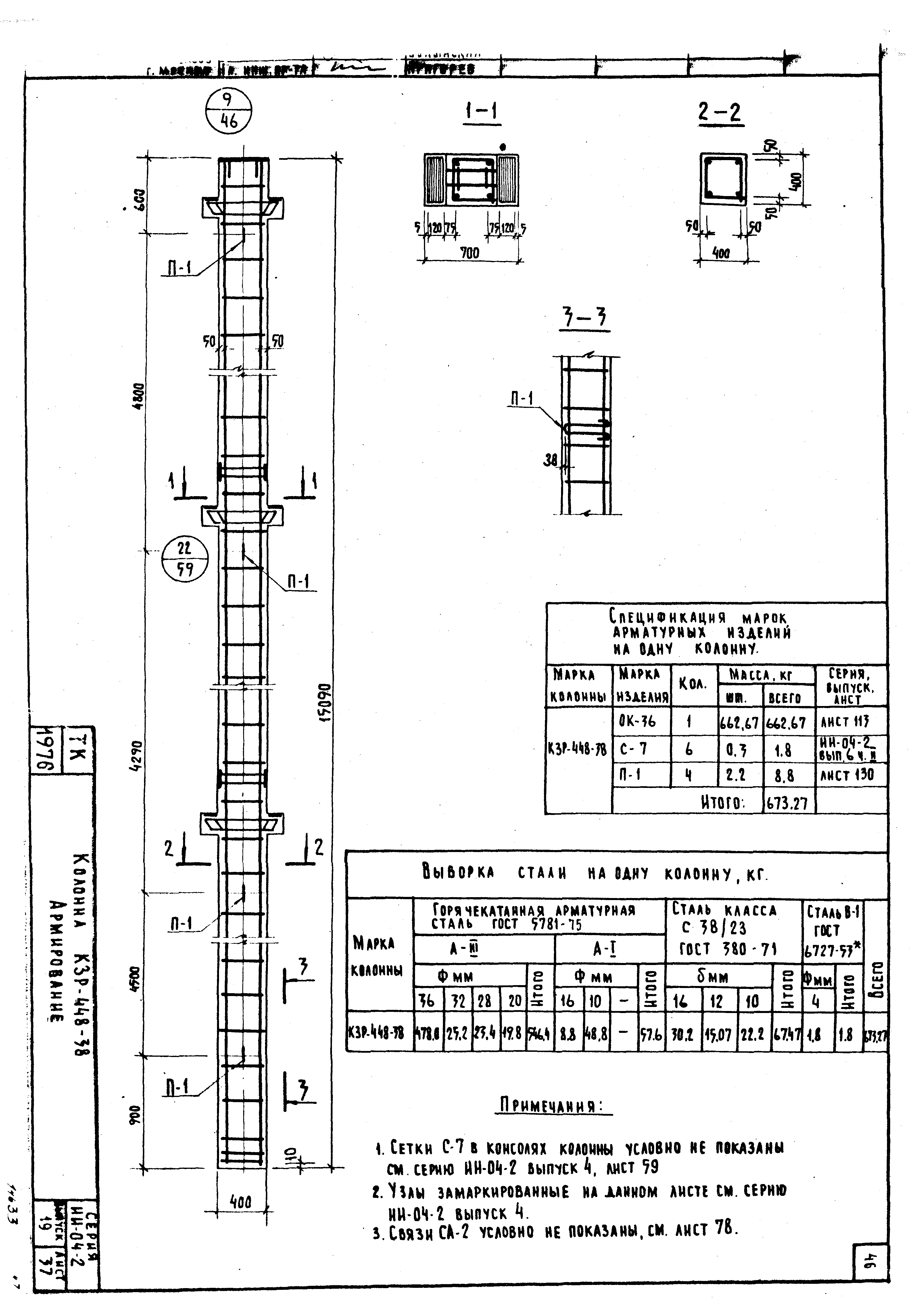
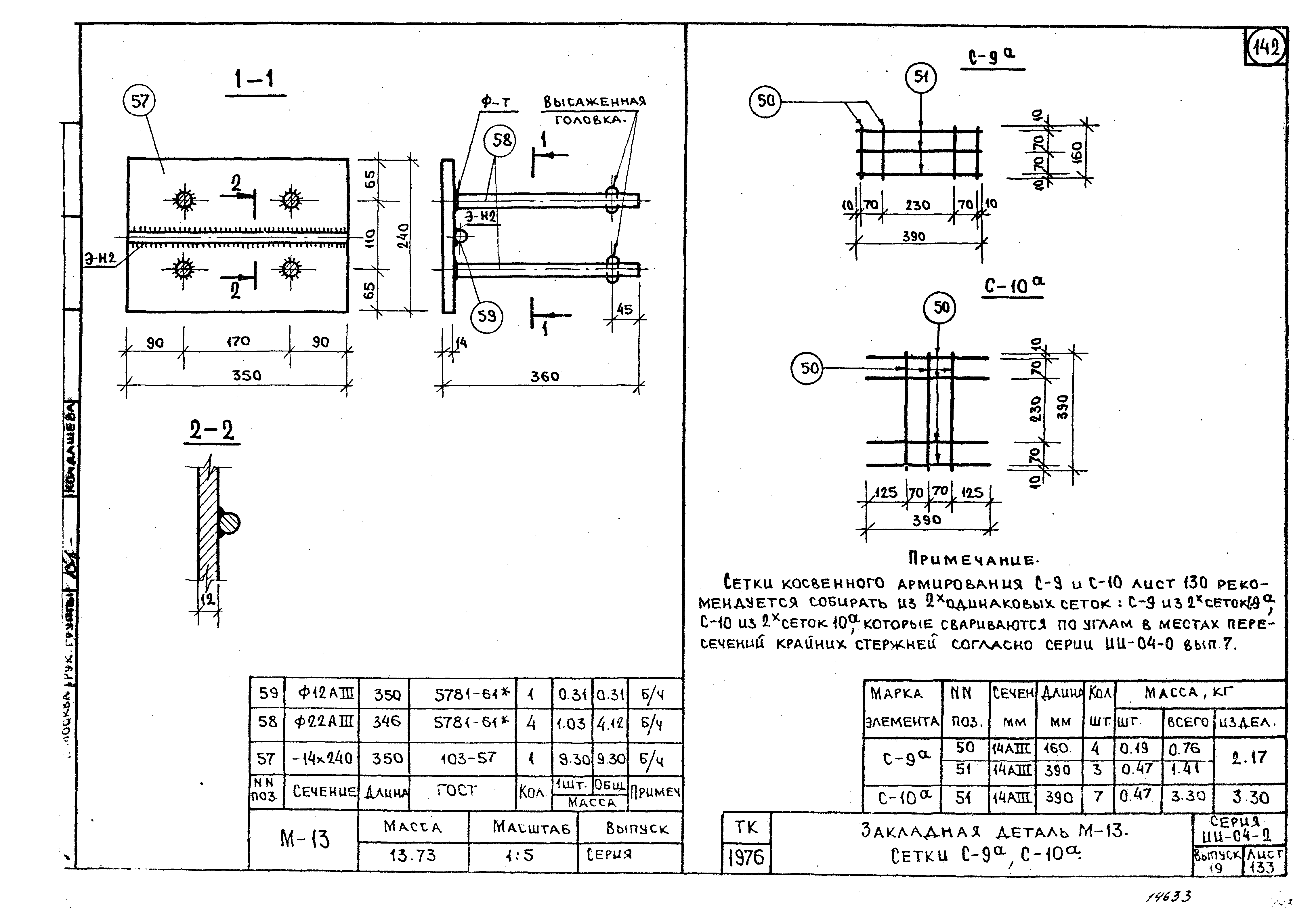
| Оглавление: | ИИ-04-2 Содержание выпуска ИИ-04-2 Пояснительная записка ИИ-04-2 Лист 1. Номенклатура ИИ-04-2 Лист 2. Номенклатура ИИ-04-2 Лист 3. Номенклатура ИИ-04-2 Лист 4. Номенклатура ИИ-04-2 Лист 5. Номенклатура ИИ-04-2 Лист 6. Колонны К2К-448-24;К2К-448-29;К2К-448-38. Опалубочный чертеж ИИ-04-2 Лист 7. Колонны К2Р-448-24;К2Р-448-29;К2Р-448-38. Опалубочный чертеж ИИ-04-2 Лист 8. Колонны К3К-448-24;К3К-448-29;К3К-448-38. Опалубочный чертеж ИИ-04-2 Лист 9. Колонны К3К-448(60)-21;К3К-448(60)-34. Опалубочный чертеж ИИ-04-2 Лист 10. Колонны К3Р-448-24;К3Р-448-29;К3Р-448-38. Опалубочный чертеж ИИ-04-2 Лист 11. Колонны К3Р-448(60)-21;К3Р-448(60)-26;К3К-448(60)-34. Опалубочный чертеж ИИ-04-2 Лист 12. Колонны К2ВК-448-24;К2ВК-448-29;К2ВК-448-38. Опалубочный чертеж ИИ-04-2 Лист 13. Колонны К2ВР-448-24;К2ВР-448-29;К2ВР-448-38. Опалубочный чертеж ИИ-04-2 Лист 14. Колонны К3ВК-448-24;К3ВК-448-29;К3ВК-448-38. Опалубочный чертеж ИИ-04-2 Лист 15. Колонны К3ВР-448-24;К3ВР-448-29;К3ВР-448-38. Опалубочный чертеж ИИ-04-2 Лист 16. Колонны КНК-448-24;КНК-448-29;КНК-448-38,КНК-448-56. Опалубочный чертеж ИИ-04-2 Лист 17. Колонны КНР-448-24;КНР-448-29;КНР-448-38,КНР-448-56,КНР-448-60. Опалубочный чертеж ИИ-04-2 Лист 18. Колонны К2НК-448(60)-21;К2НК-448(60)-26;К2НК-448(60)-34,К2НК-448(60)-38. Опалубочный чертеж ИИ-04-2 Лист 19. Колонны К2НР-448(60)-26;К2НР-448(60)-34;К2НР-448(60)-38. Опалубочный чертеж ИИ-04-2 Лист 20. Колонны К3НК-448-29;К3НК-448-29/32;К3НК-448-36/38,К3НК-448-56. Опалубочный чертеж ИИ-04-2 Лист 21. Колонны К3НК-448(60)-26;К3НК-448(60)-32/34;К3НК-448(60)-36/38,К3НК-448(60)-50. Опалубочный чертеж ИИ-04-2 Лист 22. Колонны К3НР-448-29;К3НР-448-29/32;К3НР-448-36/38,К3НР-448-38;К3НР-448-42/56,К3НР-448-60. Опалубочный чертеж ИИ-04-2 Лист 23. Колонны К3НО-448(60)-26;К3НО-448(60)-32/34;К3НР-448(60)-36/38,К3НР-448(60)-38;К3НР-448(60)-36/50,К3НР-448(60)-55. Опалубочный чертеж ИИ-04-2 Лист 24. Колонна КВК-436-40. Опалубочный чертеж ИИ-04-2 Лист 25. Колонна КВР-436-40. Опалубочный чертеж ИИ-04-2 Лист 26. Колонна КВК-442-40. Опалубочный чертеж ИИ-04-2 Лист 27. Колонна КВР-442-40. Опалубочный чертеж ИИ-04-2 Лист 28. Колонны К2К-448-24;К2К-448-29. Армирование ИИ-04-2 Лист 29. Колонна К2К-448-38. Армирование ИИ-04-2 Лист 30. Колонны К2Р-448-24;К2Р-448-29. Армирование ИИ-04-2 Лист 31. Колонна К2Р-448-38. Армирование ИИ-04-2 Лист 32. Колонна К3К-448-24. Армирование ИИ-04-2 Лист 33. Колонна К3К-448-38. Армирование ИИ-04-2 Лист 34. Колонна К3К-448(60)-21. Армирование ИИ-04-2 Лист 35. Колонна К3К-448(60)-34. Армирование ИИ-04-2 Лист 36. Колонны К3Р-448-24;К3Р-448-29. Армирование ИИ-04-2 Лист 37. Колонна К3Р-448-38. Армирование ИИ-04-2 Лист 38. Колонны К3Р-448(60)-21;К3Р-448(60)-26. Армирование ИИ-04-2 Лист 39. Колонна К3Р-448-34. Армирование ИИ-04-2 Лист 40. Колонны К2ВК-448-24;К2ВК-448-29. Армирование ИИ-04-2 Лист 41. Колонна К2ВК-448-38. Армирование ИИ-04-2 Лист 42. Колонны К2ВР-448-24;К2ВР-448-29. Армирование ИИ-04-2 Лист 43. Колонна К2ВР-448-38. Армирование ИИ-04-2 Лист 44. Колонны К3ВК-448-24;К3ВК-448-29. Армирование ИИ-04-2 Лист 45. Колонна К3ВК-448-38. Армирование ИИ-04-2 Лист 46. Колонны К3ВР-448-24;К3ВР-448-29. Армирование ИИ-04-2 Лист 47. Колонна К3ВР-448-38. Армирование ИИ-04-2 Лист 48. Колонны КНК-448-24;КНК-448-29. Армирование ИИ-04-2 Лист 49. Колонна КНК-448-38. Армирование ИИ-04-2 Лист 50. Колонна КНК-448-56. Армирование ИИ-04-2 Лист 51. Колонны КНР-448-24;КНР-448-29. Армирование ИИ-04-2 Лист 52. Колонна КНР-448-38. Армирование ИИ-04-2 Лист 53. Колонны КНР-448-56;КНР-448-60. Армирование ИИ-04-2 Лист 54. Колонны К2НК-448(60)-21;К2НК-448(60)-26. Армирование ИИ-04-2 Лист 55. Колонны К2НК-448(60)-34;К2НК-448(60)-38. Армирование ИИ-04-2 Лист 56. Колонна К2НР-448(60)-26. Армирование ИИ-04-2 Лист 57. Колонны К2НР-448(60)-34;К2НР-448(60)-38. Армирование ИИ-04-2 Лист 58. Колонна К3НК-448-29. Армирование ИИ-04-2 Лист 59. Колонны К3НК-448-29/32;К3НК-448-36/38. Армирование ИИ-04-2 Лист 60. Колонна К3НК-448(60)-26. Армирование ИИ-04-2 Лист 61. Колонны К3НК-448(60)-29/32;К3НК-448(60)-36/38. Армирование ИИ-04-2 Лист 62. Колонна К3НК-448-56. Армирование ИИ-04-2 Лист 63. Колонна К3НК-448(60)-50. Армирование ИИ-04-2 Лист 64. Колонна К3НР-448-29. Армирование ИИ-04-2 Лист 65. Колонны К3НР-448-29/32;К3НР-448-36/38. Армирование ИИ-04-2 Лист 66. Колонна К3НР-448-38. Армирование ИИ-04-2 Лист 67. Колонна К3НР-448-42/56. Армирование ИИ-04-2 Лист 68. Колонна К3НР-448(60)-26. Армирование ИИ-04-2 Лист 69. Колонны К3НР-448(60)-32/34;К3НР-448(60)-36/38. Армирование ИИ-04-2 Лист 70. Колонна К3НР-448(60)-38. Армирование ИИ-04-2 Лист 71. Колонна К3НР-448(60)-38/50. Армирование ИИ-04-2 Лист 72. Колонна К3НР-448-60. Армирование ИИ-04-2 Лист 73. Колонна К3НР-448(60)-55. Армирование ИИ-04-2 Лист 74. Колонна КВК-436-40. Армирование ИИ-04-2 Лист 75. Колонна КВР-436-40. Армирование ИИ-04-2 Лист 76. Колонна КВК-442-40. Армирование ИИ-04-2 Лист 77. Колонна КВР-442-40. Армирование ИИ-04-2 Лист 78. Объемный каркас ОК-1 ИИ-04-2 Лист 79. Объемный каркас ОК-2 ИИ-04-2 Лист 80. Объемный каркас ОК-3 ИИ-04-2 Лист 81. Объемный каркас ОК-4 ИИ-04-2 Лист 82. Объемный каркас ОК-5 ИИ-04-2 Лист 83. Объемный каркас ОК-6 ИИ-04-2 Лист 84. Объемный каркас ОК-7 ИИ-04-2 Лист 85. Объемный каркас ОК-8 ИИ-04-2 Лист 86. Объемный каркас ОК-9 ИИ-04-2 Лист 87. Объемный каркас ОК-10 ИИ-04-2 Лист 88. Объемный каркас ОК-11 ИИ-04-2 Лист 89. Объемный каркас ОК-12 ИИ-04-2 Лист 90. Объемный каркас ОК-13 ИИ-04-2 Лист 91. Объемный каркас ОК-14 ИИ-04-2 Лист 92. Объемный каркас ОК-15 ИИ-04-2 Лист 93. Объемный каркас ОК-16 ИИ-04-2 Лист 94. Объемный каркас ОК-17 ИИ-04-2 Лист 95. Объемный каркас ОК-18 ИИ-04-2 Лист 96. Объемный каркас ОК-19 ИИ-04-2 Лист 97. Объемный каркас ОК-20 ИИ-04-2 Лист 98. Объемный каркас ОК-21 ИИ-04-2 Лист 99. Объемный каркас ОК-22 ИИ-04-2 Лист 100. Объемный каркас ОК-23 ИИ-04-2 Лист 101. Объемный каркас ОК-24 ИИ-04-2 Лист 102. Объемный каркас ОК-25 ИИ-04-2 Лист 103. Объемный каркас ОК-26 ИИ-04-2 Лист 104. Объемный каркас ОК-27 ИИ-04-2 Лист 105. Объемный каркас ОК-28 ИИ-04-2 Лист 106. Объемный каркас ОК-29 ИИ-04-2 Лист 107. Объемный каркас ОК-30 ИИ-04-2 Лист 108. Объемный каркас ОК-31 ИИ-04-2 Лист 109. Объемный каркас ОК-32 ИИ-04-2 Лист 110. Объемный каркас ОК-33 ИИ-04-2 Лист 111. Объемный каркас ОК-34 ИИ-04-2 Лист 112. Объемный каркас ОК-35 ИИ-04-2 Лист 113. Объемный каркас ОК-36 ИИ-04-2 Лист 114. Объемный каркас ОК-37 ИИ-04-2 Лист 115. Объемный каркас ОК-38 ИИ-04-2 Лист 116. Объемный каркас ОК-39 ИИ-04-2 Лист 117. Объемный каркас ОК-40 ИИ-04-2 Лист 118. Объемный каркас ОК-41 ИИ-04-2 Лист 119. Объемный каркас ОК-42 ИИ-04-2 Лист 120. Объемный каркас ОК-43 ИИ-04-2 Лист 121. Объемный каркас ОК-44 ИИ-04-2 Лист 122. Объемный каркас ОК-45 ИИ-04-2 Лист 123. Объемный каркас ОК-46 ИИ-04-2 Лист 124. Объемный каркас ОК-47 ИИ-04-2 Лист 125. Объемный каркас ОК-48 ИИ-04-2 Лист 126. Объемный каркас ОК-49 ИИ-04-2 Лист 127. Объемный каркас ОК-50 ИИ-04-2 Лист 128. Плоские каркасы К-1;К-2;К-3;К-4 ИИ-04-2 Лист 129. Плоские каркасы К-5;К-6;К-7. Отдельные позиции ИИ-04-2 Лист 130. Петля П-1. Деталь установки петли П-1. Сетки С-7,С-8. Связь САВ-2. Каркас КВ-1. Замкнутые хомуты ИИ-04-2 Лист 131. Закладные детали М5-9-2 и М5-10-2 ИИ-04-2 Лист 132. Закладные детали М5-10-1;М5-9-1;М-11 и М-12 ИИ-04-2 Лист 133. Закладная деталь М-13. Сетки С-9а;С-10а |
| Разработан: | ЦНИИЭП торгово-бытовых зданий и туристских комплексов НИИЖБ |
| Утверждён: | 31.01.1977 Государственный комитет по гражданскому строительству (19) |
| Чем заменён: |














































































































































