Скачать Серия ИИ-04-7 Выпуск 4. Легкобетонные лестницы для зданий с высотой этажа 3,3; 3,6 и 4,2 мДата актуализации: 01.01.2021
|
| Обозначение: | Серия ИИ-04-7 |
| Обозначение англ: | Series ИИ-04-7 |
| Статус: | не действует |
| Название рус.: | Выпуск 4. Легкобетонные лестницы для зданий с высотой этажа 3,3; 3,6 и 4,2 м |
| Дата добавления в базу: | 01.09.2013 |
| Дата актуализации: | 01.01.2021 |
| Дата введения: | 01.03.1980 |
| Дата окончания срока действия: | 01.04.1982 |
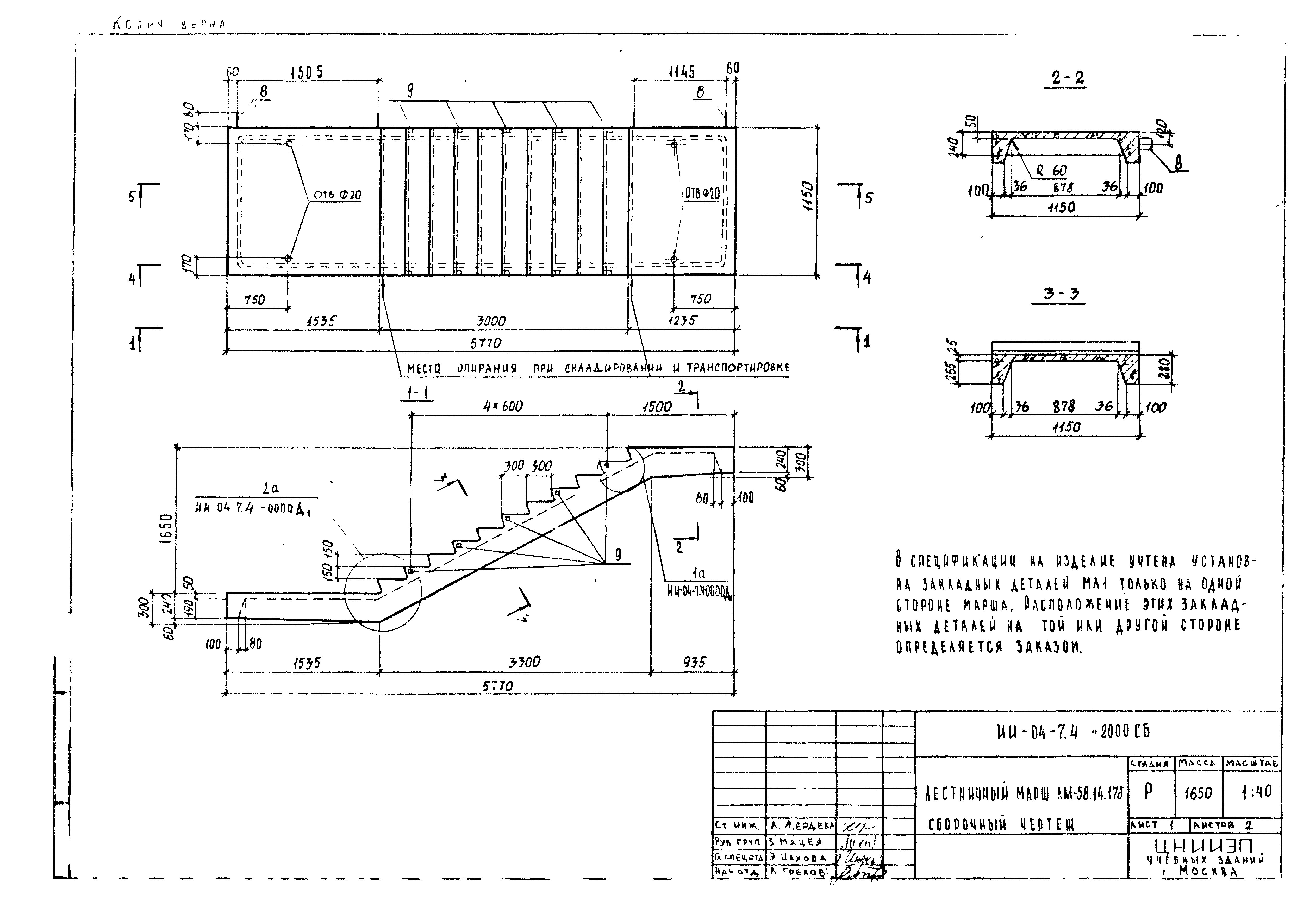
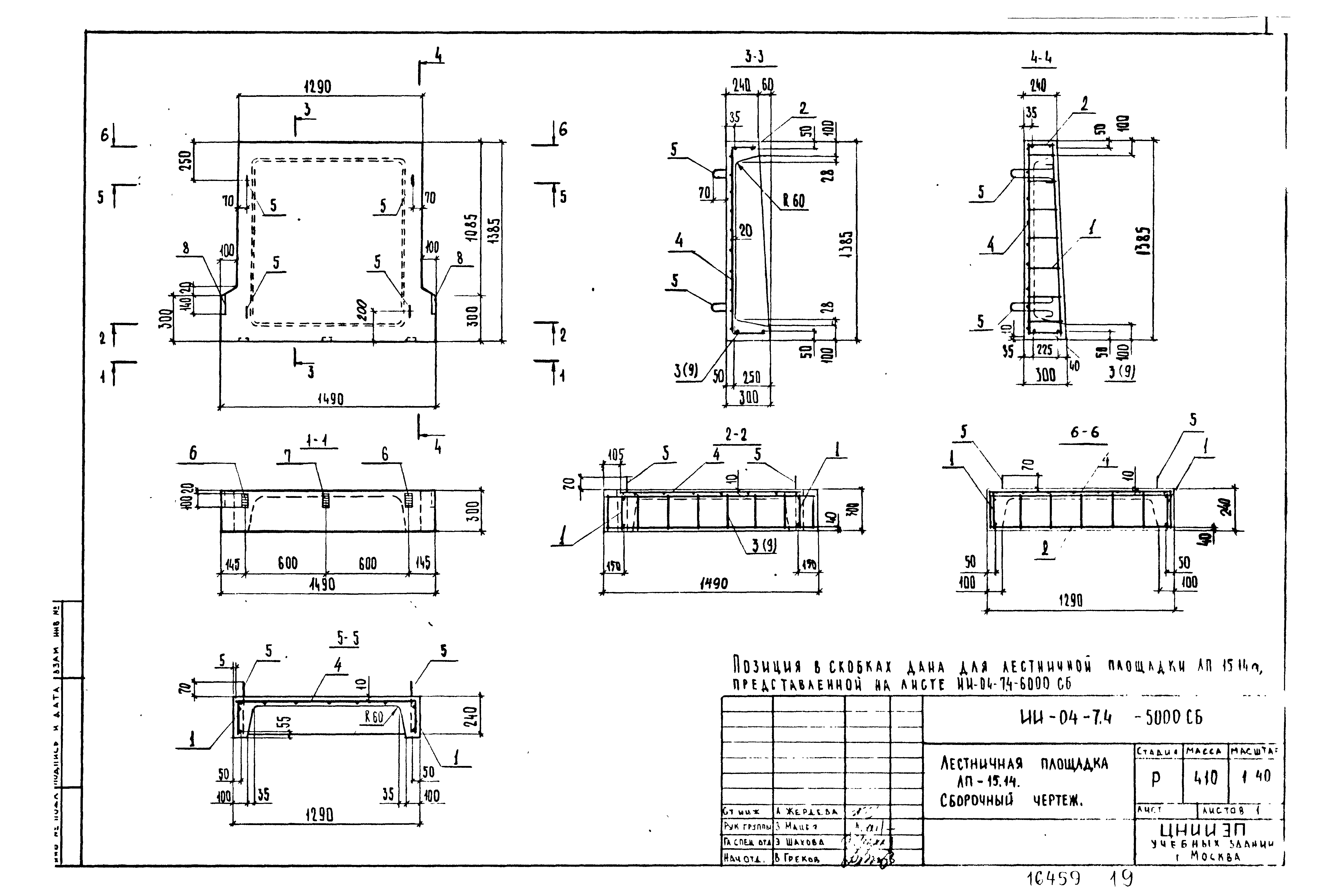
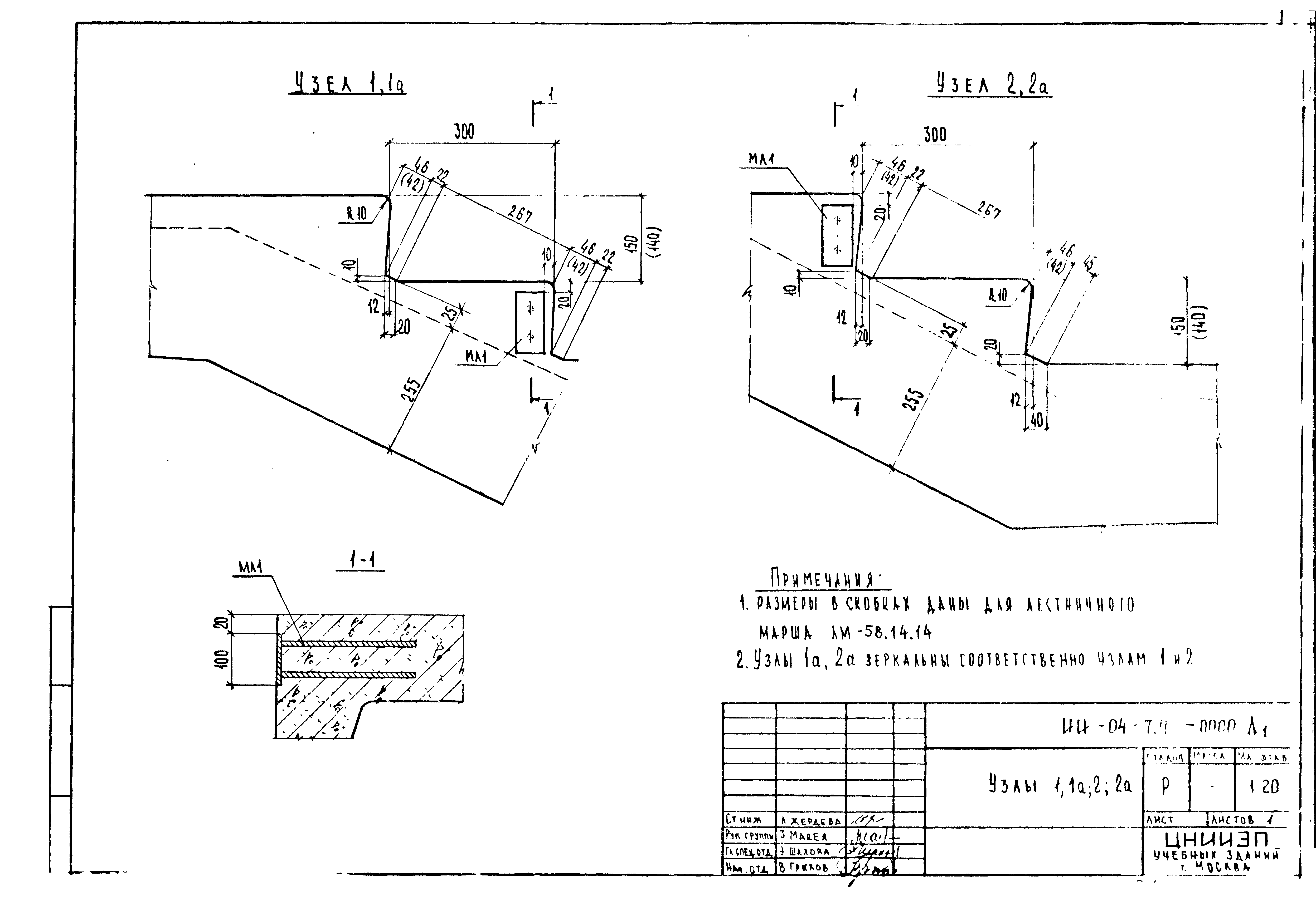
| Оглавление: | ИИ-04-7.4 Содержание ИИ-04-7.4-0000ТО Техническое описание ИИ-04-7.4-0000ВД Ведомость ссылочных документов ИИ-04-7.4-1000 Лестничный марш ЛМ-58.14.17; ЛМ-58.14.17а. Спецификация ИИ-04-7.4-1000 СБ Лестничный марш ЛМ-58.14.17; ЛМ-58.14.17а. Сборочный чертеж ИИ-04-7.4-2000 Лестничный марш ЛМ-58.14.17б. Спецификация ИИ-04-7.4-2000 СБ Лестничный марш ЛМ-58.14.17б. Сборочный чертеж ИИ-04-7.4-3000 Лестничный марш ЛМ-58.14.18; ЛМ-58.14.14. Спецификация ИИ-04-7.4-3000 СБ Лестничный марш ЛМ-58.14.18; ЛМ-58.14.14. Сборочный чертеж ИИ-04-7.4-4000 ИИ-04-7.4-5000 Лестничный марш ЛМ-29.14.9; Лестничная площадка ЛП-15,14. Спецификация ИИ-04-7.4-4000 СБ Лестничный марш ЛМ-29.14.9. Сборочный чертеж ИИ-04-7.4-5000 СБ Лестничная площадка ЛП-15.14. Сборочный чертеж ИИ-04-7.4-6000 Лестничная площадка ЛП-15.14а Спецификация ИИ-04-7.4-6000 СБ Лестничная площадка ЛП-15Л4а Сборочный чертеж ИИ-04-7.4-000Д1 Узлы 1,1а,2,2а ИИ-04-7.4-000Д2 Узлы 3;3а,4,4а ИИ-04-7.4-000Д3 Узлы 5;5a;6;7 ИИ-04-7.4-1010 Каркасы К1,К2 ИИ-04-7.4-3040 Каркас К3 ИИ-04-7.4-1040 Каркас К4 ИИ-04-7.4-1070 Каркас К5 ИИ-04-7.4-2010 Каркас К6 ИИ-04-7.4-1050 Каркас К7 ИИ-04-7.4-2020 Каркас К8 ИИ-04-7.4-1080 Каркас К9 ИИ-04-7.4-1020 Каркас К10 ИИ-04-7.4-4010 Каркас К11 ИИ-04-7.4-4020 Каркас К12 ИИ-04-7.4-5010 Каркас К13 ИИ-04-7.4-5020 Каркасы К14, К15 ИИ-04-7.4-6010 Каркас К16 ИИ-04-7.4-1003 Отдельные стержни ОС1, ОС2 ИИ-04-7.4-1030 Сетка арматурная С1, C2 ИИ-04-7.4-3060 Сетка арматурная С3, С4 ИИ-04-7.4-1060 Сетка арматурная С5, С6 и С7 ИИ-04-7.4-5040 Сетка арматурная С8 ИИ-04-7.4-1110 Закладная деталь МЛ1 ИИ-04-7.4-1120 Закладная деталь МЛ2 ИИ-04-7.4-1130 Закладная деталь МЛ3 ИИ-04-7.4-1000 Монтажная петля П1 ИИ-04-7.4-0000ВС Выборка стали ИИ-04-7.4-0000Д4 Данные для испытаний |
| Разработан: | НИИЖБ ЦНИИЭП учебных зданий Госгражданстроя |
| Утверждён: | 08.02.1980 Государственный комитет по гражданскому строительству (41) |
| Чем заменён: |





































