Скачать Серия ИИ-04-15 Выпуск 2. Панели лифтовых шахт и плиты покрытия. Арматурные изделия, закладные детали и соединительные элементы. Рабочие чертежиДата актуализации: 01.01.2021
|
| Обозначение: | Серия ИИ-04-15 |
| Обозначение англ: | Series ИИ-04-15 |
| Статус: | заменен |
| Название рус.: | Выпуск 2. Панели лифтовых шахт и плиты покрытия. Арматурные изделия, закладные детали и соединительные элементы. Рабочие чертежи |
| Дата добавления в базу: | 01.09.2013 |
| Дата актуализации: | 01.01.2021 |
| Дата введения: | 01.03.1974 |
| Дата окончания срока действия: | 01.04.1982 |
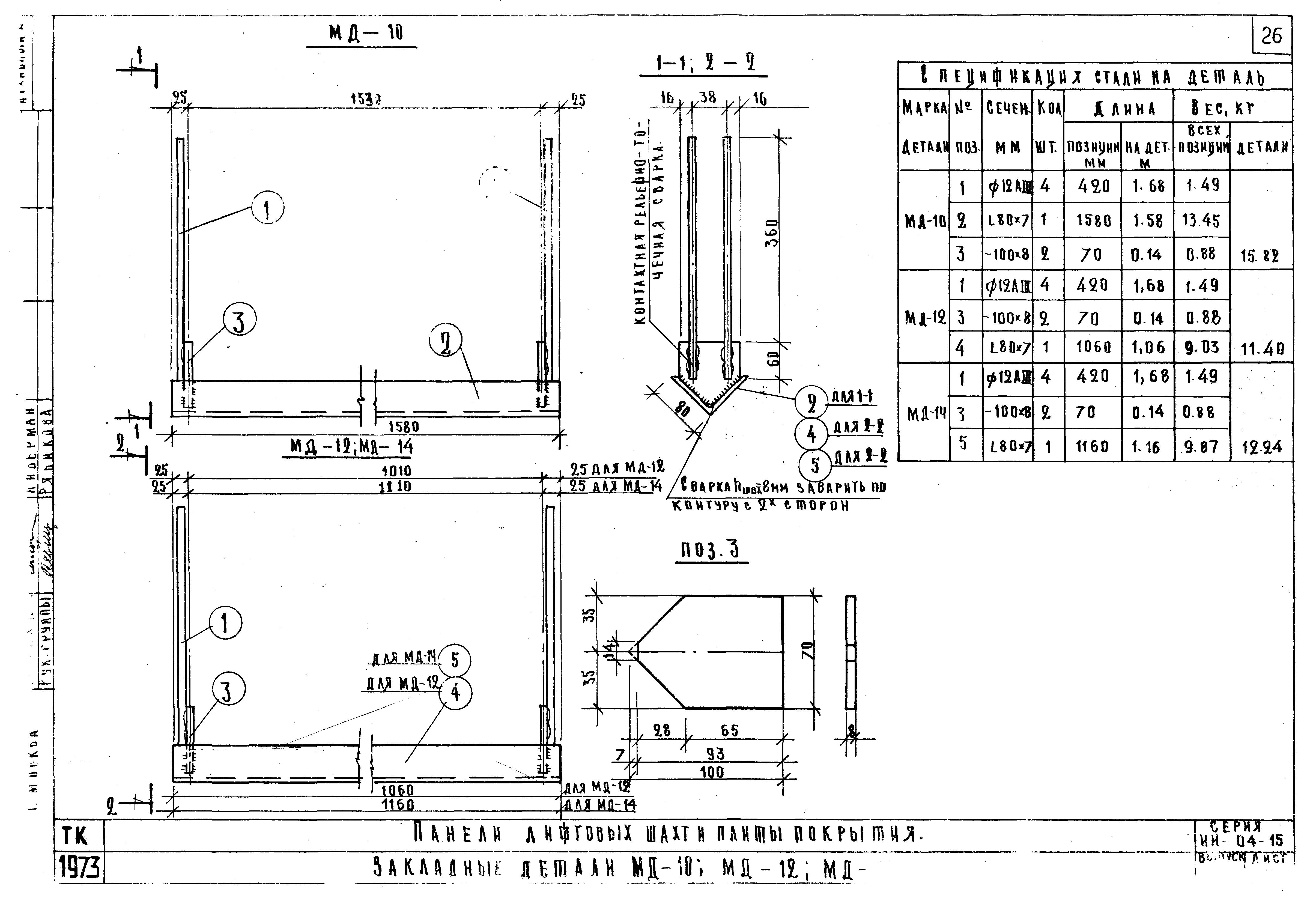
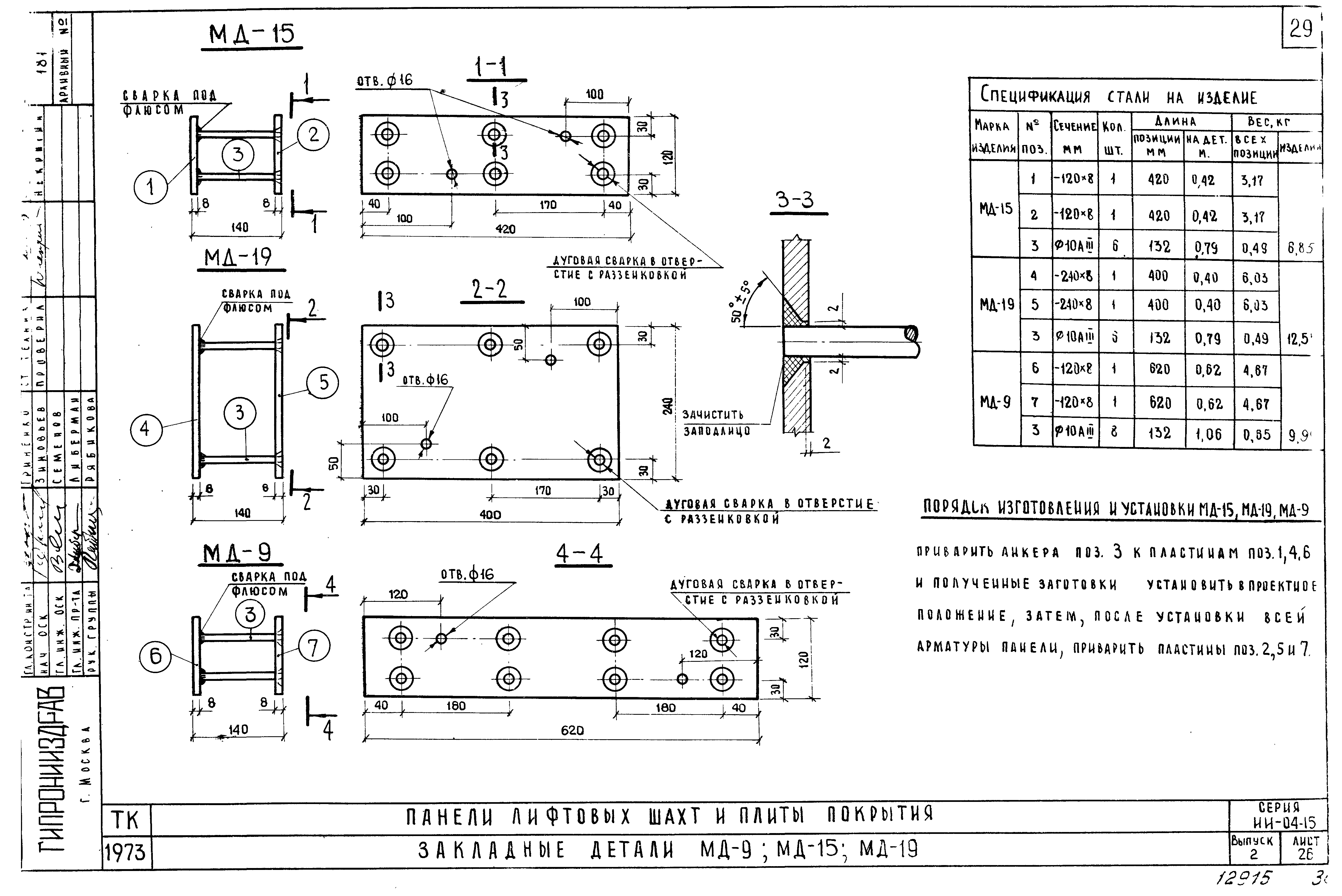
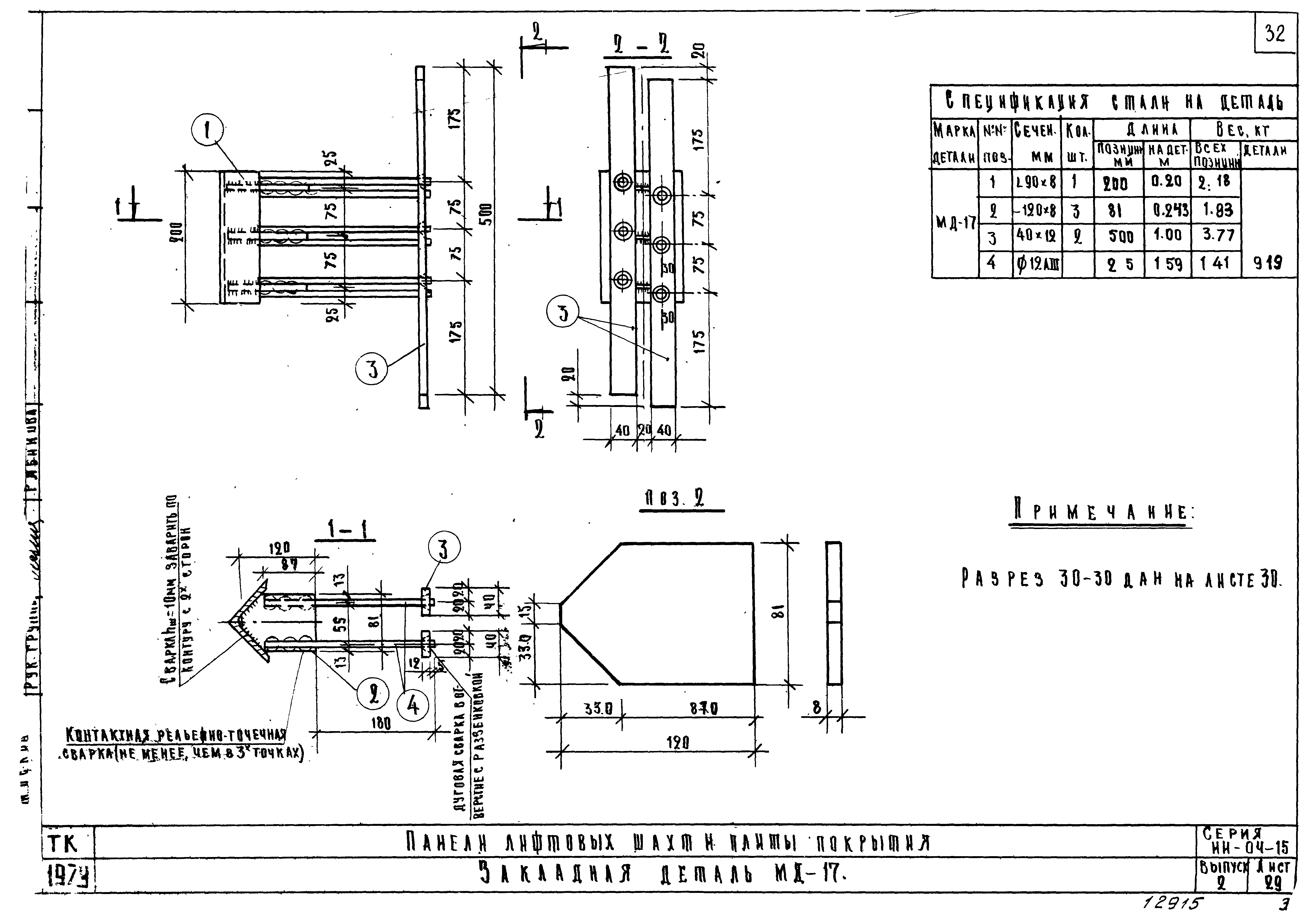
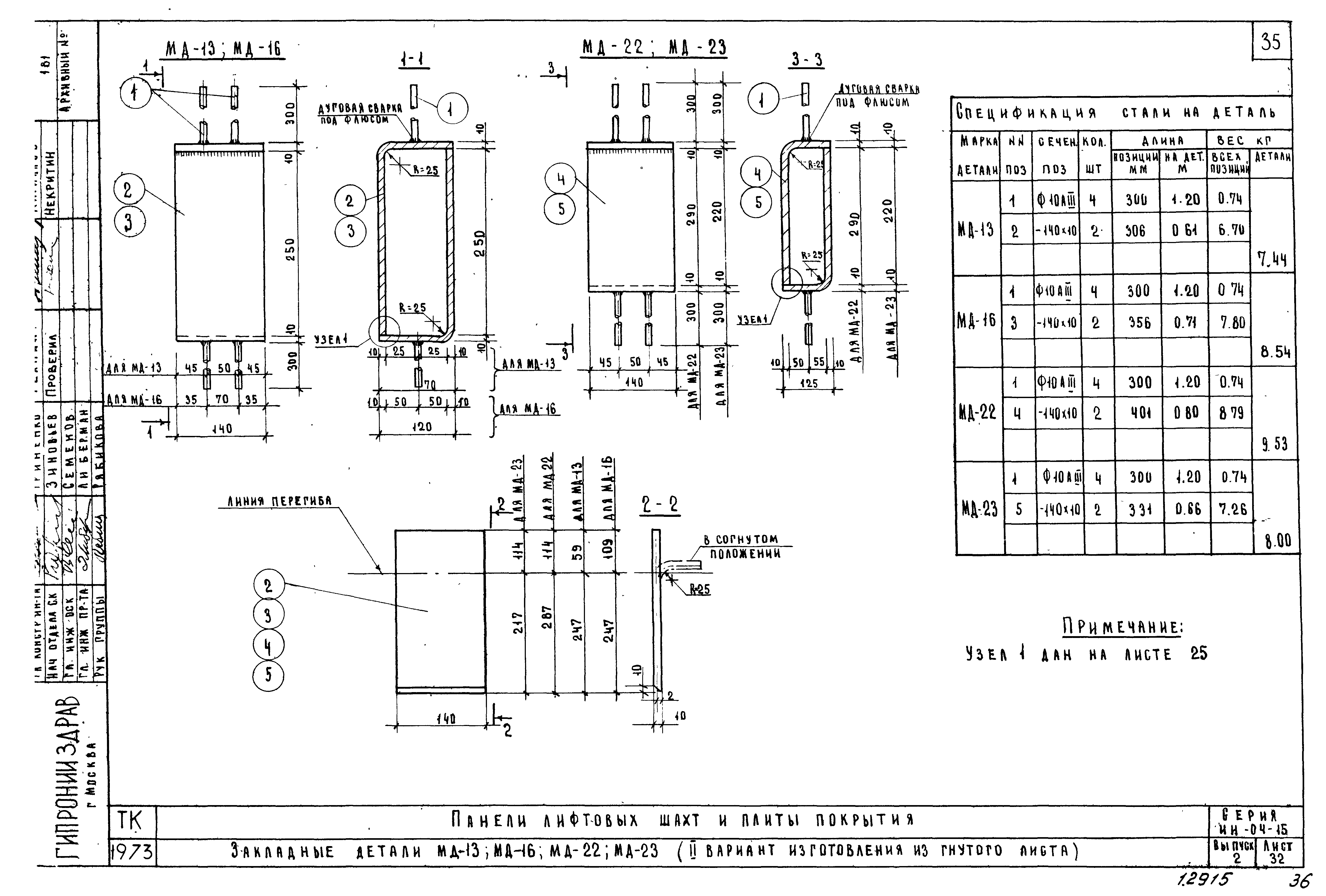
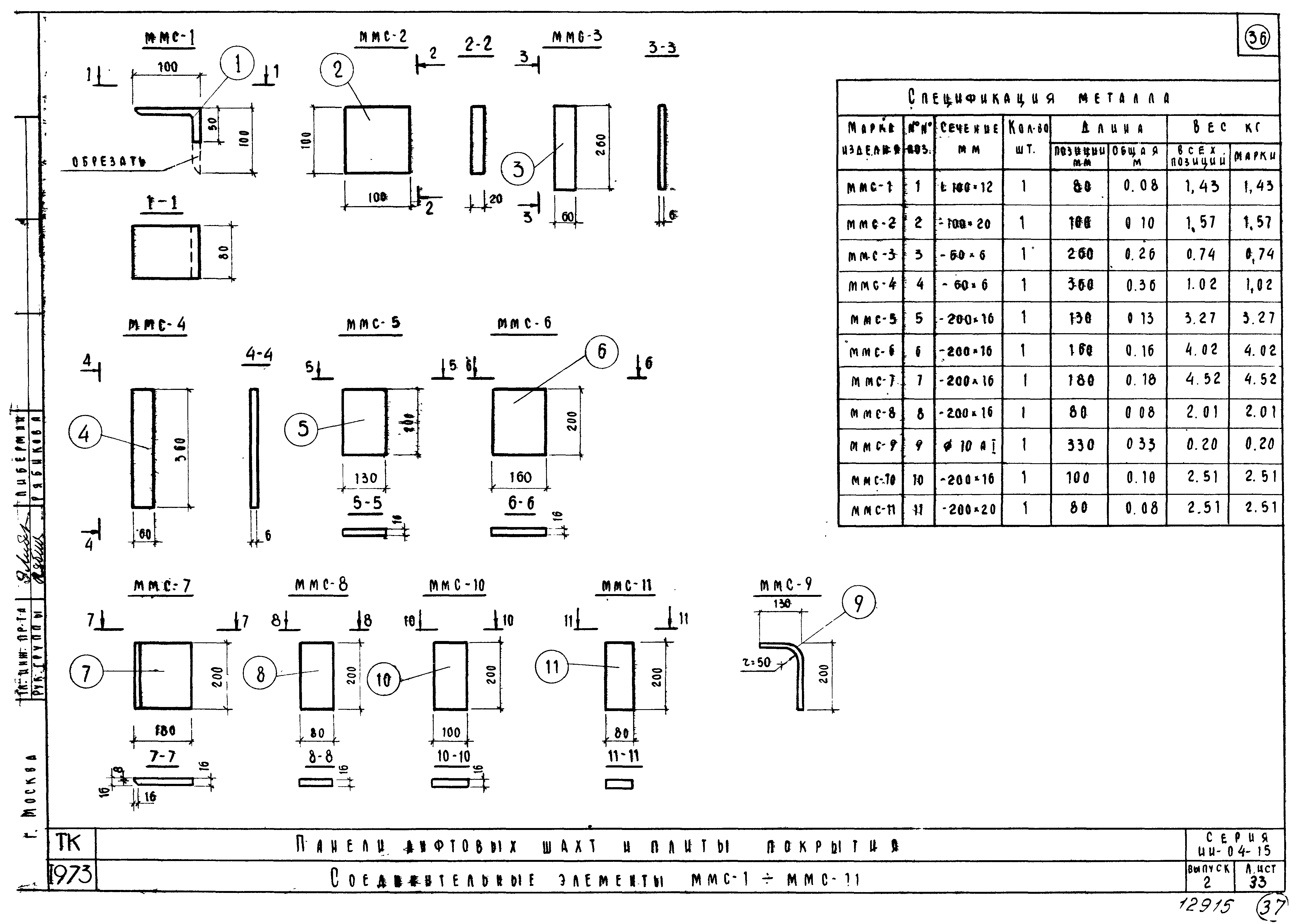
| Оглавление: | ИИ-04-15 Содержание ИИ-04-15 Пояснительная записка ИИ-04-15 Лист 1. Арматурные сетки С-1÷С-12 ИИ-04-15 Лист 2. Арматурные сетки С-13÷С-24 ИИ-04-15 Лист 3. Арматурные сетки С-25;С-26;С-27;ПП-7 ИИ-04-15 Лист 4. Арматурные сетки С-29,С-30. Отдельные стержни ОС-8÷ОС-15 ИИ-04-15 Лист 5. Арматурные каркасы К-1÷К-17 ИИ-04-15 Лист 6. Арматурные каркасы К-10;К-13;К-16;К-28;К-29;К-30 ИИ-04-15 Лист 7. Арматурные каркасы К-9;К-11;К-14;К-17 ИИ-04-15 Лист 8. Арматурные каркасы К-8;К-25;К-26;К-27 ИИ-04-15 Лист 9. Арматурные каркасы К-41;К-42;К-43 ИИ-04-15 Лист 10. Арматурные каркасы К-44;К-45;К-46, отдельные стержни ОС-2÷ОС-7, петли ПП-1÷ПП-6 ИИ-04-15 Лист 11. Арматурные каркасы К-37;К-38;К-39;К-40 ИИ-04-15 Лист 12. Арматурные каркасы К-20;К-21;К-22 ИИ-04-15 Лист 13. Арматурные каркасы К-19;К-33;К-34;К-35 ИИ-04-15 Лист 14. Арматурные каркасы К-12;К-15;К-18;К-36 ИИ-04-15 Лист 15. Арматурные каркасы К-23;К-24;К-31;К-32 ИИ-04-15 Лист 16. Объемные арматурные каркасы ОК-1;ОК-2;ОК-3 ИИ-04-15 Лист 17. Объемные арматурные каркасы ОК-4;ОК-5;ОК-6;ОК-7 ИИ-04-15 Лист 18. Объемные арматурные каркасы ОК-8;ОК-9;ОК-10;ОК-11 ИИ-04-15 Лист 19. Объемные арматурные каркасы ОК-12;ОК-13;ОК-14;ОК-15 ИИ-04-15 Лист 20. Закладные детали МД-1;МД-21;МД-26 ИИ-04-15 Лист 21. Закладные детали МД-7;МД-8;МД-25 ИИ-04-15 Лист 22. Закладная деталь МД-4 ИИ-04-15 Лист 23. Закладные детали МД-10;МД-12;МД-14 ИИ-04-15 Лист 24. Закладные детали МД-5;МД-6;МД-11;МД-20 ИИ-04-15 Лист 25. Закладные детали МД-13;МД-22;МД-23 ИИ-04-15 Лист 26. Закладные детали МД-9;МД-15;МД-19 ИИ-04-15 Лист 27. Закладные детали МД-2;МД-16 ИИ-04-15 Лист 28. Закладные детали МД-18;МД-24 ИИ-04-15 Лист 29. Закладная деталь МД-17 ИИ-04-15 Лист 30. Закладная деталь МД-3 ИИ-04-15 Лист 31. Закладные детали МД-13;МД-16;МД-22;МД-23 (1 вариант изготовления из гнутого листа) ИИ-04-15 Лист 32. Закладные детали МД-13;МД-16;МД-22;МД-23 (2 вариант изготовления из гнутого листа) ИИ-04-15 Лист 33. Соединительные элементы ММС-1÷ММС-11 |
| Разработан: | ГипроНИИздрав Минздрава СССР |
| Утверждён: | 11.02.1974 Государственный комитет по гражданскому строительству (20) |
| Чем заменён: |





































