Скачать Типовой проект 903-1-174 Альбом XI. Схемы автоматизации электрические принципиальныеДата актуализации: 01.01.2021
|
| Обозначение: | Типовой проект 903-1-174 |
| Обозначение англ: | 903-1-174 |
| Статус: | заменен |
| Название рус.: | Альбом XI. Схемы автоматизации электрические принципиальные |
| Дата добавления в базу: | 01.09.2013 |
| Дата актуализации: | 01.01.2021 |
| Дата введения: | 20.11.1979 |
| Дата окончания срока действия: | 01.11.1987 |
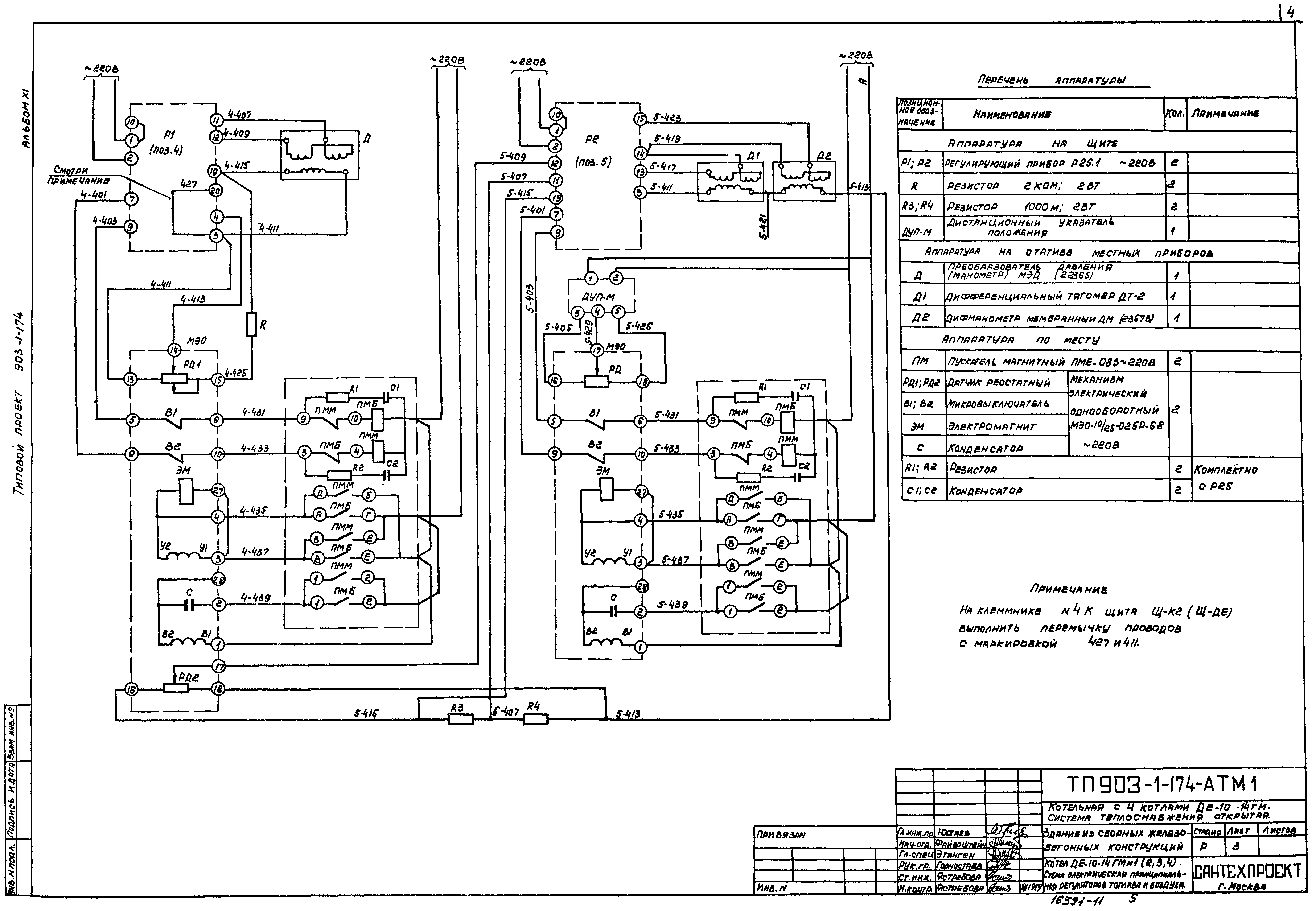
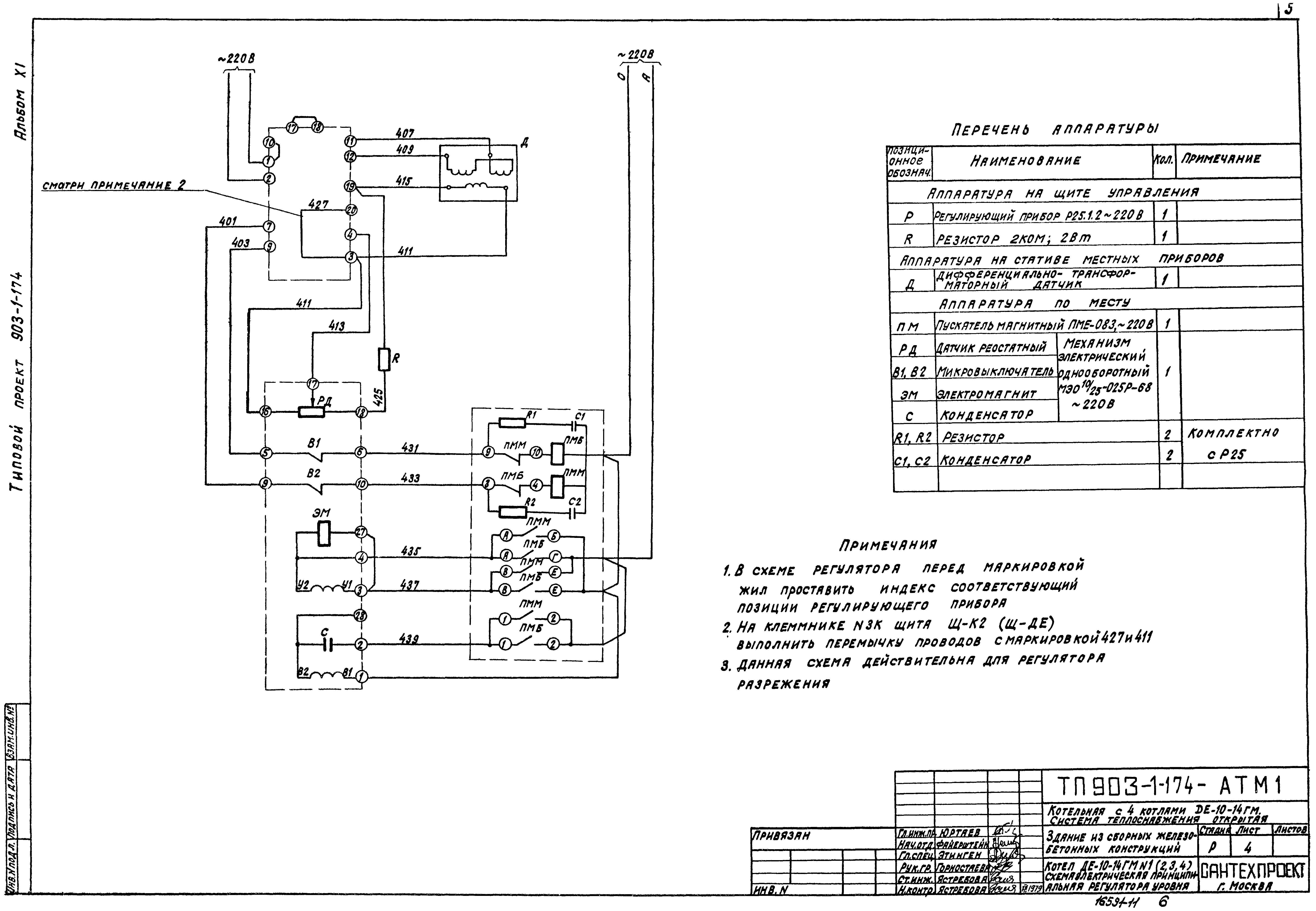
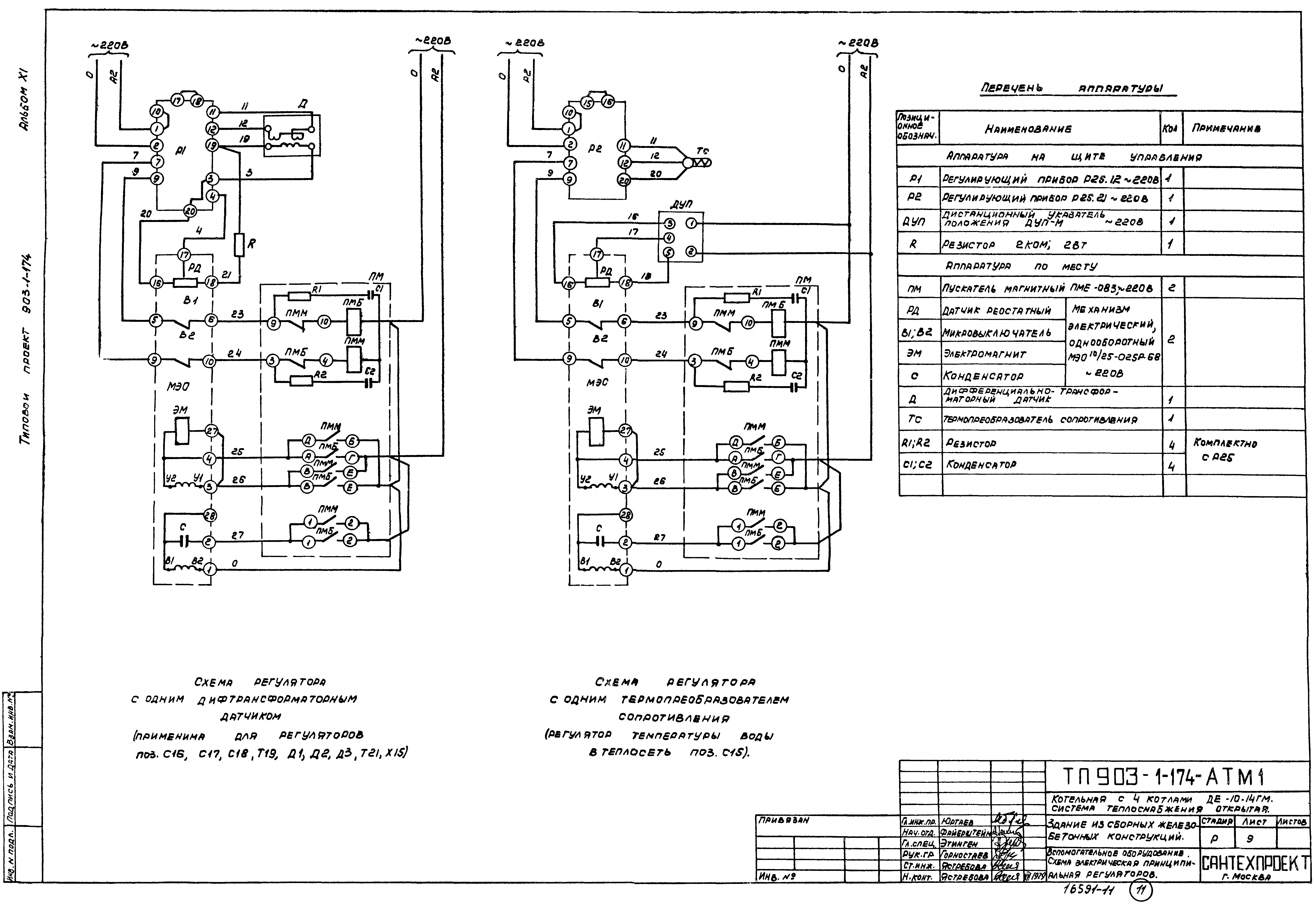
| Оглавление: | ТП 903-1-174 Титульный лист ТП 903-1-174-АТМ1-1 Общие данные ТП 903-1-174-АТМ1-2 Котлы ДЕ-10-14 ГМ №1,2(3,4). Схема электрическая принципиальная питания ТП 903-1-174-АТМ1-3 Котел ДЕ-10-14 ГМ №1(2-4). Схема электрическая принципиальная регуляторов топлива и воздуха ТП 903-1-174-АТМ1-4 Котел ДЕ-10-14 ГМ №1(2-4). Схема электрическая принципиальная регуляторов уровня ТП 903-1-174-АТМ1-5 Вспомогательное оборудование. Схема электрическая принципиальная технологической сигнализации ТП 903-1-174-АТМ1-6 Вспомогательное оборудование. Схема электрическая принципиальная технологической сигнализации ТП 903-1-174-АТМ1-7 Вспомогательное оборудование. Схема электрическая принципиальная питания ТП 903-1-174-АТМ1-8 Вспомогательное оборудование. Схема электрическая принципиальная питания ТП 903-1-174-АТМ1-9 Вспомогательное оборудование. Схема электрическая принципиальная регуляторов |
| Разработан: | ГПИ Сантехпроект Госстроя СССР Минмонтажспецстрой СССР Проектный институт №2 ЦНИИпроектстальконструкция Госстроя |
| Утверждён: | 20.11.1979 ГПИ Сантехпроект (180) |
| Заменяет собой: | |
| Чем заменён: |











