Скачать Типовой проект 902-2-438.87 Альбом V. Строительные изделияДата актуализации: 01.01.2021
|
| Обозначение: | Типовой проект 902-2-438.87 |
| Обозначение англ: | 902-2-438.87 |
| Статус: | заменен |
| Название рус.: | Альбом V. Строительные изделия |
| Дата добавления в базу: | 01.09.2013 |
| Дата актуализации: | 01.01.2021 |
| Дата введения: | 01.10.1987 |
| Дата окончания срока действия: | 01.06.1993 |
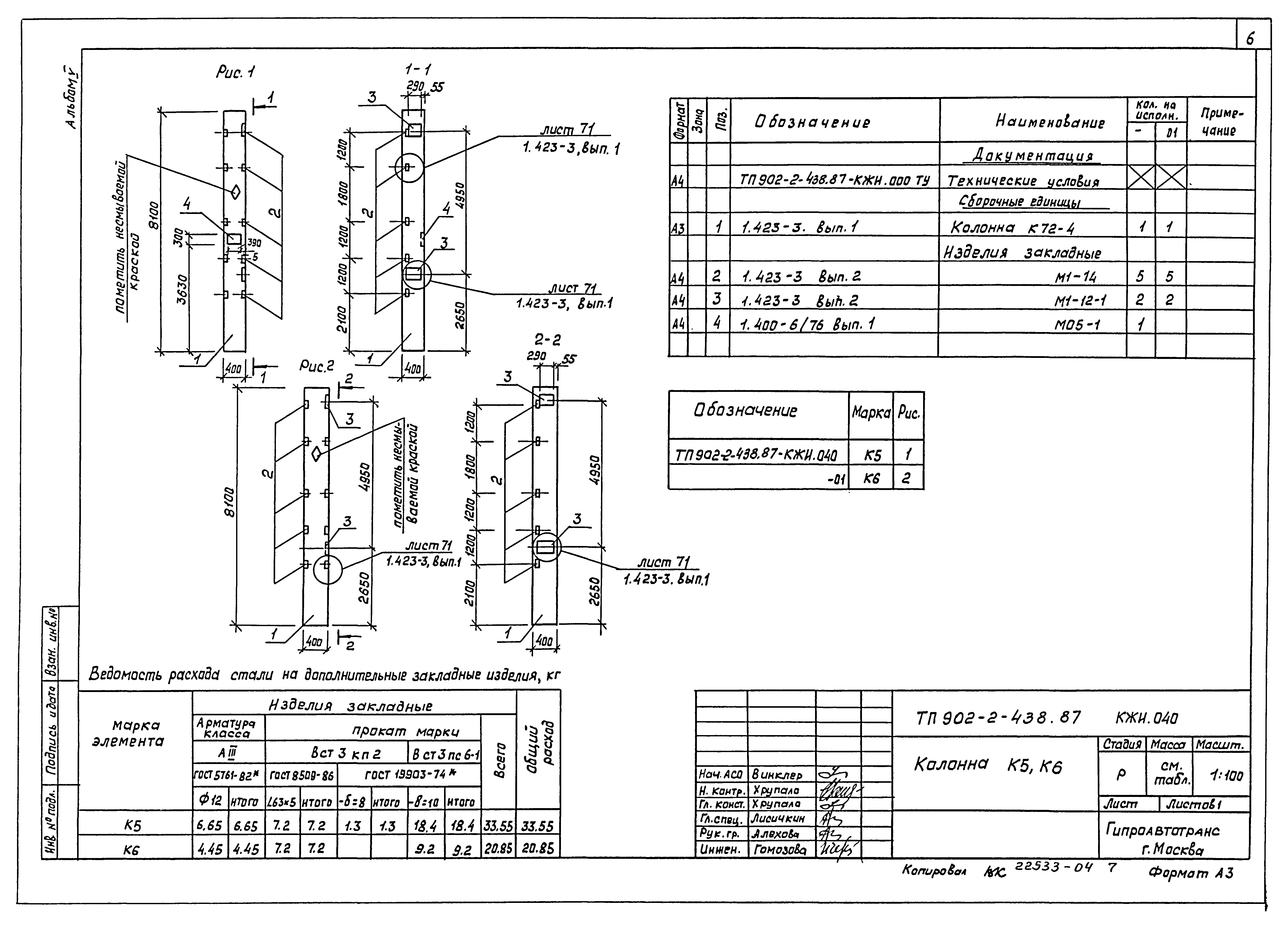
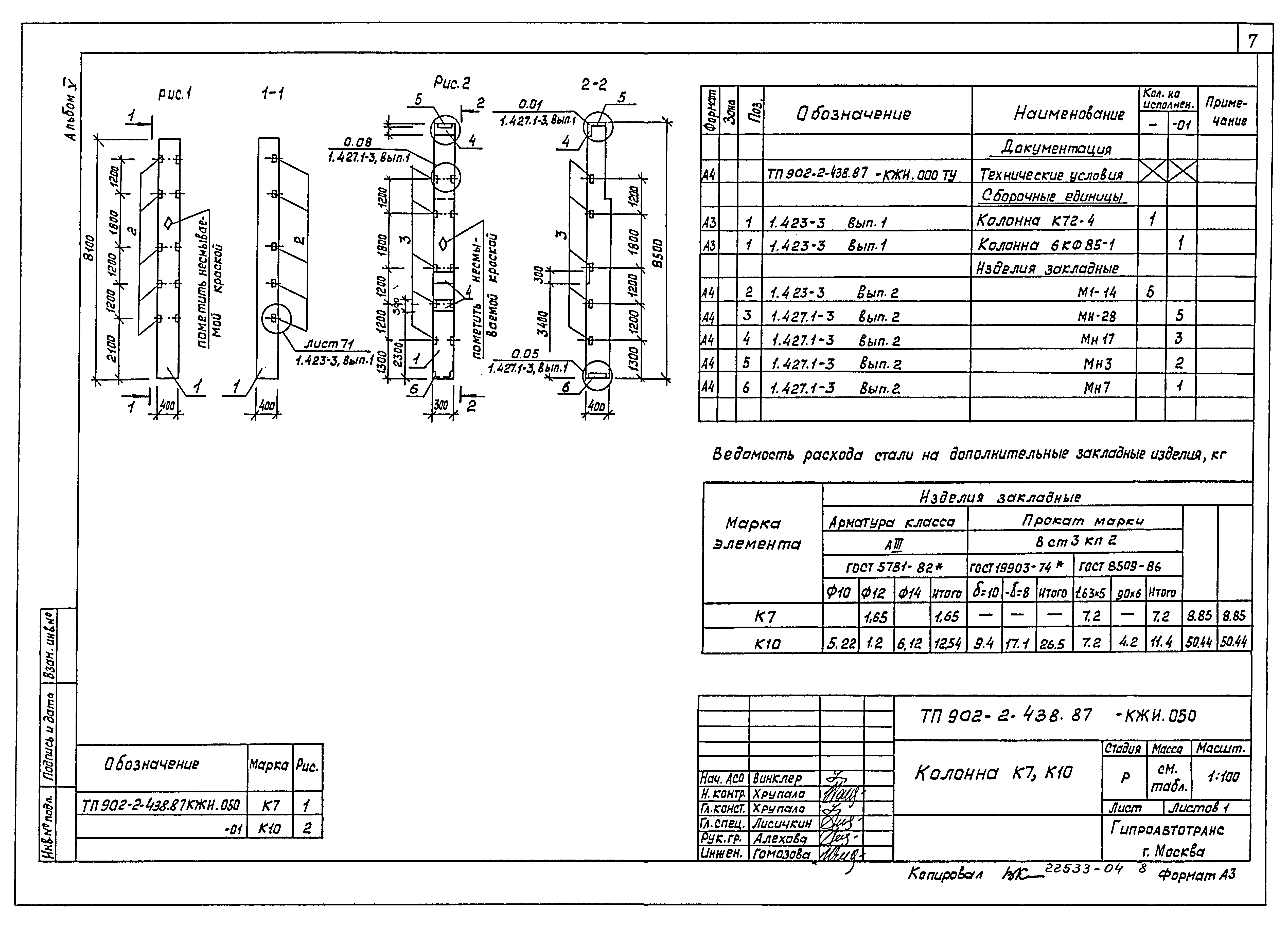
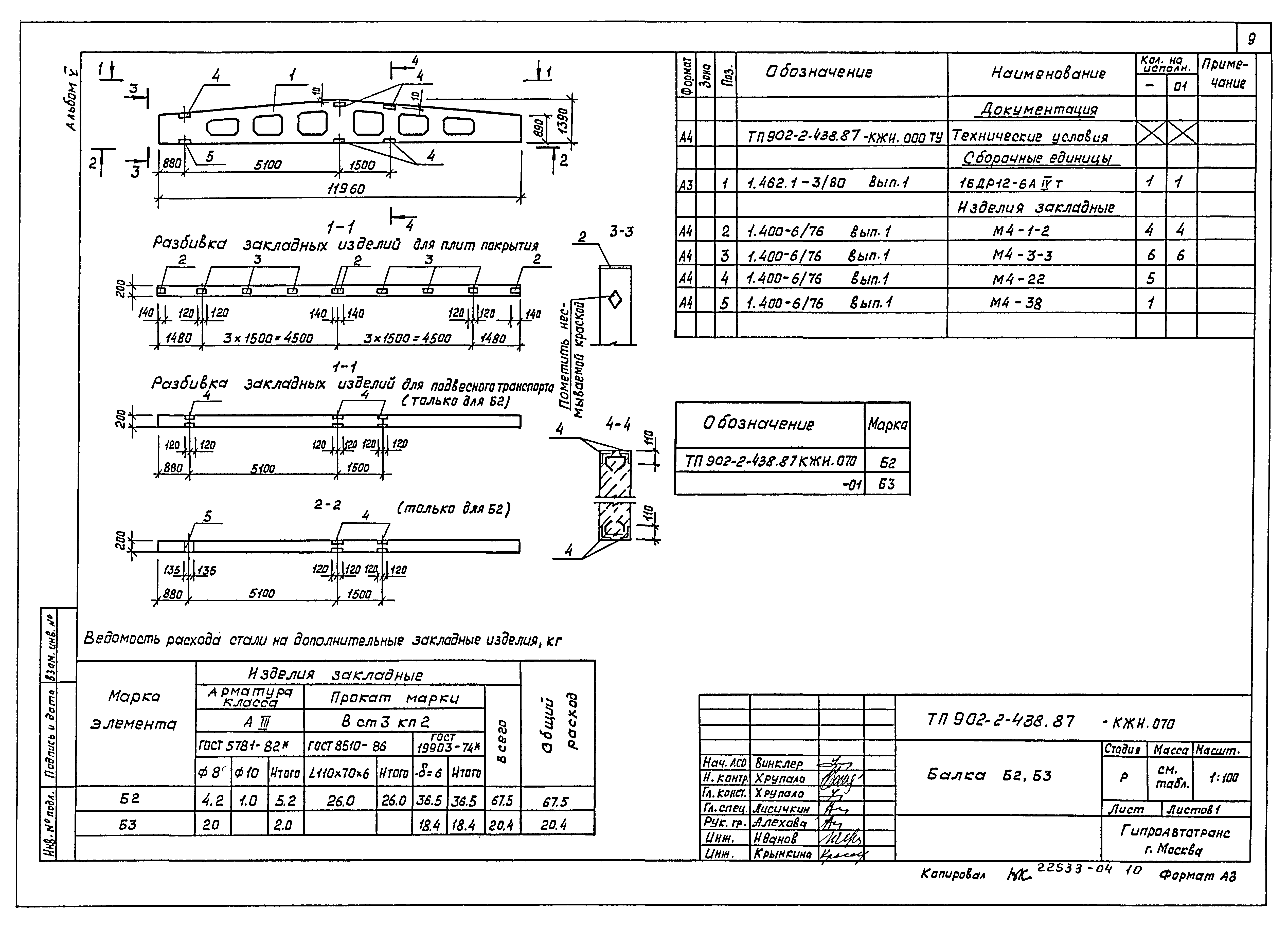
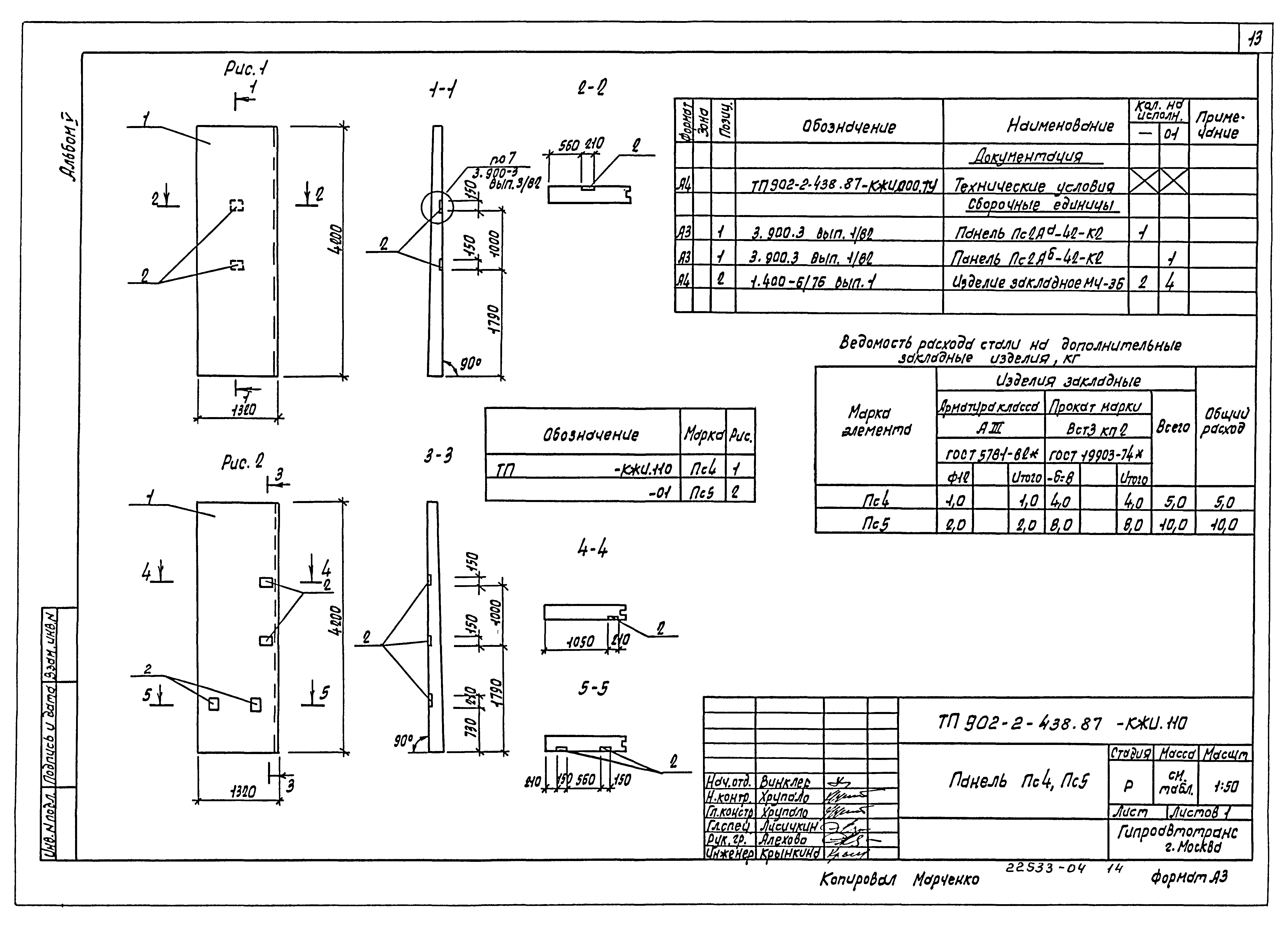
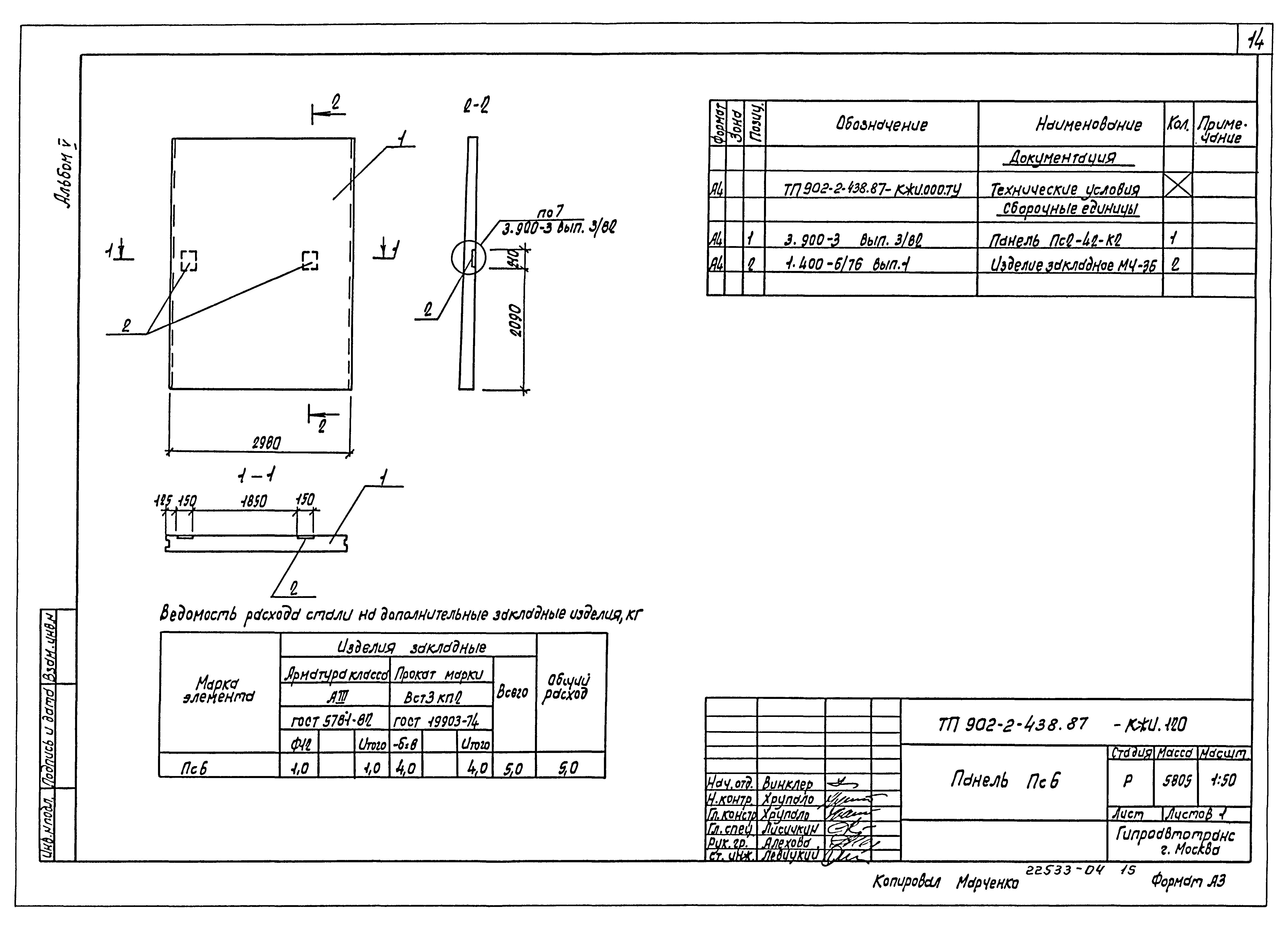
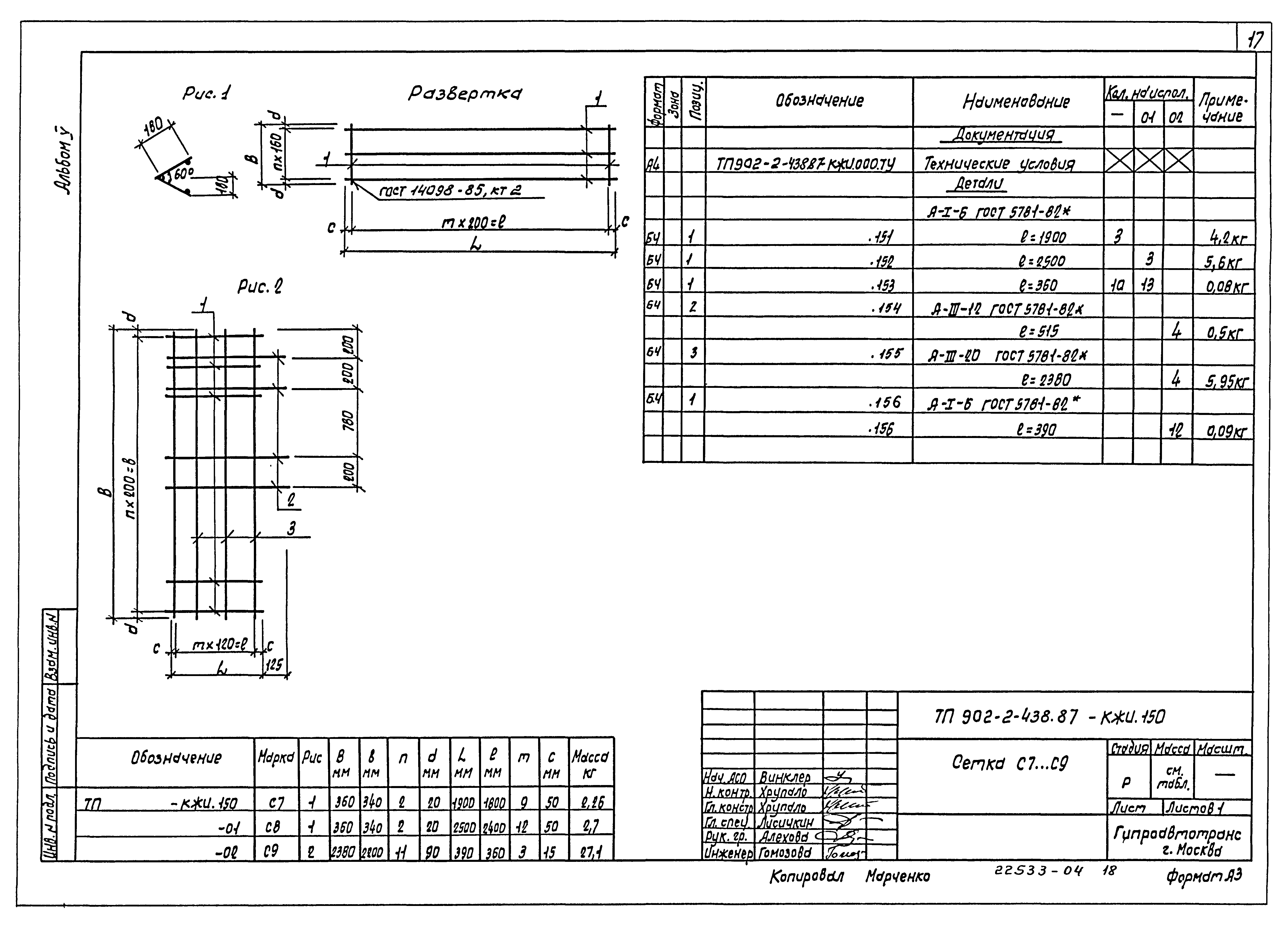
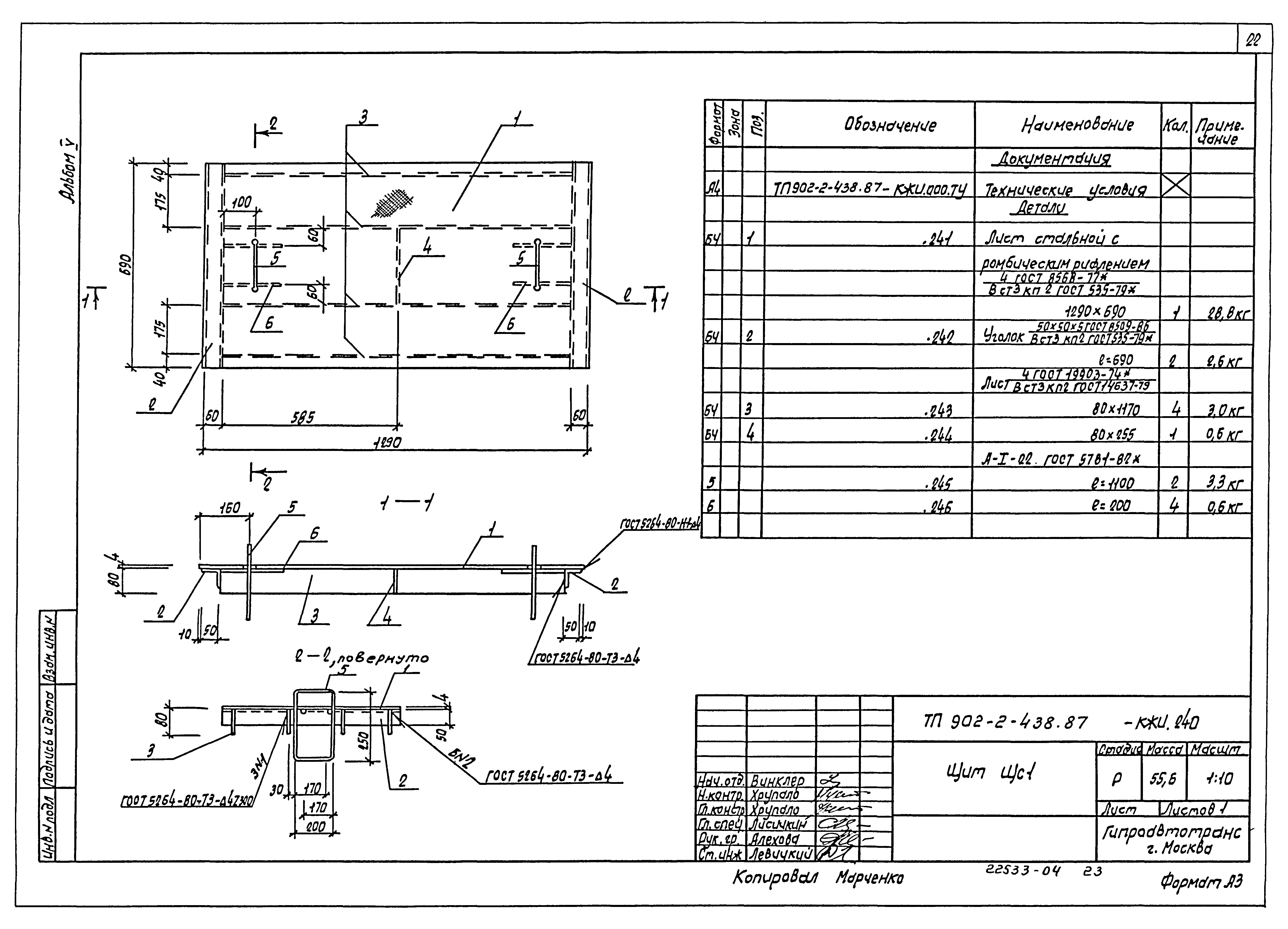
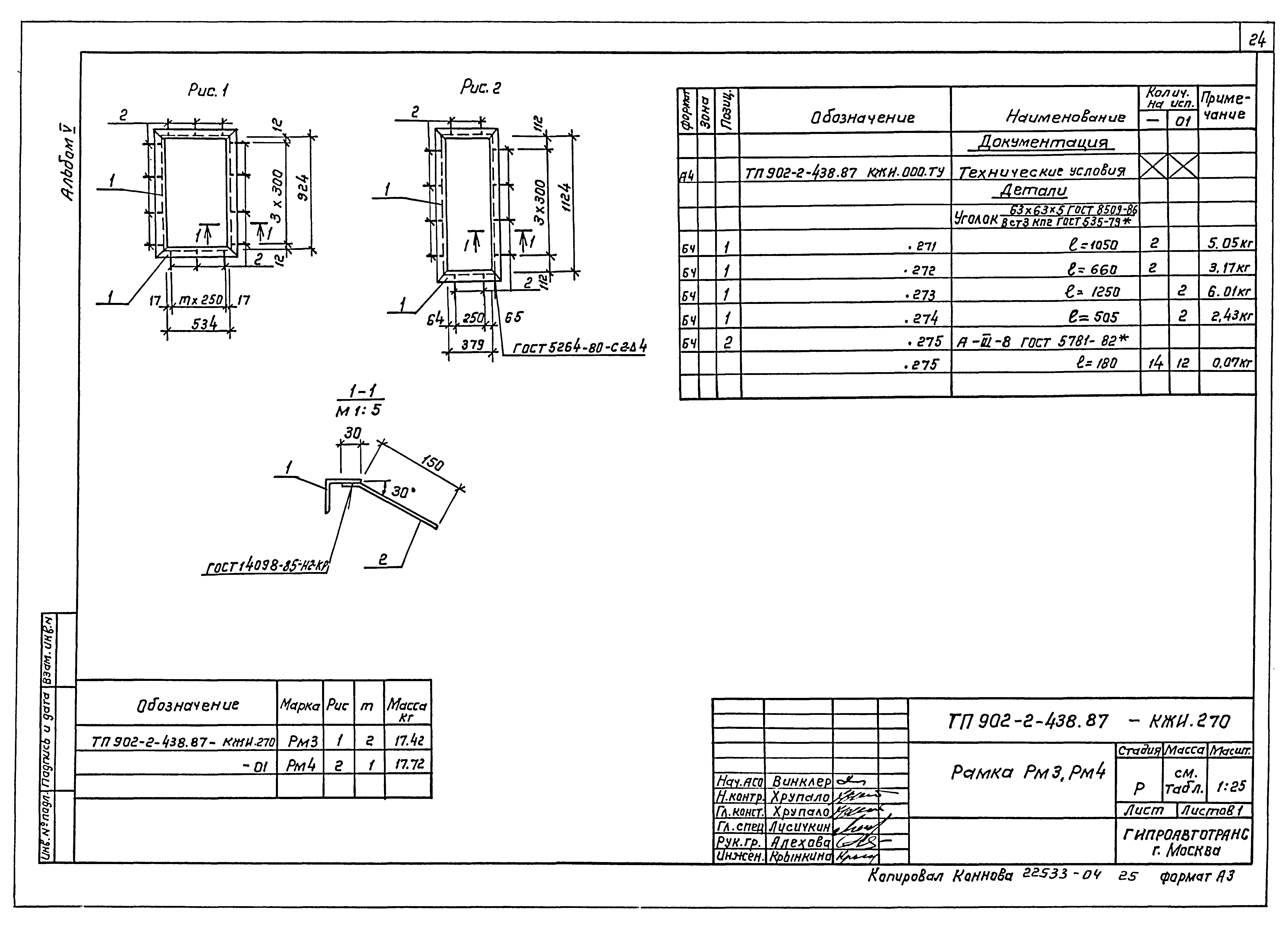
| Оглавление: | ТП 902-2-438.87 Титульный лист ТП 902-2-438.87 Содержание альбома ТП 902-2-438.87-КЖИ.000.ТУ Технические условия3 ТП 902-2-438.87-КЖИ.010 Колонна К1;К9 ТП 902-2-438.87-КЖИ.020 Колонна К2;К3 ТП 902-2-438.87-КЖИ.030 Колонна К4;К8 ТП 902-2-438.87-КЖИ.040 Колонна К5;К6 ТП 902-2-438.87-КЖИ.050 Колонна К7;К10 ТП 902-2-438.87-КЖИ.060 Балка Б1 ТП 902-2-438.87-КЖИ.070 Балка Б2;Б3 ТП 902-2-438.87-КЖИ.080 Плита П2,П3,П4 ТП 902-2-438.87-КЖИ.090 Плита П6,П7 ТП 902-2-438.87-КЖИ.100 Плита П8,П9 ТП 902-2-438.87-КЖИ.110 Панель ПС4,ПС5 ТП 902-2-438.87-КЖИ.120 Панель ПС6 ТП 902-2-438.87-КЖИ.130 Каркас КР1...КР5 ТП 902-2-438.87-КЖИ.140 Сетка С1...С6 ТП 902-2-438.87-КЖИ.150 Сетка С7...С9 ТП 902-2-438.87-КЖИ.160 Изделие закладное МН1 ТП 902-2-438.87-КЖИ.170 Изделие закладное МН2 ТП 902-2-438.87-КЖИ.180 Изделие закладное МН3 ТП 902-2-438.87-КЖИ.190 Изделие закладное МН4 ТП 902-2-438.87-КЖИ.200 Изделие закладное МН5 ТП 902-2-438.87-КЖИ.201 Изделие закладное МН6 ТП 902-2-438.87-КЖИ.202 Изделие закладное МН7 ТП 902-2-438.87-КЖИ.230 Изделие закладное МН8 ТП 902-2-438.87-КЖИ.240 Щит ЩС1 ТП 902-2-438.87-КЖИ.250 Рама РМ1 ТП 902-2-438.87-КЖИ.260 Рама РМ2 ТП 902-2-438.87-КЖИ.270 Рамка РМ3,РМ4 ТП 902-2-438.87-КЖИ.280 Ограждение ОГ1 |
| Разработан: | Гипроавтотранс |
| Утверждён: | 01.10.1987 Минавтотранс РСФСР (Russian Federation Minavtotrans 11) |
| Заменяет собой: | |
| Чем заменён: |
|

























