Скачать Серия 1.460.3-17 Выпуск 2с. Покрытия пролетами 18, 24 и 30 м для зданий с расчетной сейсмичностью 7, 8 и 9 баллов, возводимых в районах с расчетными температурами минус 40 градусов Цельсия и выше. Рабочие чертежиДата актуализации: 01.01.2021
|
| Обозначение: | Серия 1.460.3-17 |
| Обозначение англ: | Series 1.460.3-17 |
| Статус: | не действует |
| Название рус.: | Выпуск 2с. Покрытия пролетами 18, 24 и 30 м для зданий с расчетной сейсмичностью 7, 8 и 9 баллов, возводимых в районах с расчетными температурами минус 40 градусов Цельсия и выше. Рабочие чертежи |
| Дата добавления в базу: | 01.09.2013 |
| Дата актуализации: | 01.01.2021 |
| Дата введения: | 01.04.1986 |
| Дата окончания срока действия: | 01.12.1991 |
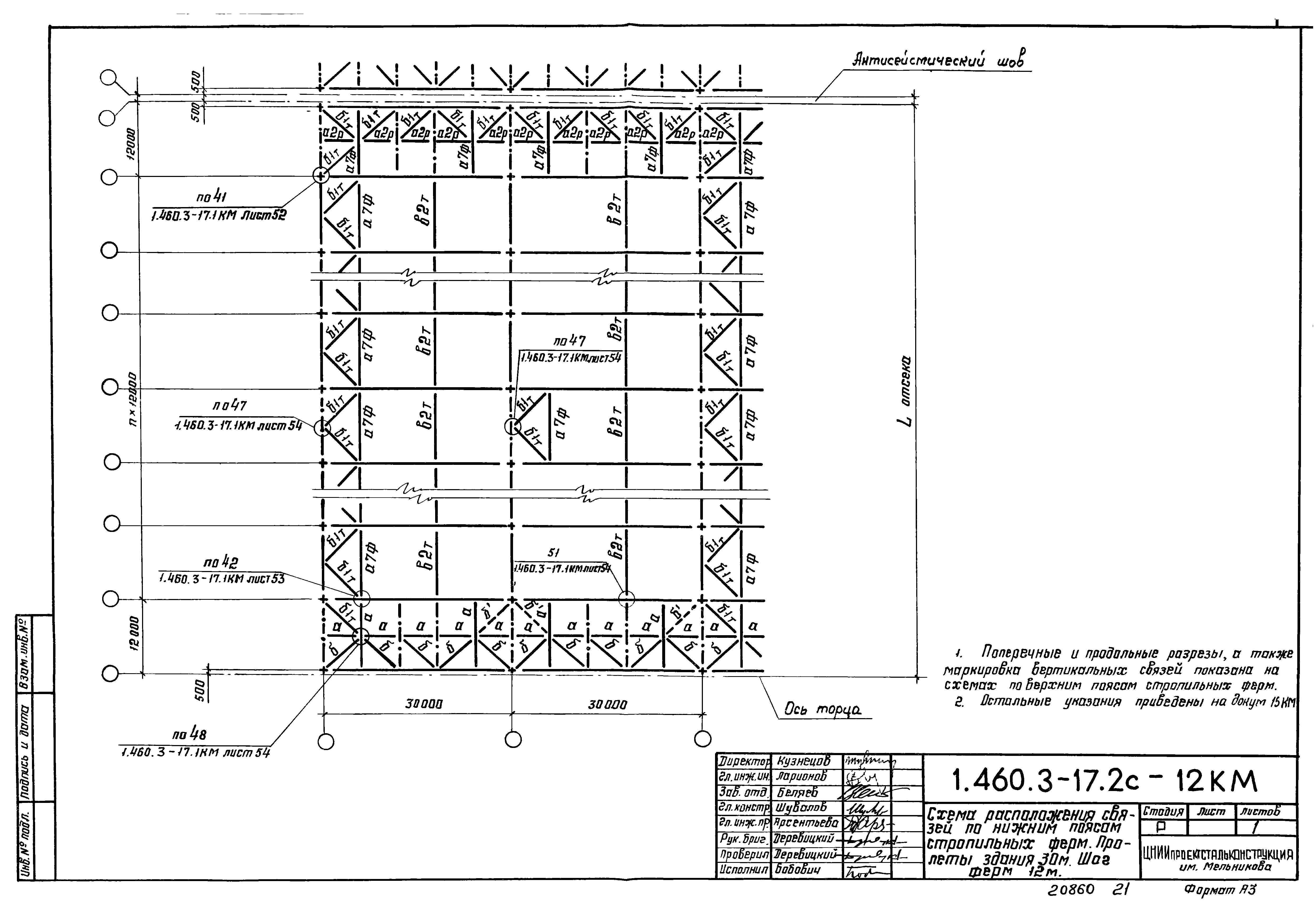
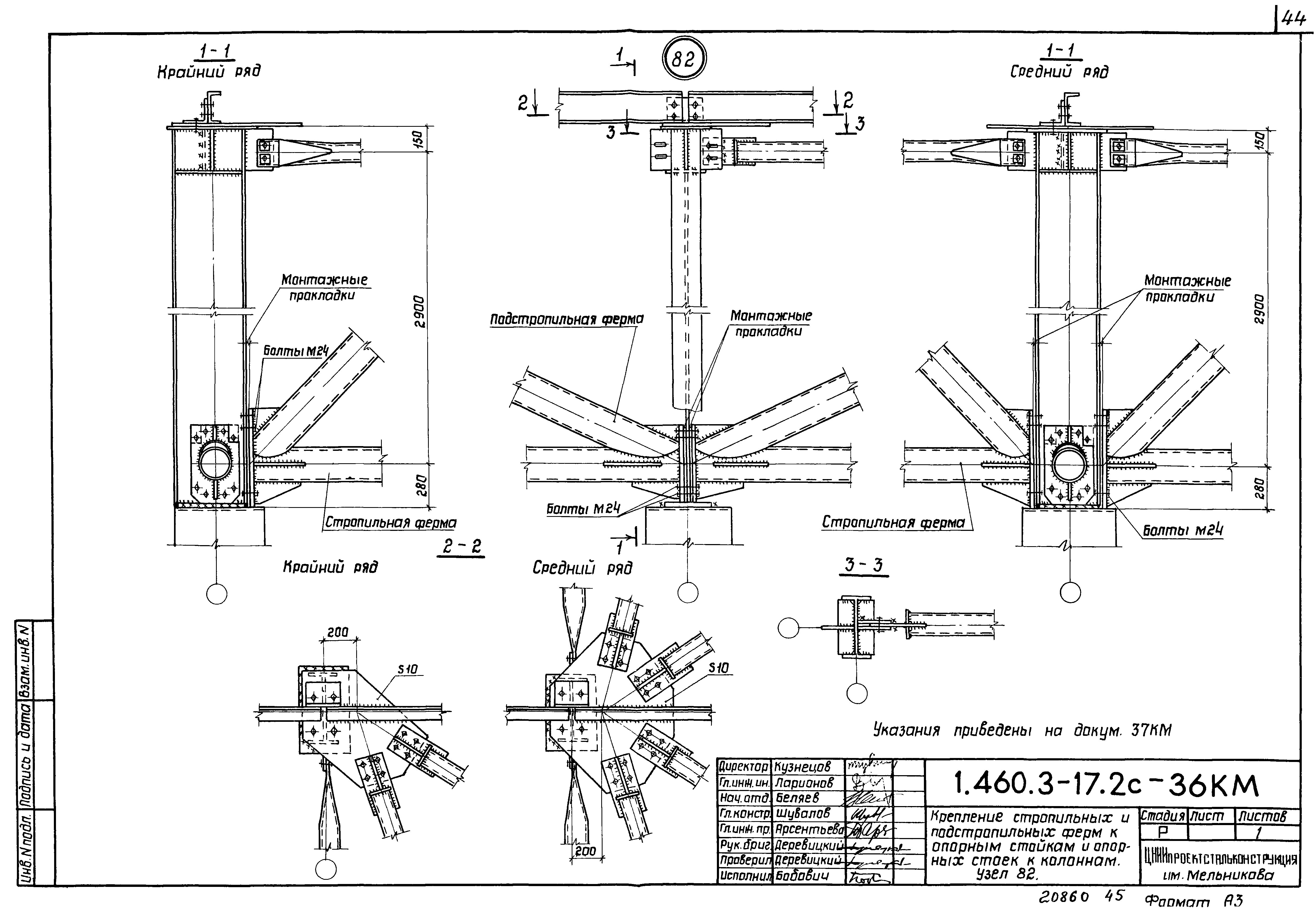
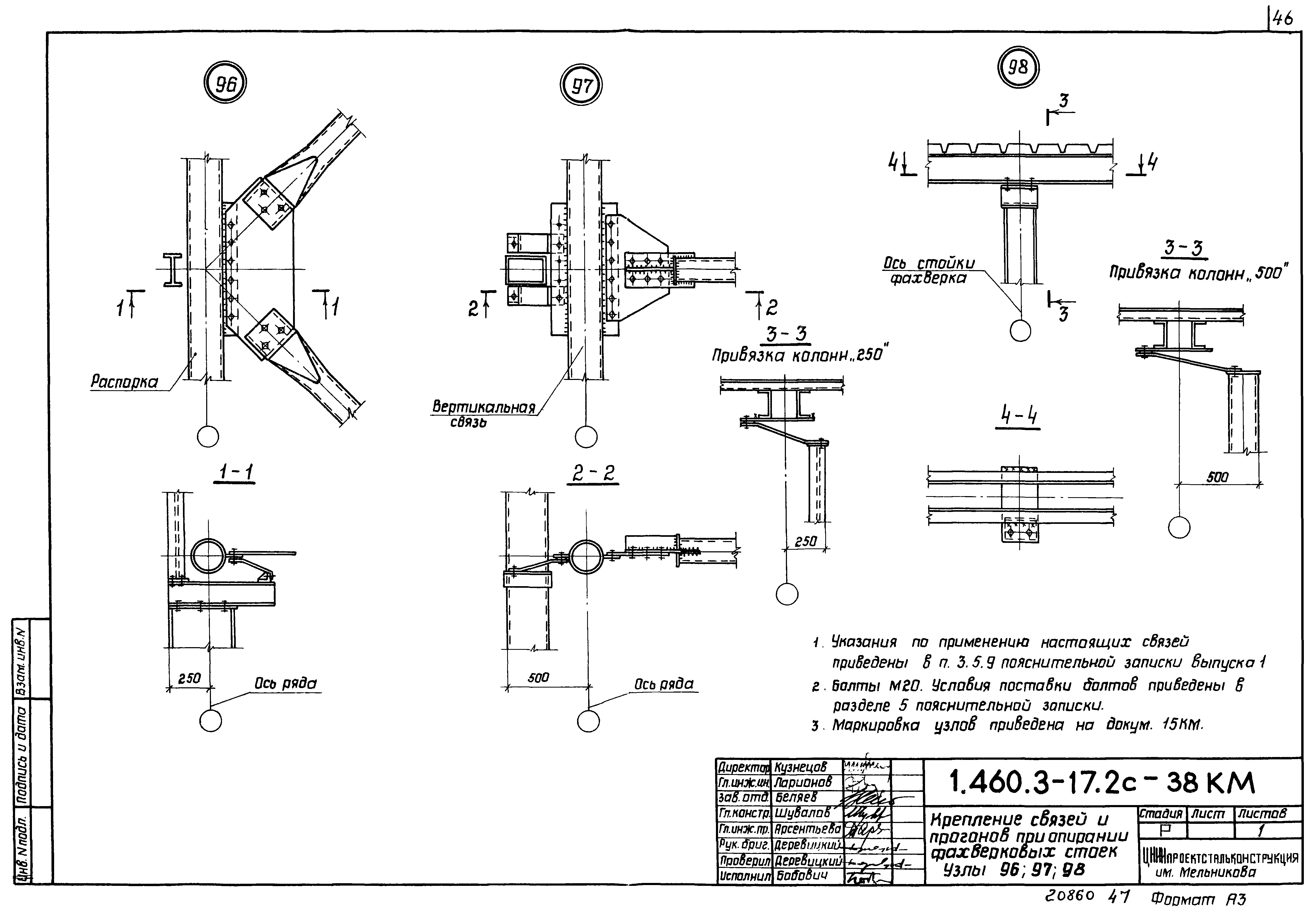
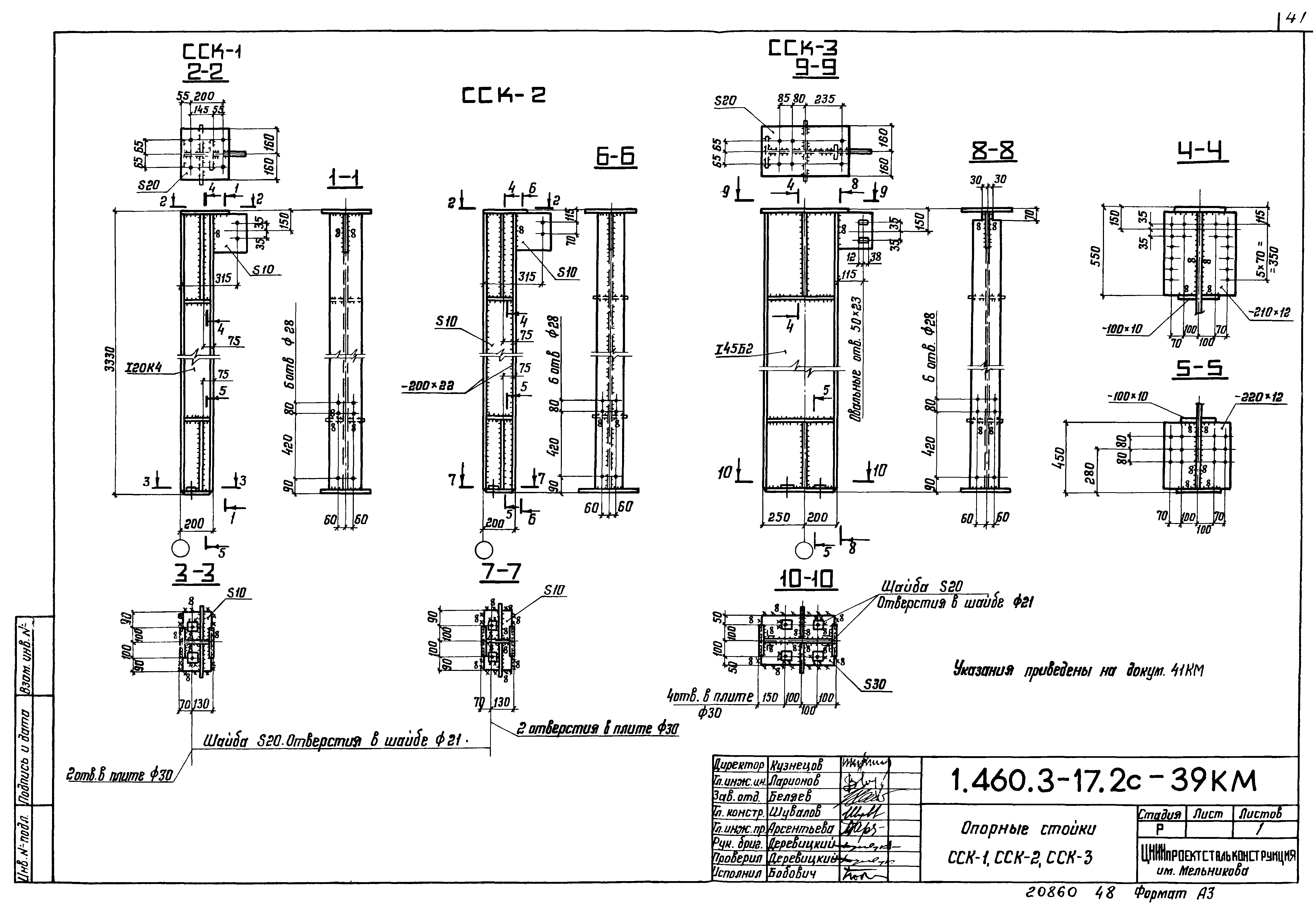
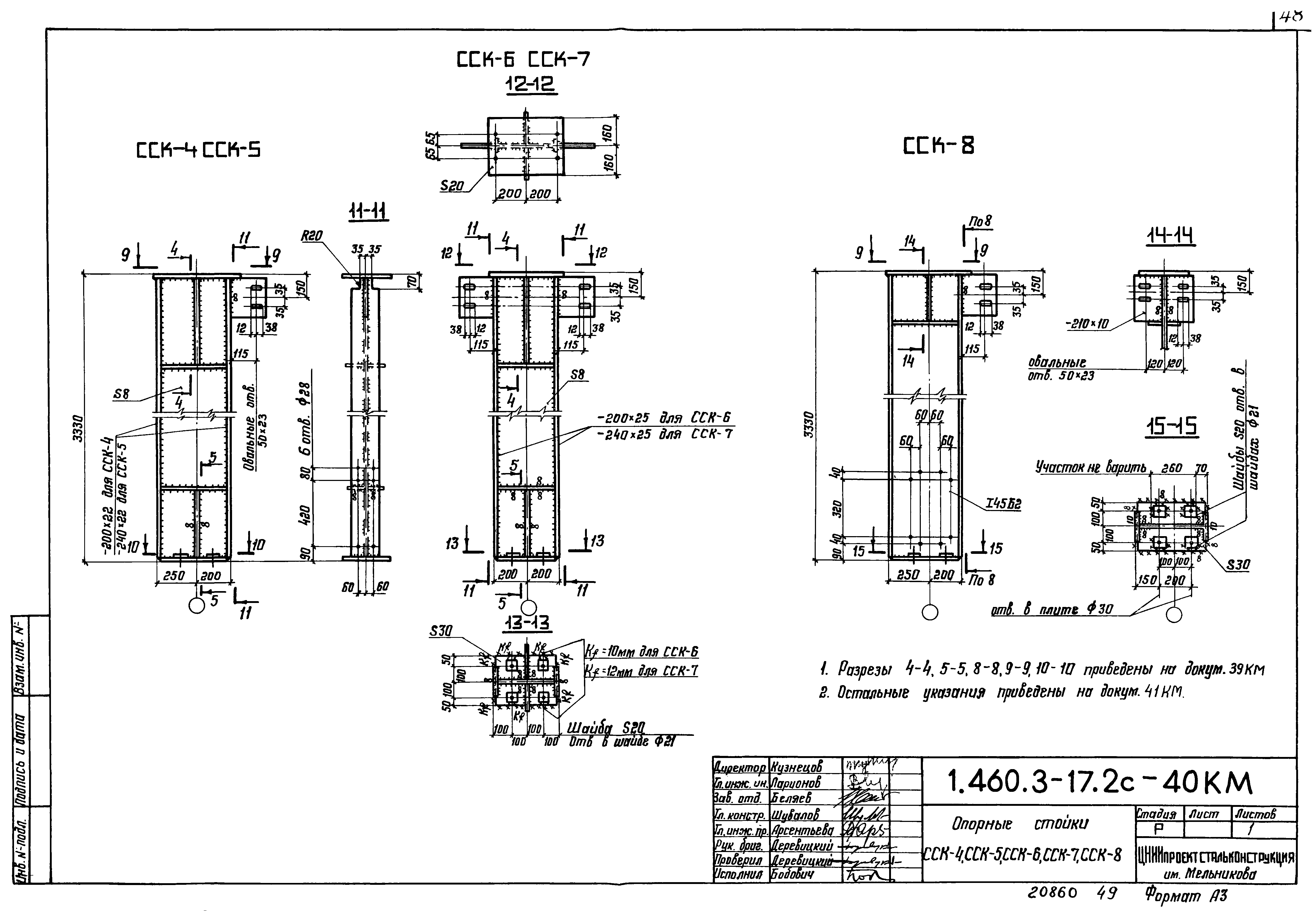
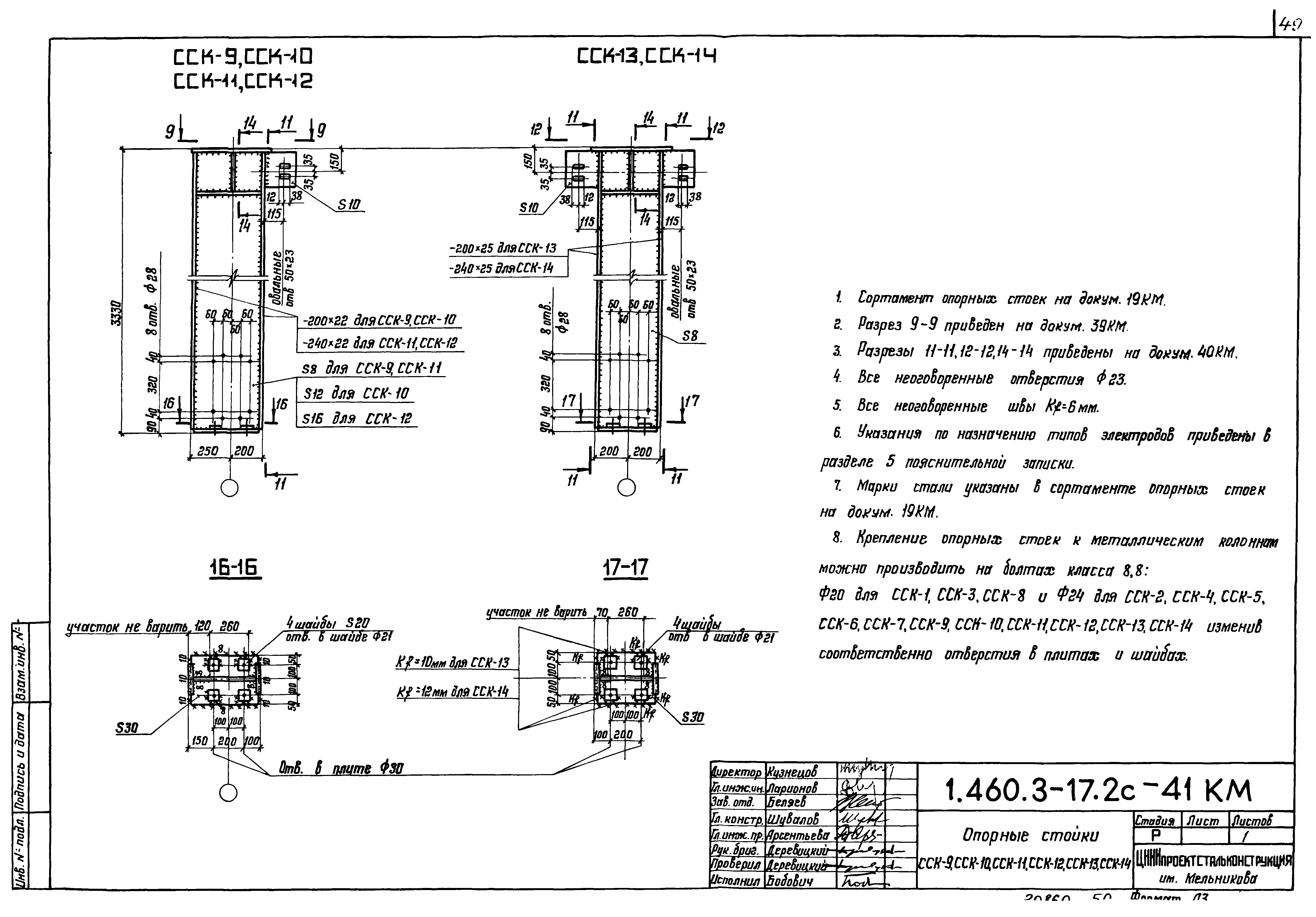
| Оглавление: | 1.460.3-17.2С-00ПЗКМ Пояснительная записка 1.460.3-17.2С-01КМ Схемы расположения прогонов и связей по верхним поясам стропильных ферм. Здания без фонарей. Шаг ферм 6 м 1.460.3-17.2С-02КМ Схемы расположения прогонов и связей по верхним поясам стропильных ферм. Здания с фонарями. Шаг ферм 6 м 1.460.3-17.2С-03КМ Схемы расположения прогонов и связей по верхним поясам стропильных ферм. Здания без фонарей. Шаг ферм 12 м 1.460.3-17.2С-04КМ Схемы расположения прогонов и связей по верхним поясам стропильных ферм. Здания с фонарями. Шаг ферм 12 м 1.460.3-17.2С-05КМ Схемы расположения прогонов, связей и диафрагм "Д" по верхним поясам стропильных ферм. Здания без фонарей. Шаг ферм 6 м 1.460.3-17.2С-06КМ Схемы расположения прогонов, связей и диафрагм "Д" по верхним поясам стропильных ферм. Здания с фонарями. Шаг ферм 6 м 1.460.3-17.2С-07КМ Схемы расположения прогонов, связей и диафрагм "Д" по верхним поясам стропильных ферм. Здания без фонарей. Шаг ферм 12 м 1.460.3-17.2С-08КМ Схемы расположения прогонов, связей и диафрагм "Д" по верхним поясам стропильных ферм. Здания с фонарями. Шаг ферм 12 м 1.460.3-17.2С-09КМ Схемы расположения связей по нижним поясам стропильных ферм. Пролеты зданий 18 и 24 м. Шаг ферм 6 м 1.460.3-17.2С-10КМ Схемы расположения связей по нижним поясам стропильных ферм. Пролеты зданий 30 м. Шаг ферм 6 м 1.460.3-17.2С-11КМ Схемы расположения связей по нижним поясам стропильных ферм. Пролеты зданий 18 и 24 м. Шаг ферм 12 м 1.460.3-17.2С-12КМ Схемы расположения связей по нижним поясам стропильных ферм. Пролеты зданий 30 м. Шаг ферм 12 м 1.460.3-17.2С-13КМ Продольные разрезы 2-2;6-6;8-8,10-10 в пролетах зданий 3-3,4-4,9-9 по рядам железобетонных колонн зданий с мостовыми и без мостовых кранов 1.460.3-17.2С-14КМ Продольные разрезы 3-3,4-4,9-9 по рядам стальных и железобетонных колонн зданий без мостовых кранов и по рядам стальных колонн зданий с мостовыми кранами 1.460.3-17.2С-15КМ Схема продольных горизонтальных связей по нижним поясам стропильных ферм с шагом 12 м при опирании фахверковых стоек и указания к схемам расположения прогонов и связей 1.460.3-17.2С-16КМ Сортамент распорок, раскосов, растяжек 1.460.3-17.2С-17КМ Сортамент вертикальных связей пролетом 5.5 и 6 м 1.460.3-17.2С-18КМ Сортамент вертикальных связей пролетом 11.5 и 12 м 1.460.3-17.2С-19КМ Сортамент опорных стоек 1.460.3-17.2С-20КМ Таблица для выбора марок опорных стоек 1.460.3-17.2С-21КМ Сортамент горизонтальных связевых ферм "ГФ". Шаг стропильных ферм 6 м 1.460.3-17.2С-22КМ Сортамент горизонтальных связевых ферм "ГФ". Шаг стропильных ферм 12 м 1.460.3-17.2С-23КМ Таблица выбора диафрагм жесткости "Д". Шаг стропильных ферм 6 м 1.460.3-17.2С-24КМ Таблица выбора диафрагм жесткости "Д". Шаг стропильных ферм 12 м 1.460.3-17.2С-25КМ Диафрагмы жесткости Д1,Д2,Д3. Допускаемая нагрузка на 1 диафрагму 1.460.3-17.2С-26КМ Узлы 86,87,88 диафрагм жесткости 1.460.3-17.2С-27КМ Узлы 89,90,91 диафрагм жесткости 1.460.3-17.2С-28КМ Узлы 92,93,94,95 диафрагм жесткости и указания по применению 1.460.3-17.2С-29КМ Схемы вертикальных связей с маркировкой заводских узлов. Узлы 99-105 1.460.3-17.2С-30КМ Заводские узлы вертикальных связей. Узлы 106-119 1.460.3-17.2С-31КМ Заводские узлы распорок 1.460.3-17.2С-32КМ Заводские узлы распорок, раскосов, растяжек и элементов "ГФ" 1.460.3-17.2С-33КМ Крепление прогонов, связей и связей "ГФ" по верхним поясам стропильных ферм. Узлы 70,71,72,73 1.460.3-17.2С-34КМ Крепление прогонов, связей и связей по верхним поясам стропильных ферм. Узлы 74,75,76,77,78,79 1.460.3-17.2С-35КМ Крепление прогонов, связей и связей "ГФ", вертикальных связей к опорным стойкам. Узлы 80,81 1.460.3-17.2С-36КМ Крепление стропильных и подстропильных ферм к опорным стойкам и опорных стоек к колоннам. Узел 82 1.460.3-17.2С-37КМ Крепление стропильных ферм к подстропильным фермам. Узел 83 1.460.3-17.2С-38КМ Крепление связей и прогонов при опирании фахверковых стоек. Узлы 96,97,98 1.460.3-17.2С-39КМ Опорные стойки ССК-1,ССК-2,ССК-3 1.460.3-17.2С-40КМ Опорные стойки ССК-4,ССК-5,ССК-6,ССК-7,ССК-8 1.460.3-17.2С-41КМ Опорные стойки ССК-9,ССК-10,ССК-11,ССК-12,ССК-13,ССК-14 1.460.3-17.2С-42КМ Указания по назначению поперечных связевых ферм "ГФ" в плоскости верхних поясов стропильных ферм 1.460.3-17.2С-43КМ Указания по проверке нижних поясов стропильных ферм, входящих в состав горизонтальных связевых ферм 1.460.3-17.2С-44КМ Указания по проверке раскосов и пояса связевой фермы на сейсмическую нагрузку и указания по выбору марок вертикальных связей, распорок и опорных стоек 1.460.3-17.2С-45КМ Указания по определению нагрузок на вертикальные связи, распорки и стойки при продольном сейсмическом воздействии 1.460.3-17.2С-46КМ Указания по проверке подстропильных ферм на продольное сейсмическое воздействие 1.460.3-17.2С-47КМ Пример назначения связей покрытия для здания с кровлей по профилированному настилу 1.460.3-17.2С-48КМ Усилия от единичных нагрузок в элементах ферм "ГФ". Шаг стропильных ферм 6 м 1.460.3-17.2С-49КМ Усилия от единичных нагрузок в элементах ферм "ГФ". Шаг стропильных ферм 12 м 1.460.3-17.2С-50КМ Расчетные нагрузки от покрытия и снега. Таблица переходных коэффициентов 1.460.3-17.2С-51КМ Расчетные значения продольных сейсмических нагрузок S1 от покрытия и снега и S2 от торцевой стены 1.460.3-17.2С-52КМ Расчетное значение продольной сейсмической нагрузки S3 от продольной стены и от конструкций фонаря |
| Разработан: | ЦНИИпроектстальконструкция |
| Утверждён: | 15.11.1985 Госстрой СССР (Государственный комитет Совета Министров СССР по делам строительства) (USSR Gosstroy 189) |
| Заменяет собой: |


































































