Скачать Типовой проект 902-2-331 Альбом 2. Тип VIII. Технологическая и строительная части. Q = 40000 - 64000 куб. м/суткиДата актуализации: 01.01.2021
|
| Обозначение: | Типовой проект 902-2-331 |
| Обозначение англ: | 902-2-331 |
| Статус: | действует |
| Название рус.: | Альбом 2. Тип VIII. Технологическая и строительная части. Q = 40000 - 64000 куб. м/сутки |
| Дата добавления в базу: | 01.09.2013 |
| Дата актуализации: | 01.01.2021 |
| Дата введения: | 20.09.1979 |
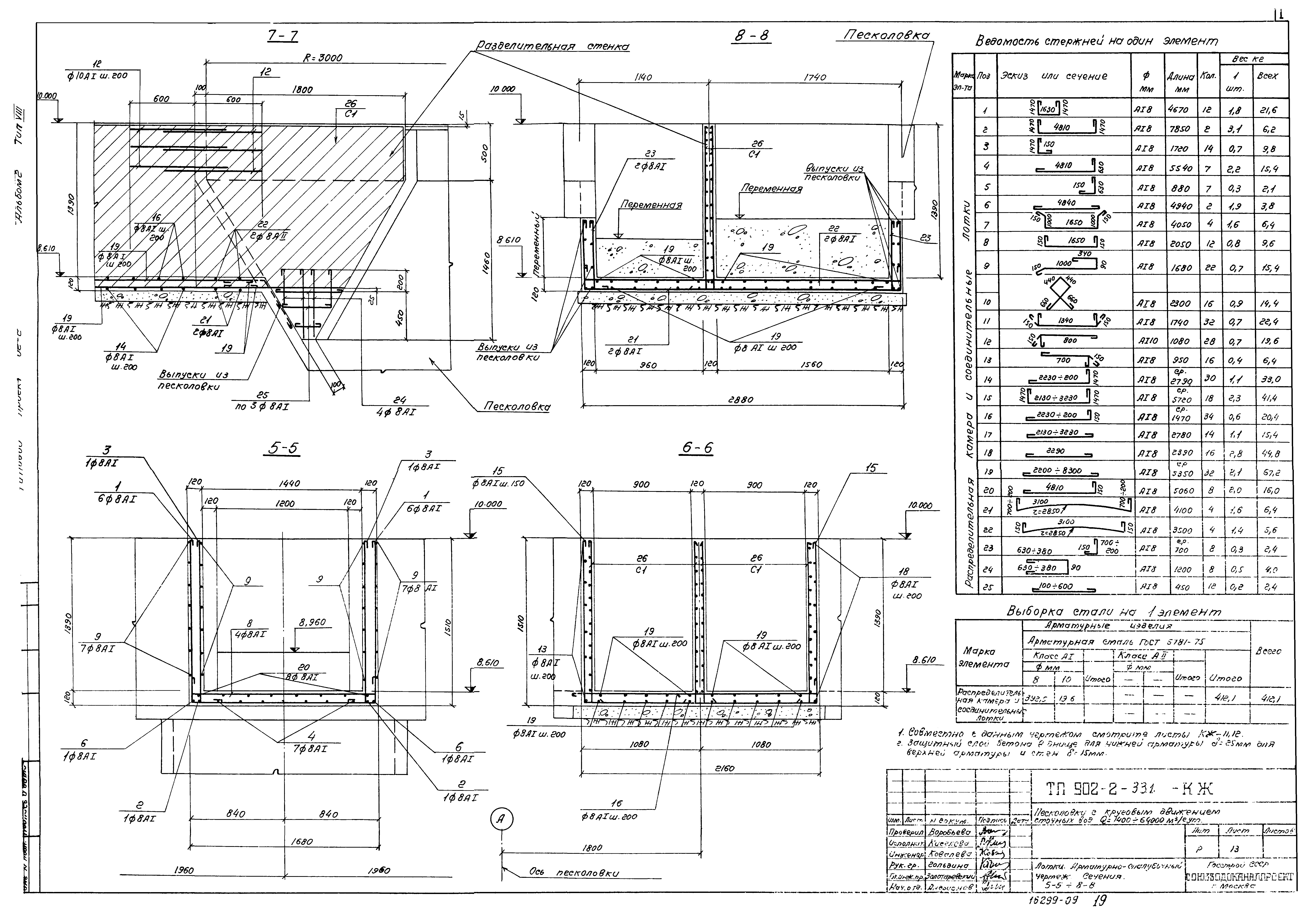
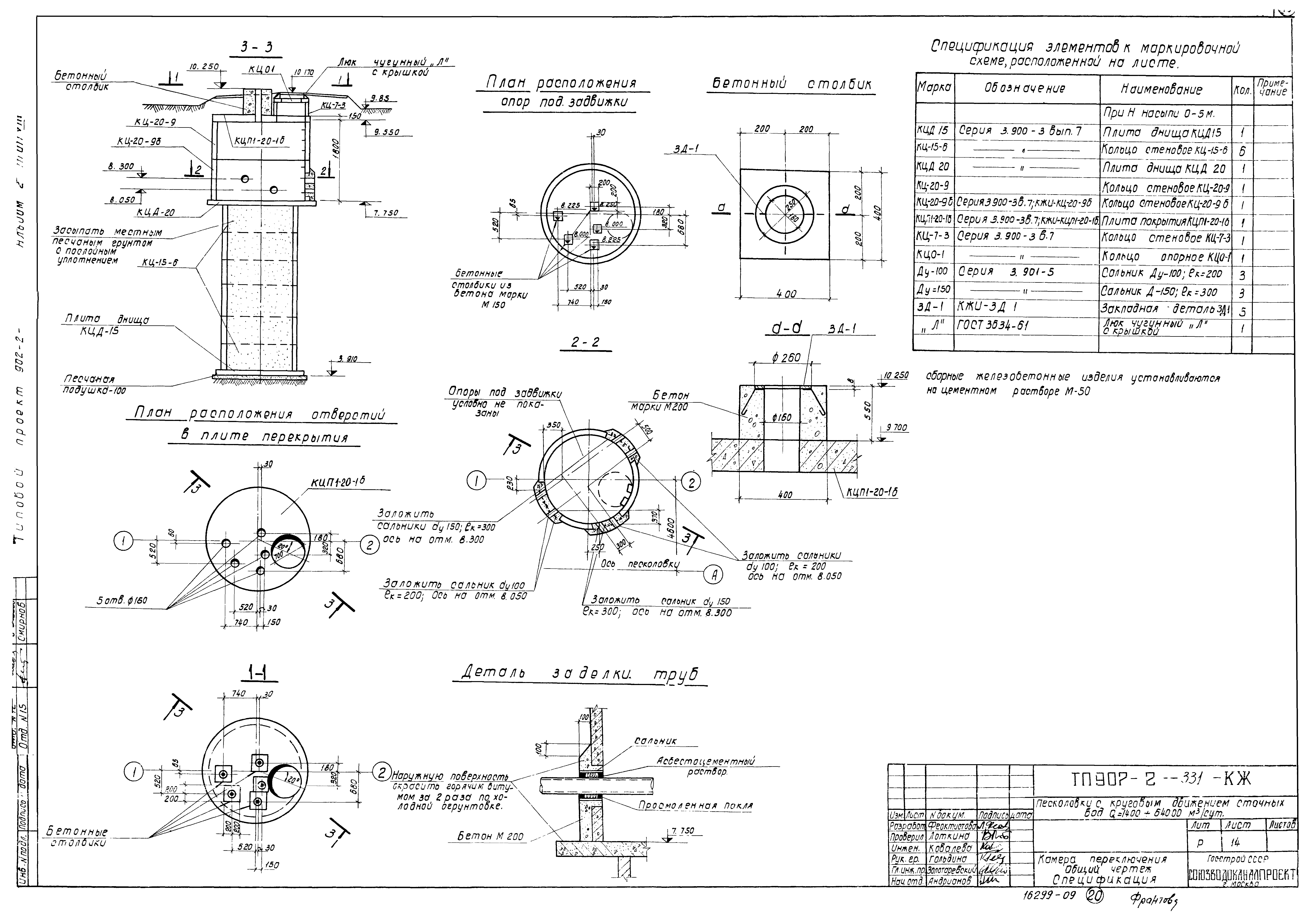
| Оглавление: | ТП 902-2-331 Титульный лист ТП 902-2-331 Содержание альбома ТП 902-2-331-НК-1 Общие данные ТП 902-2-331-НК-2 План ТП 902-2-331-НК-3 Разрезы 1-1,2-2 ТП 902-2-331-КЖ-1 Монолитный вариант. Общие данные ТП 902-2-331-КЖ-2 Сборный вариант. Общие данные ТП 902-2-331-КЖ-3 Монолитный вариант. Общий чертеж. План. Разрезы. Спецификация ТП 902-2-331-КЖ-4 Монолитный вариант. Опалубочный чертеж песколовок ТП 902-2-331-КЖ-5 Монолитный вариант. Арматурный чертеж песколовок ТП 902-2-331-КЖ-6 Сборный вариант. Монтажный чертеж ТП 902-2-331-КЖ-7 Сборный вариант. Монтажный чертеж. Узлы ТП 902-2-331-КЖ-8 Сборный вариант. Монолитный участок УМ-1т/н ТП 902-2-331-КЖ-9 Детали крепления разделительного щита, мостиков, ограждений ТП 902-2-331-КЖ-10 Лотки. Арматурно-опалубочный чертеж. План ТП 902-2-331-КЖ-11 Лотки. Арматурный чертеж днища ТП 902-2-331-КЖ-12 Лотки. Арматурно-опалубочный чертеж. Сечения 1-1÷4-4 ТП 902-2-331-КЖ-13 Лотки. Арматурно-опалубочный чертеж. Сечения 5-5÷7-7 ТП 902-2-331-КЖ-14 Камера переключения. Общий чертеж. Спецификация |
| Разработан: | Союзводоканалпроект |
| Утверждён: | 12.03.1979 Союзводоканалпроект (Soyuzvodokanalproject 13) |




















