Скачать Типовой проект 902-2-331 Альбом 3. ИзделияДата актуализации: 01.01.2021
|
| Обозначение: | Типовой проект 902-2-331 |
| Обозначение англ: | 902-2-331 |
| Статус: | действует |
| Название рус.: | Альбом 3. Изделия |
| Дата добавления в базу: | 01.09.2013 |
| Дата актуализации: | 01.01.2021 |
| Дата введения: | 20.09.1979 |
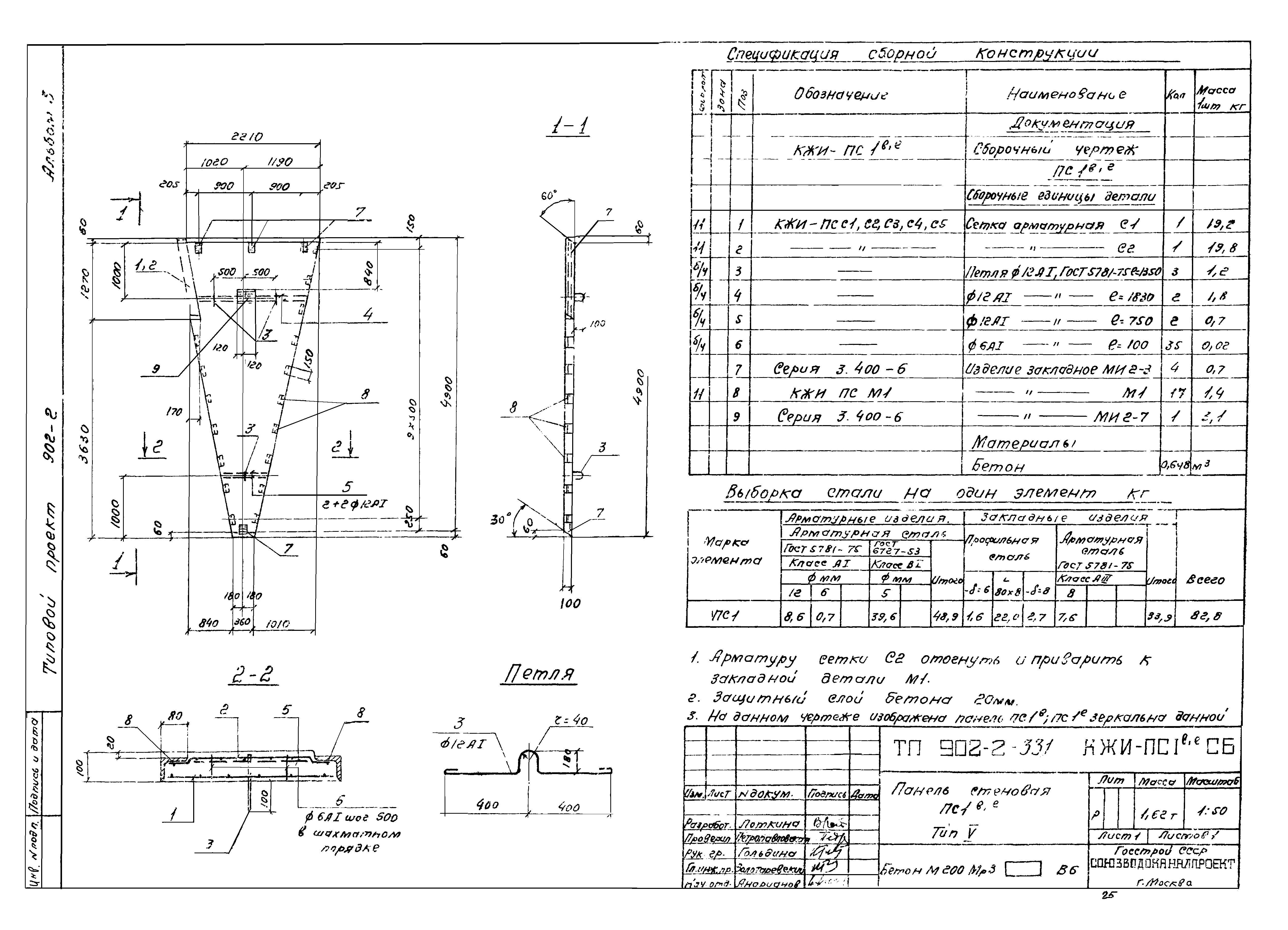
| Оглавление: | ТП 902-2-331-КЖИ Содержание альбома (начало) ТП 902-2-331-КЖИ Содержание альбома (продолжение) ТП 902-2-331-КЖИ Содержание альбома (окончание) ТП 902-2-331 Железобетонные изделия ТП 902-2-331 Бункер песколовки ТП 902-2-331 Стеновые панели ТП 902-2-331-КЖИ-ПС1-СБ Стеновая панель ПС1 (тип 1,2,3,4) ТП 902-2-331-КЖИ-ПС1а-СБ Стеновая панель ПС1а (тип 1,2,3,4) ТП 902-2-331-КЖИ-ПС1бт/н-СБ Стеновые панели ПС1бт/н (тип 1,2,3,4) ТП 902-2-331-КЖИ-ПС1в-СБ Стеновая панель ПС1в (тип 1,2,4) ТП 902-2-331-КЖИ-ПС1в-СБ Стеновая панель ПС1в (тип 3) ТП 902-2-331-КЖИ-ПС1г-СБ Стеновая панель ПС1г (тип 1,2,3,4) ТП 902-2-331-КЖИ-ПС1д-СБ Стеновая панель ПС1д (тип 1,2,3,4) ТП 902-2-331-КЖИ-ПС2;ПС2а-СБ Стеновые панели ПС2;ПС2а (тип 1,2,3,4) ТП 902-2-331-КЖИ-ПС1-СБ Панель стеновая ПС1 (тип 5,6,7,8) ТП 902-2-331-КЖИ-ПС1а-СБ Панель стеновая ПС1а (тип 5-8) ТП 902-2-331-КЖИ-ПС1б;ПС1д-СБ Панели стеновые ПС1б;ПС1д (тип 5,6,7,8) ТП 902-2-331-КЖИ-ПС1в;ПС1е-СБ Панели стеновые ПС1в;ПС1е (тип 6,7,8) ТП 902-2-331-КЖИ-ПС1г-СБ Панель стеновая ПС1г (тип 6,8) ТП 902-2-331-КЖИ-ПС1г-СБ Панель стеновая ПС1г (тип 7) (для нефтесодержащих стоков) ТП 902-2-331-КЖИ-ПС1ж-СБ Панель стеновая ПС1ж (тип 6,7,8) ТП 902-2-331-КЖИ-ПС1и-СБ Панель стеновая ПС1и (тип 5,7) (для нефтесодержащих стоков) ТП 902-2-331-КЖИ-ПС2;ПС3-СБ Панели стеновые ПС2;ПС3 (тип 6,7,8) ТП 902-2-331-КЖИ-ПСг-СБ Панель стеновая ПСг (тип 5) ТП 902-2-331-КЖИ-ПСж-СБ Панель стеновая ПСж (тип 5) ТП 902-2-331-КЖИ-ПСв,г-СБ Панель стеновая ПСв,г (тип 5) ТП 902-2-331-КЖИ-ПС2;ПС3-СБ Панели стеновые ПС2;ПС3 (тип 5) ТП 902-2-331 Центральные кольца ТП 902-2-331-КЖИ-ЦК1,ЦК2-СБ Центральное кольцо ЦК1,ЦК2 (тип 1,2) ТП 902-2-331-КЖИ-ЦК1,ЦК2-СБ Центральное кольцо ЦК1,ЦК2 (тип 3-4) ТП 902-2-331-КЖИ-ЦК1,ЦК2-СБД Центральное кольцо ЦК1,ЦК2 (тип 3) для нефтесодержащих стоков ТП 902-2-331-КЖИ-ЦК1,ЦК2-СБ Центральное кольцо ЦК1,ЦК2 (тип 5) ТП 902-2-331-КЖИ-ЦК1,ЦК2-СБД Центральное кольцо ЦК1,ЦК2 (тип 5) для нефтесодержащих стоков ТП 902-2-331-КЖИ-ЦК1,ЦК2-СБ Центральное кольцо ЦК1,ЦК2 (тип 6) ТП 902-2-331-КЖИ-ЦК1,ЦК2 Центральное кольцо ЦК1,ЦК2 (тип 7) ТП 902-2-331-КЖИ-ЦК1,ЦК2-СБД Центральное кольцо ЦК1,ЦК2 (тип 7) для нефтесодержащих стоков ТП 902-2-331-КЖИ-ЦК1,ЦК2-СБ Центральное кольцо ЦК1,ЦК2 (тип 8) ТП 902-2-331 Днище монолитное ТП 902-2-331-КЖИ-ДМ-1-СБ Днище песколовки ДМ-1 (тип 5,6,7,8) ТП 902-2-331 Камера переключений ТП 902-2-331-КЖИ-ПС1 Кольца стеновые ТП 902-2-331-КЖИ-КЦ-20-9-1а Кольцо стеновое КЦ-20-9-1а (тип 1-4) ТП 902-2-331-КЖИ-КЦ-20-9-1б Кольцо стеновое КЦ-20-9-1б (тип 5-8) ТП 902-2-331-КЖИ-КЦП1-20-1а Плиты покрытия КЦП1-20-1а (тип 1-4) ТП 902-2-331-КЖИ-КЦП1-20-1б Плиты покрытия КЦП1-20-1б (тип 5-8) ТП 902-2-331 Арматурные сетки ТП 902-2-331 Стеновые панели ТП 902-2-331-КЖИ-С1;С2;С3 Сетки арматурные С1;С2;С3 (тип 1,2,3,4) ТП 902-2-331-КЖИ-С1;С2;С3;С4;С5 Сетки арматурные С1;С2;С3;С4;С5 (тип 5-8) ТП 902-2-331 Бункер песколовки ТП 902-2-331-КЖИ-С1 Арматурная сетка С1 (тип 1-4) ТП 902-2-331-КЖИ-С1,С2 Арматурная сетка С1,С2 (тип 5-8) ТП 902-2-331-КЖИ-С1 Лотки. Сетка арматурная С1 тип 1 ТП 902-2-331-КЖИ-С1 Лотки. Сетка арматурная С1 тип 2 ТП 902-2-331-КЖИ-С1 Лотки. Сетка арматурная С1 тип 3 ТП 902-2-331-КЖИ-С1 Лотки. Сетка арматурная С1 тип 4 ТП 902-2-331-КЖИ-С1 Лотки. Сетка арматурная С1 тип 5 ТП 902-2-331-КЖИ-С1 Лотки. Сетка арматурная С1 тип 6 ТП 902-2-331-КЖИ-С1 Лотки. Сетка арматурная С1 тип 7 ТП 902-2-331-КЖИ-С1 Лотки. Сетка арматурная С1 тип 8 ТП 902-2-331-КЖИ-С2 Лотки. Сетка арматурная С2 тип 1 ТП 902-2-331-КЖИ-С2 Лотки. Сетка арматурная С2 тип 2 ТП 902-2-331-КЖИ-С2 Лотки. Сетка арматурная С2 тип 3 ТП 902-2-331-КЖИ-С2 Лотки. Сетка арматурная С2 тип 5;8 ТП 902-2-331-КЖИ-С3 Лотки. Сетка арматурная С3 тип 1 ТП 902-2-331-КЖИ-С3 Лотки. Сетка арматурная С3 тип 2 ТП 902-2-331-КЖИ-С3 Лотки. Сетка арматурная С3 тип 3 ТП 902-2-331-КЖИ-С3 Лотки. Сетка арматурная С3 тип 5 ТП 902-2-331 Металлические изделия ТП 902-2-331 Центральные кольца ТП 902-2-331-КЖИ-ЦКМ1;ЦКМ2-СБ Центральное металлическое кольцо ЦКМ1;ЦКМ2 (тип 1 и 2) ТП 902-2-331-КЖИ-ЦКМ1;ЦКМ2-СБ Центральное металлическое кольцо ЦКМ1;ЦКМ2 (тип 3 и 4) ТП 902-2-331-КЖИ-ЦКМ1;ЦКМ2-СБ Центральное металлическое кольцо ЦКМ1;ЦКМ2 (тип 5) ТП 902-2-331-КЖИ-ЦКМ1;ЦКМ2-СБ Центральное металлическое кольцо ЦКМ1;ЦКМ2 (тип 6) ТП 902-2-331-КЖИ-ЦКМ1;ЦКМ2-СБ Центральное металлическое кольцо ЦКМ1;ЦКМ2 (тип 7) ТП 902-2-331-КЖИ-ЦКМ1;ЦКМ2-СБ Центральное металлическое кольцо ЦКМ1;ЦКМ2 (тип 8) ТП 902-2-331-КЖИ-ЦКМ1;ЦКМ2-СБ Центральное металлическое кольцо ЦКМ1;ЦКМ2 (тип 3) с нефтесодержащими стоками ТП 902-2-331-КЖИ-ЦКМ1;ЦКМ2-СБ Центральное металлическое кольцо ЦКМ1;ЦКМ2 (тип 5) с нефтесодержащими стоками ТП 902-2-331-КЖИ-ЦКМ1;ЦКМ2-СБ Центральное металлическое кольцо ЦКМ1;ЦКМ2 (тип 7) с нефтесодержащими стоками ТП 902-2-331 Ограждение металлическое ТП 902-2-331-КЖИ-ОГ1 Ограждение металлическое ОГ1 (тип 1-4) ТП 902-2-331-КЖИ-ОГ1 Ограждение металлическое ОГ1 (тип 5-8) ТП 902-2-331-КЖИ-ОГ2 Ограждение металлическое ОГ2 (тип 1-4) ТП 902-2-331-КЖИ-ОГ2 Ограждение металлическое ОГ2 (тип 5-8) ТП 902-2-331 Закладные изделия ТП 902-2-331-КЖИ-ЗДИ1 Бункер песколовки. Изделие закладное ЗДИ1 ТП 902-2-331-КЖИ-ЗДИ2 Бункер песколовки. Изделие закладное ЗДИ2 ТП 902-2-331-КЖИ-ЗДИ3;ЗДИ4 Бункер песколовки. Изделие закладное ЗДИ3;ЗДИ4 ТП 902-2-331-КЖИ-ЗДИ5;ЗДИ6 Бункер песколовки. Изделие закладное ЗДИ5;ЗДИ6 ТП 902-2-331-КЖИ-ЗД-1 Камера переключения. Изделие закладное ЗД-1 ТП 902-2-331-КЖИ-М1 Изделие закладное М1 (тип 1,2,3,4,5,6,7,8) ТП 902-2-331 Деревянные щиты ТП 902-2-331-КЖИ-ДЩ1 Деревянный щит ДЩ1 (тип 1-4) ТП 902-2-331-КЖИ-ДЩ1 Деревянный щит ДЩ1 (тип 5-8) ТП 902-2-331-КЖИ-ДЩ2;3;3а Деревянные щиты ДЩ2;3;3а (тип 1) ТП 902-2-331-КЖИ-РЩ Распределительный щит РЩ (тип 1;2) ТП 902-2-331-КЖИ-ДЩ2;3;3а Деревянные щиты ДЩ2;3;3а (тип 2) ТП 902-2-331-КЖИ-РЩ1 Распределительный щит РЩ1 (тип 7) ТП 902-2-331-КЖИ-ДЩ2;3;3а Деревянные щиты ДЩ2;3;3а (тип 3) ТП 902-2-331-КЖИ-РЩ1 Распределительный щит РЩ1 (тип 3;4) ТП 902-2-331-КЖИ-ДЩ2;3;3а Деревянные щиты ДЩ2;3;3а (тип 4) ТП 902-2-331-КЖИ-РЩ1 Распределительный щит РЩ1 (тип 8) ТП 902-2-331-КЖИ-ДЩ2;3;3а Деревянные щиты ДЩ2;3;3а (тип 5) ТП 902-2-331-КЖИ-РЩ1 Распределительный щит РЩ1 (тип 5) ТП 902-2-331-КЖИ-ДЩ2;3;3а Деревянные щиты ДЩ2;3;3а (тип 6-8) ТП 902-2-331-КЖИ-РЩ1 Распределительный щит РЩ1 (тип 6) ТП 902-2-331-КЖИ-ПДЩ1 Полупогружной щит ПДЩ1 (тип 3 для нефтесодержащих стоков) ТП 902-2-331-КЖИ-ПДЩ1 Полупогружной щит ПДЩ1 (тип 5 для нефтесодержащих стоков) ТП 902-2-331-КЖИ-ПДЩ1 Полупогружной щит ПДЩ1 (тип 7 для нефтесодержащих стоков) |
| Разработан: | Союзводоканалпроект |
| Утверждён: | 12.03.1979 Союзводоканалпроект (Soyuzvodokanalproject 13) |







































































