Скачать Типовой проект 902-2-331 Альбом 7. Оборудование песколовок для нефтесодержащих сточных вод (выдается по особому заказу) типы III, V, VIIДата актуализации: 01.01.2021
|
| Обозначение: | Типовой проект 902-2-331 |
| Обозначение англ: | 902-2-331 |
| Статус: | действует |
| Название рус.: | Альбом 7. Оборудование песколовок для нефтесодержащих сточных вод (выдается по особому заказу) типы III, V, VII |
| Дата добавления в базу: | 01.09.2013 |
| Дата актуализации: | 01.01.2021 |
| Дата введения: | 20.09.1979 |
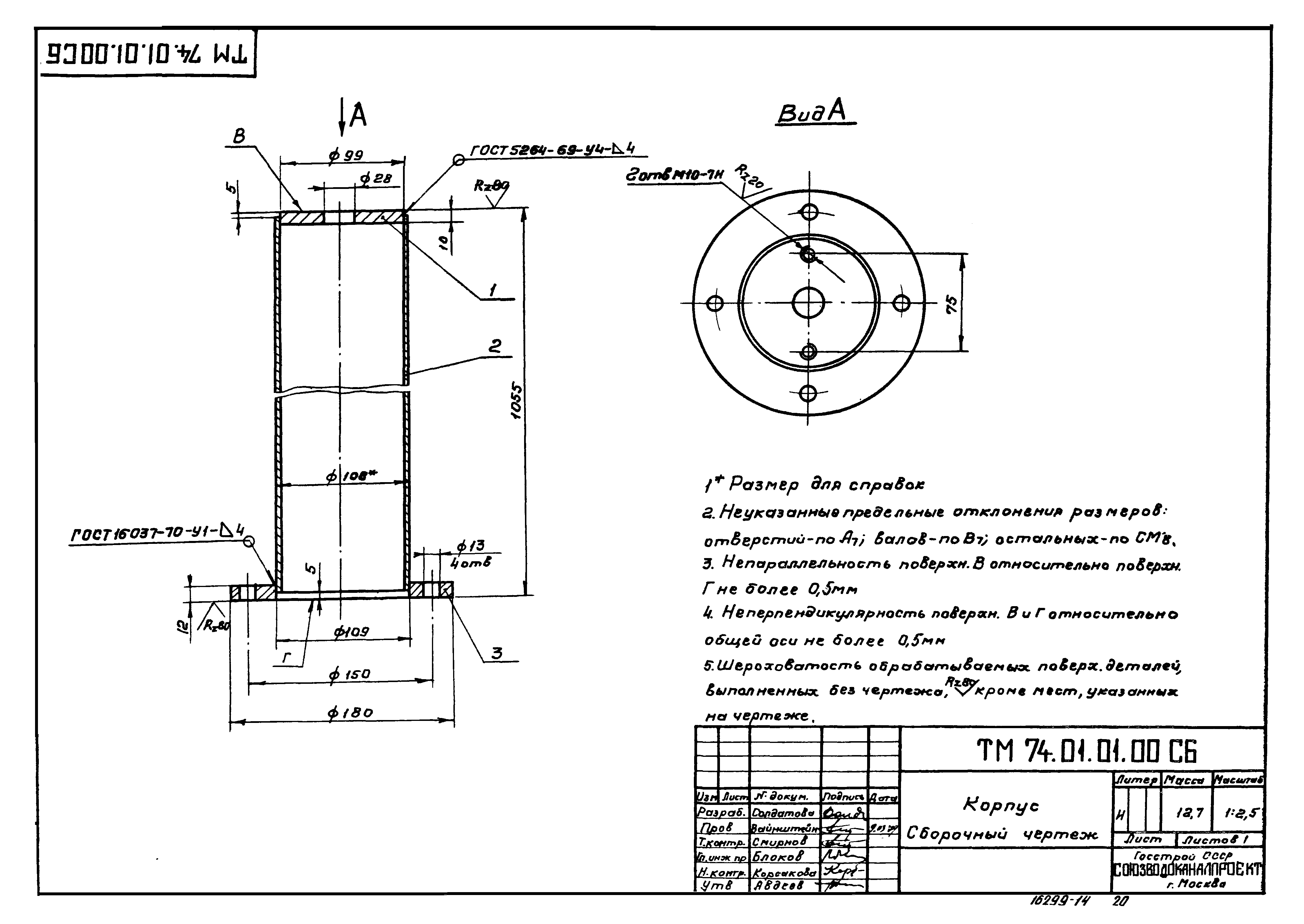
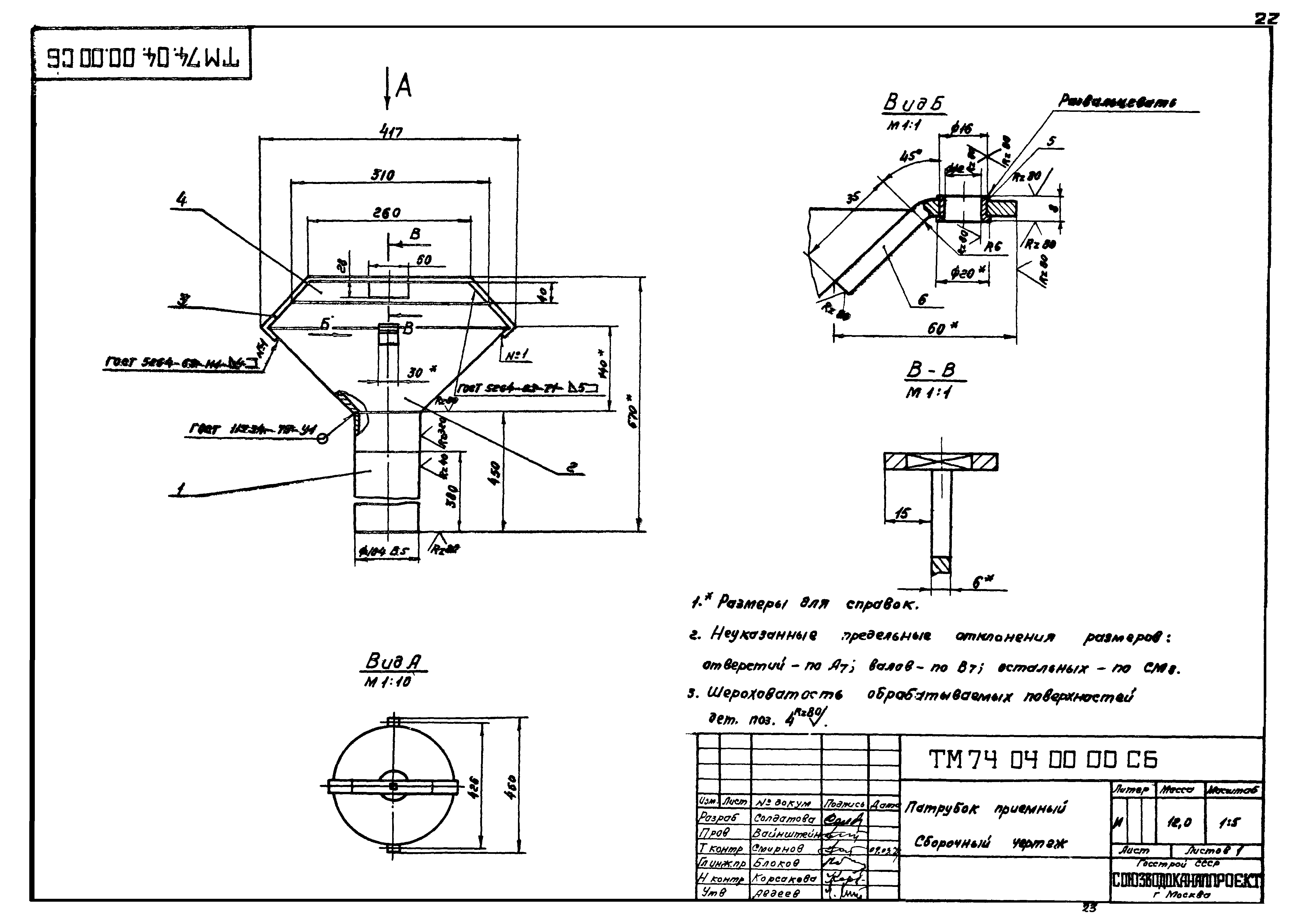
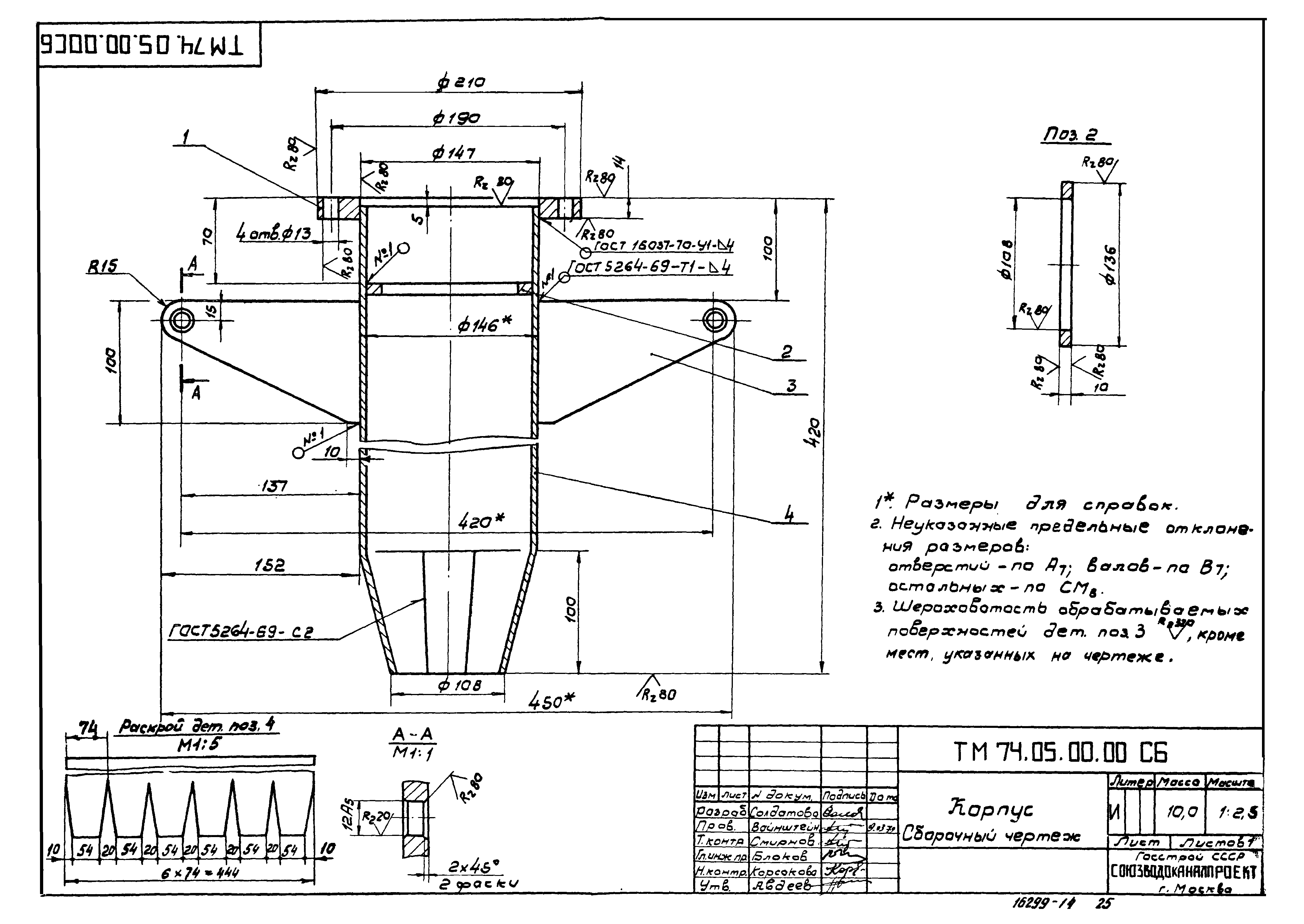
| Оглавление: | ТП 902-2-331 Титульный лист ТП 902-2-331 Содержание альбома ТП 902-2-331-НК-1 Общие данные. Тип 3 ТП 902-2-331-НК-2 План. Тип 3 ТП 902-2-331-НК-3 Сечения 1-1,2-2,3-3. Спецификация. Тип 3 ТП 902-2-331-НК-4 Общие данные. Типы 5,7 ТП 902-2-331-НК-5 План. Типы 5,7 ТП 902-2-331-НК-6 Сечения 1-1,2-2,3-3. Спецификация. Тип 5,7 ТП 902-2-331 ТМ74.00.00.00 Устройство для сбора нефти. Спецификация ТП 902-2-331 ТМ74.01.00.00 Колонка. Спецификация ТП 902-2-331 ТМ74.01.01.00 Корпус. Спецификация ТП 902-2-331 ТМ74.02.00.00 Кронштейн. Спецификация ТП 902-2-331 ТМ74.03.00.00 Кронштейн. Спецификация ТП 902-2-331 ТМ74.04.00.00 Патрубок приемный. Спецификация ТП 902-2-331 ТМ74.05.00.00 Корпус. Спецификация ТП 902-2-331 ТМ74.06.00.00 Патрубок направляющий. Спецификация ТП 902-2-331 ТМ74.07.00.00 Отвод. Спецификация ТП 902-2-331 ТМ74.08.00.00 Патрубок. Спецификация ТП 902-2-331 ТМ74.09.00.00 Тяга. Спецификация ТП 902-2-331 ТМ74.00.00.00 СБ Устройство для сбора нефти. Сборочный чертеж ТП 902-2-331 ТМ74.01.00.00 СБ Колонка. Сборочный чертеж ТП 902-2-331 ТМ74.01.01.00 СБ Корпус. Сборочный чертеж ТП 902-2-331 ТМ74.01.00.01 Гайка подъемная ТП 902-2-331 ТМ74.01.00.02 Фланец ТП 902-2-331 ТМ74.02.00.00 СБ Кронштейн. Сборочный чертеж ТП 902-2-331 ТМ74.03.00.00 СБ Кронштейн. Сборочный чертеж ТП 902-2-331 ТМ74.04.00.00 СБ Патрубок приемный. Сборочный чертеж ТП 902-2-331 ТМ74.04.00.03 Ручка ТП 902-2-331 ТМ74.04.00.02 Конус ТП 902-2-331 ТМ74.05.00.00 СБ Корпус. Сборочный чертеж ТП 902-2-331 ТМ74.07.00.00 СБ Отвод. Сборочный чертеж ТП 902-2-331 ТМ74.06.00.00 СБ Патрубок направляющий. Сборочный чертеж ТП 902-2-331 ТМ74.01.00.03 Винт подъемный ТП 902-2-331 ТМ74.08.00.00 СБ Патрубок. Сборочный чертеж ТП 902-2-331 ТМ74.09.00.02 Вилка ТП 902-2-331 ТМ74.09.00.00 СБ Тяга. Сборочный чертеж |
| Разработан: | Союзводоканалпроект |
| Утверждён: | 12.03.1979 Союзводоканалпроект (Soyuzvodokanalproject 13) |




























