Скачать Типовой проект 902-2-402.86 Альбом V. Строительные изделияДата актуализации: 01.01.2021
|
| Обозначение: | Типовой проект 902-2-402.86 |
| Обозначение англ: | 902-2-402.86 |
| Статус: | заменен |
| Название рус.: | Альбом V. Строительные изделия |
| Дата добавления в базу: | 01.09.2013 |
| Дата актуализации: | 01.01.2021 |
| Дата введения: | 27.03.1985 |
| Дата окончания срока действия: | 01.10.1987 |
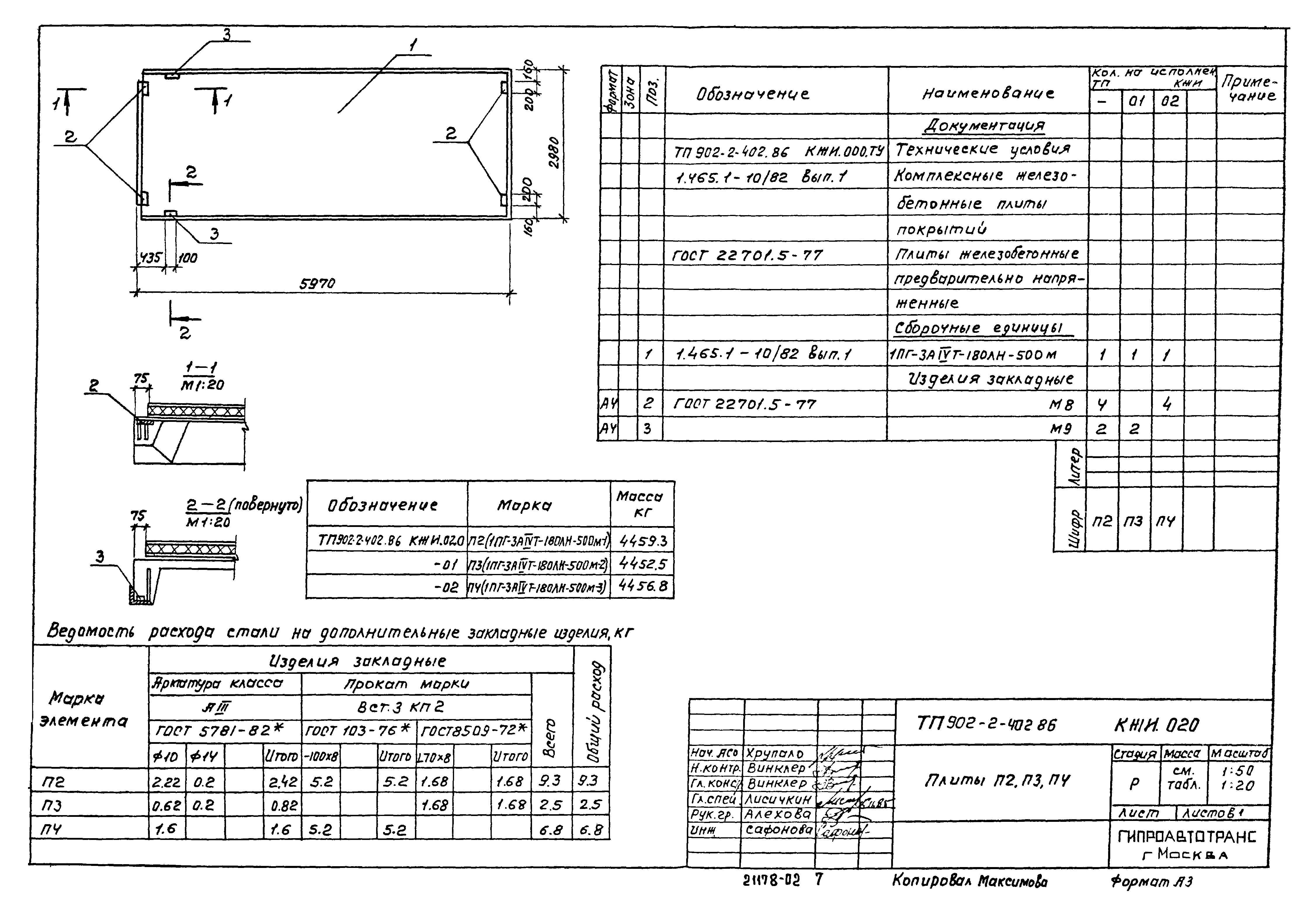
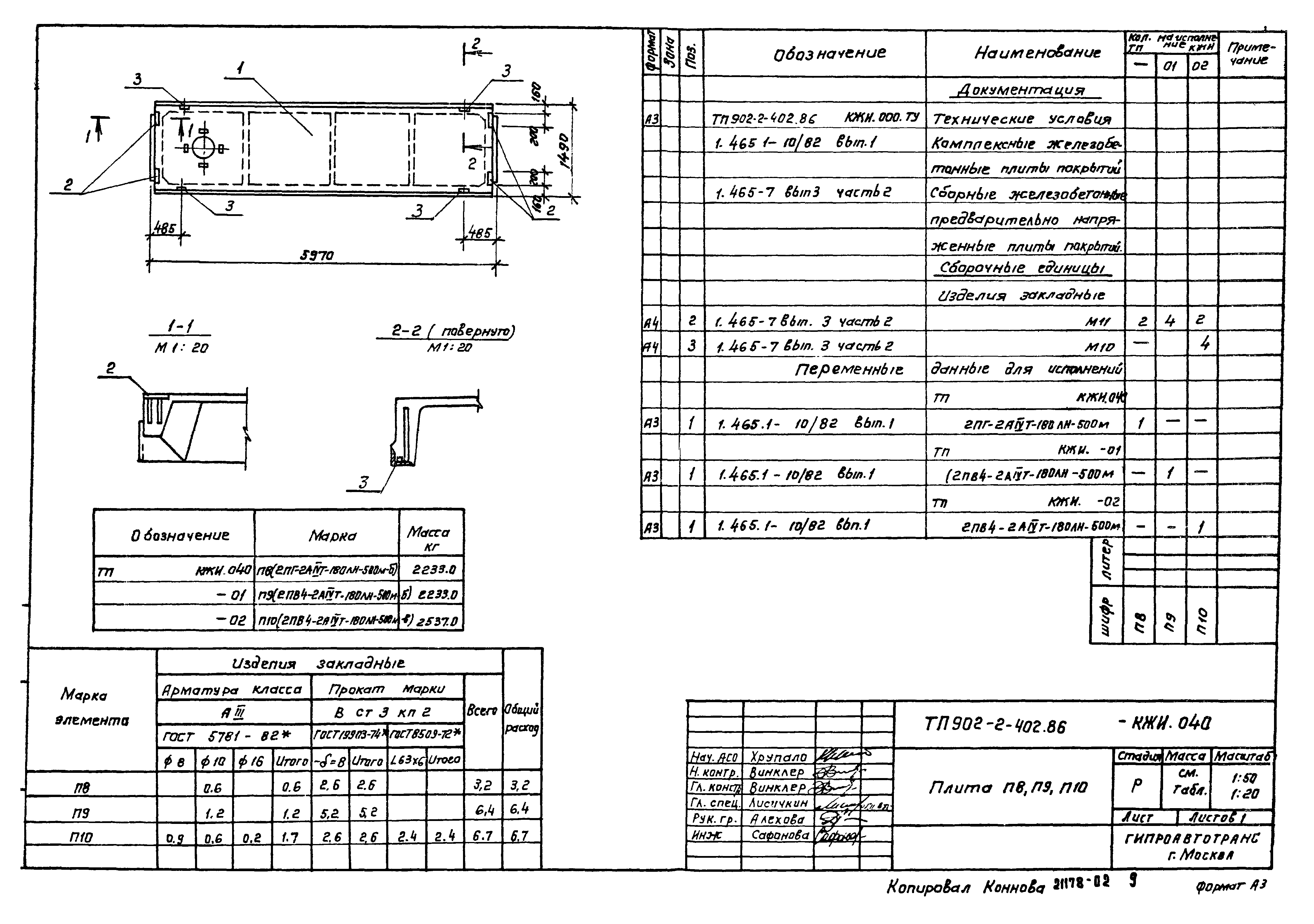
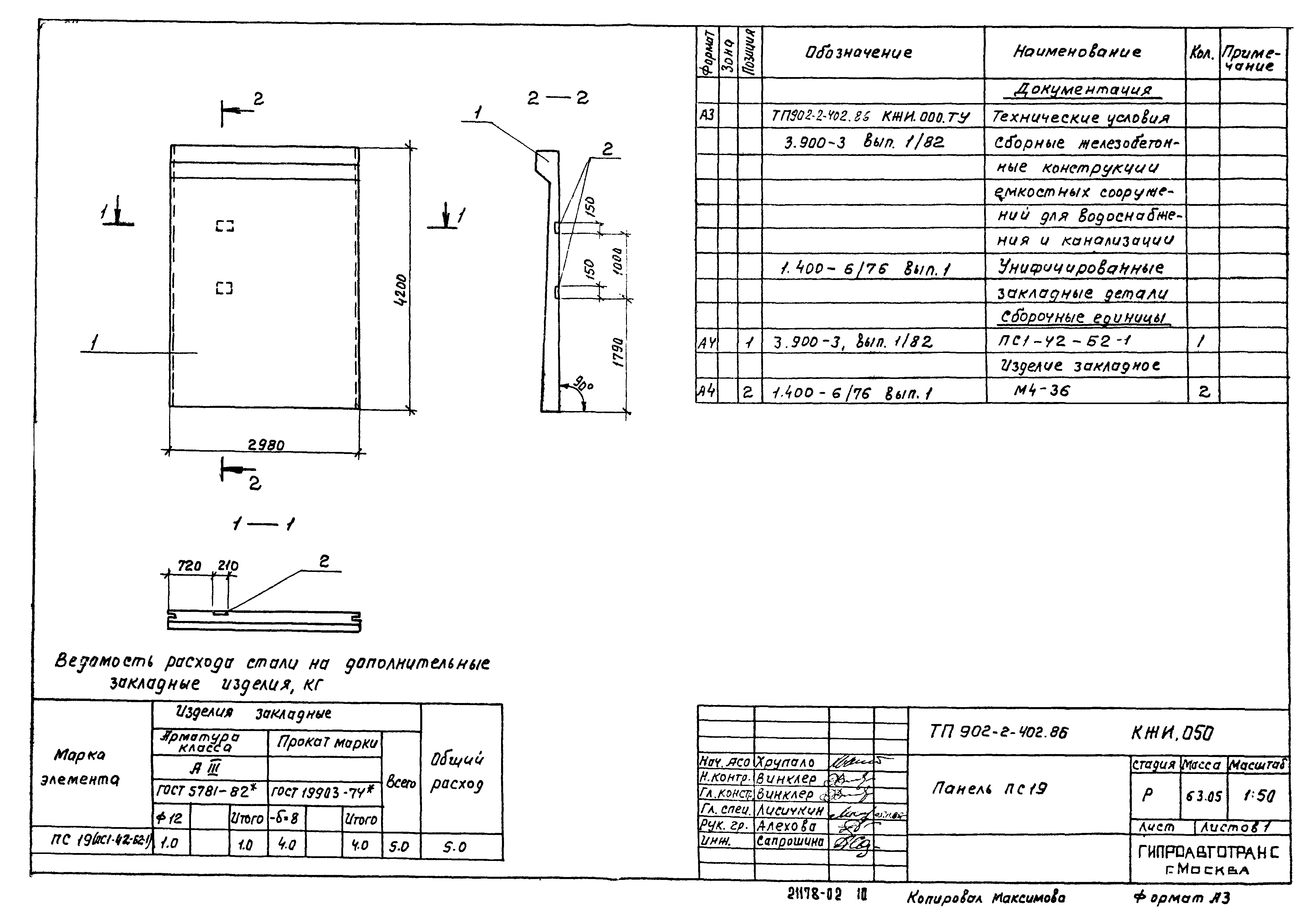
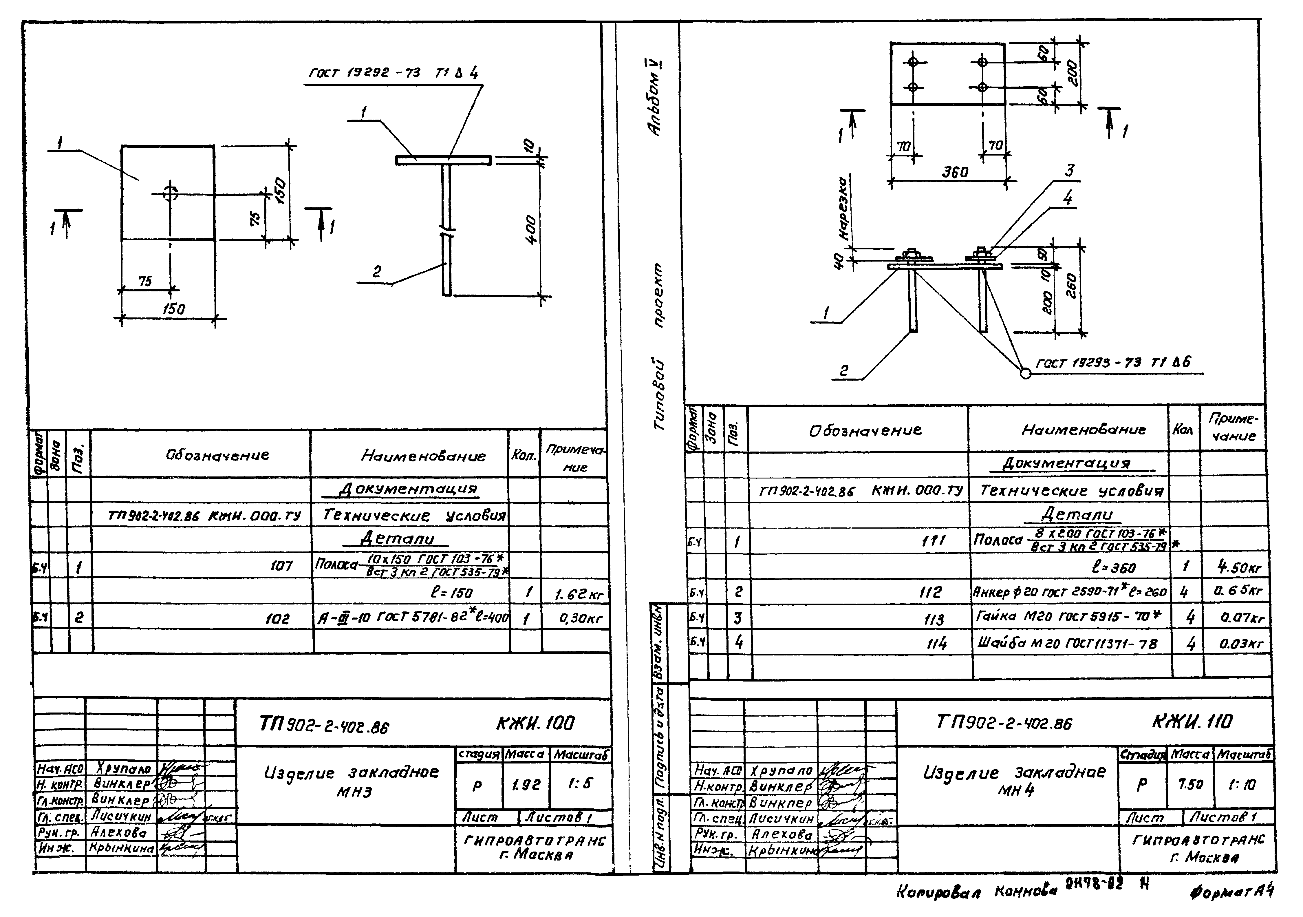
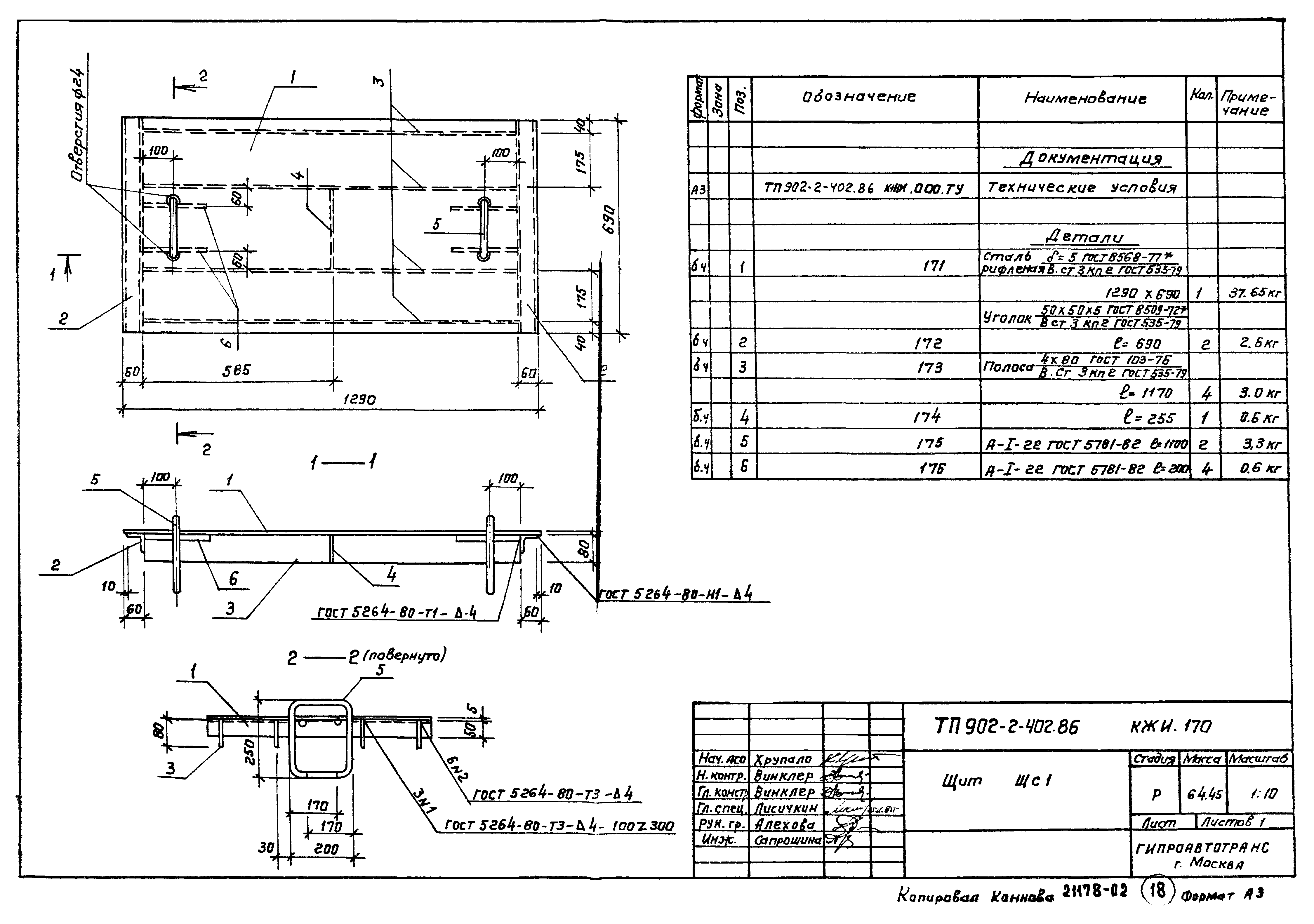
| Оглавление: | ТП 902-2-402.86 Титульный лист ТП 902-2-402.86 Содержание альбома ТП 902-2-402.86.ТУ Технические условия ТП 902-2-402.86-КЖИ.010 Балка Б1;Б2 ТП 902-2-402.86-КЖИ.010 СБ Балка Б1;Б2. Сборочный чертеж ТП 902-2-402.86-КЖИ.020 Плиты П2;П3;П4 ТП 902-2-402.86-КЖИ.030 Плиты П6;П7 ТП 902-2-402.86-КЖИ.040 Плиты П8;П9;П10 ТП 902-2-402.86-КЖИ.050 Панель ПС19 ТП 902-2-402.86-КЖИ.060 Панель ПС20 ТП 902-2-402.86-КЖИ.070 Рамки РМ1;РМ2 ТП 902-2-402.86-КЖИ.070 СБ Рамки РМ1;РМ2. Сборочный чертеж ТП 902-2-402.86-КЖИ.080 Изделие закладное МН1 ТП 902-2-402.86-КЖИ.090 Изделие закладное МН2 ТП 902-2-402.86-КЖИ.100 Изделие закладное МН3 ТП 902-2-402.86-КЖИ.110 Изделие закладное МН4 ТП 902-2-402.86-КЖИ.120 Изделие закладное МН5 ТП 902-2-402.86-КЖИ.130 Изделие закладное МН6 ТП 902-2-402.86-КЖИ.140 Каркасы КР1;КР2 ТП 902-2-402.86-КЖИ.150 Сетки С1;С2 ТП 902-2-402.86-КЖИ.160 Плита опорная ОП1 ТП 902-2-402.86-КЖИ.170 Щит ЩС1 |
| Разработан: | Гипроавтотранс |
| Утверждён: | 27.03.1985 Минавтотранс РСФСР (Russian Federation Minavtotrans 55) |
| Издан: | ЦИТП Госстроя СССР (CITP, Gosstroy (USSR) 1984 г. ) |
| Чем заменён: |


















