Скачать Серия ИС-01-09 Альбом 3. Выпуск 1. Монолитные железобетонные конструкции и узлы. Силосы диаметром 6 м. Рабочие чертежиДата актуализации: 01.01.2021
|
| Обозначение: | Серия ИС-01-09 |
| Обозначение англ: | Series ИС-01-09 |
| Статус: | действует |
| Название рус.: | Альбом 3. Выпуск 1. Монолитные железобетонные конструкции и узлы. Силосы диаметром 6 м. Рабочие чертежи |
| Дата добавления в базу: | 01.09.2013 |
| Дата актуализации: | 01.01.2021 |
| Дата введения: | 01.05.1966 |
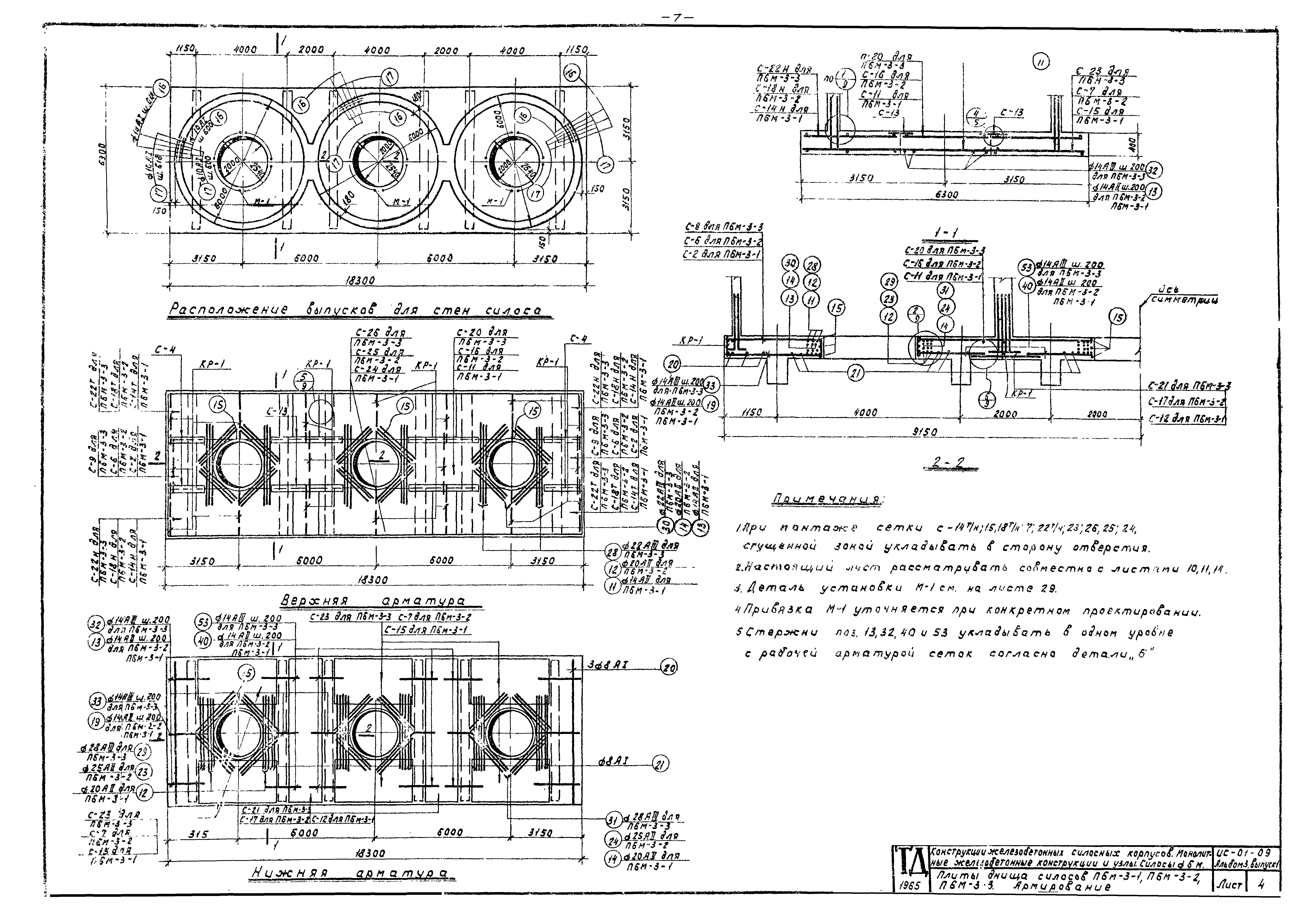
| Оглавление: | ИС-01-09 Краткие пояснения. Таблица нагрузок и расчетных схем ИС-01-09 Плиты днища силосов: П6м-1-1;116м-1-2;П6м-1-3. Армирование ИС-01-09 Плиты днища силосов: П6м-2-1;П6м-2-2;П6м-2-3. Армирование ИС-01-09 Плиты днища силосов: П6м-3-1;П6м-3-2;П6м-3-3. Армирование ИС-01-09 Плиты днища силосов: П6м-4-1;П6м-4-2;П6м-4-3. Армирование ИС-01-09 Плиты днища силосов: П6м-5-1. Армирование ИС-01-09 Плиты днища силосов: П6м-6-1;П6м-6-2;П6м-6-3. Армирование ИС-01-09 Плиты днища силосов: П6м-7-1. Армирование ИС-01-09 Плиты днища силосов: узлы 1-6 ИС-01-09 Плиты днища силосов: сетки С-1;С-17;С-21;С-27÷С-29;С-31;С33 ИС-01-09 Плиты днища силосов: сетки С-14т/н;15;18т/н;С-22т/н;23-26;С-30Т/н;32т/н;34т/н,35,36 ИС-01-09 Плиты днища силосов: П6м-1-1;П6м-1-2;П6м-1-3. Спецификация ИС-01-09 Плиты днища силосов: П6м-2-1;П6м-2-2;П6м-2-3. Спецификация ИС-01-09 Плиты днища силосов: П6м-3-1;П6м-3-2;П6м-3-3. Спецификация ИС-01-09 Плиты днища силосов: П6м-4-1;П6м-4-2;П6м-4-3. Спецификация ИС-01-09 Плиты днища силосов: П6м-5-1;П6м-6-1. Спецификация ИС-01-09 Плиты днища силосов: П6м-6-2;П6м-6-3;П6м-7-1. Спецификация ИС-01-09 Стенки силосов. Армирование. Таблица марок стенок силосных корпусов ИС-01-09 Стенки силосов. Разбивка стыков кольцевой арматуры. Узлы ИС-01-09 Стенки силосов. Сечения. Разбивка стыков вертикальной арматуры ИС-01-09 Стенки силосов. Спецификация арматуры ИС-01-09 Стенки силосов. Спецификация арматурных изделий на 1 элемент ИС-01-09 Стенки силосов. Спецификация арматурных изделий на 1 элемент. Выборка арматуры на один элемент ИС-01-09 Узлы 1,2 ИС-01-09 Узлы 3,4,5,6,7,8 |
| Разработан: | ГПИ Ленинградский Промстройпроект |
| Утверждён: | 25.02.1966 Госстрой СССР (Государственный комитет Совета Министров СССР по делам строительства) (USSR Gosstroy 15) |
































