Скачать Типовой проект 902-2-422.86 Альбом III. Строительные изделия (из ТП 902-2-424.86)Дата актуализации: 01.01.2021
|
| Обозначение: | Типовой проект 902-2-422.86 |
| Обозначение англ: | 902-2-422.86 |
| Статус: | не определен законодательством |
| Название рус.: | Альбом III. Строительные изделия (из ТП 902-2-424.86) |
| Дата добавления в базу: | 01.09.2013 |
| Дата актуализации: | 01.01.2021 |
| Дата введения: | 18.07.1986 |
| Дата окончания срока действия: | 30.06.2003 |
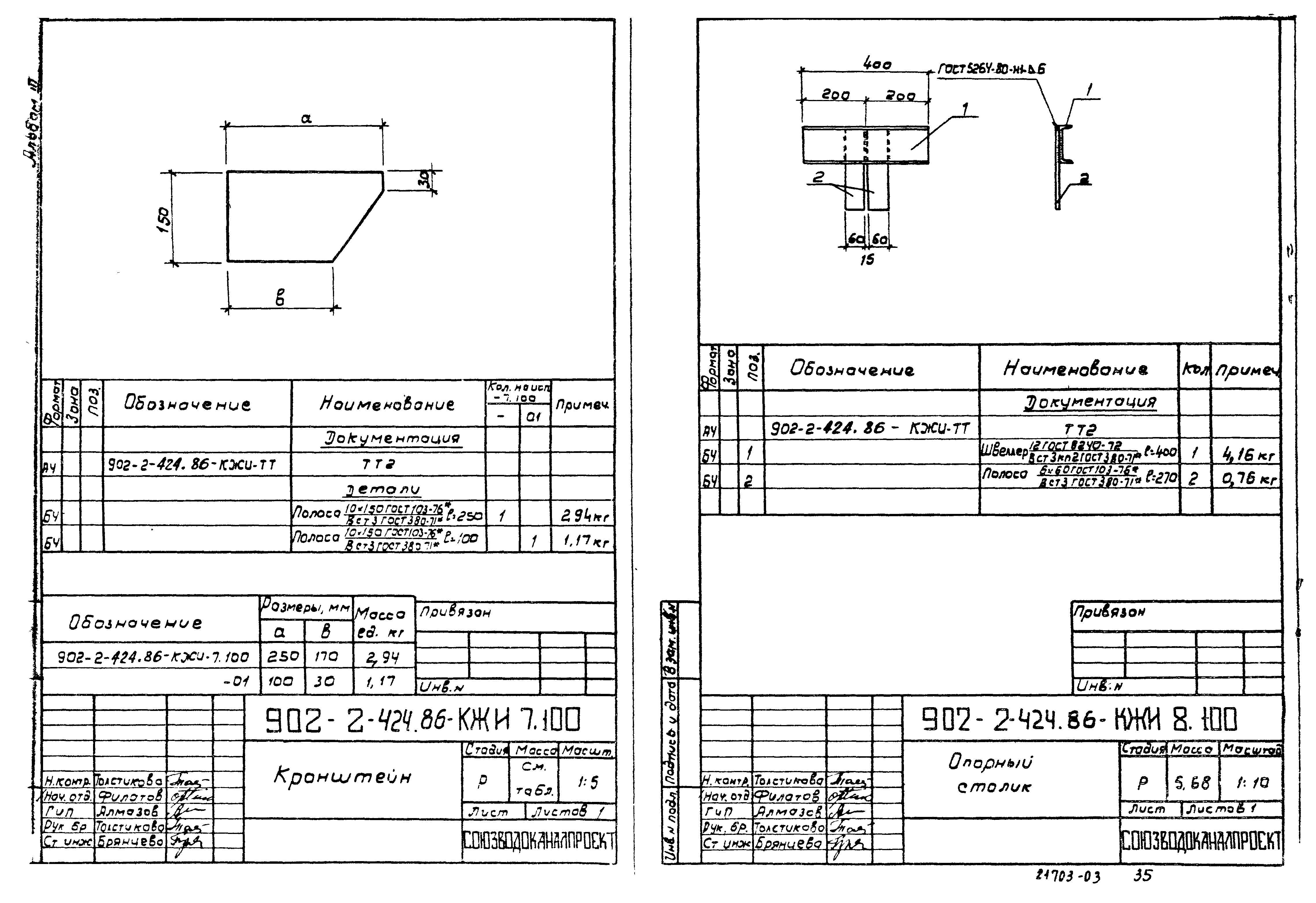
| Оглавление: | ТП 902-2-424.86-КЖИ-ТТ Технические требования ТП 902-2-424.86-КЖИ-1.100 Сетка ТП 902-2-424.86-КЖИ-1.101 Сетка ТП 902-2-424.86-КЖИ-1.102 Сетка ТП 902-2-424.86-КЖИ-1.103 Сетка ТП 902-2-424.86-КЖИ-1.104 Сетка ТП 902-2-424.86-КЖИ-1.105 Сетка ТП 902-2-424.86-КЖИ-1.106 Сетка ТП 902-2-424.86-КЖИ-1.107 Сетка ТП 902-2-424.86-КЖИ-1.108 Изделие закладное ТП 902-2-424.86-КЖИ-1.109 Сетка ТП 902-2-424.86-КЖИ-1.110 Каркас пространственный ТП 902-2-424.86-КЖИ-1.111 Каркас пространственный ТП 902-2-424.86-КЖИ-1.112 Каркас пространственный ТП 902-2-424.86-КЖИ-1.113 Сетка ТП 902-2-424.86-КЖИ-1.114 Сетка ТП 902-2-424.86-КЖИ-1.115 Сетка ТП 902-2-424.86-КЖИ-1.116 Сетка ТП 902-2-424.86-КЖИ-1.117 Сетка ТП 902-2-424.86-КЖИ-1.118 Сетка ТП 902-2-424.86-КЖИ-1.119 Сетка ТП 902-2-424.86-КЖИ-1.120 Сетка ТП 902-2-424.86-КЖИ-1.121 Сетка ТП 902-2-424.86-КЖИ-1.122 Сетка ТП 902-2-424.86-КЖИ-1.123 Петля монтажная ТП 902-2-424.86-КЖИ-1.124 Сетка ТП 902-2-424.86-КЖИ-1.125 Сетка ТП 902-2-424.86-КЖИ-1.126 Сетка ТП 902-2-424.86-КЖИ-1.127 Сетка ТП 902-2-424.86-КЖИ-1.128 Сетка ТП 902-2-424.86-КЖИ-1.129 Сетка ТП 902-2-424.86-КЖИ-1.130 Сетка ТП 902-2-424.86-КЖИ-1.131 Сетка ТП 902-2-424.86-КЖИ-1.132 Сетка ТП 902-2-424.86-КЖИ-1.133 Сетка ТП 902-2-424.86-КЖИ-1.134 Плита КЦП1-20-1а ТП 902-2-424.86-КЖИ-1.135 Кожух стальной КС ТП 902-2-424.86-КЖИ-2.100 Панель стеновая ТП 902-2-424.86-КЖИ-2.101 Изделие закладное ТП 902-2-424.86-КЖИ-2.102 Изделие закладное ТП 902-2-424.86-КЖИ-2.103 Изделие закладное ТП 902-2-424.86-КЖИ-2.110 Сетка ТП 902-2-424.86-КЖИ-2.120 Сетка ТП 902-2-424.86-КЖИ-2.130 Сетка ТП 902-2-424.86-КЖИ-2.200 Панель стеновая ТП 902-2-424.86-КЖИ-2.201 Изделие закладное ТП 902-2-424.86-КЖИ-2.300 Панель стеновая ТП 902-2-424.86-КЖИ-2.301 Изделие закладное ТП 902-2-424.86-КЖИ-2.310 Сетка ТП 902-2-424.86-КЖИ-3.100 Плита ТП 902-2-424.86-КЖИ-3.101 Сетка ТП 902-2-424.86-КЖИ-4.100 Изделие закладное ТП 902-2-424.86-КЖИ-5.100 Ограждение ТП 902-2-424.86-КЖИ-6.100 Гребенка переливная ТП 902-2-424.86-КЖИ-7.100 Кронштейн ТП 902-2-424.86-КЖИ-8.100 Опорный столик ТП 902-2-424.86-КЖИ-9.100 Временное крепление лотков ТП 902-2-424.86-КЖИ-9.101 Тяга ТП 902-2-424.86-КЖИ-9.102 Хомут ТП 902-2-424.86-КЖИ-10.100 Арматурное напрягаемое полукольцо ТП 902-2-424.86-КЖИ-10.101 Изделие закладное ТП 902-2-424.86-КЖИ-10.102 Изделие закладное ТП 902-2-424.86-КЖИ-10.103 Изделие закладное ТП 902-2-424.86-КЖИ-10.104 Изделие закладное |
| Разработан: | Союзводоканалниипроект |
| Утверждён: | 18.07.1986 Госстрой СССР (Государственный комитет Совета Министров СССР по делам строительства) (USSR Gosstroy АЧ-73) |







































