Скачать Типовой проект 902-1-107.87 Альбом V. Подземная часть. ИзделияДата актуализации: 01.01.2021
|
| Обозначение: | Типовой проект 902-1-107.87 |
| Обозначение англ: | 902-1-107.87 |
| Статус: | не определен законодательством |
| Название рус.: | Альбом V. Подземная часть. Изделия |
| Дата добавления в базу: | 01.09.2013 |
| Дата актуализации: | 01.01.2021 |
| Дата введения: | 18.08.1987 |
| Дата окончания срока действия: | 30.06.2003 |
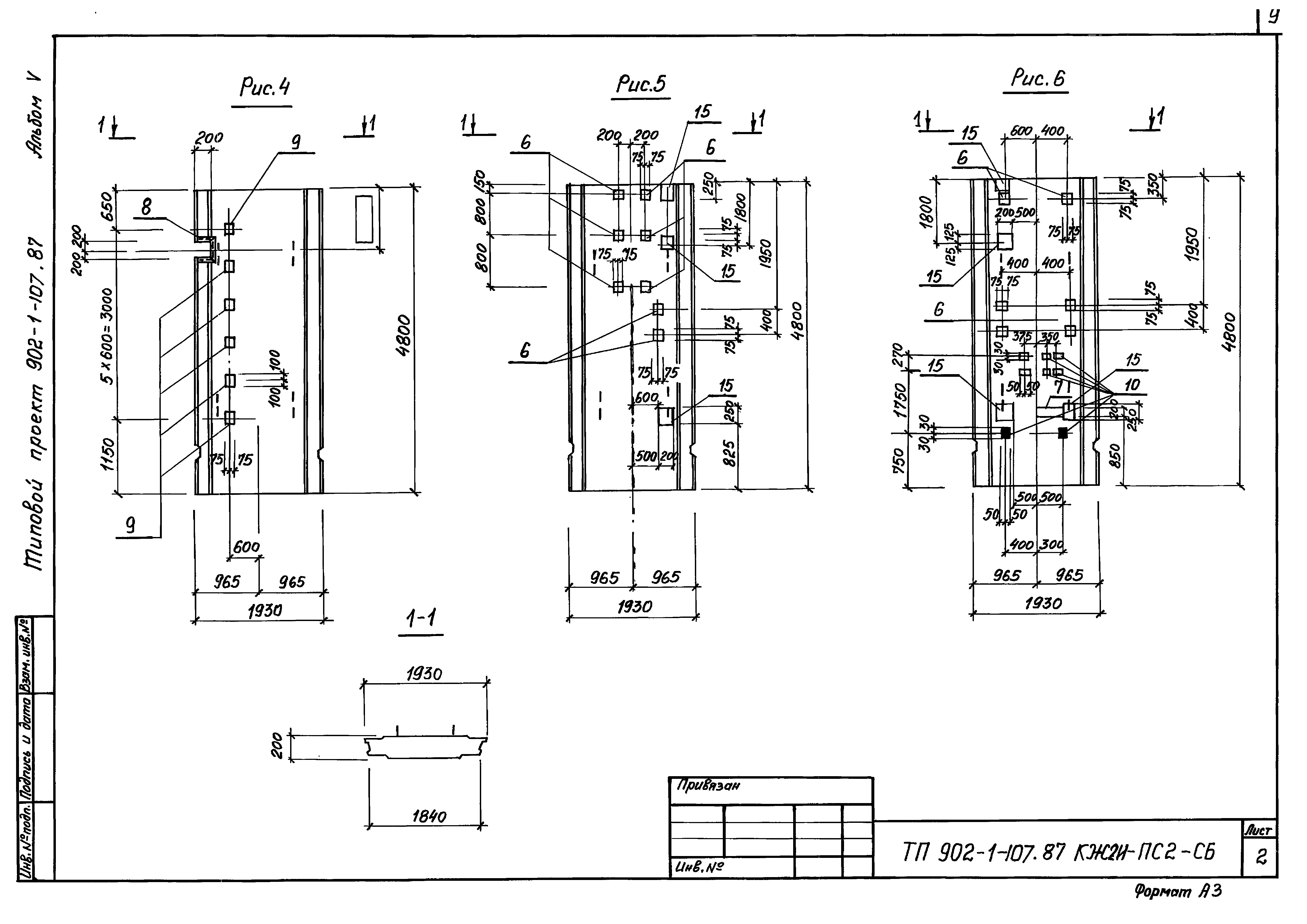
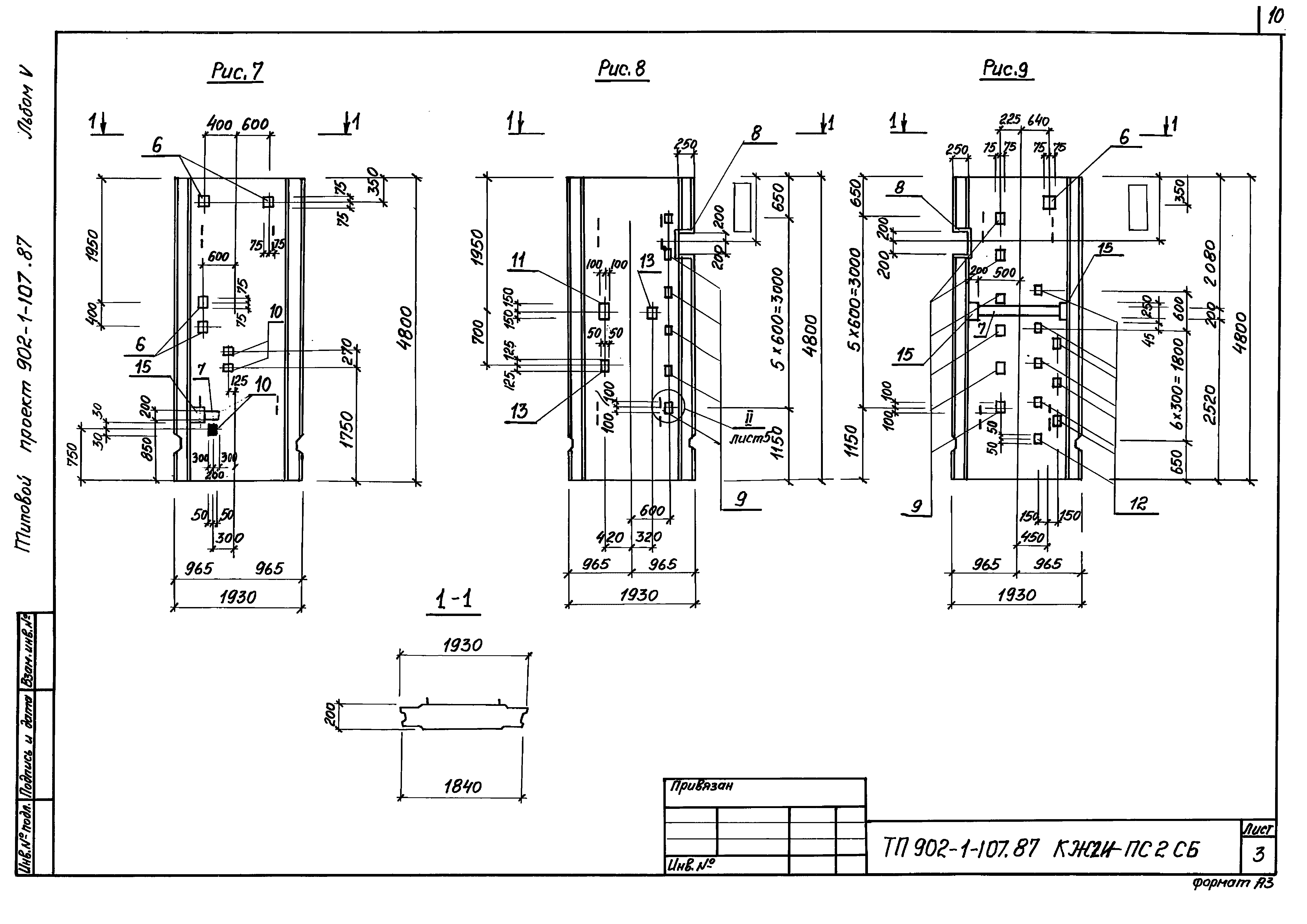
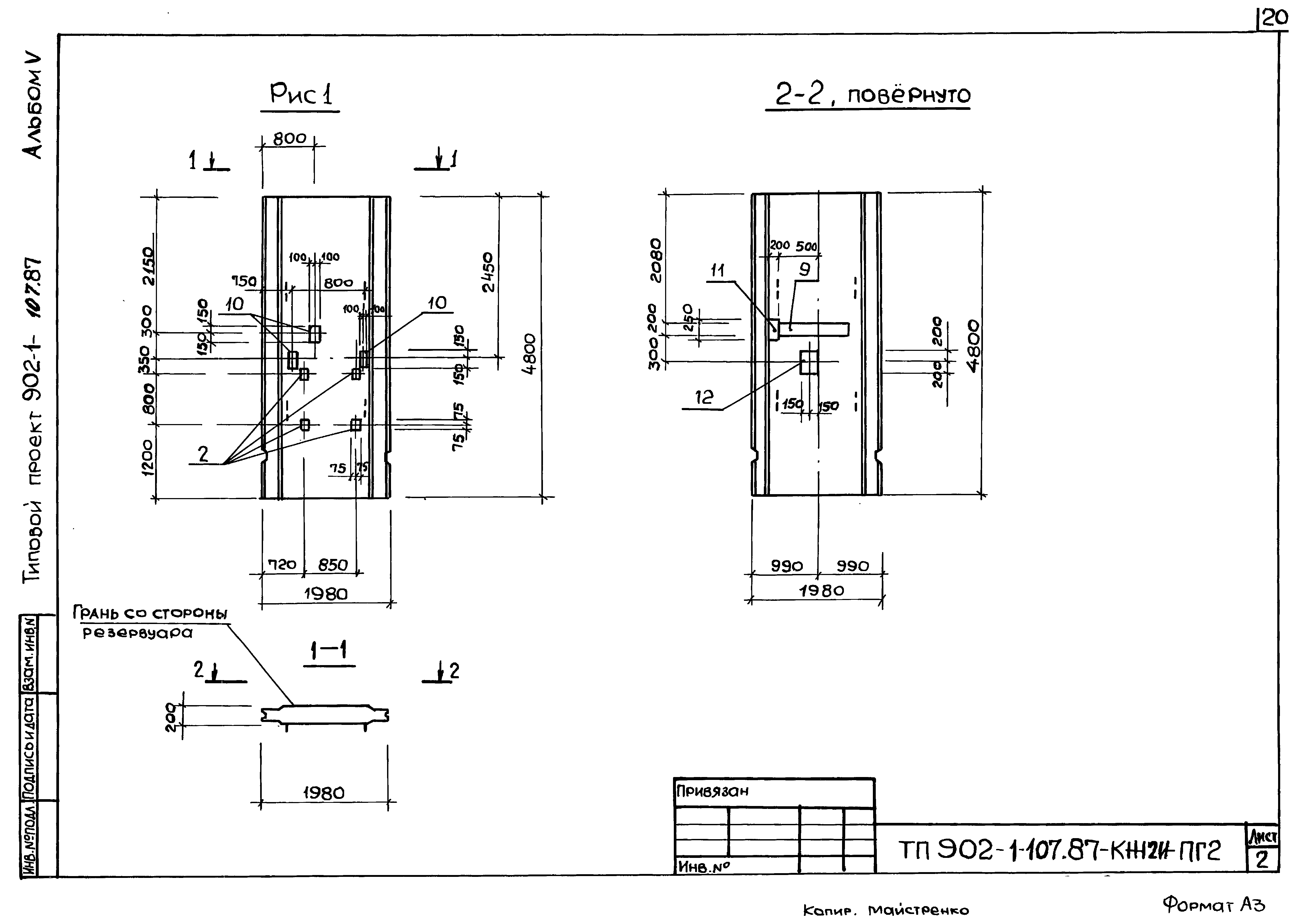
| Оглавление: | ТП 902-1-107.87-КЖ2И-ТТ Технические требования ТП 902-1-107.87-КЖ2И-ПС1 Панель стеновая ПС1 ТП 902-1-107.87-КЖ2И-ПГ1 Панель перегородочная ПГ1 ТП 902-1-107.87-КЖ2И-ПС1 СБ Панель стеновая ПС1. Сборочный чертеж ТП 902-1-107.87-КЖ2И-ПС2 Панель стеновая ПС(ПС2-ПС11) ТП 902-1-107.87-КЖ2И-ПС2 СБ Панель стеновая ПС(ПС2-ПС11). Сборочный чертеж ТП 902-1-107.87-КЖ2И-ВМС1 Ведомость расхода стали ТП 902-1-107.87-КЖ2И-ПГ1 СБ Панель перегородочная ПГ1. Сборочный чертеж ТП 902-1-107.87-КЖ2И-ПГ48.20 Панель перегородочная ПГ48.20-У2ш, ПГ48.20-У2ш-1 ТП 902-1-107.87-КЖ2И-ВМС2 Ведомость расхода стали ТП 902-1-107.87-КЖ2И- ПГ48.20 СБ Панель перегородочная ПГ48.20-У2ш, ПГ48.20-У2ш-1. Сборочный чертеж ТП 902-1-107.87-КЖ2И-ПГ2 Панель перегородочная ПГ(ПГ2-ПГ3) ТП 902-1-107.87-КЖ2И-ПГ2 СБ Панель перегородочная ПГ(ПГ2-ПГ3). Сборочный чертеж ТП 902-1-107.87-КЖ2И-МН1 Изделие закладное МН1 ТП 902-1-107.87-КЖ2И-МН1 СБ Изделие закладное МН1. Сборочный чертеж ТП 902-1-107.87-КЖ2И-С1 Сетка арматурная С1 ТП 902-1-107.87-КЖ2И-С2 Сетка арматурная С2 ТП 902-1-107.87-КЖ2И-С3 Сетка арматурная С3 ТП 902-1-107.87-КЖ2И-С4 Сетка арматурная С4 ТП 902-1-107.87-КЖ2И-С5 Сетка арматурная С5,С7 ТП 902-1-107.87-КЖ2И-С5 СБ Сетка арматурная С5,С7. Сборочный чертеж ТП 902-1-107.87-КЖ2И-С6 Сетка арматурная С6,С8 ТП 902-1-107.87-КЖ2И-С6 СБ Сетка арматурная С6,С8. Сборочный чертеж ТП 902-1-107.87-КЖ2И-КР1 Каркас плоский КР1 ТП 902-1-107.87-КЖ2И-КР2 Каркас плоский КР2 ТП 902-1-107.87-КЖ2И-КР3 Каркас плоский КР3 ТП 902-1-107.87-КЖ2И-ММ1 Изделие соединительное ММ1 ТП 902-1-107.87-КЖ2И-ММ2 Изделие соединительное ММ2 |
| Разработан: | Харьковский Водоканалпроект |
| Утверждён: | 12.06.1987 Госстрой СССР (Государственный комитет Совета Министров СССР по делам строительства) (USSR Gosstroy А4-60) |































