Скачать Типовой проект 902-1-122.87 Альбом IV. Подземная часть. ИзделияДата актуализации: 01.01.2021
|
| Обозначение: | Типовой проект 902-1-122.87 |
| Обозначение англ: | 902-1-122.87 |
| Статус: | не определен законодательством |
| Название рус.: | Альбом IV. Подземная часть. Изделия |
| Дата добавления в базу: | 01.09.2013 |
| Дата актуализации: | 01.01.2021 |
| Дата введения: | 23.11.1987 |
| Дата окончания срока действия: | 30.06.2003 |
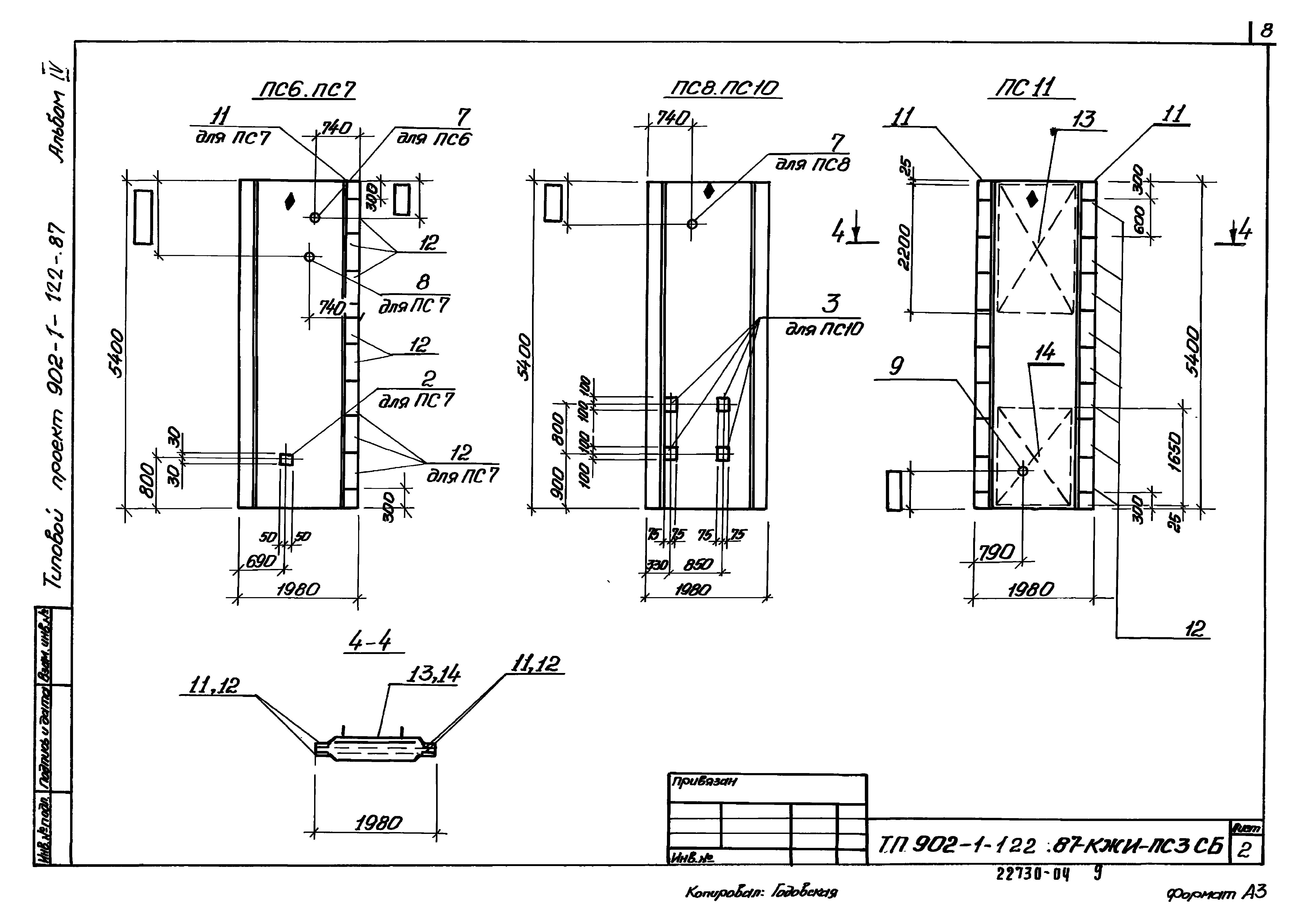
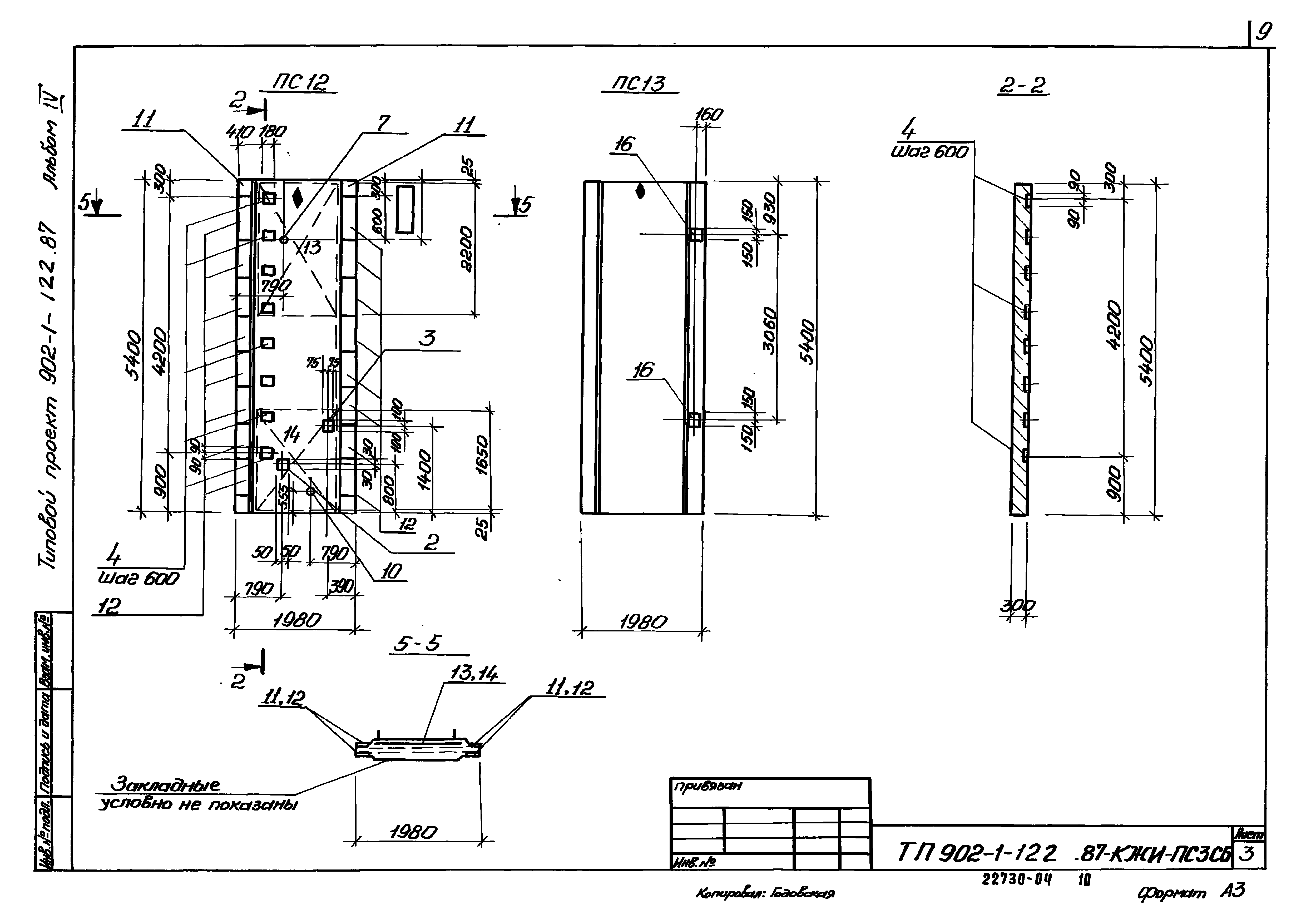
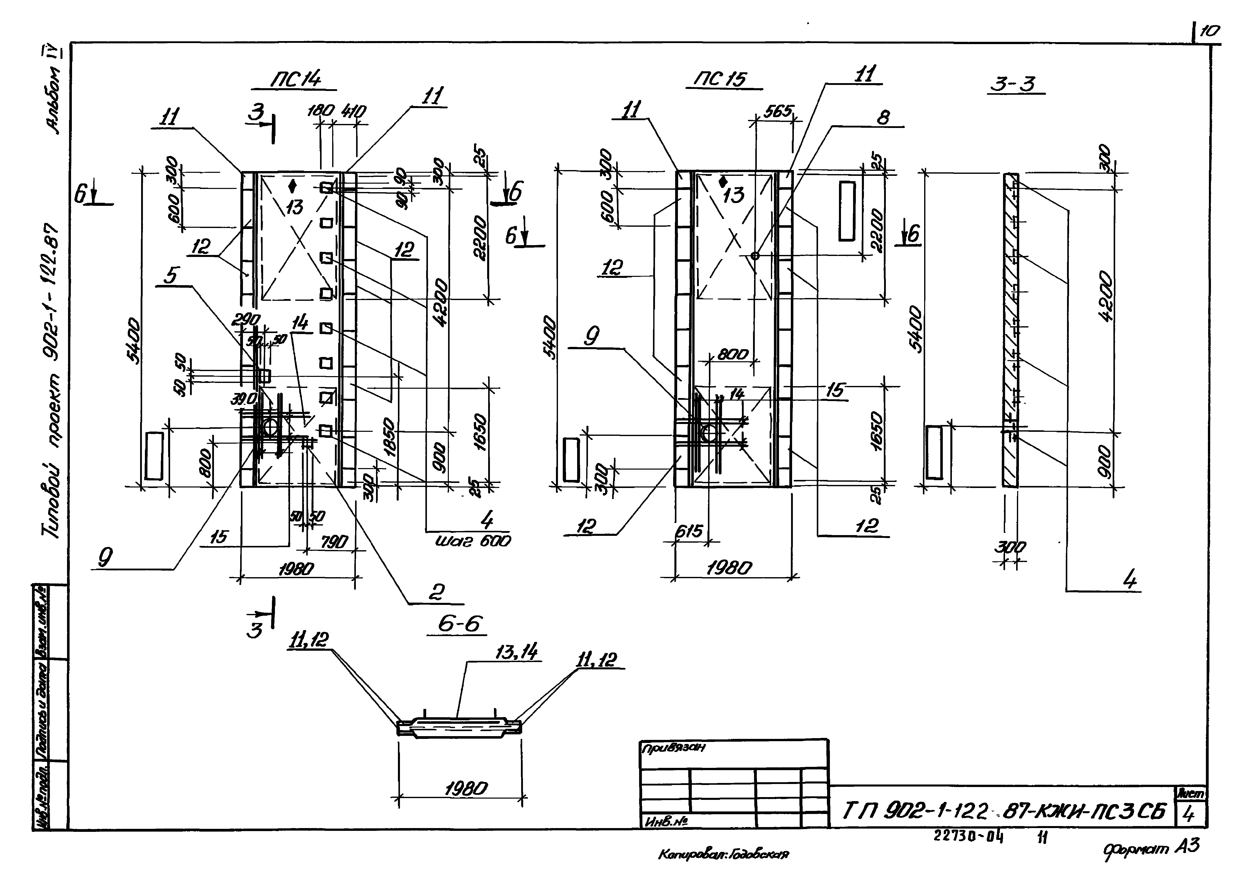
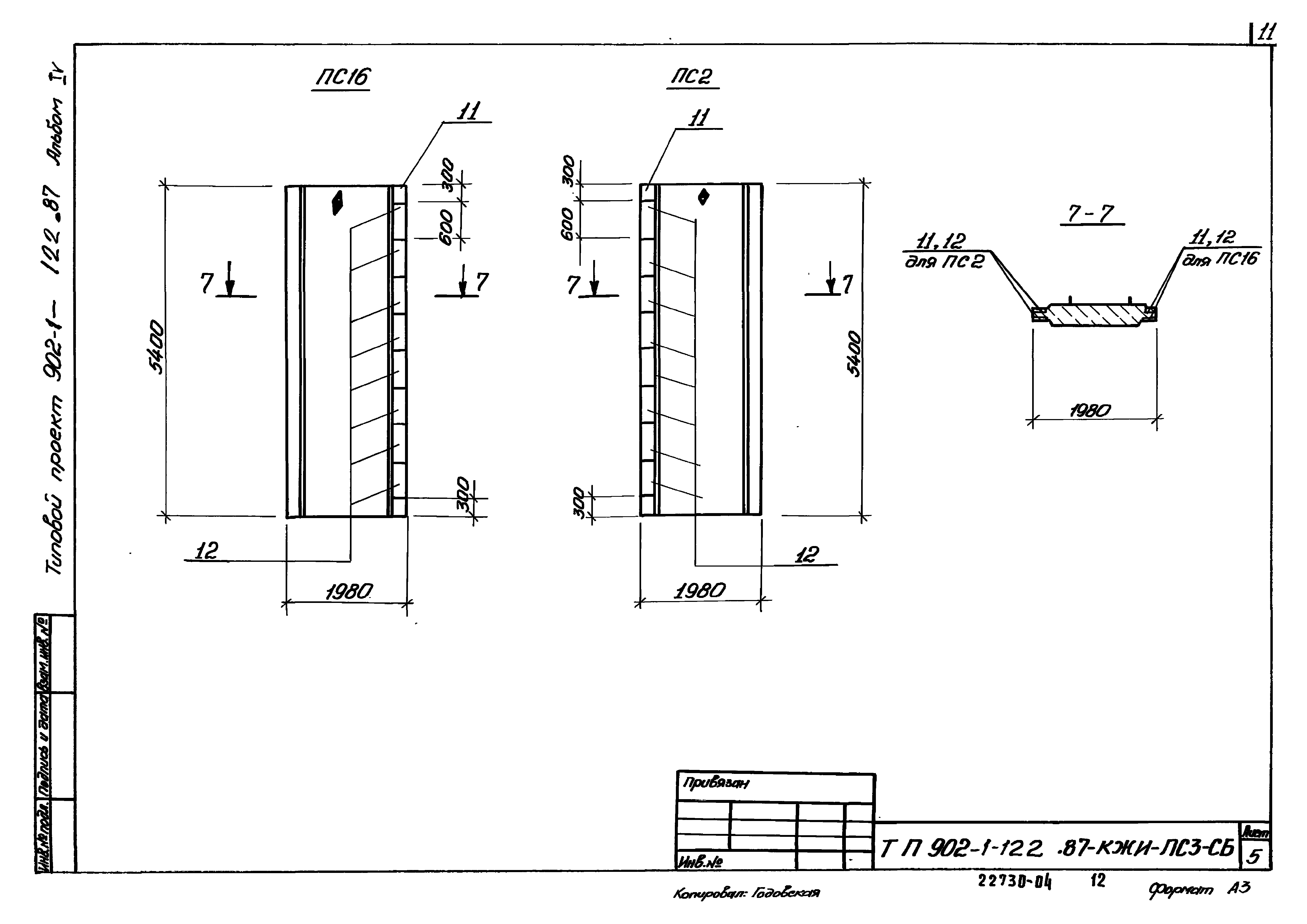
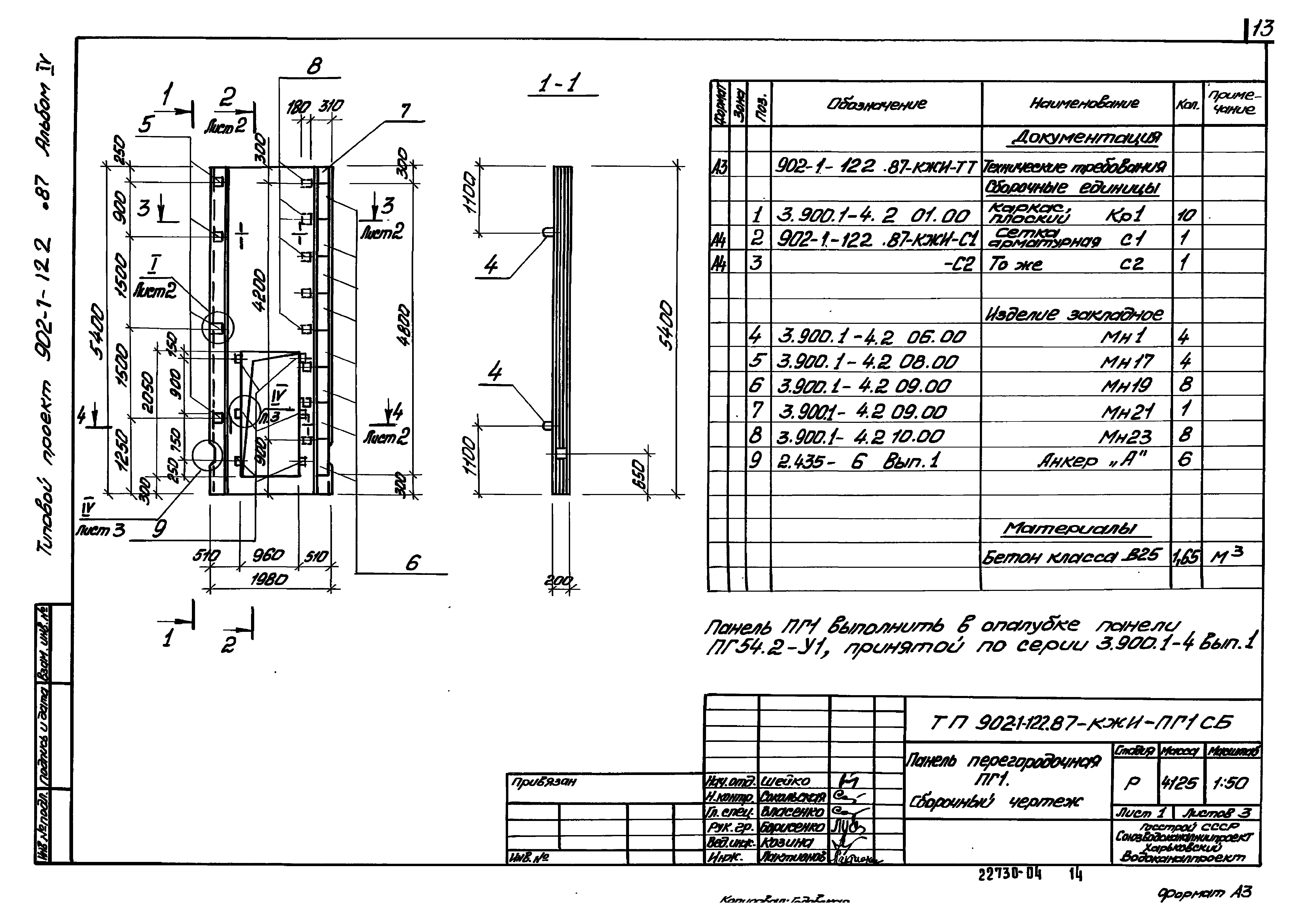
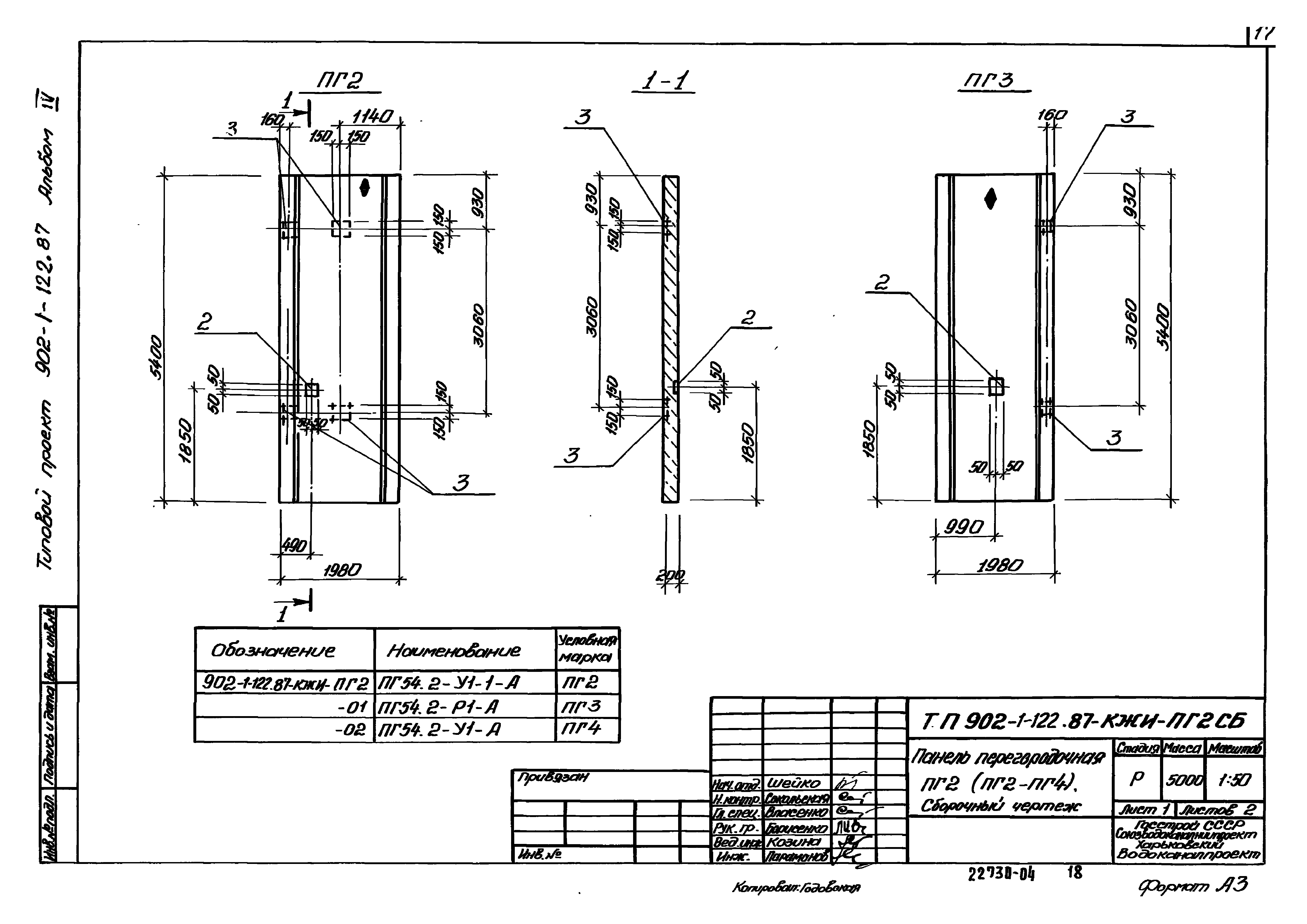
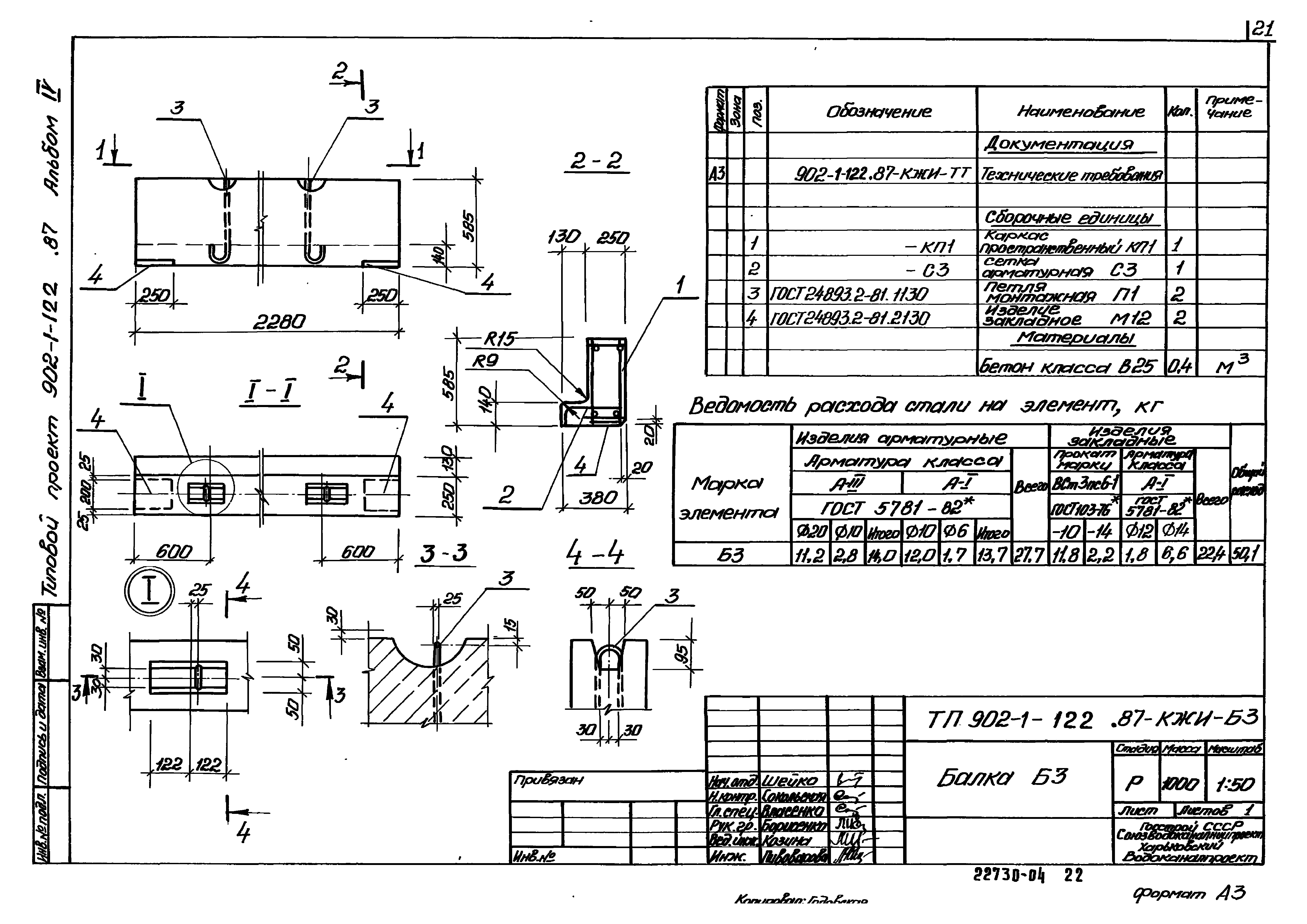
| Оглавление: | ТП 902-1-122.87-КЖИ Содержание альбома ТП 902-1-122.87-КЖИ-ТТ Технические требования ТП 902-1-122.87-КЖИ-ПС3 Панели стеновые ПС3(ПС2-ПС8,ПС10-ПС16) ТП 902-1-122.87-КЖИ-ВМС1 Ведомость расхода стали ТП 902-1-122.87-КЖИ-ПС3 СБ Панели стеновые ПС3(ПС2-ПС8,ПС10-ПС16). Сборочный чертеж ТП 902-1-122.87-КЖИ-ПГ1 СБ Панель перегородочная ПГ1. Сборочный чертеж ТП 902-1-122.87-КЖИ-ПГ2 Панели перегородочные ПГ2(ПГ2-ПГ4) ТП 902-1-122.87-КЖИ-ВМС2 Ведомость расхода стали ТП 902-1-122.87-КЖИ-ПГ2 СБ Панели перегородочные ПГ2(ПГ2-ПГ4). Сборочный чертеж ТП 902-1-122.87-КЖИ-БФ1 Балка БФ1 ТП 902-1-122.87-КЖИ-Б1 Балка Б1 ТП 902-1-122.87-КЖИ-Б3 Балка Б3 ТП 902-1-122.87-КЖИ-П2 Плита П2 ТП 902-1-122.87-КЖИ-П5 Плита П5 ТП 902-1-122.87-КЖИ-П7 Плита перекрытия П7 ТП 902-1-122.87-КЖИ-КП1 Каркас пространственный КП1 ТП 902-1-122.87-КЖИ-КР1 Каркас плоский КР1 ТП 902-1-122.87-КЖИ-КР6 Каркас плоский КР6 ТП 902-1-122.87-КЖИ-КР2 Каркас плоский КР2 ТП 902-1-122.87-КЖИ-КР3 Каркас плоский КР3 ТП 902-1-122.87-КЖИ-КР4 Каркас плоский КР4 ТП 902-1-122.87-КЖИ-С3 Сетка арматурная С3 ТП 902-1-122.87-КЖИ-КР5 Каркас плоский КР5 ТП 902-1-122.87-КЖИ-КР7 Каркас плоский КР7 ТП 902-1-122.87-КЖИ-С1 Сетка арматурная С1 ТП 902-1-122.87-КЖИ-С2 Сетка арматурная С2 ТП 902-1-122.87-КЖИ-МС1 Изделие соединительное МС1(МС1,МС2) ТП 902-1-122.87-КЖИ-МС1 СБ Изделие соединительное МС1(МС1,МС2). Сборочный чертеж ТП 902-1-122.87-КЖИ-КР8 Каркас плоский КР8 ТП 902-1-122.87-КЖИ-КР9 Каркас плоский КР9 |
| Разработан: | Харьковский Водоканалпроект |
| Утверждён: | 18.08.1987 Госстрой СССР (Государственный комитет Совета Министров СССР по делам строительства) (USSR Gosstroy 49) |
































