Скачать Типовой проект 902-2-349 Альбом II. ИзделияДата актуализации: 01.01.2021
|
| Обозначение: | Типовой проект 902-2-349 |
| Обозначение англ: | 902-2-349 |
| Статус: | действует |
| Название рус.: | Альбом II. Изделия |
| Дата добавления в базу: | 01.09.2013 |
| Дата актуализации: | 01.01.2021 |
| Дата введения: | 25.03.1982 |
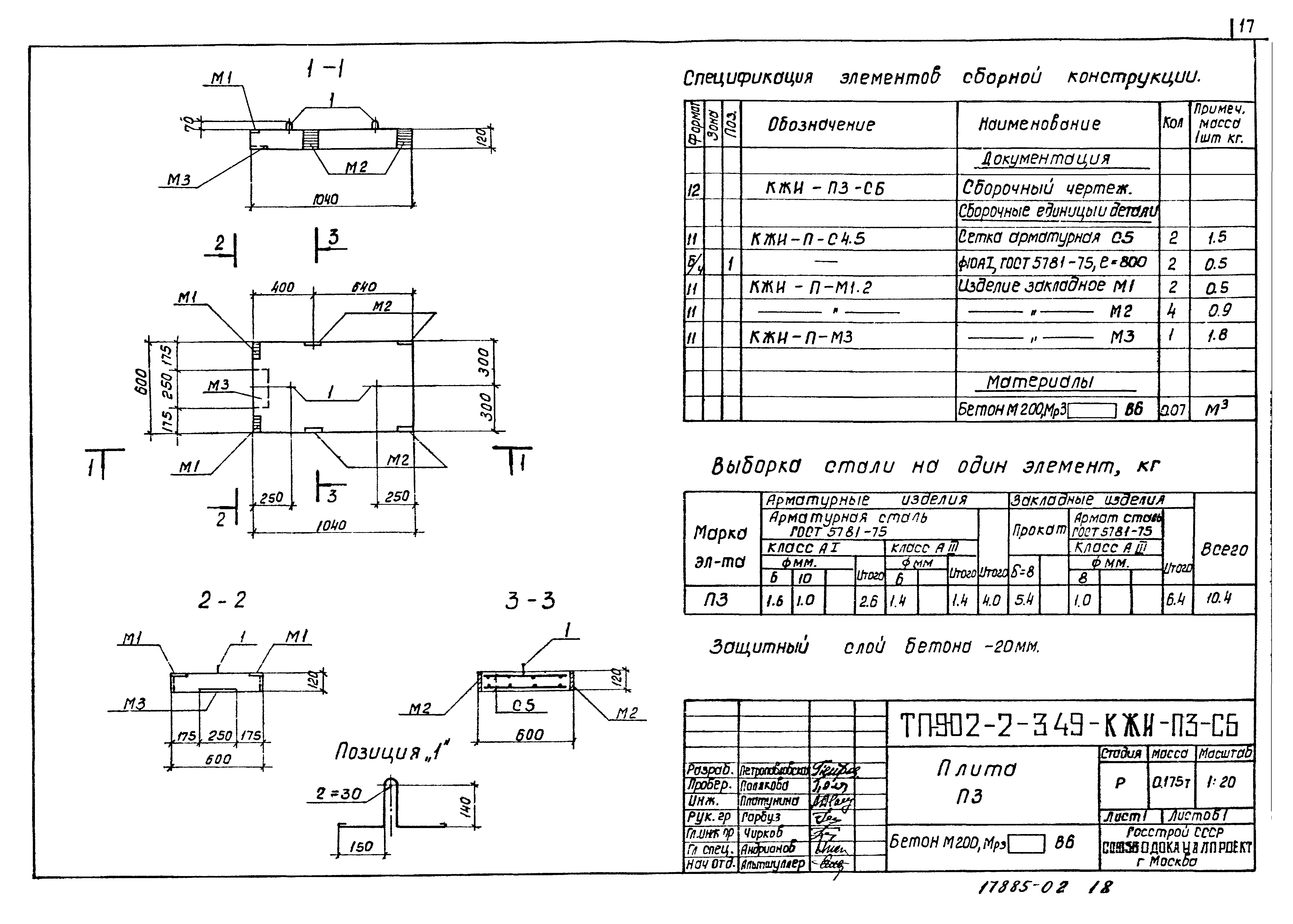
| Оглавление: | ТП 902-2-349-КЖИ Содержание альбома ТП 902-2-349 Днище ТП 902-2-349-КЖИ-С1 Сетка арматурная С1 ТП 902-2-349-КЖИ-С2 Сетка арматурная С2 ТП 902-2-349-КЖИ-С3 Сетка арматурная С3 ТП 902-2-349-КЖИ-С4,С6 Сетки арматурные С4,С6 ТП 902-2-349-КЖИ-С5 Сетка арматурная С5 ТП 902-2-349-КЖИ-С7 Сетка арматурная С7 ТП 902-2-349-КЖИ-С8 Сетка арматурная С8 ТП 902-2-349-КЖИ-С9 Сетка арматурная С9 ТП 902-2-349-КЖИ-С10 Сетка арматурная С10 ТП 902-2-349-КЖИ-С11 Сетка арматурная С11 ТП 902-2-349-КЖИ-КП1,2 Пространственные каркасы КП1,КП2 ТП 902-2-349-КЖИ-КР1 Каркас плоский КР1 ТП 902-2-349-КЖИ-МН1 Изделие закладное МН1 ТП 902-2-349 Панели стеновые ТП 902-2-349-КЖИ-ПС1 СБ ПС1(ПС2-48-К12а) ТП 902-2-349-КЖИ-ПС2 СБ ПС2(ПС2-48-К12б) ТП 902-2-349-КЖИ-ПС3 СБ ПС3(ПС2-48-К12в) ТП 902-2-349-КЖИ-ПС4 СБ ПС4(ПС2-48-К12г) ТП 902-2-349-КЖИ-ПС5 СБ ПС5(ПС2-48-К12д) ТП 902-2-349-КЖИ-ПС6 СБ ПС6(ПС2-48-К12е) ТП 902-2-349-КЖИ-С1 Сетка арматурная С1 ТП 902-2-349-КЖИ-М1 Изделие закладное М1 ТП 902-2-349-КЖИ-М2 Изделие закладное М2 ТП 902-2-349 Монолитные участки стен ТП 902-2-349-КЖИ-ЗДИ1,3 Изделия закладные ЗДИ1,ЗДИ3 ТП 902-2-349-КЖИ-ЗДИ2 Изделие закладное ЗДИ2 ТП 902-2-349 Плиты ТП 902-2-349-КЖИ-П1,2 СБ Плиты П1,П2 ТП 902-2-349-КЖИ-П3 СБ Плита П3 ТП 902-2-349-КЖИ-П4 СБ Плита П4 ТП 902-2-349-КЖИ-П5 СБ Плита П5 ТП 902-2-349-КЖИ-С1,С2,С3 Сетки арматурные С1,С2,С3 ТП 902-2-349-КЖИ-С4,С5 Сетки арматурные С4,С5 ТП 902-2-349-КЖИ-М1,М2 Изделия закладные М1,М2 ТП 902-2-349-КЖИ-М3 Изделие закладное М3 ТП 902-2-349 Балки ТП 902-2-349-КЖИ-Б1 СБ Балка Б1 ТП 902-2-349-КЖИ-Б2 СБ Балка Б2 ТП 902-2-349-КЖИ-Б3 СБ Балка Б3 ТП 902-2-349-КЖИ-КР1 Каркас плоский КР1 ТП 902-2-349-КЖИ-КР2 Каркас плоский КР2 ТП 902-2-349-КЖИ-М1 Изделие закладное М1 ТП 902-2-349-КЖИ-КР3 Каркас плоский КР3 ТП 902-2-349-КЖИ-Б01 Балка Б01 ТП 902-2-349-КЖИ-КР1 Каркас плоский КР1 ТП 902-2-349 Лотки ТП 902-2-349-КЖИ-ЛД1 СБ Лоток ЛД1 ТП 902-2-349-КЖИ-ЛД3 СБ Лоток ЛД3 ТП 902-2-349-КЖИ-ЛД4 СБ Лоток ЛД4 ТП 902-2-349-КЖИ-ЛД2 СБ Лоток ЛД2 ТП 902-2-349-КЖИ-ЛД5 СБ Лоток ЛД5 ТП 902-2-349-КЖИ-ЛД6,ЛД7 СБ Лотки ЛД6,ЛД7 ТП 902-2-349-КЖИ-МС5,6 Марки соединительные МС5,МС6 ТП 902-2-349-КЖИ-МС3,4 Марки соединительные МС3,МС4 ТП 902-2-349-КЖИ-МС1,2 Марки соединительные МС1,МС2 ТП 902-2-349-КЖИ-МС7,8 Марки соединительные МС7,МС8 ТП 902-2-349-КЖИ-Л3,Л7 СБ Лотки Л3(ЛТ1а-4,5-3А), Л7(ЛТ1-6-;.5А) ТП 902-2-349-КЖИ-Л6 СБ Лоток Л6(ЛТ1-4,5-3А) |
| Разработан: | Союзводоканалниипроект |
| Утверждён: | 03.11.1981 СоюзводоканалНИИпроект (SoyuzvodokanalNIIproject ) |

































