Скачать Серия 3.016-КР-2.2 Выпуск 2. Конструкции по защите инженерных сооружений и коммуникацийДата актуализации: 01.01.2021
|
| Обозначение: | Серия 3.016-КР-2.2 |
| Обозначение англ: | Series 3.016-КР-2.2 |
| Статус: | не действует |
| Название рус.: | Выпуск 2. Конструкции по защите инженерных сооружений и коммуникаций |
| Дата добавления в базу: | 01.09.2013 |
| Дата актуализации: | 01.01.2021 |
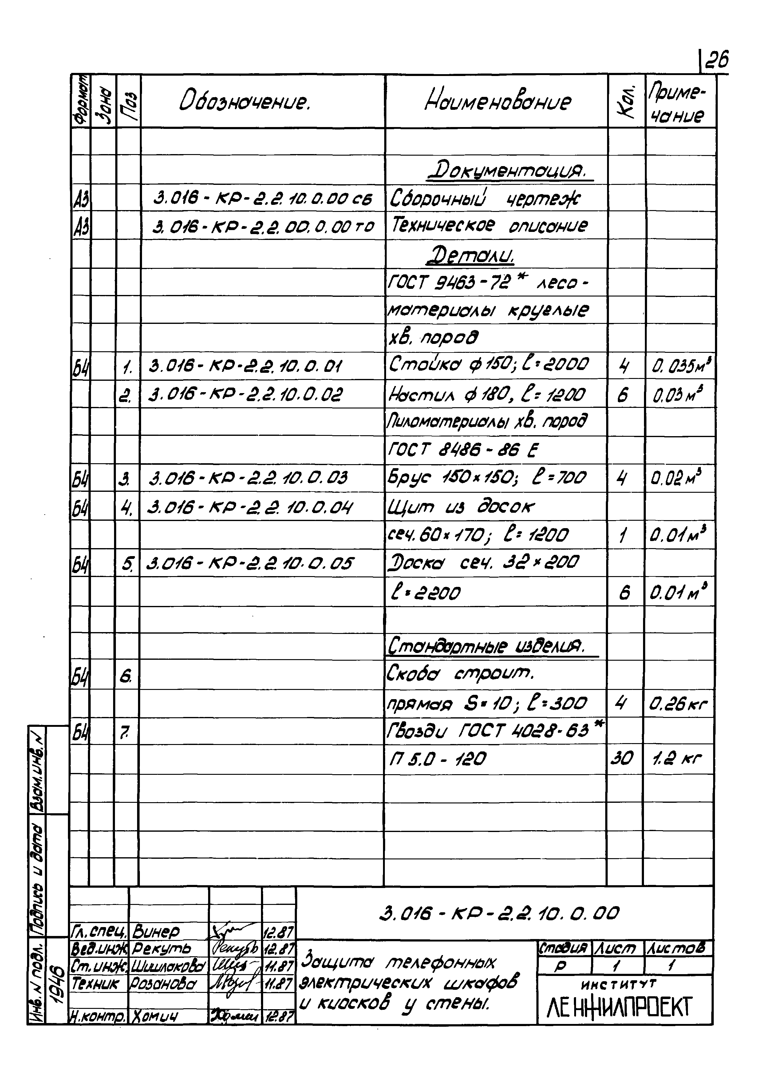
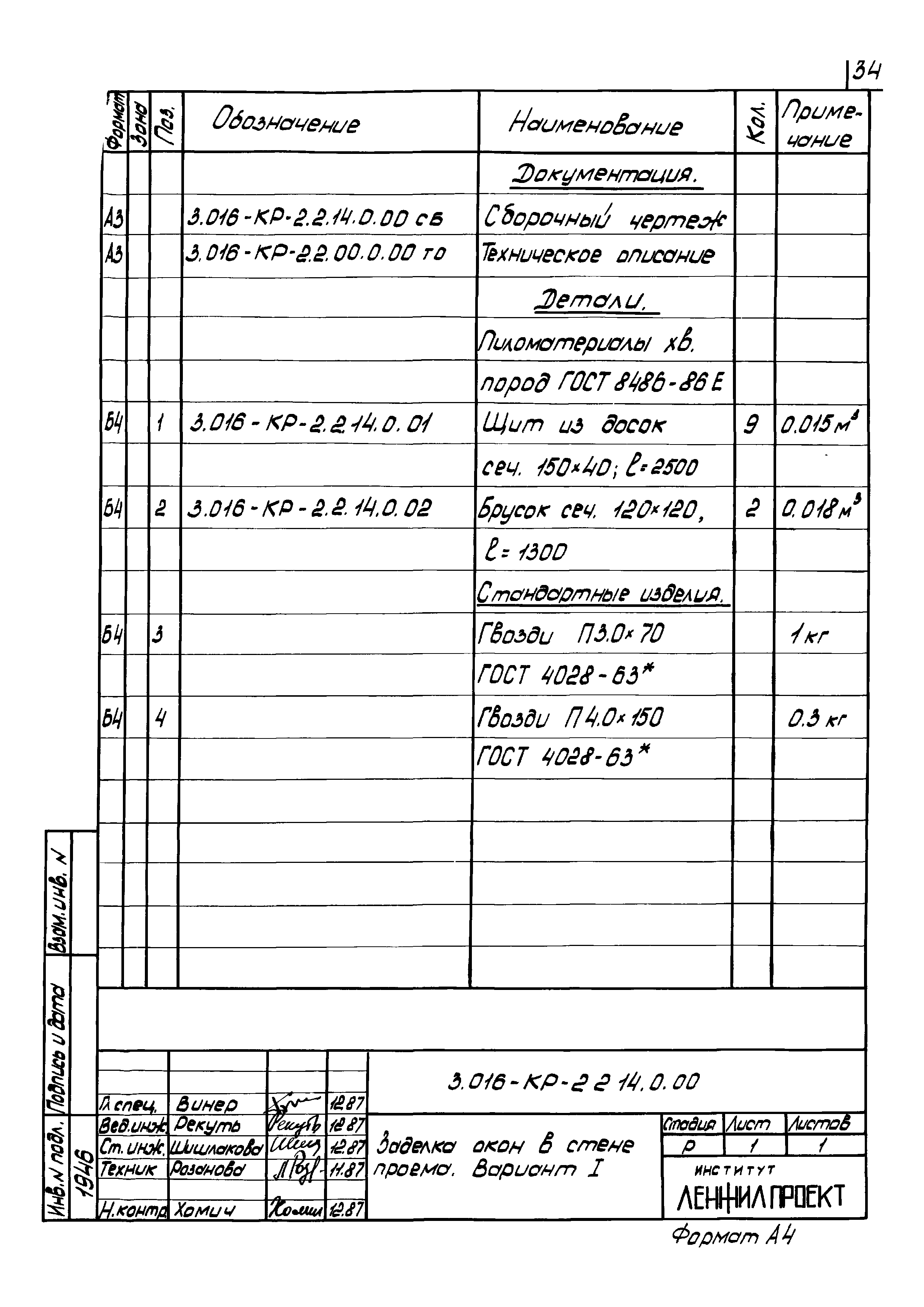
| Оглавление: | 3.016-КР-2.2.00.0.00 Содержание 3.016-КР-2.2.00.0.00 ТО Техническое описание 3.016-КР-2.2.01.0.00 Защита теплотрасс в земле в каналах и тоннелях 3.016-КР-2.2.01.0.00 СБ Защита теплотрасс в земле в каналах и тоннелях. Сборочный чертеж 3.016-КР-2.2.02.0.00 Защита теплотрасс в земле в изоляции. Вариант 1, вариант 2 3.016-КР-2.2.02.0.00 СБ Защита теплотрасс в земле в изоляции. Вариант 1, вариант 2. Сборочный чертеж 3.016-КР-2.2.03.0.00 Одинарная защита теплотрассы в подвалах капитально-ремонтируемых зданий. Вариант 1, вариант 2 3.016-КР-2.2.03.0.00 СБ Одинарная защита теплотрассы в подвалах капитально-ремонтируемых зданий. Вариант 1, вариант 2. Сборочный чертеж 3.016-КР-2.2.04.0.00 Двойная защита теплотрассы в подвалах капитально-ремонтируемых зданий 3.016-КР-2.2.04.0.00 СБ Двойная защита теплотрассы в подвалах капитально-ремонтируемых зданий. Сборочный чертеж 3.016-КР-2.2.05.0.00 Защита кабеля и трубопровода на стене здания. Вариант 1 3.016-КР-2.2.05.0.00 СБ Защита кабеля и трубопровода на стене здания. Вариант 1. Сборочный чертеж 3.016-КР-2.2.06.0.00 Защита кабеля и трубопровода на стене здания. Вариант 2 3.016-КР-2.2.06.0.00 СБ Защита кабеля и трубопровода на стене здания. Вариант 2. Сборочный чертеж 3.016-КР-2.2.07.0.00 Защита крышки колодцев люков под башенным краном 3.016-КР-2.2.07.0.00 СБ Защита крышки колодцев люков под башенным краном. Сборочный чертеж 3.016-КР-2.2.08.0.00 Защита электрических киосков и шкафов в лестничной клетке 3.016-КР-2.2.08.0.00 СБ Защита электрических киосков и шкафов в лестничной клетке. Сборочный чертеж 3.016-КР-2.2.09.0.00 Защита электрических киосков и шкафов в арке 3.016-КР-2.2.09.0.00 СБ Защита электрических киосков и шкафов в арке. Сборочный чертеж 3.016-КР-2.2.10.0.00 Защита телефонных, электрических шкафов и киосков у стены 3.016-КР-2.2.10.0.00 СБ Защита телефонных, электрических шкафов и киосков у стены. Сборочный чертеж 3.016-КР-2.2.11.0.00 Защита отдельностоящих телефонных и электрических шкафов 3.016-КР-2.2.11.0.00 СБ Защита отдельностоящих телефонных и электрических шкафов. Сборочный чертеж 3.016-КР-2.2.12.0.00 Защита оголовков, объектов Г.О. и вент. Шахт, попадающих в опасную зону. Вариант 1 3.016-КР-2.2.12.0.00 СБ Защита оголовков, объектов Г.О. и вент. Шахт, попадающих в опасную зону. Вариант 1. Сборочный чертеж 3.016-КР-2.2.13.0.00 Защита оголовков, объектов Г.О. и вент. Шахт, попадающих в опасную зону. Вариант 2 3.016-КР-2.2.13.0.00 СБ Защита оголовков, объектов Г.О. и вент. Шахт, попадающих в опасную зону. Вариант 2. Сборочный чертеж 3.016-КР-2.2.14.0.00 Заделка окон в стене проема. Вариант 1 3.016-КР-2.2.14.0.00 СБ Заделка окон в стене проема. Вариант 1. Сборочный чертеж 3.016-КР-2.2.15.0.00 Заделка окон в опасной зоне при работе башенного крана. Вариант 2 3.016-КР-2.2.15.0.00 СБ Заделка окон в опасной зоне при работе башенного крана. Вариант 2. Сборочный чертеж 3.016-КР-2.2.16.0.00 Защита деревьев в опасной зоне. Вариант 1, вариант 2 3.016-КР-2.2.16.0.00 СБ Защита деревьев в опасной зоне. Вариант 1, вариант 2. Сборочный чертеж 3.016-КР-2.2.17.0.00 Короб 3.016-КР-2.2.17.0.00 СБ Короб. Сборочный чертеж 3.016-КР-2.2.18.0.00 Крышка К-1 3.016-КР-2.2.18.0.00 СБ Крышка К-1. Сборочный чертеж 3.016-КР-2.2.19.0.00 Защита колодцев при обрушении здания 3.016-КР-2.2.19.0.00 СБ Защита колодцев при обрушении здания. Сборочный чертеж 3.016-КР-2.2.20.0.00 Крышка К-2 |
| Разработан: | ЛенжилНИИпроект |
| Утверждён: | 19.11.1987 Ленжилпроект (58) |










































