Скачать Серия 2.193-КР-3 Выпуск 1. Рабочие чертежиДата актуализации: 01.01.2021
|
| Обозначение: | Серия 2.193-КР-3 |
| Обозначение англ: | Series 2.193-КР-3 |
| Статус: | действует |
| Название рус.: | Выпуск 1. Рабочие чертежи |
| Дата добавления в базу: | 01.09.2013 |
| Дата актуализации: | 01.01.2021 |
| Дата введения: | 01.01.1979 |
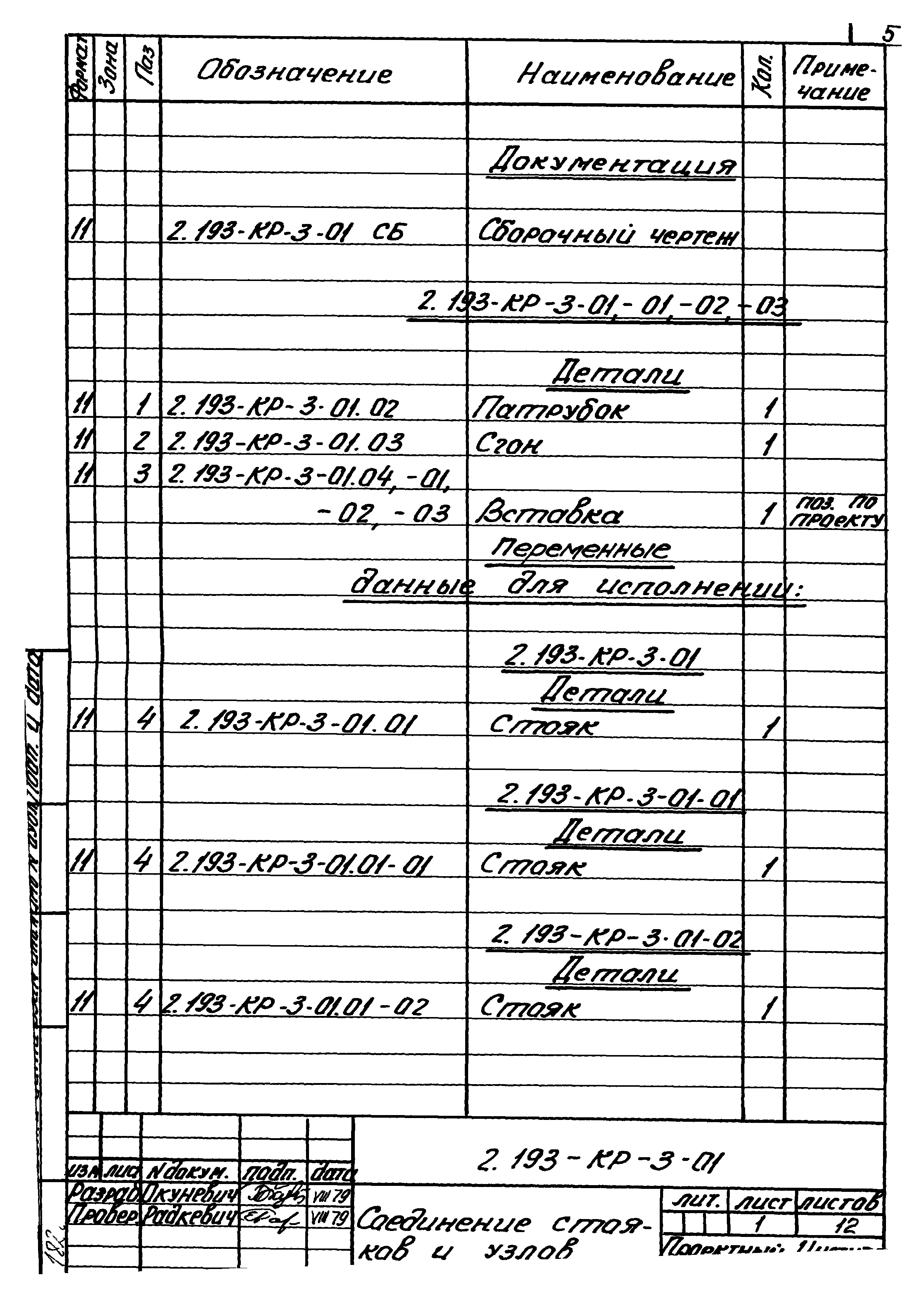
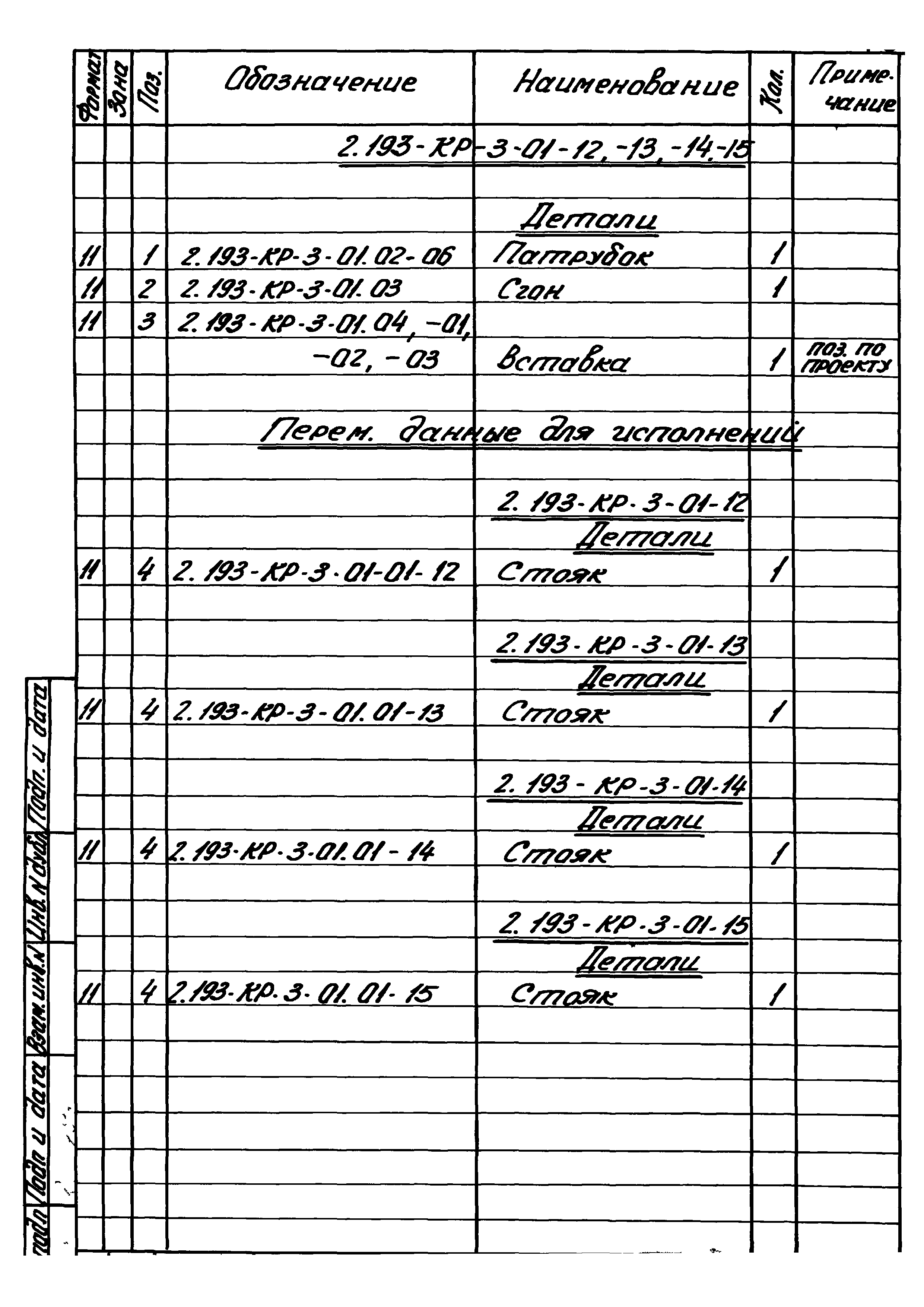
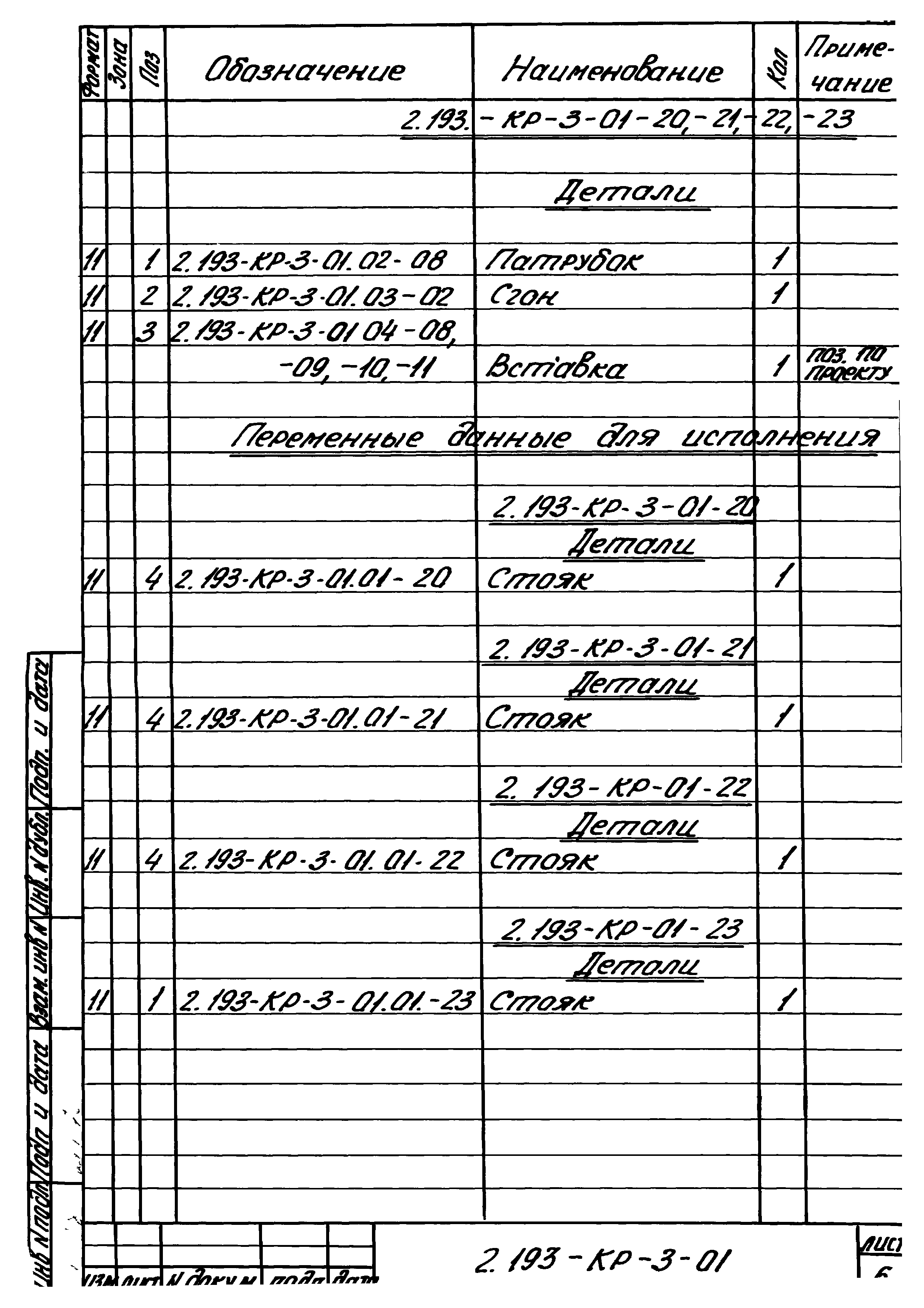
| Оглавление: | 2.193-КР-3 Состав альбома 2.193-КР-3 ПЗ Пояснительная записка 2.193-КР-3-01 Соединение стояков и узлов радиаторных 2.193-КР-3-01 СБ Соединение стояков и узлов радиаторных. Сборочный чертеж 2.193-КР-3-01.01 Стояк 2.193-КР-3-01.02 Патрубок 2.193-КР-3-01.03 Сгон 2.193-КР-3-01.04 Вставка |
| Разработан: | ЛенжилНИИпроект |
| Утверждён: | ЛенжилНИИпроект |

























