Скачать Серия 03.005-7 Выпуск 2. Конструктивные решения въездов и аварийных выходов (выездов), блоков выжимных лифтов. Арматурные и закладные изделия. Рабочие чертежиДата актуализации: 01.01.2021
|
| Обозначение: | Серия 03.005-7 |
| Обозначение англ: | Series 03.005-7 |
| Статус: | не определен законодательством |
| Название рус.: | Выпуск 2. Конструктивные решения въездов и аварийных выходов (выездов), блоков выжимных лифтов. Арматурные и закладные изделия. Рабочие чертежи |
| Дата добавления в базу: | 01.09.2013 |
| Дата актуализации: | 01.01.2021 |
| Дата введения: | 20.06.1991 |
| Дата окончания срока действия: | 30.06.2003 |
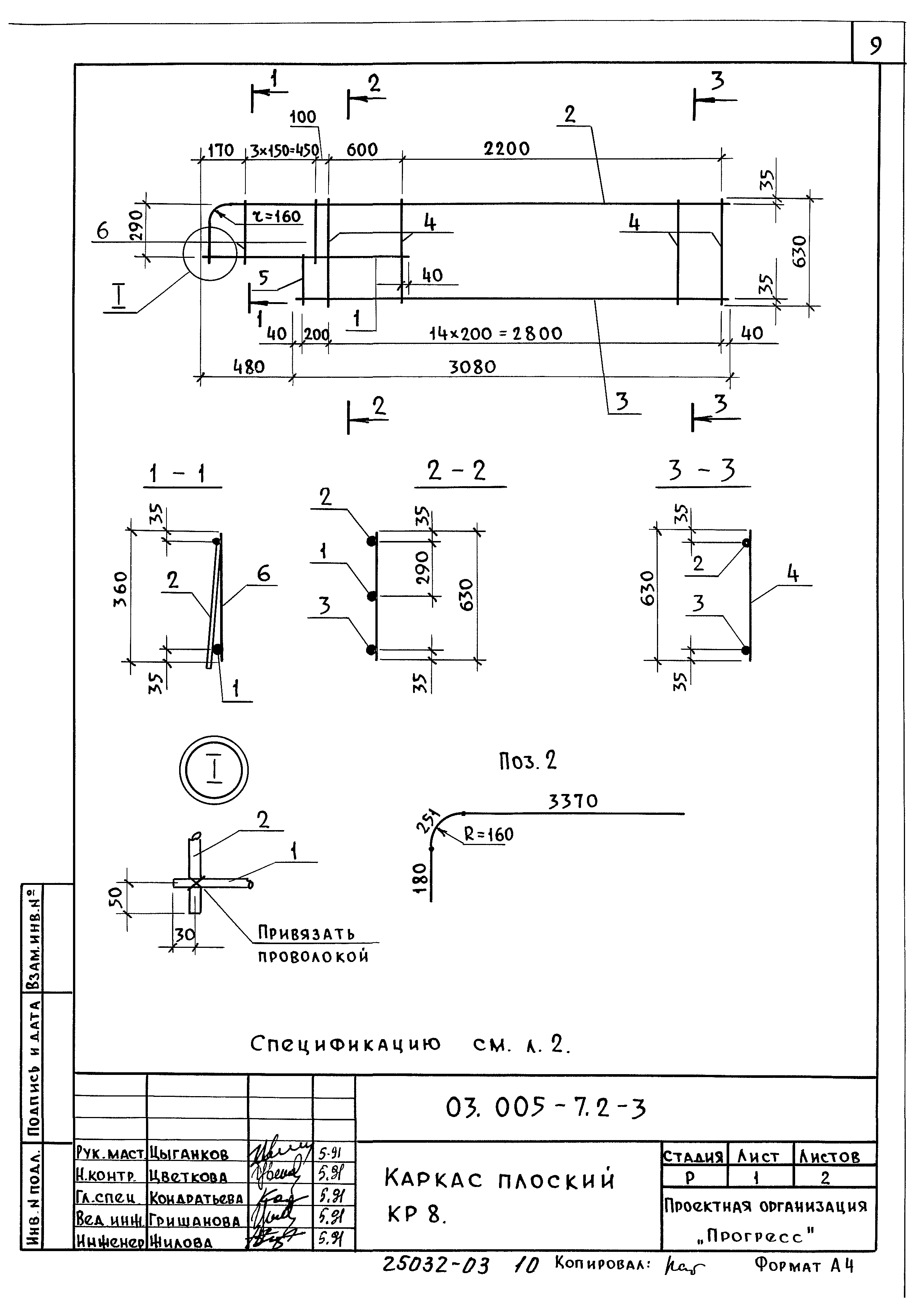
| Оглавление: | 03.005-7.2-ТТ Технические требования 03.005-7.2-1 Каркас плоский КР1…КР4, КР44, КР64, КР65, КР72, КР85, КР87 03.005-7.2-2 Каркас плоский КР5…КР7, КР23…КР25, КР29…КР31, КР35…КР37, КР43, КР73, КР77, КР86 03.005-7.2-3 Каркас плоский КР8 03.005-7.2-4 Каркас плоский КР9, КР10 03.005-7.2-5 Каркас плоский КР11 03.005-7.2-6 Каркас плоский КР12, КР13 03.005-7.2-7 Каркас плоский КР14…КР19 03.005-7.2-8 Каркас плоский КР26…КР28, КР48…КР50 03.005-7.2-9 Каркас плоский КР54…КР68 03.005-7.2-10 Каркас плоский КР38 03.005-7.2-11 Каркас плоский КР40, КР42 03.005-7.2-12 Каркас плоский КР41, КР45…КР47, КР83 03.005-7.2-13 Каркас плоский КР20…КР22 03.005-7.2-14 Каркас плоский КР39, КР69…КР71, КР78…КР80, КР84 03.005-7.2-15 Каркас плоский КР32…КР34, КР51…КР53, КР74, КР75, КР81, КР82, КР88…КР96 03.005-7.2-16 Закладная деталь ЗД-1 03.005-7.2-17 Закладная деталь ЗД-2, ЗД-3 |
| Разработан: | ПКО Прогресс Агропромстроя РСФСР |
| Утверждён: | 12.03.1991 Управление НГО СССР (48) |






































