Скачать Серия 03.005-9 Выпуск 0. Материалы для проектированияДата актуализации: 01.01.2021
|
| Обозначение: | Серия 03.005-9 |
| Обозначение англ: | Series 03.005-9 |
| Статус: | не определен законодательством |
| Название рус.: | Выпуск 0. Материалы для проектирования |
| Дата добавления в базу: | 01.02.2020 |
| Дата актуализации: | 01.01.2021 |
| Дата введения: | 01.05.1988 |
| Дата окончания срока действия: | 30.06.2003 |
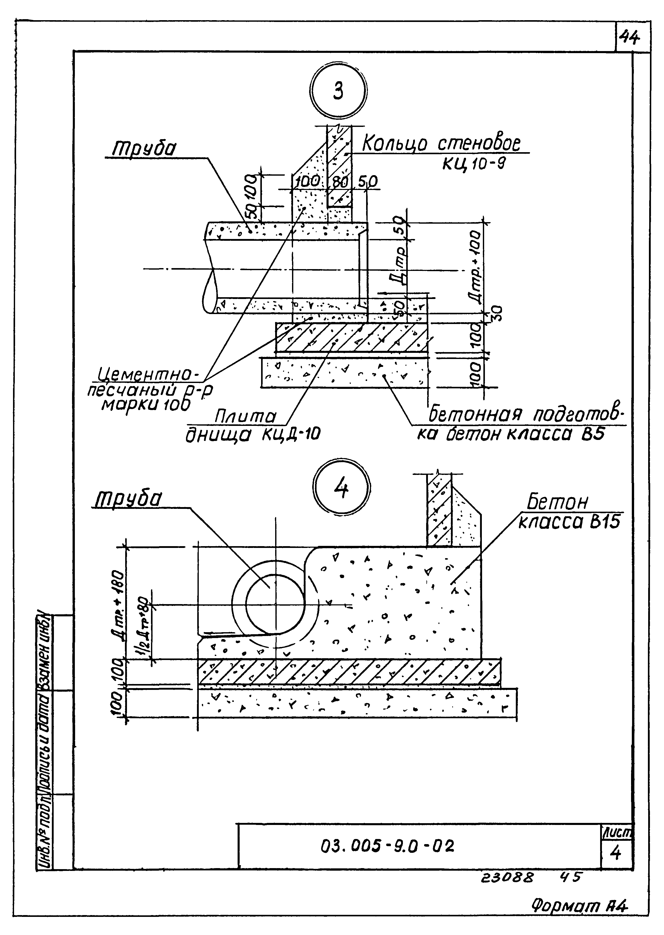
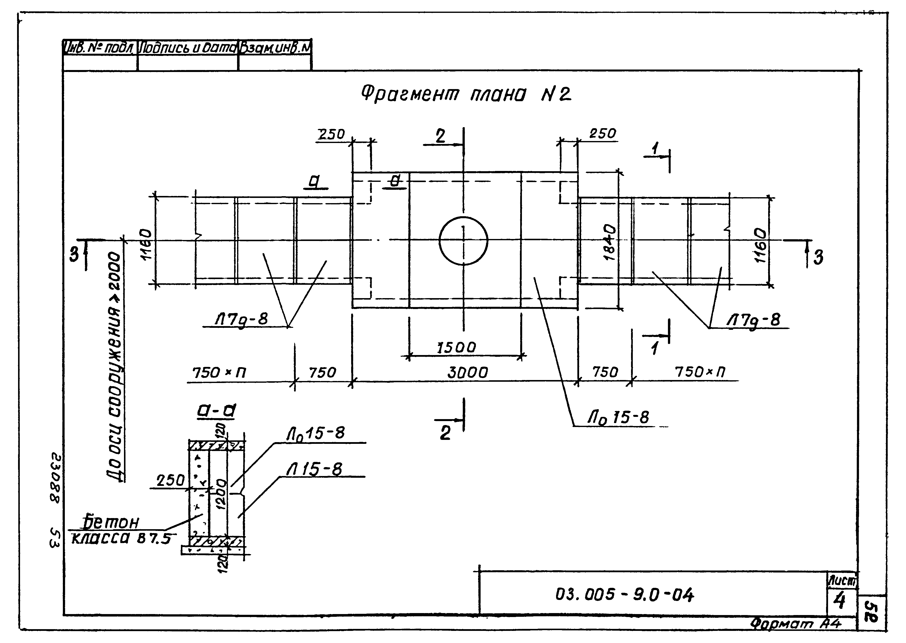
| Область применения: | В выпуске приведены рекомендации по выбору типа дренажа в зависимости от характера защищаемого объекта и гидрогеологических условий |
| Разработан: | В/ч 20495 |
| Утверждён: | 12.01.1988 Штаб ГО СССР |
| Нормативные ссылки: |


































































