Скачать Серия ТДК-Н-1-70 Часть II Раздел II. Альбом 2. Аварийные выходы, воздухозаборные, воздуховыбросные и газовыхлопные устройства. Рабочие чертежи конструкцийДата актуализации: 01.01.2021
|
| Обозначение: | Серия ТДК-Н-1-70 Часть II |
| Обозначение англ: | Series ТДК-Н-1-70 Часть II |
| Статус: | не определен законодательством |
| Название рус.: | Раздел II. Альбом 2. Аварийные выходы, воздухозаборные, воздуховыбросные и газовыхлопные устройства. Рабочие чертежи конструкций |
| Дата добавления в базу: | 01.09.2013 |
| Дата актуализации: | 01.01.2021 |
| Дата введения: | 07.12.1971 |
| Дата окончания срока действия: | 30.06.2003 |
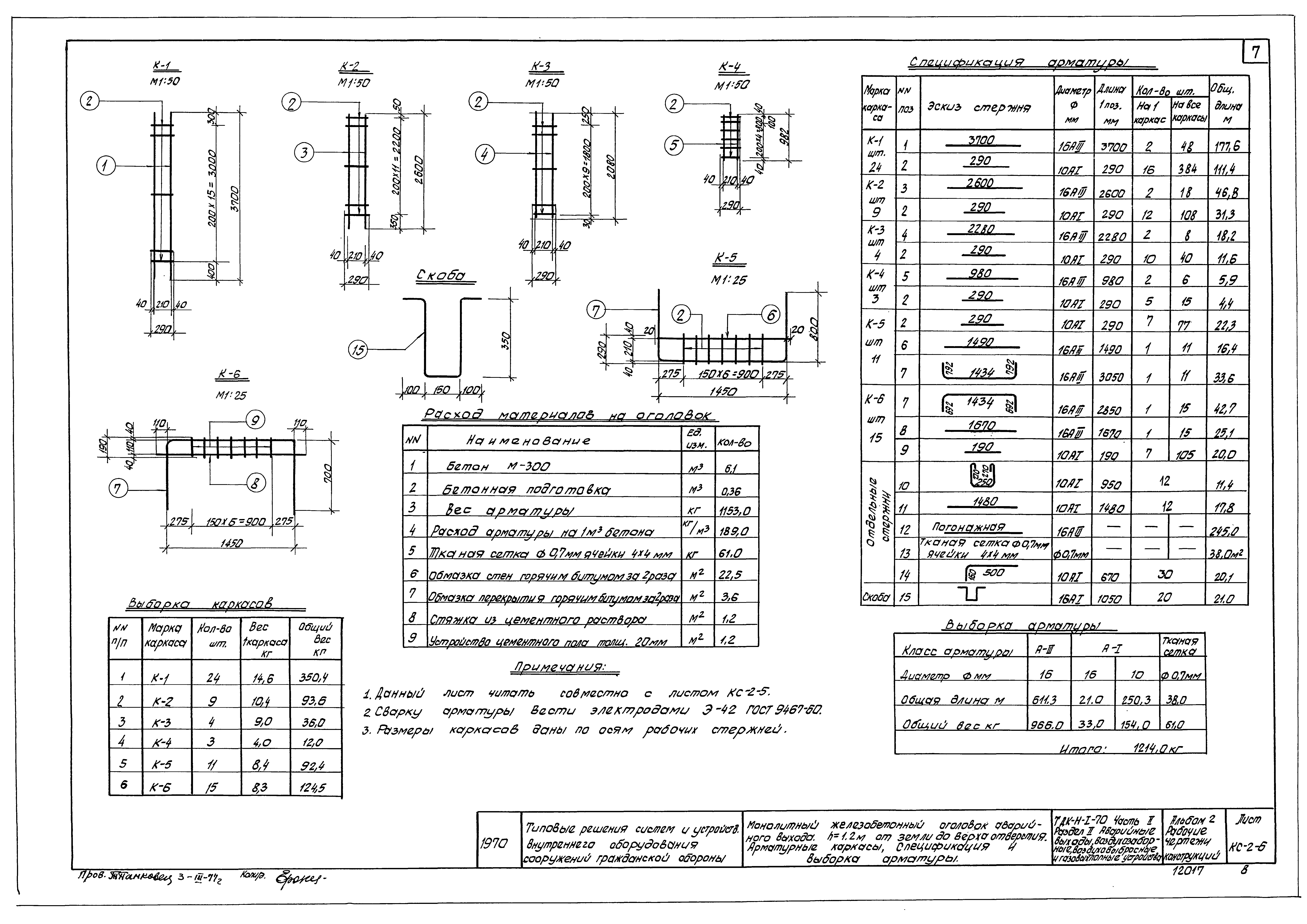
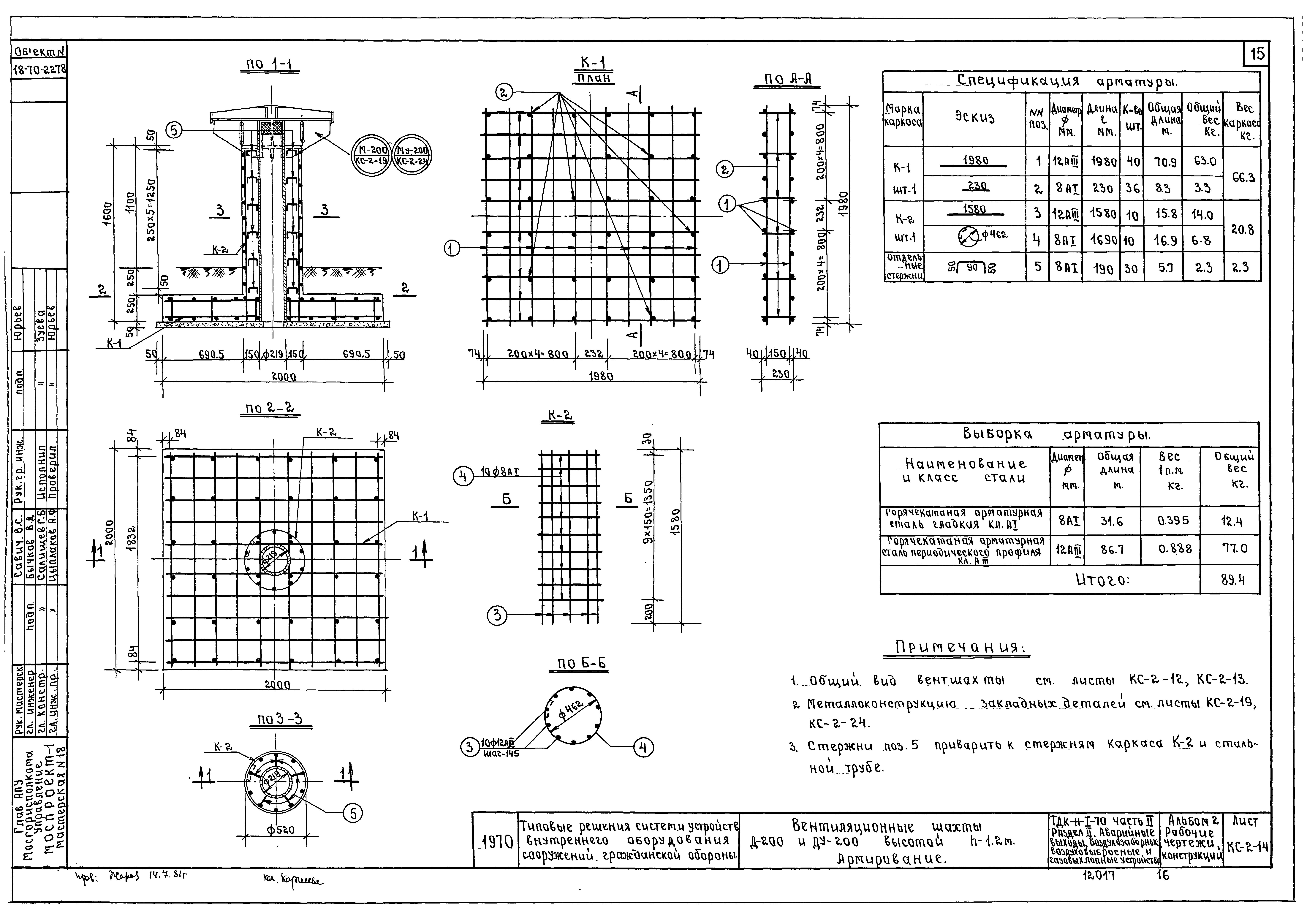
| Оглавление: | Содержание альбома Заглавный лист Монолитная железобетонная галерея аварийного выхода размером 0,9х1,3 (h) м. Опалубка и армирование. Спецификация и выборка арматуры Монолитная железобетонная галерея аварийного выхода размером 1,2х2,0 (h) м. Опалубка и армирование. Спецификация и выборка арматуры Монолитный железобетонный оголовок аварийного выхода h = 12 м от земли до верха отверстия. Армирование, планы и сечения Монолитный железобетонный оголовок аварийного выхода h = 1,2 м от земли до верха отверстия. Арматурные каркасы. Спецификация и выборка арматуры Монолитный железобетонный оголовок аварийного выхода h = 2,2 м от земли до верха отверстия. Армирование, планы и сечения Монолитный железобетонный оголовок аварийного выхода h = 2,2 м от земли до верха отверстия. Арматурные каркасы. Спецификация и выборка арматуры Монолитный железобетонный лестничный аварийный выход с легко сносимой надземной конструкцией. Арматурные сечения Монолитный железобетонный лестничный аварийный выход с легко сносимой надземной конструкцией. Арматурные каркасы. Спецификация и выборка арматуры Жалюзийная решетка ЖР-1. Общий вид. Детали и спецификация Вентиляционные шахты Д-200, Д-300, Д-450, Д-600, Д-800 высотой h = 1,2 м. Общий вид. Таблица размеров Вентиляционные шахты Д-200 и Ду-200 высотой h = 1,2 м. Армирование Вентиляционные шахты Д-300 и Ду-300 высотой h = 1,2 м. Армирование Вентиляционные шахты Д-450 и Ду-450 высотой h = 1,2 м. Армирование Вентиляционные шахты Д-600 и Ду-600 высотой h = 1,2 м. Армирование Вентиляционные шахты Д-800 и Ду-800 высотой h = 1,2 м. Армирование Закладная деталь М-200 для вентшахты Д-200 высотой h = 1,2 м Закладная деталь М-300 для вентшахты Д-300 высотой h = 1,2 м Закладная деталь М-450 для вентшахты Д-450 высотой h = 1,2 м Закладная деталь М-600 для вентшахты Д-600 высотой h = 1,2 м Закладная деталь М-800 для вентшахты Д-800 высотой h = 1,2 м Закладная деталь Му-200 для вентшахты Ду-200 высотой h = 1,2 м Закладная деталь Му-300 для вентшахты Ду-300 высотой h = 1,2 м Закладная деталь Му-450 для вентшахты Ду-450 высотой h = 1,2 м Закладная деталь Му-500 для вентшахты Ду-600 высотой h = 1,2 м Закладная деталь Му-800 для вентшахты Ду-800 высотой h = 1,2 м |
| Разработан: | Моспроект-1 |
| Утверждён: | 07.12.1971 Моспроект-1 (274-Р) |





























