Скачать Серия 320-КР-2 Выпуск 1. Архитектурные и конструкторские чертежиДата актуализации: 01.01.2021
|
| Обозначение: | Серия 320-КР-2 |
| Обозначение англ: | Series 320-КР-2 |
| Статус: | действует |
| Название рус.: | Выпуск 1. Архитектурные и конструкторские чертежи |
| Дата добавления в базу: | 01.09.2013 |
| Дата актуализации: | 01.01.2021 |
| Дата введения: | 01.01.1984 |
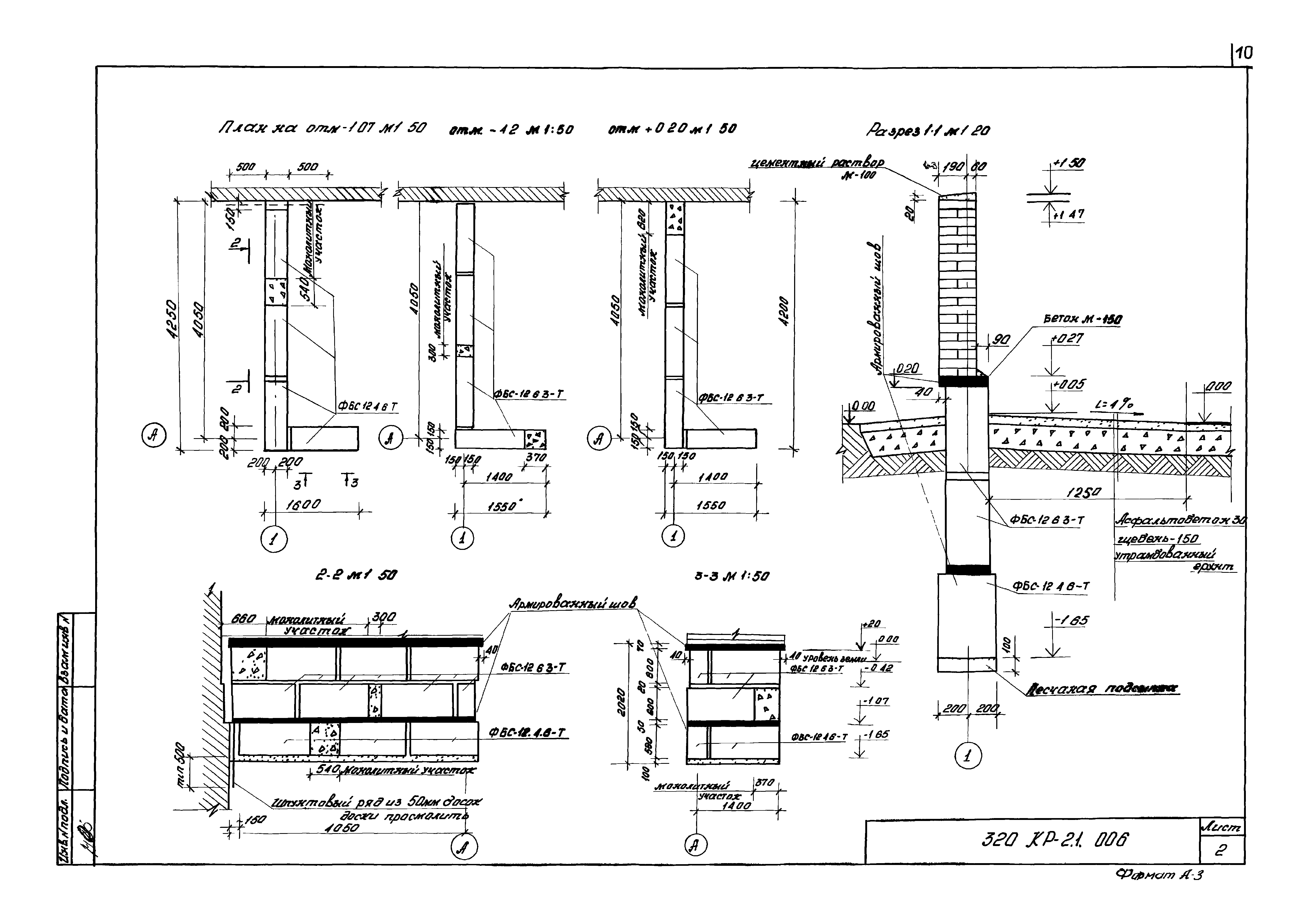
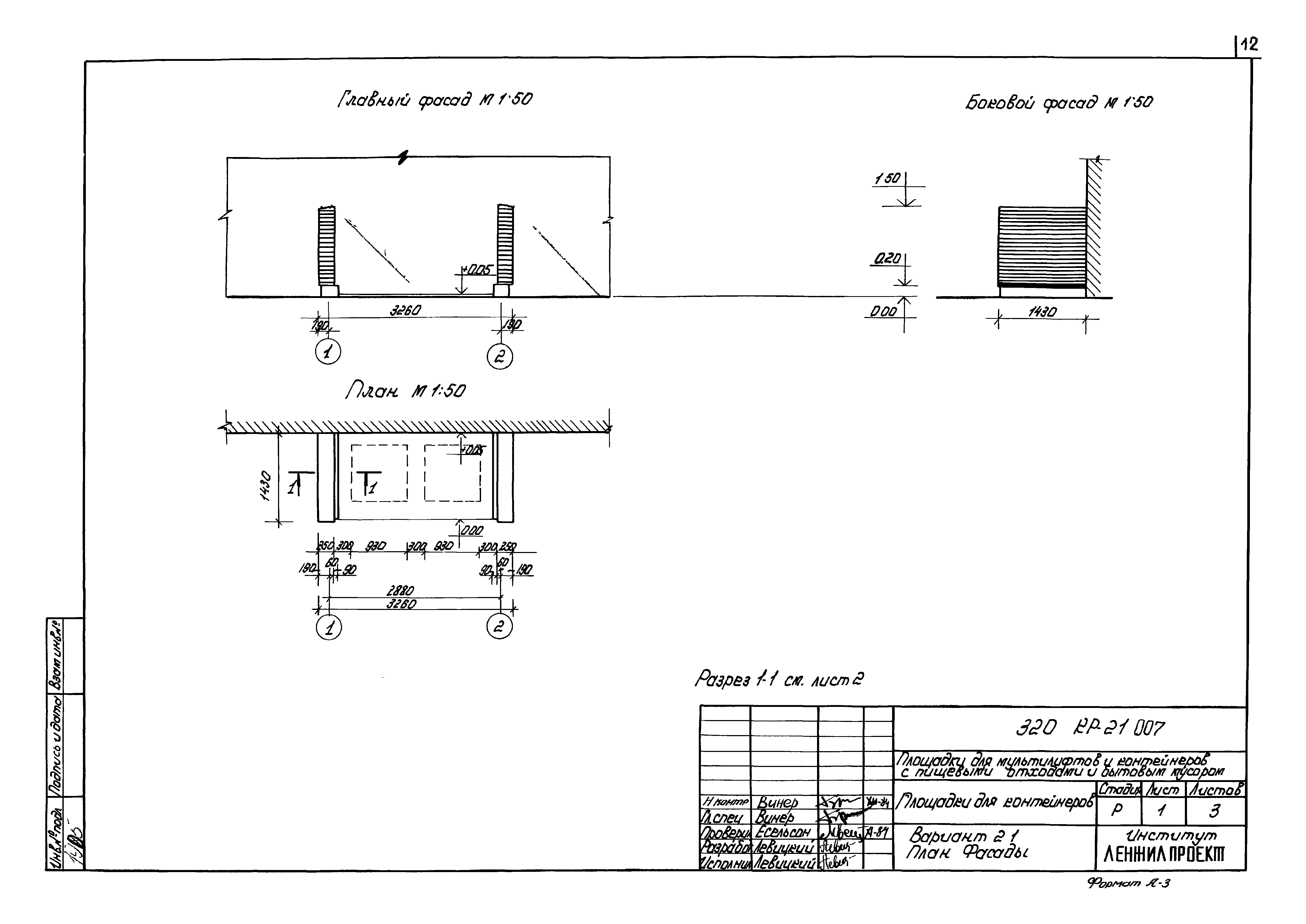
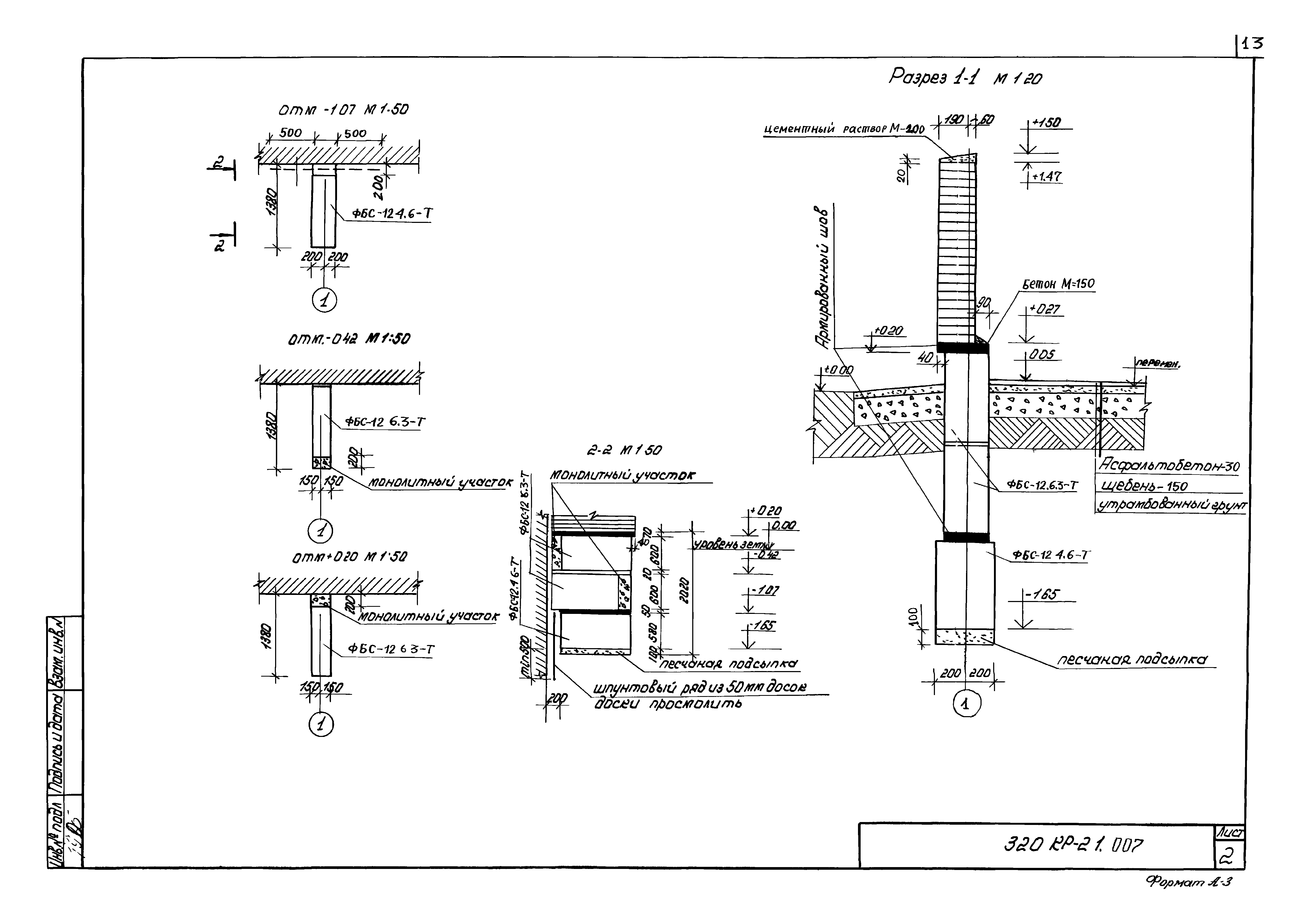
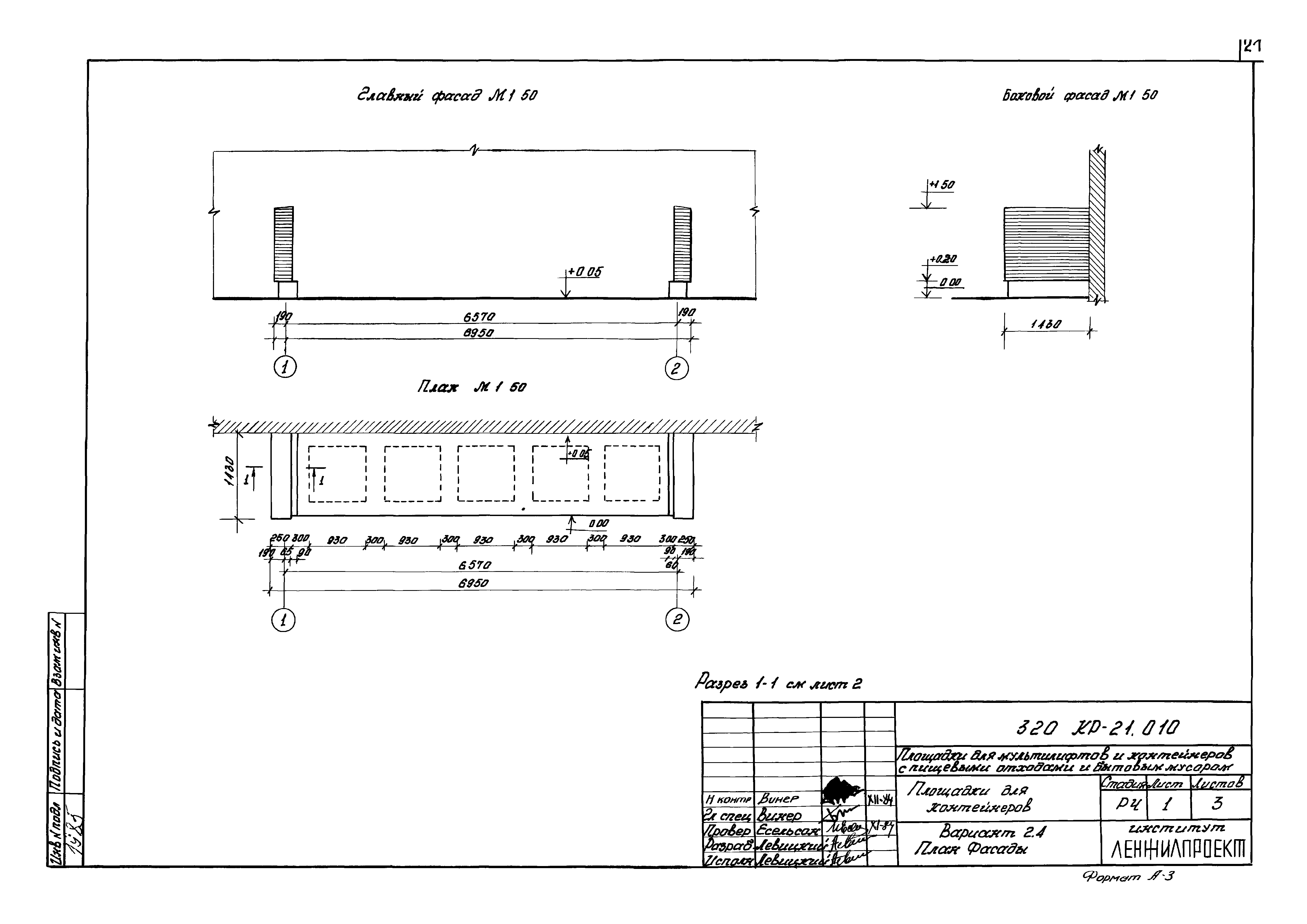
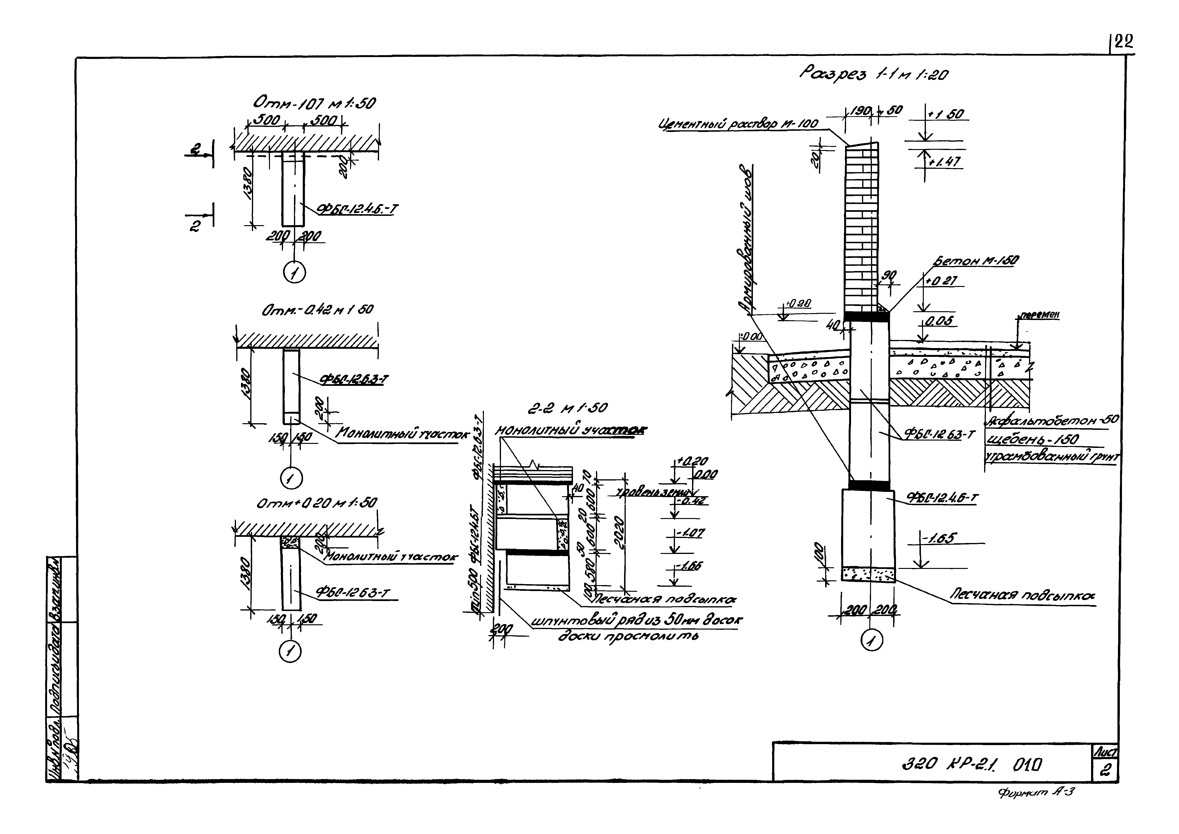
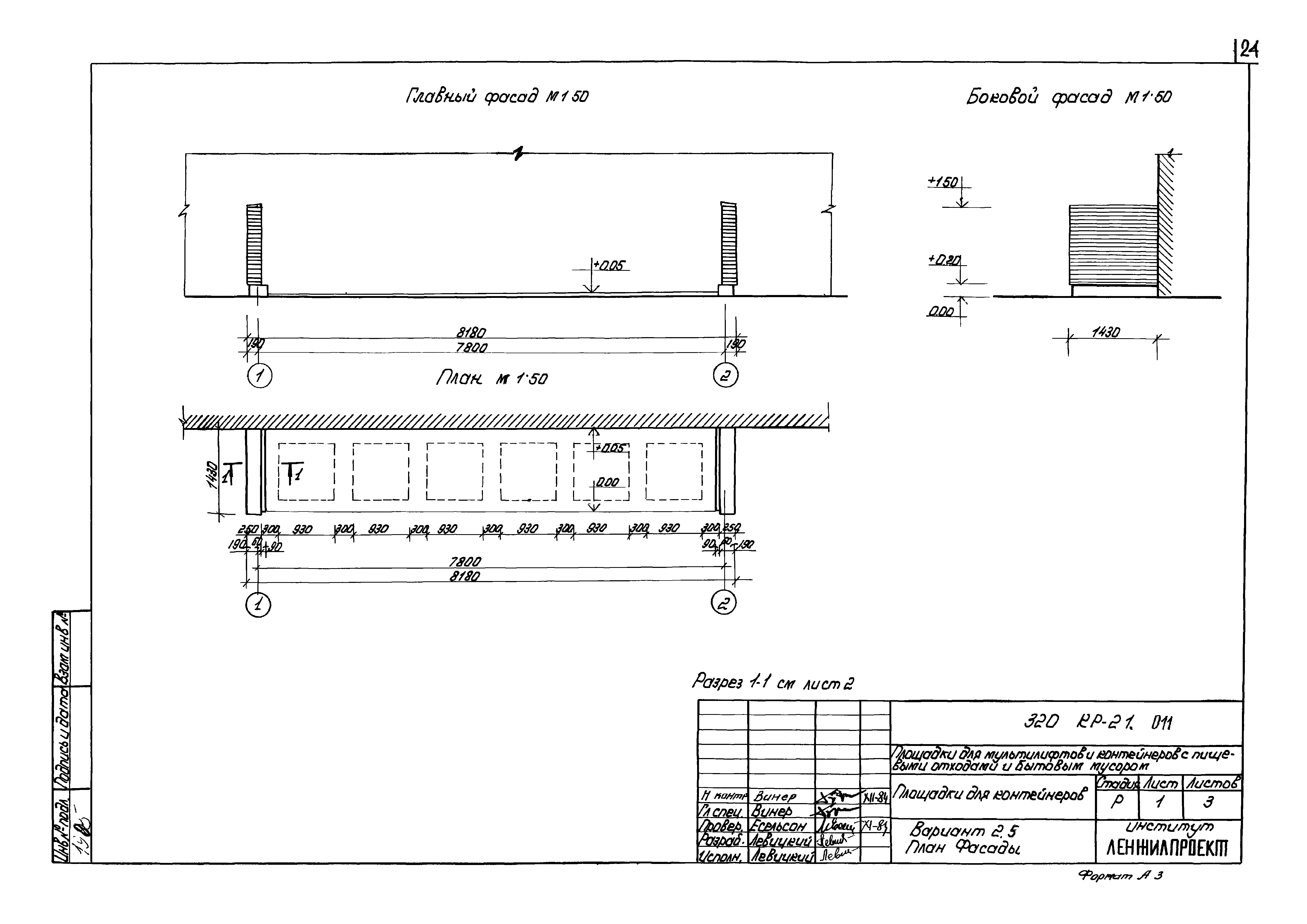
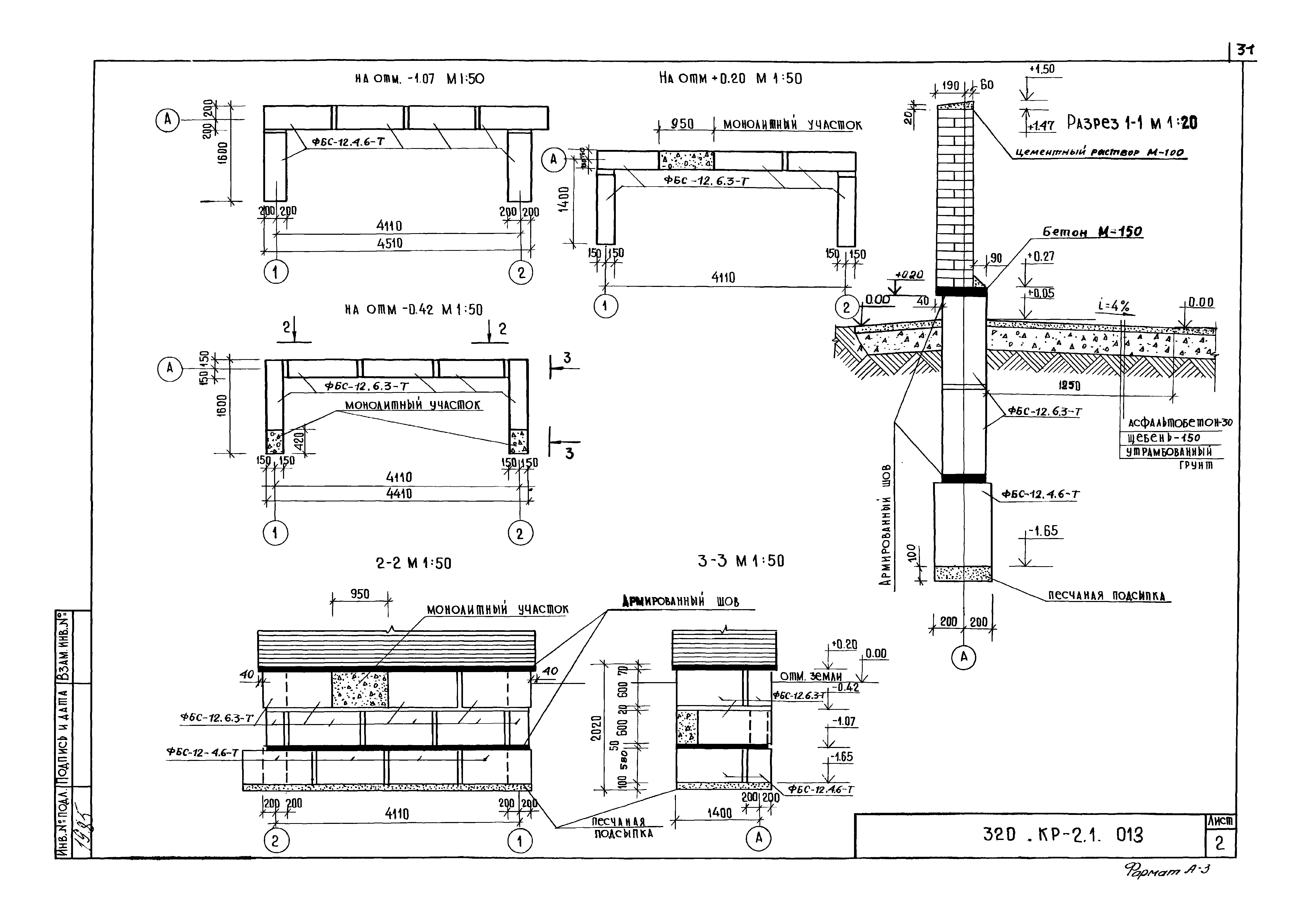
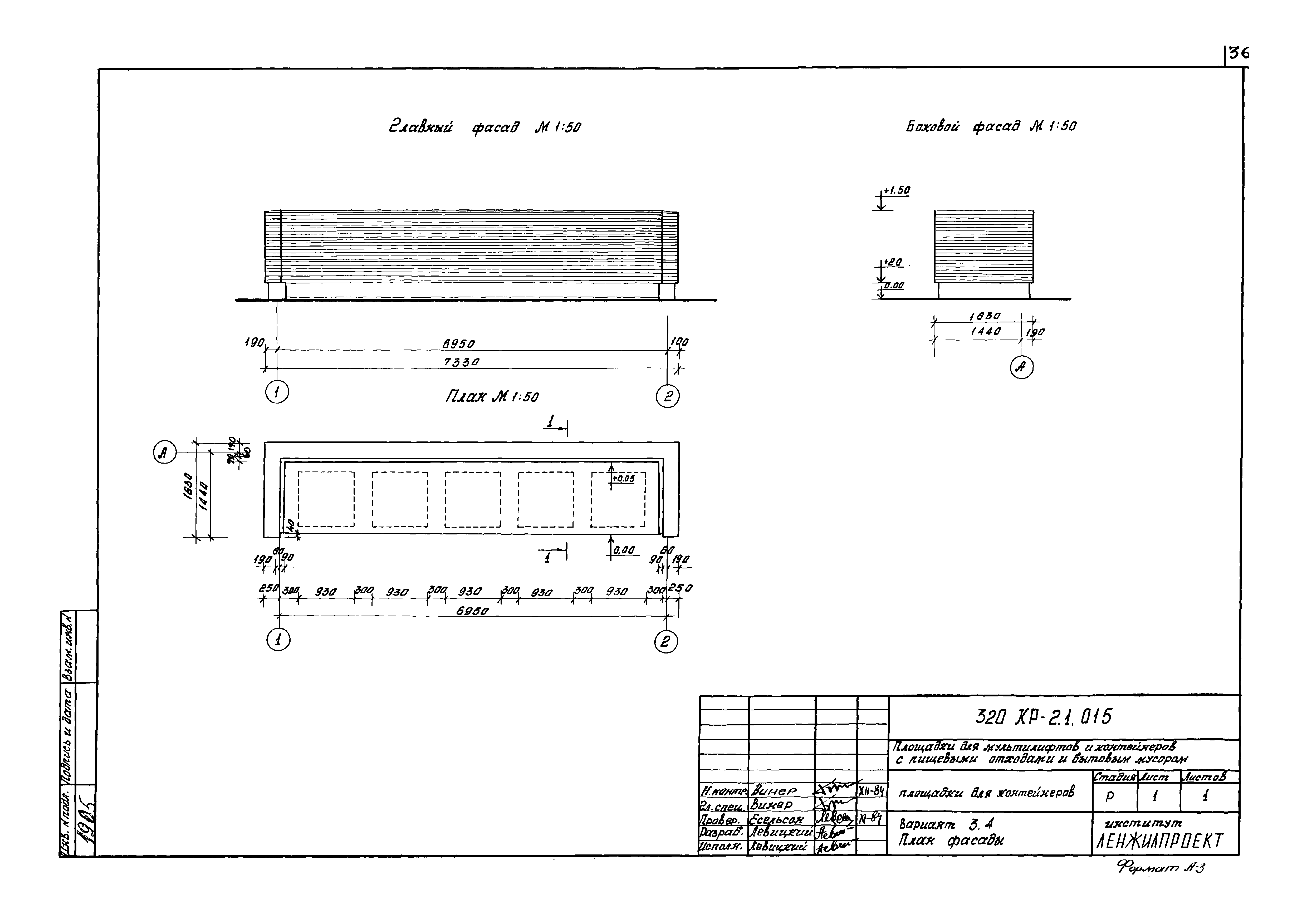
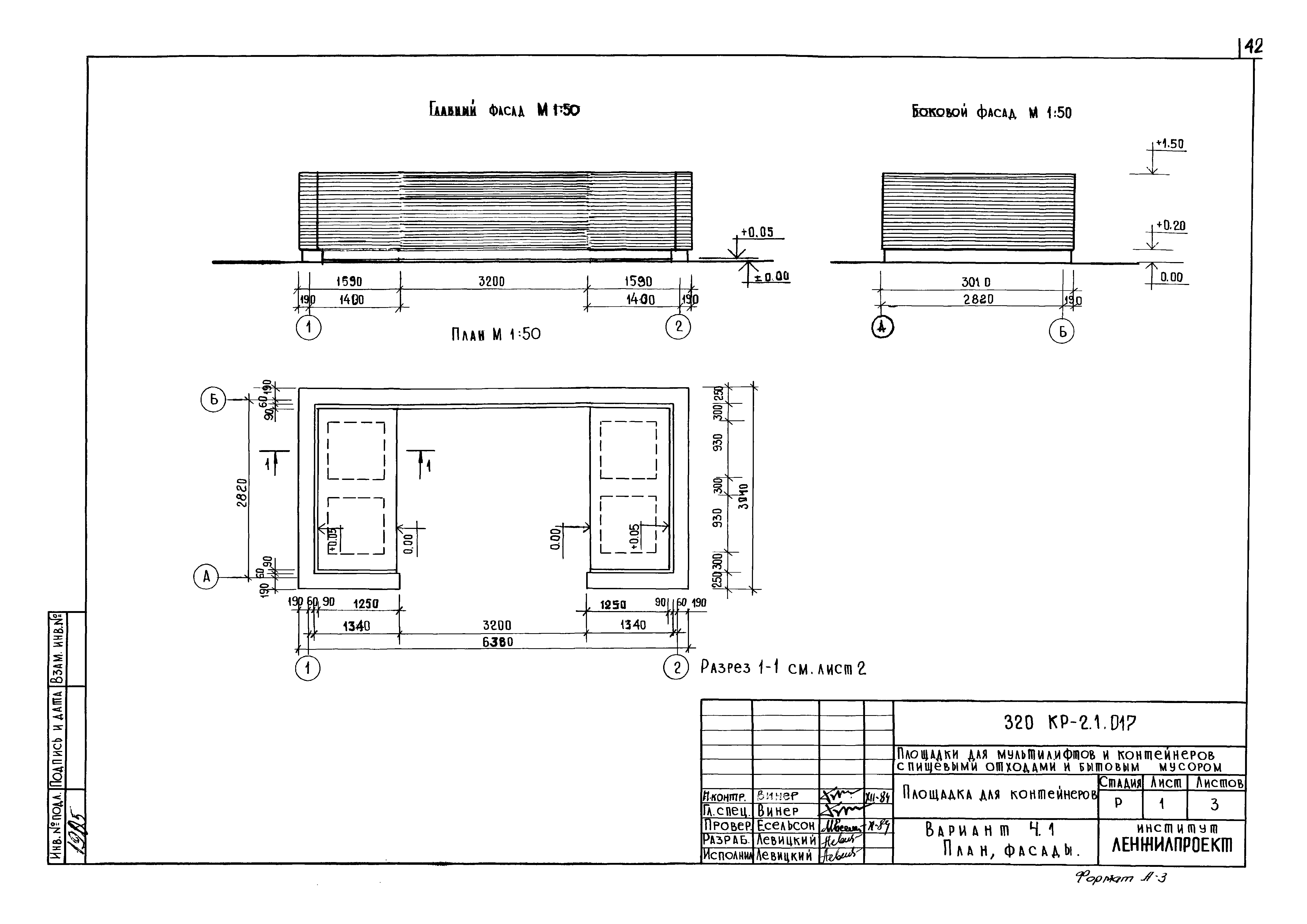
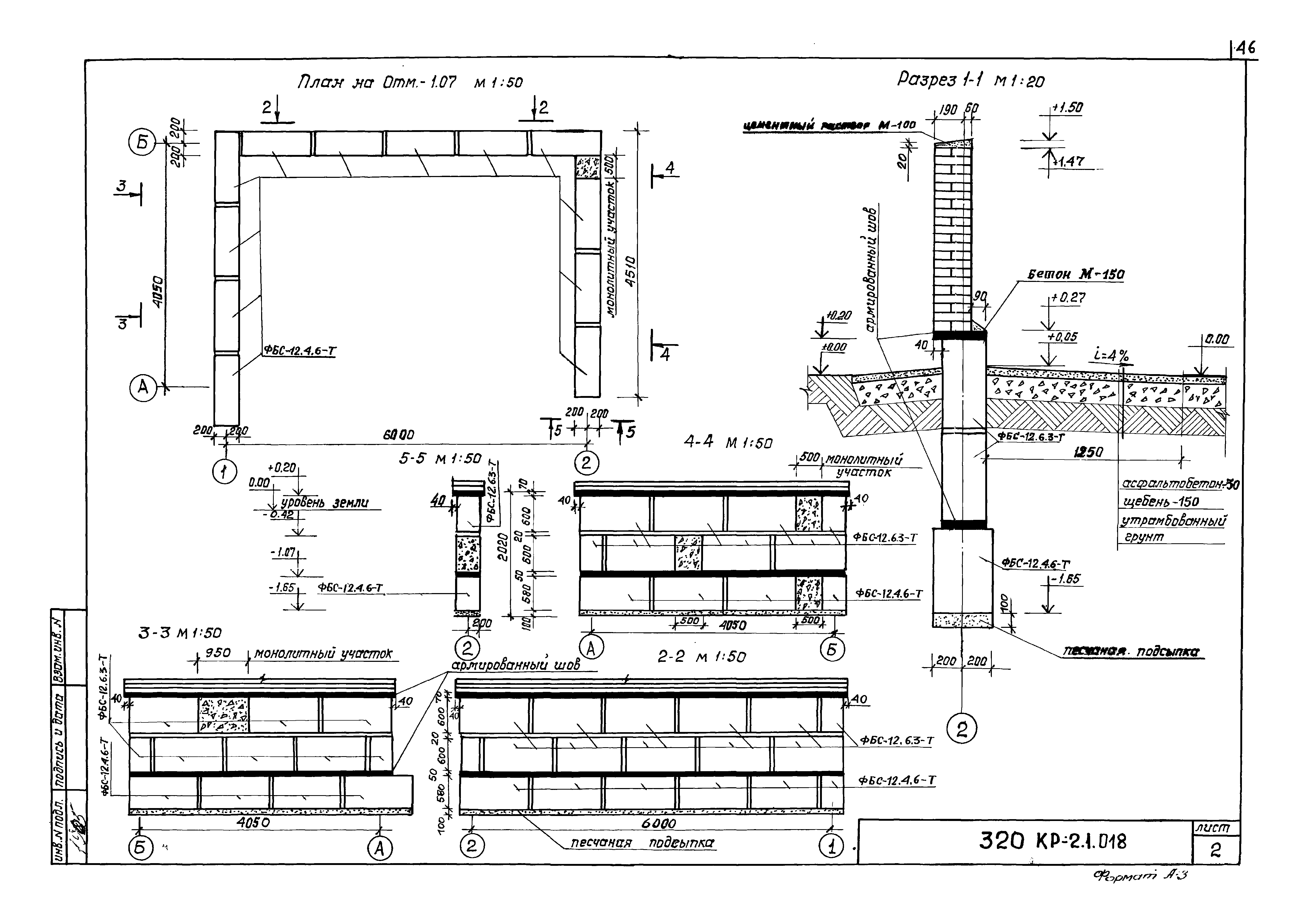
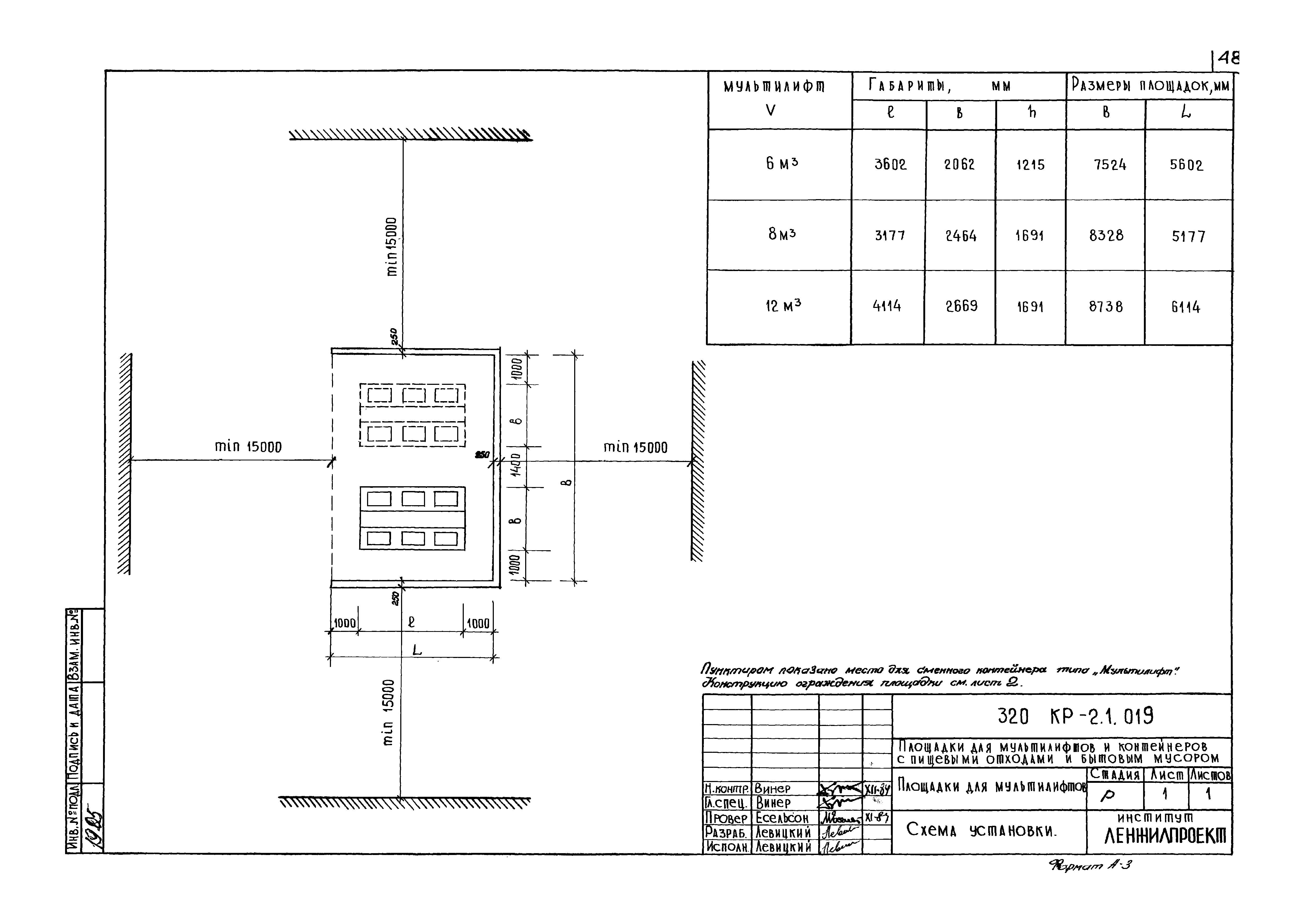
| Оглавление: | 320-КР-2.1.000 Содержание 320-КР-2.1.001 Пояснительная записка 320-КР-2.1.002 Расчет количества контейнеров для бытового мусора 320-КР-2.1.003 Таблица. Варианты площадок 320-КР-2.1.004 Таблица. Варианты компоновки площадок 320-КР-2.1.005 Лист 1 Площадка для контейнеров. Вариант 1.1 320-КР-2.1.005 Лист 2 Площадка для контейнеров. Вариант 1.1. Детали устройства фундаментов. Разрез 1-1 320-КР-2.1.005 Лист 3 Площадка для контейнеров. Вариант 1.1. Спецификация 320-КР-2.1.006 Лист 1 Площадка для контейнеров. Вариант 1.2 320-КР-2.1.006 Лист 2 Площадка для контейнеров. Вариант 1.2. Детали устройства фундаментов. Разрез 1-1 320-КР-2.1.006 Лист 3 Площадка для контейнеров. Вариант 1.2. Спецификация 320-КР-2.1.007 Лист 1 Площадка для контейнеров. Вариант 2.1 320-КР-2.1.007 Лист 2 Площадка для контейнеров. Вариант 2.1. Детали устройства фундаментов. Разрез 1-1 320-КР-2.1.007 Лист 3 Площадка для контейнеров. Вариант 2.1. Спецификация 320-КР-2.1.008 Лист 1 Площадка для контейнеров. Вариант 2.2 320-КР-2.1.008 Лист 2 Площадка для контейнеров. Вариант 2.2. Детали устройства фундаментов. Разрез 1-1 320-КР-2.1.008 Лист 3 Площадка для контейнеров. Вариант 2.2. Спецификация 320-КР-2.1.009 Лист 1 Площадка для контейнеров. Вариант 2.3 320-КР-2.1.009 Лист 2 Площадка для контейнеров. Вариант 2.3. Детали устройства фундаментов. Разрез 1-1 320-КР-2.1.009 Лист 3 Площадка для контейнеров. Вариант 2.3. Спецификация 320-КР-2.1.010 Лист 1 Площадка для контейнеров. Вариант 2.4 320-КР-2.1.010 Лист 2 Площадка для контейнеров. Вариант 2.4. Детали устройства фундаментов. Разрез 1-1 320-КР-2.1.010 Лист 3 Площадка для контейнеров. Вариант 2.4. Спецификация 320-КР-2.1.011 Лист 1 Площадка для контейнеров. Вариант 2.5 320-КР-2.1.011 Лист 2 Площадка для контейнеров. Вариант 2.5. Детали устройства фундаментов. Разрез 1-1 320-КР-2.1.011 Лист 3 Площадка для контейнеров. Вариант 2.5. Спецификация 320-КР-2.1.012 Лист 1 Площадка для контейнеров. Вариант 3.1 320-КР-2.1.012 Лист 2 Площадка для контейнеров. Вариант 3.1. Детали устройства фундаментов. Разрез 1-1 320-КР-2.1.012 Лист 3 Площадка для контейнеров. Вариант 3.1. Спецификация 320-КР-2.1.013 Лист 1 Площадка для контейнеров. Вариант 3.2 320-КР-2.1.013 Лист 2 Площадка для контейнеров. Вариант 3.2. Детали устройства фундаментов. Разрез 1-1 320-КР-2.1.013 Лист 3 Площадка для контейнеров. Вариант 3.2. Спецификация 320-КР-2.1.014 Лист 1 Площадка для контейнеров. Вариант 3.3 320-КР-2.1.014 Лист 2 Площадка для контейнеров. Вариант 3.3. Детали устройства фундаментов. Разрез 1-1 320-КР-2.1.014 Лист 3 Площадка для контейнеров. Вариант 3.3. Спецификация 320-КР-2.1.015 Лист 1 Площадка для контейнеров. Вариант 3.4 320-КР-2.1.015 Лист 2 Площадка для контейнеров. Вариант 3.4. Детали устройства фундаментов. Разрез 1-1 320-КР-2.1.015 Лист 3 Площадка для контейнеров. Вариант 3.4. Спецификация 320-КР-2.1.016 Лист 1 Площадка для контейнеров. Вариант 3.5 320-КР-2.1.016 Лист 2 Площадка для контейнеров. Вариант 3.5. Детали устройства фундаментов. Разрез 1-1 320-КР-2.1.016 Лист 3 Площадка для контейнеров. Вариант 3.5. Спецификация 320-КР-2.1.017 Лист 1 Площадка для контейнеров. Вариант 4.1 320-КР-2.1.017 Лист 2 Площадка для контейнеров. Вариант 4.1. Детали устройства фундаментов. Разрез 1-1 320-КР-2.1.017 Лист 3 Площадка для контейнеров. Вариант 4.1. Спецификация 320-КР-2.1.018 Лист 1 Площадка для контейнеров. Вариант 4.2 320-КР-2.1.018 Лист 2 Площадка для контейнеров. Вариант 4.2. Детали устройства фундаментов. Разрез 1-1 320-КР-2.1.018 Лист 3 Площадка для контейнеров. Вариант 4.2. Спецификация 320-КР-2.1.019 Лист 1 Площадка для мультилифтов 320-КР-2.1.019 Лист 2 Конструкция ограждения площадок для мультилифтов 320-КР-2.1.020 Лист 1 Таблица 1. Организация хранения пищевых отходов и бытового мусора |
| Разработан: | ЛенжилНИИпроект |
| Утверждён: | ЛенжилНИИпроект |


















































