Скачать Серия ОТУ 32-4717 Выпуск 1. Схемы электрические принципиальные. Установочные чертежи. Рабочие чертежиДата актуализации: 01.01.2021
|
| Обозначение: | Серия ОТУ 32-4717 |
| Обозначение англ: | Series ОТУ 32-4717 |
| Статус: | не определен законодательством |
| Название рус.: | Выпуск 1. Схемы электрические принципиальные. Установочные чертежи. Рабочие чертежи |
| Дата добавления в базу: | 01.09.2013 |
| Дата актуализации: | 01.01.2021 |
| Дата введения: | 07.05.1997 |
| Дата окончания срока действия: | 30.06.2003 |
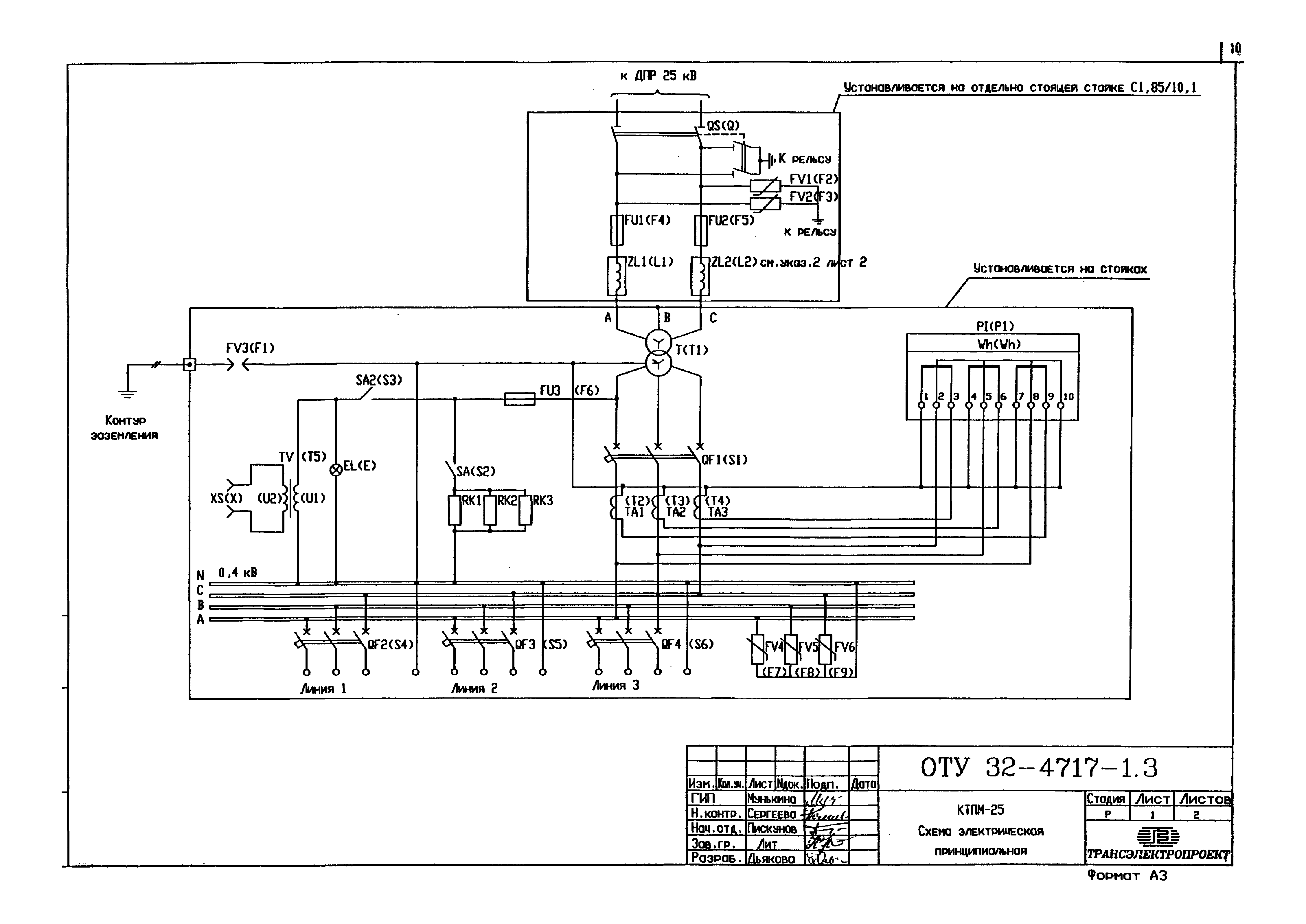
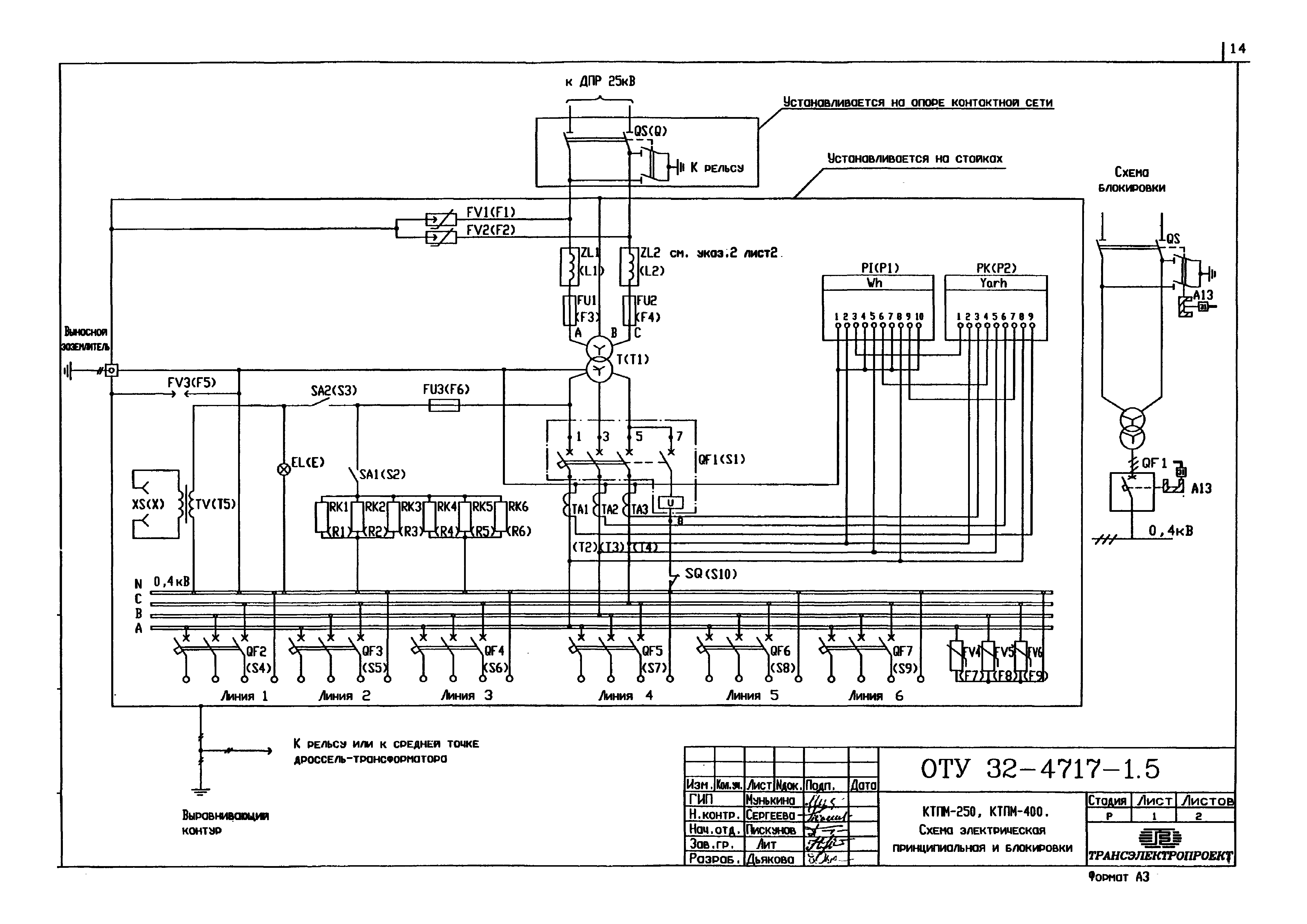
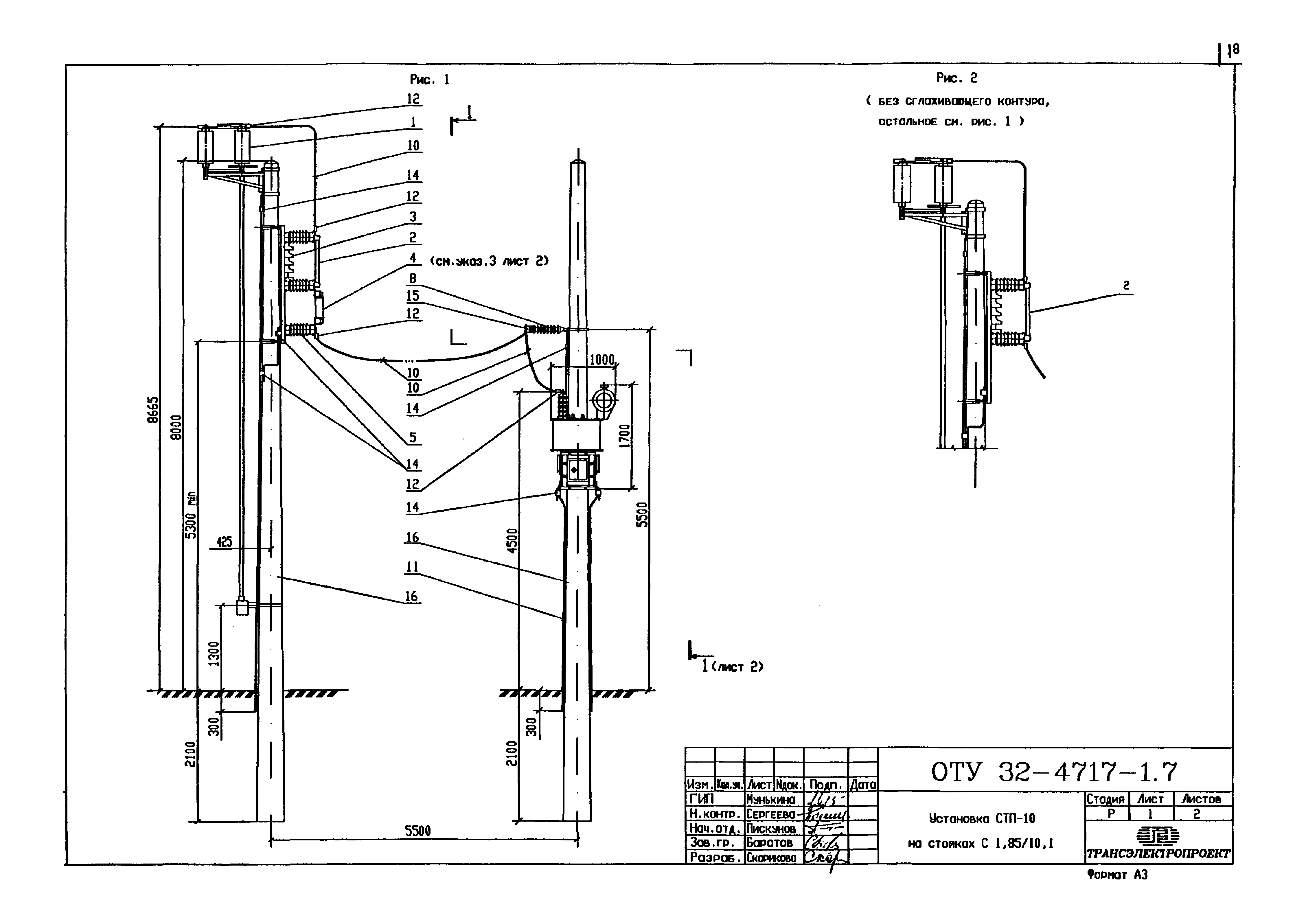
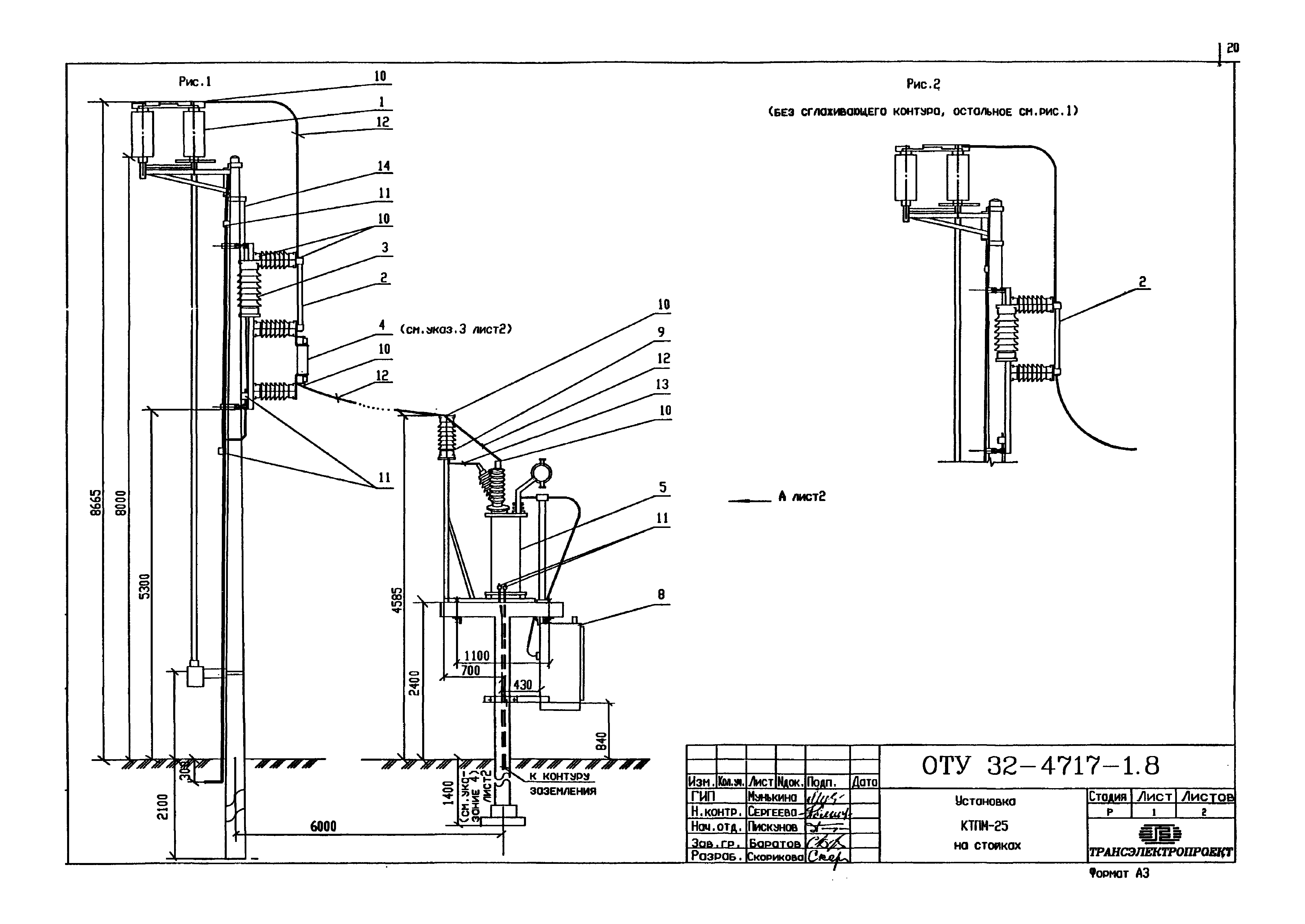
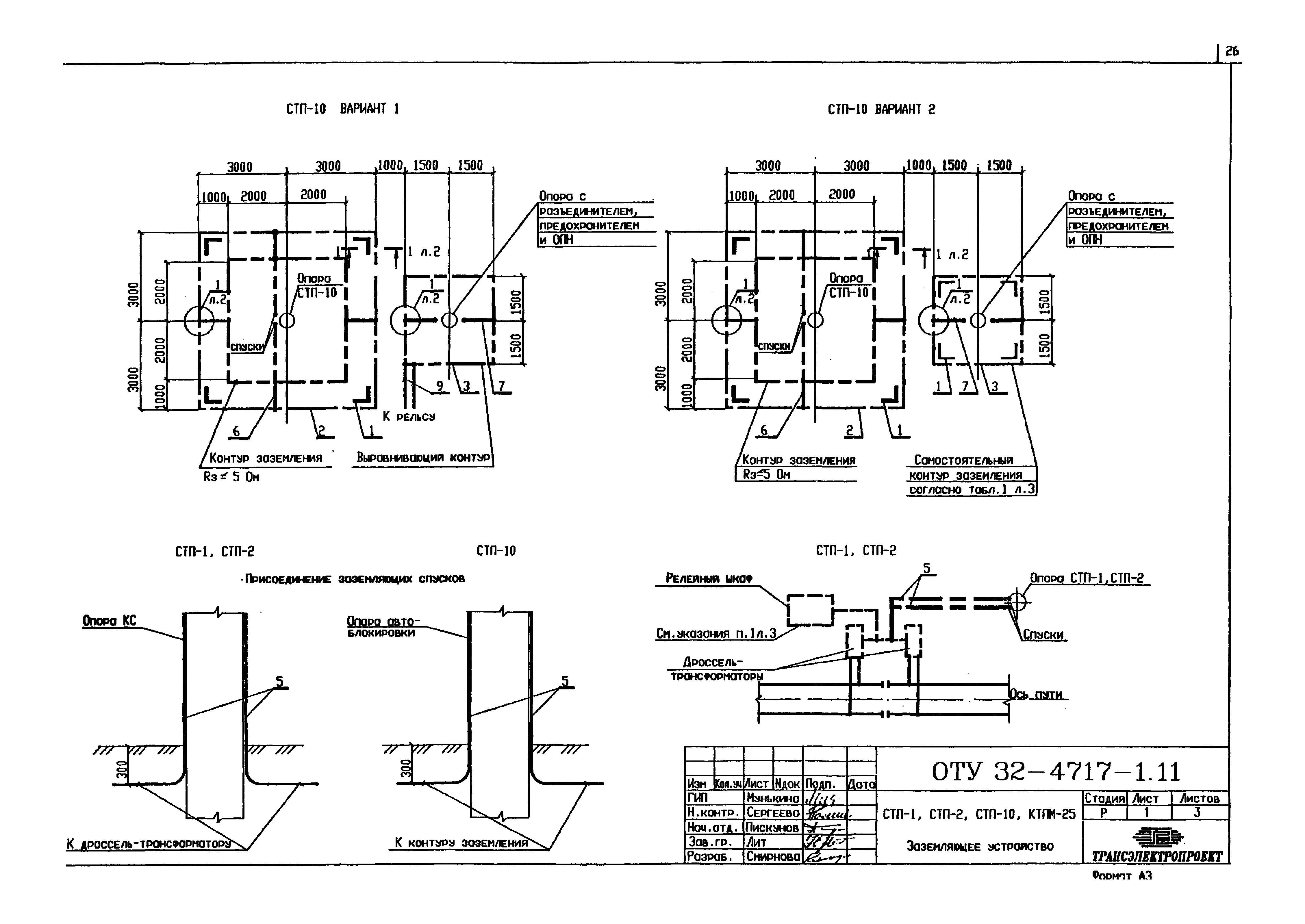
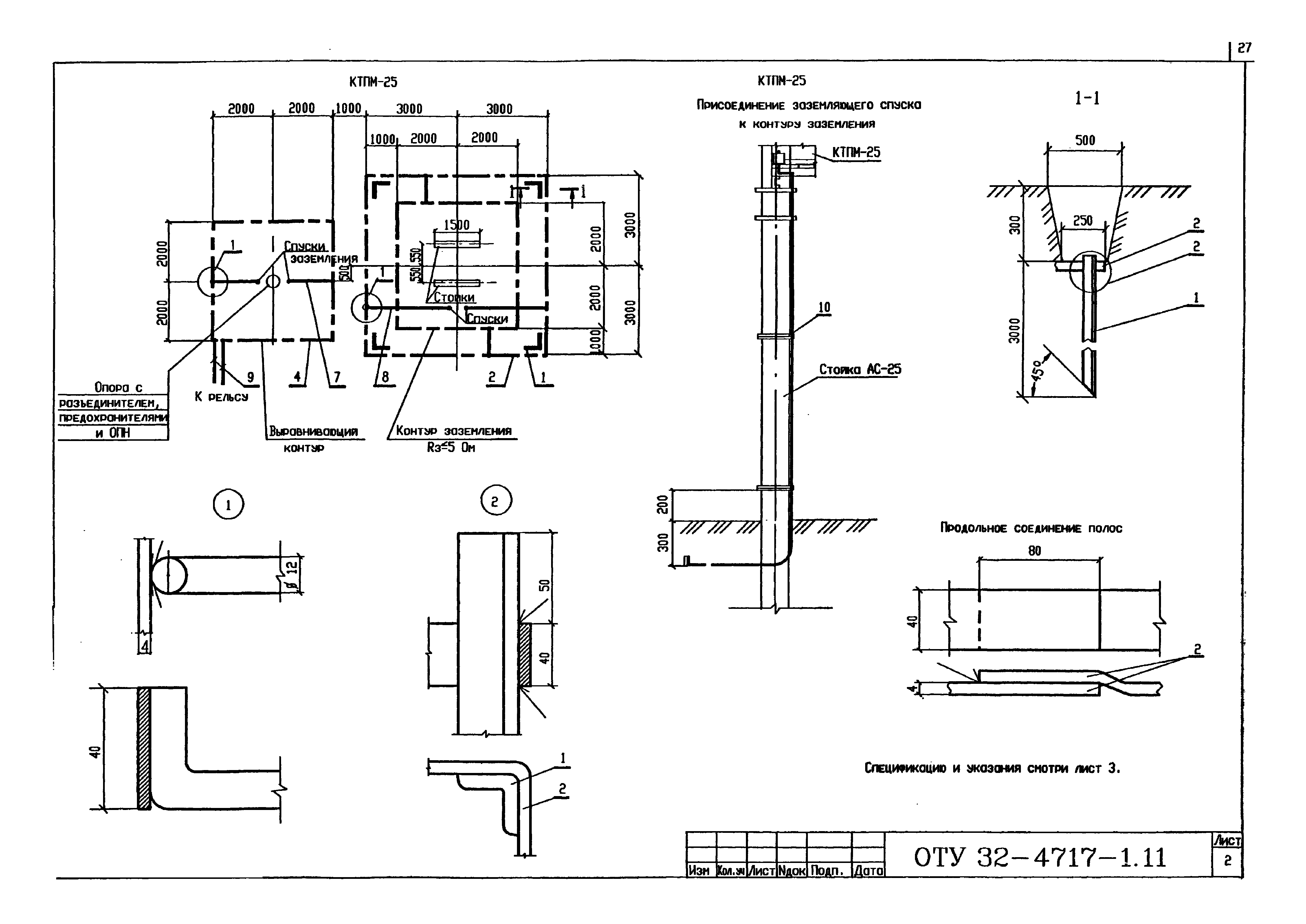
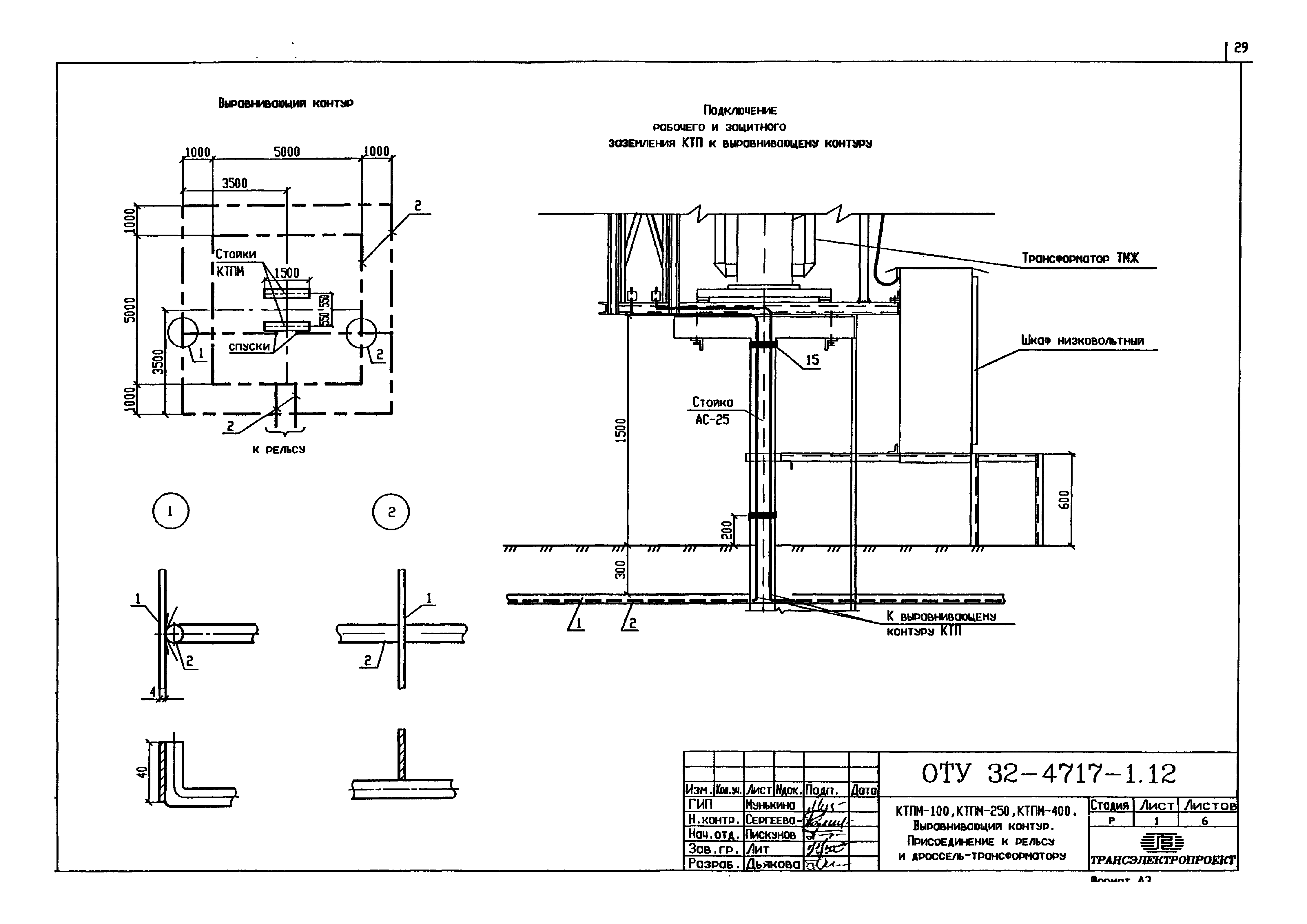
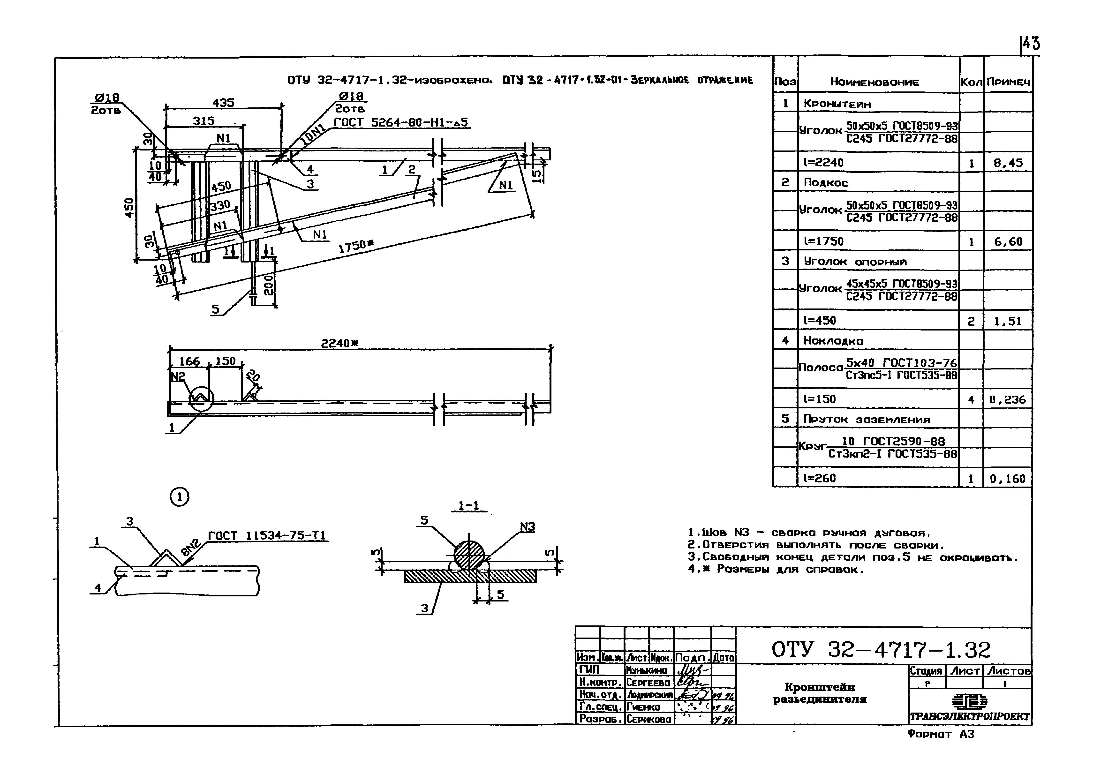
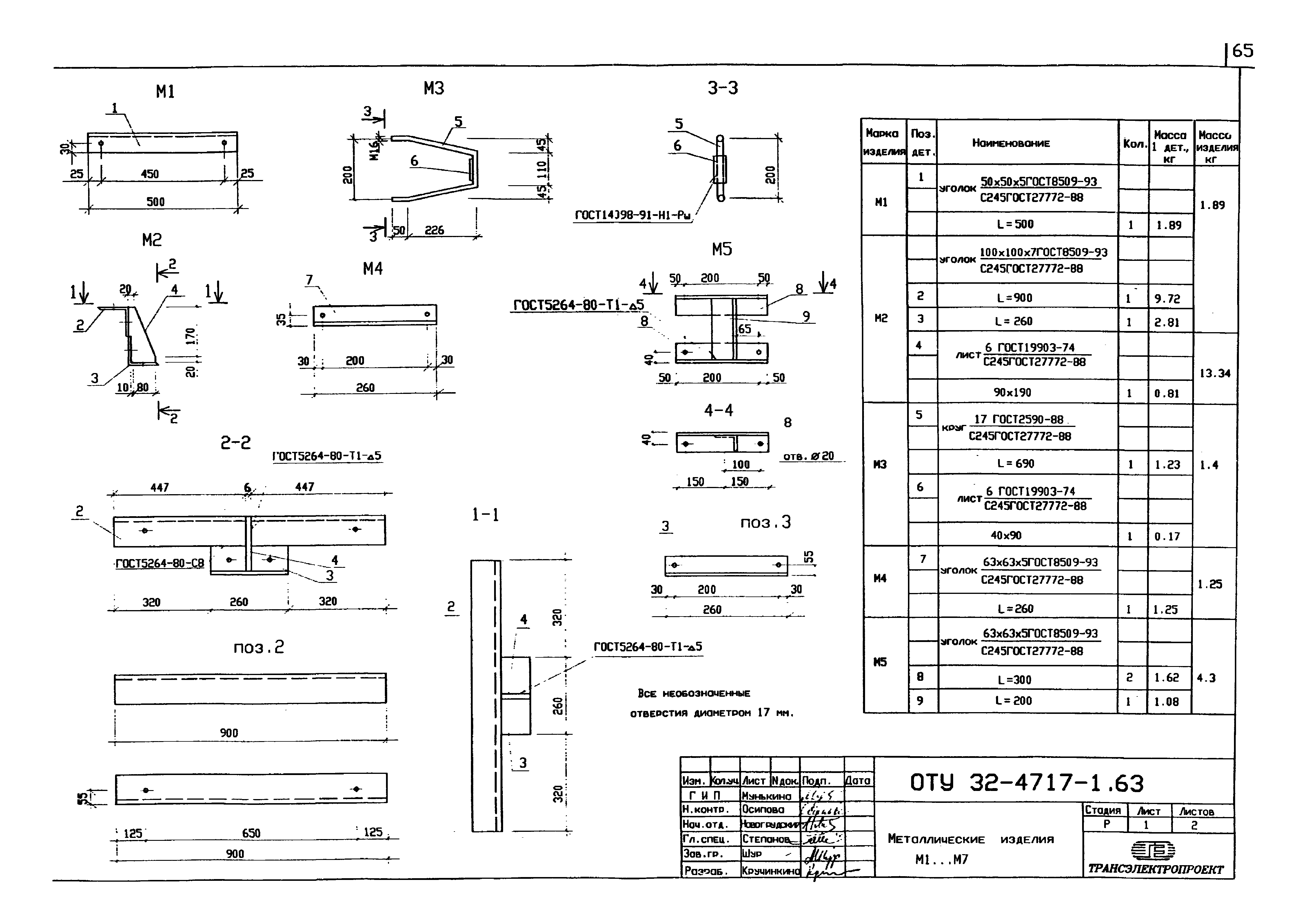
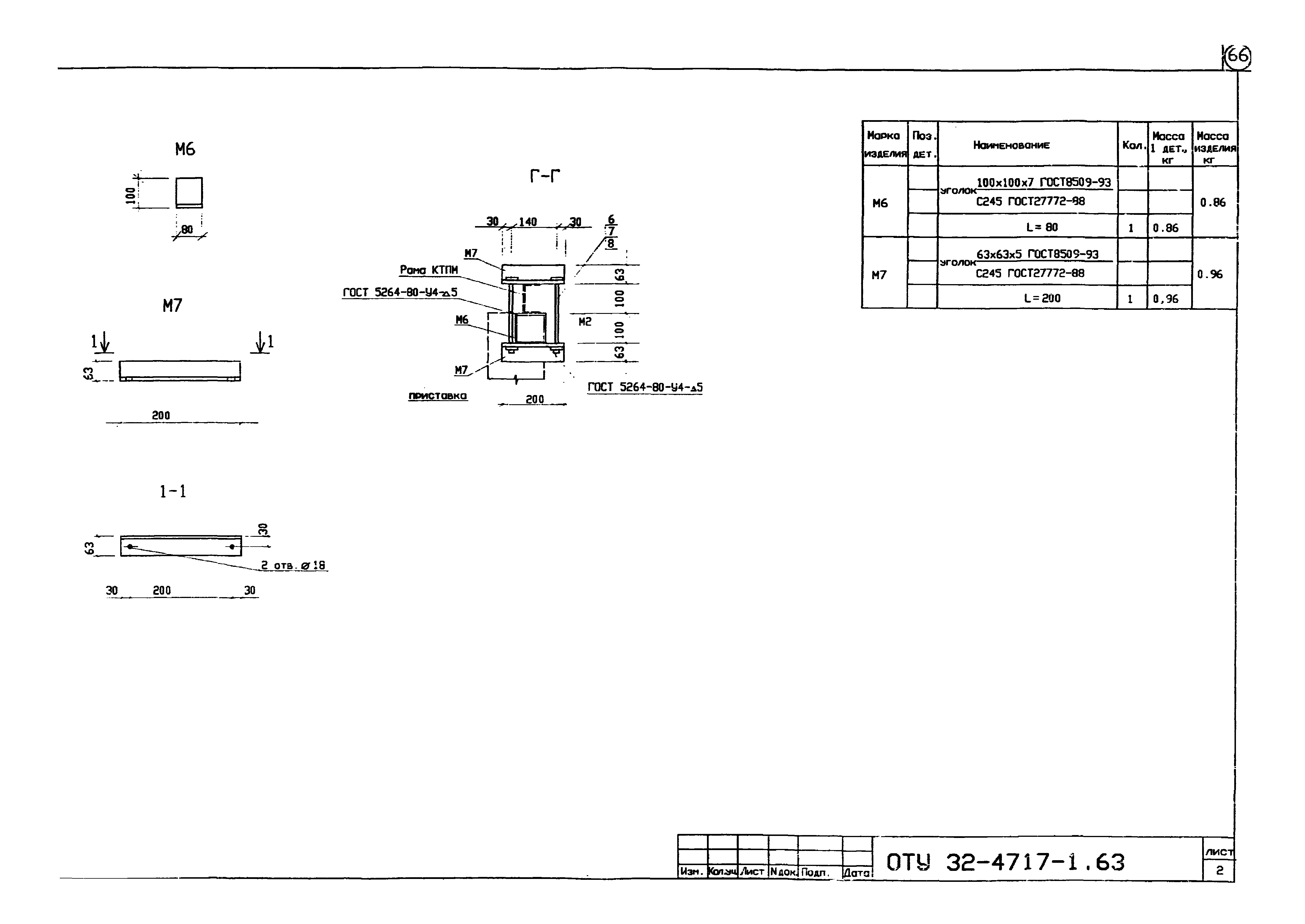
| Оглавление: | ОТУ 32-4717-1.ПЗ Пояснительной записка ОТУ 32-4717-1.1 СТП-1,СТП-2. Схема электрическая принципиальная ОТУ 32-4717-1.2 СТП-10. Схема электрическая принципиальная. ОТУ 32-4717-1.3 КТПМ-25. Схема электрической принципиальная. ОТУ 32-4717-1.4 КТПМ-100. Схема электрическая принципиальная. ОТУ 32-4717-1.5 КТПМ-250, КТПМ-400. Схема электрическая принципиальная. ОТУ 32-4717-1.6 Установка СТП-1,СТП-2 на опоре контактной сети ОТУ 32-4717-1.7 Установка СТП-10 на стойках С1,85/10,1 ОТУ 32-4717-1.8 Установка КТПМ-25 на стойках ОТУ 32-4717-1.9 Установка КТПМ-100 на стойках ОТУ 32-4717-1.10 Установка КТПМ-250, КТПМ-400. на стойках ОТУ 32-4717-1.11 СТП-1,СТП-2, СТП-10, КТПМ-25. Заземляющее устройство ОТУ 32-4717-1.12 КТПМ-100, КТПМ-250, КТПМ-400. Выравнивающий контур. Присоединение к рельсу и дроссель-трансформатору ОТУ 32-4717-1.13 Заземляющее устройство нейтрали трансформатора ОТУ 32-4717-1.14 СТП-1,СТП-2,СТП-10. Низковольтные кабельные выводы ОТУ 32-4717-1.15 КТПМ-25. Низковольтные кабельные выводы. ОТУ 32-4717-1.16 КТПМ-100, КТПМ- 250, КТПМ- 400. Низковольтные кабельные выводы . ОТУ 32-4717-1.17 Установка кронштейна тип И-1, И-2 с изолятором ОТУ 32-4717-1.18 Кронштейн тип И-1, И-2 ОТУ 32-4717-1.30 Установка разъединителя с ручным приводом на железобетонной опоре (с заземляющим ножом). ОТУ 32-4717-1.31 Установка двухполюсного разъединителя. ОТУ 32-4717-1.32 Кронштейн разъединителя. ОТУ 32-4717-1.33 Кронштейн привода. ОТУ 32-4717-1.34 Кронштейн ручного привода. ОТУ 32-4717-1.35 Балка. ОТУ 32-4717-1.36 Муфта соединительная разъединителя . ОТУ 32-4717-1.37 Вал тип B-I, В-II. ОТУ 32-4717-1.38 Ушко вала. ОТУ 32-4717-1.39 Стакан. ОТУ 32-4717-1.40 Скоба. ОТУ 32-4717-1.41 Болт специальный. ОТУ 32-4717-1.42 Ограничитель. ОТУ 32-4717-1.43 Болт М16. ОТУ 32-4717-1.44 Уголок крепительный ОТУ 32-4717-1.45 Кронштейн разъединителя двухполюсного. ОТУ 32-4717-1.46 Кронштейн привода двухполюсного разъединителя. ОТУ 32-4717-1.47 Хомут. ОТУ 32-4717-1.50 КТПМ-25. Установка на стойках. Схема расположения элементов. ОТУ 32-4717-1.51 КТПМ-100, КТПМ-250, КТПМ-400. Установка на стойках. Схема расположения элементов. ОТУ 32-4717-1.52 КТПМ-25, КТПМ-100, КТПМ-250, КТПМ-400. Установка на стойках. Разрез 1-1 ОТУ 32-4717-1.53 Фундамент АФ1-25 ОТУ 32-4717-1.54 Стойки АС1-25, AC1-1-25, AC2-25, АС2-1-25 ОТУ 32-4717-1.55 Сетки C1, C1-1 ОТУ 32-4717-1.56 Разрезы А-А, Б-Б, В-В ОТУ 32-4717-1.57 Каркасы КР1, КР1-1, КР1-2, КP1-3, KP1-4 ОТУ 32-4717-1.58 Каркас КР1-5 ОТУ 32-4717-1.59 Петля П1 ОТУ 32-4717-1.60 КТПМ-25. Установка на приставках. Схема расположения элементов. ОТУ 32-4717-1.61 КТПМ-100, КТПМ-250, КТПМ-400. Установка на приставках. Схема расположения элементов. ОТУ 32-4717-1.62 КТПМ-25, КТПМ-100, КТПМ-250, КТПМ-400. Установка на приставках. Разрезы 1-1, 2-2 ОТУ 32-4717-1.63 Металлические изделия M1...М5 |
| Разработан: | Трансэлектропроект МПС |
| Утверждён: | 07.05.1997 Департамент электрификации и электроснабжения МПС РФ (14) |

































































