Скачать Серия ОТУ 32-4717 Выпуск 2. Установка и подключение СТП и КТПМ. Изделия. Рабочие чертежиДата актуализации: 01.01.2021
|
| Обозначение: | Серия ОТУ 32-4717 |
| Обозначение англ: | Series ОТУ 32-4717 |
| Статус: | не определен законодательством |
| Название рус.: | Выпуск 2. Установка и подключение СТП и КТПМ. Изделия. Рабочие чертежи |
| Дата добавления в базу: | 01.09.2013 |
| Дата актуализации: | 01.01.2021 |
| Дата введения: | 07.05.1997 |
| Дата окончания срока действия: | 30.06.2003 |
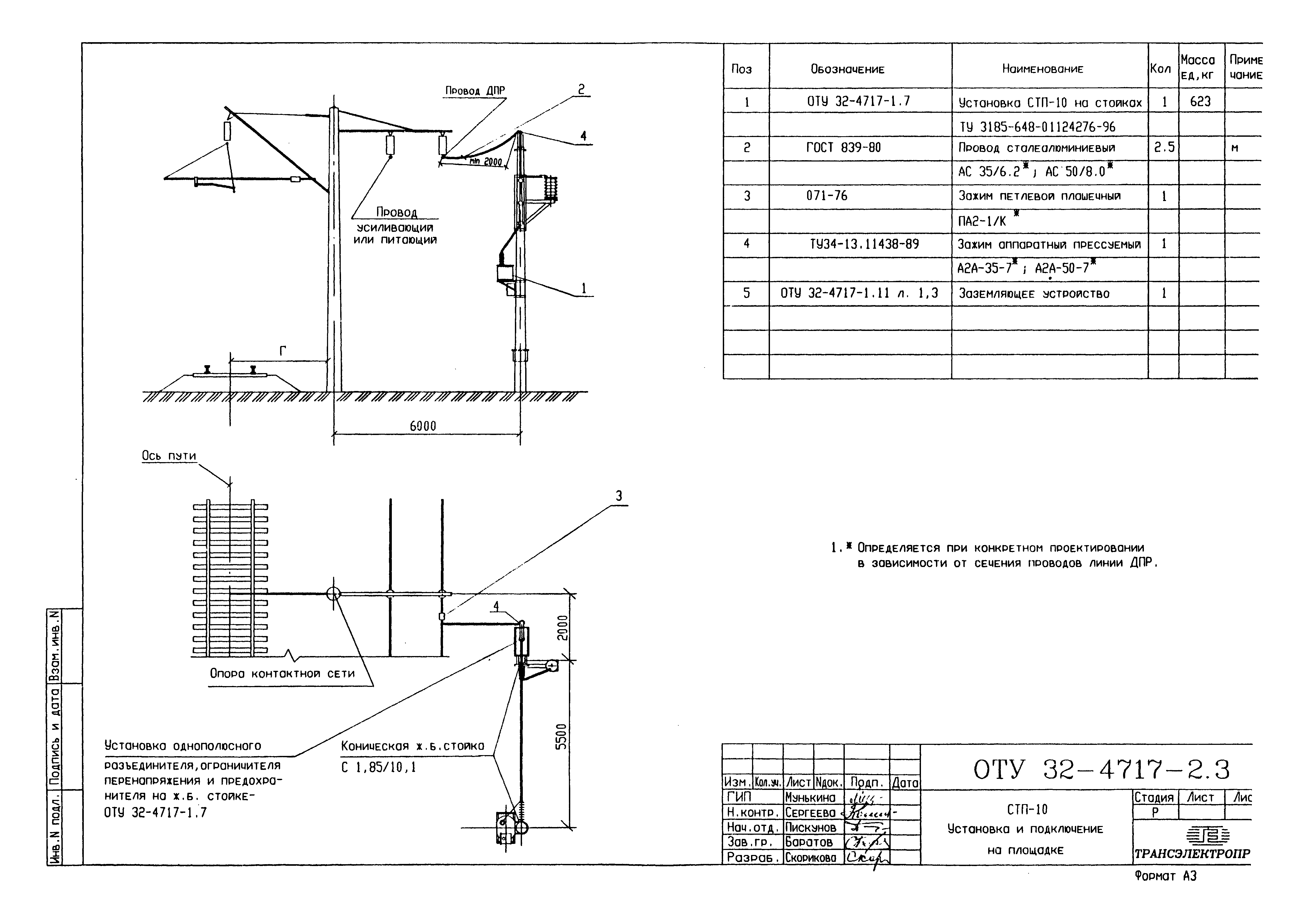
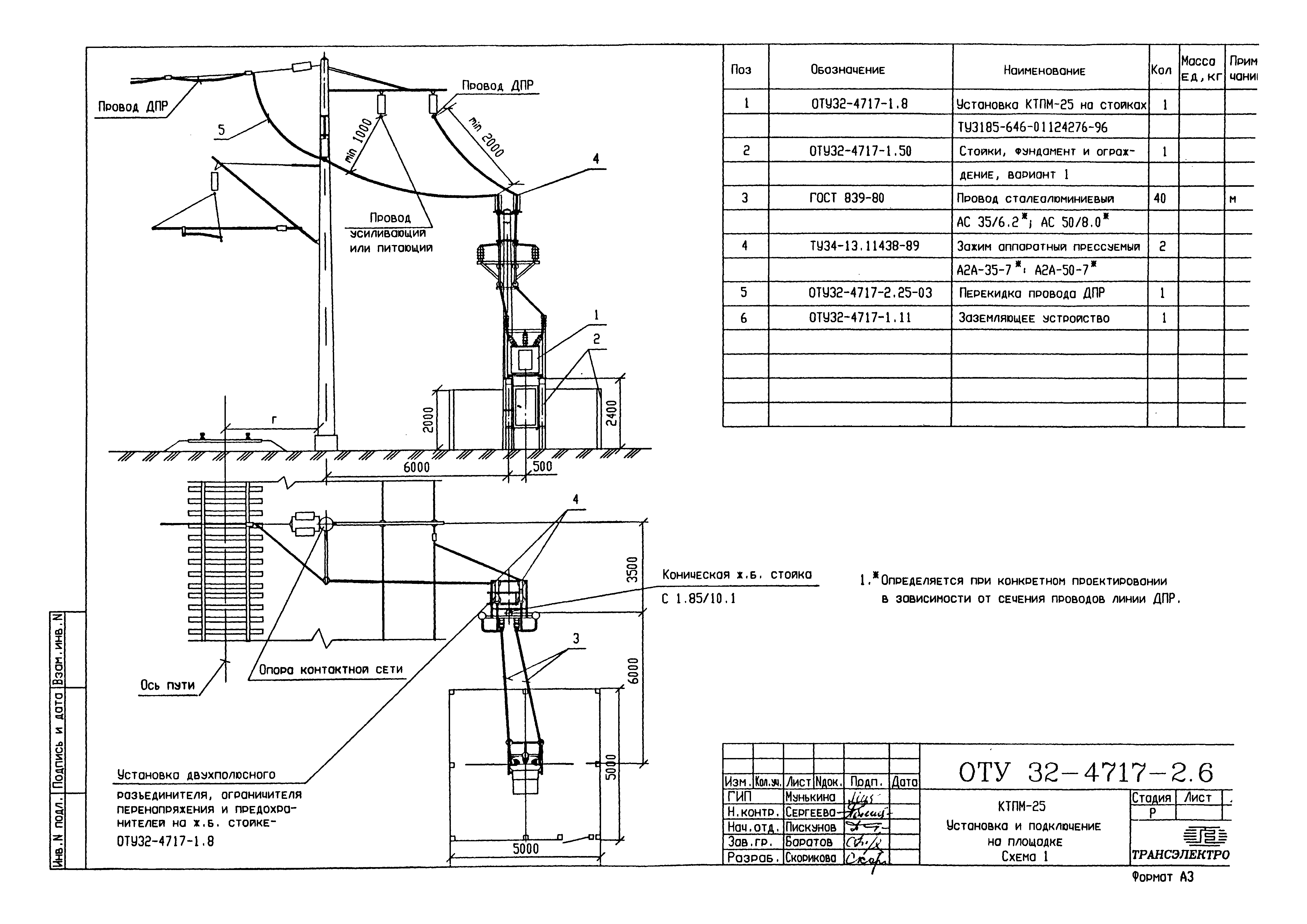
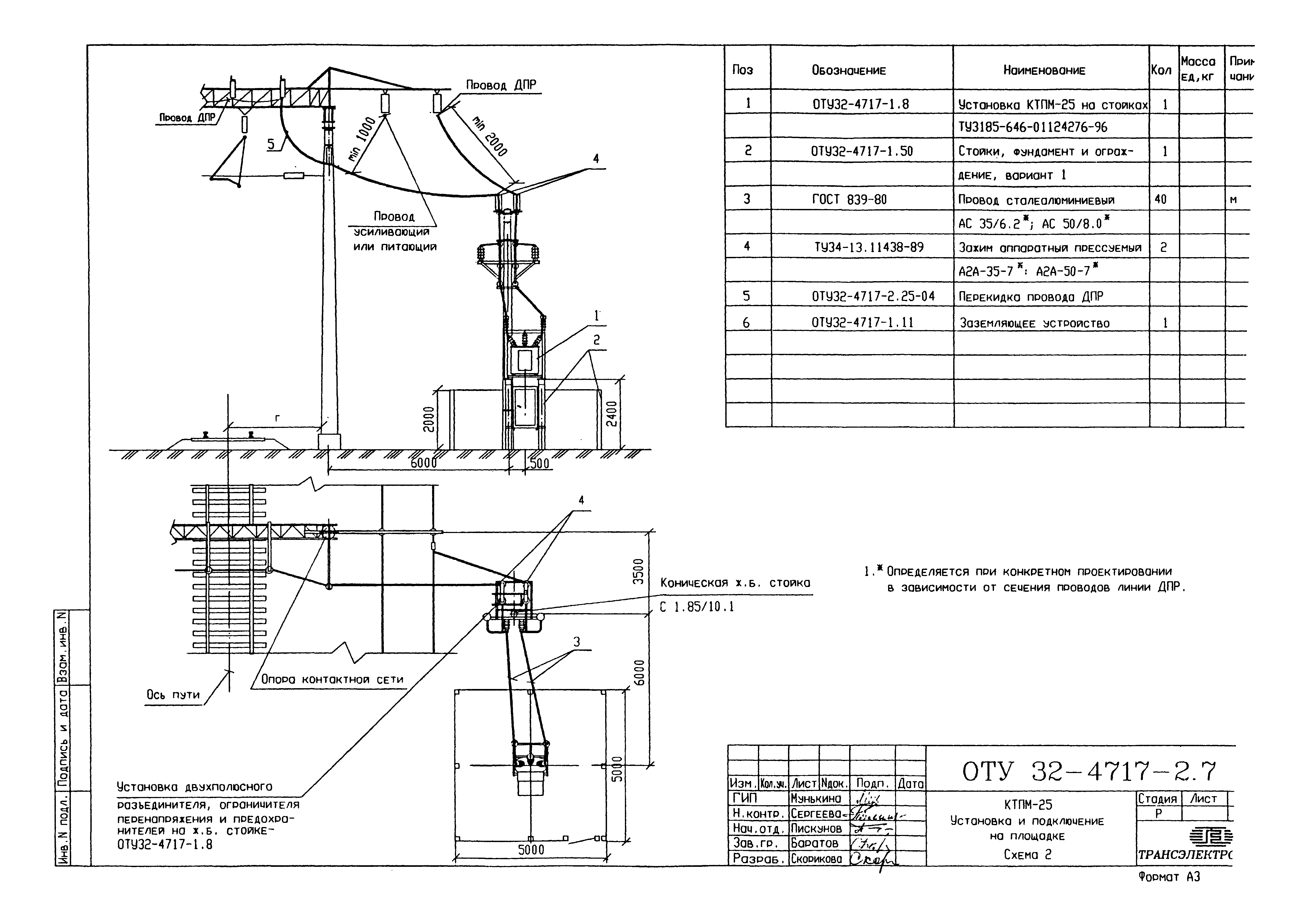
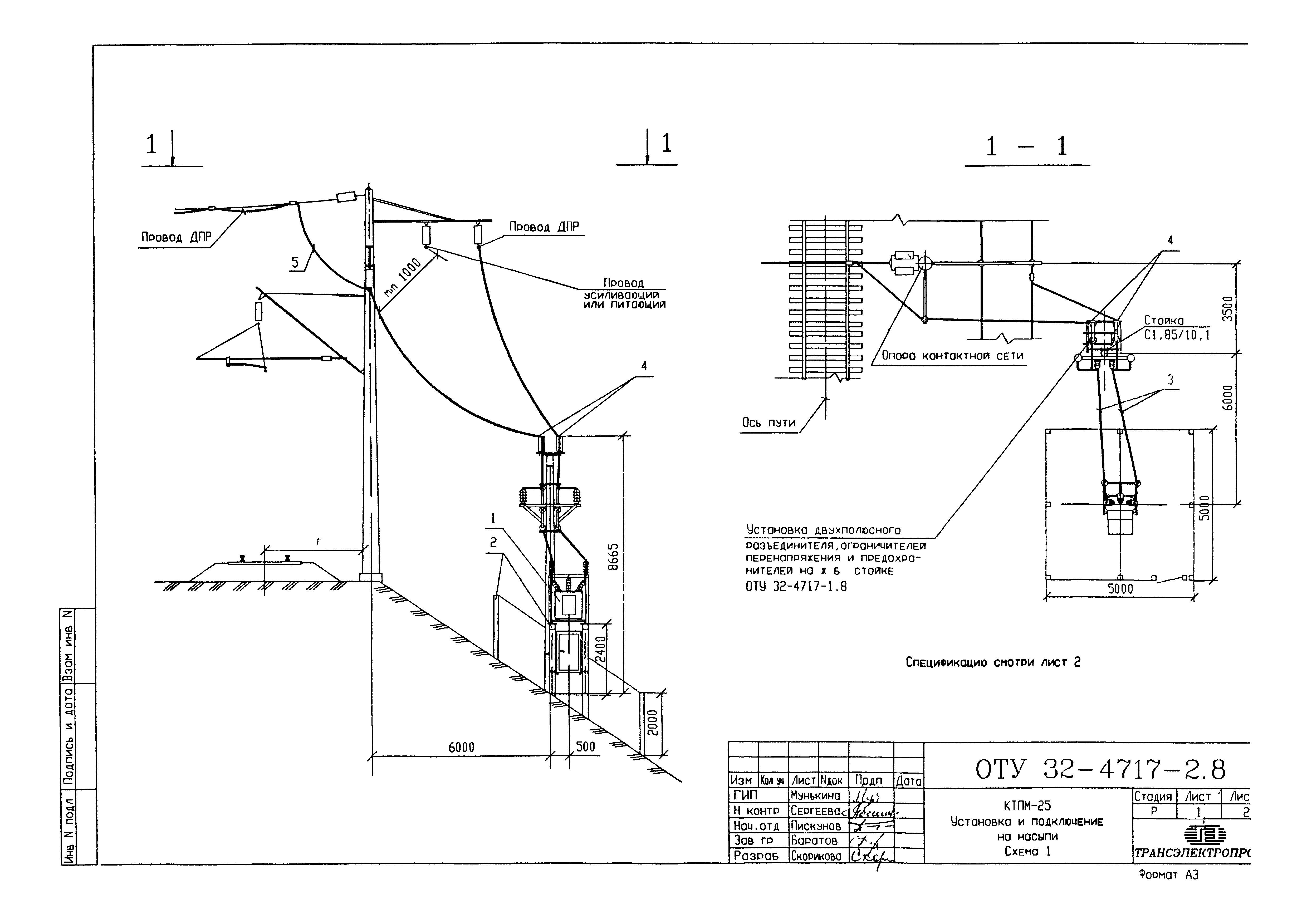
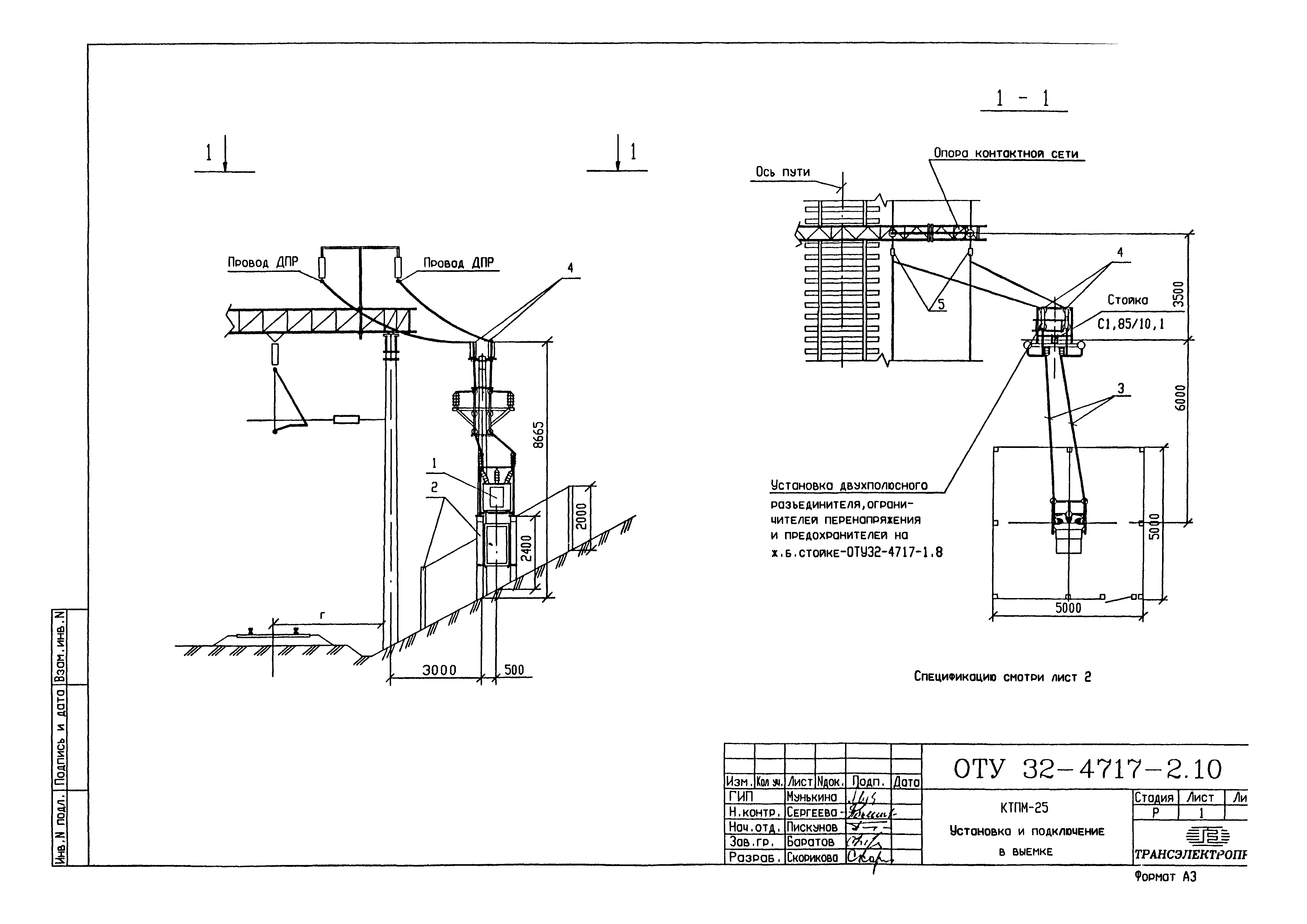
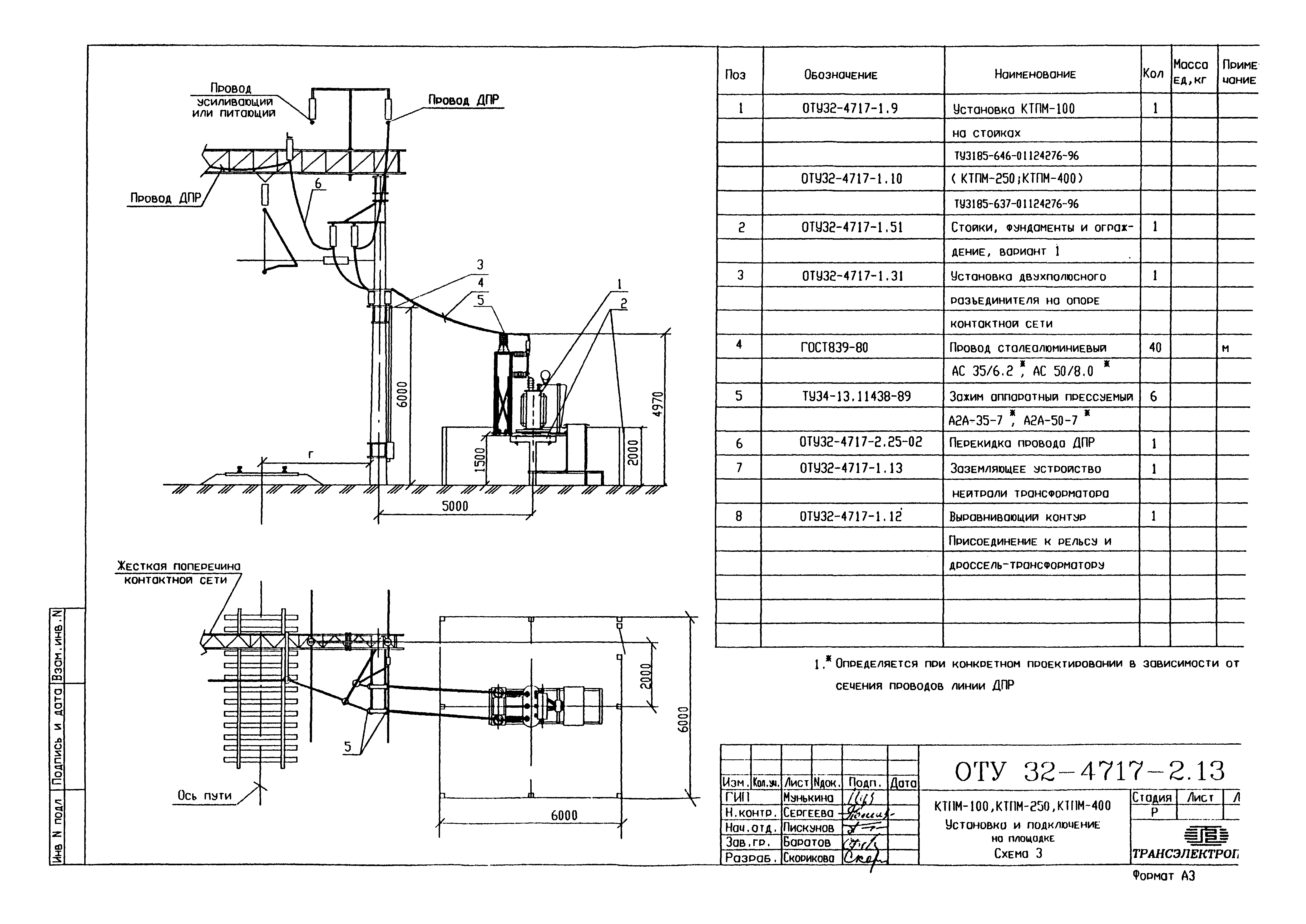
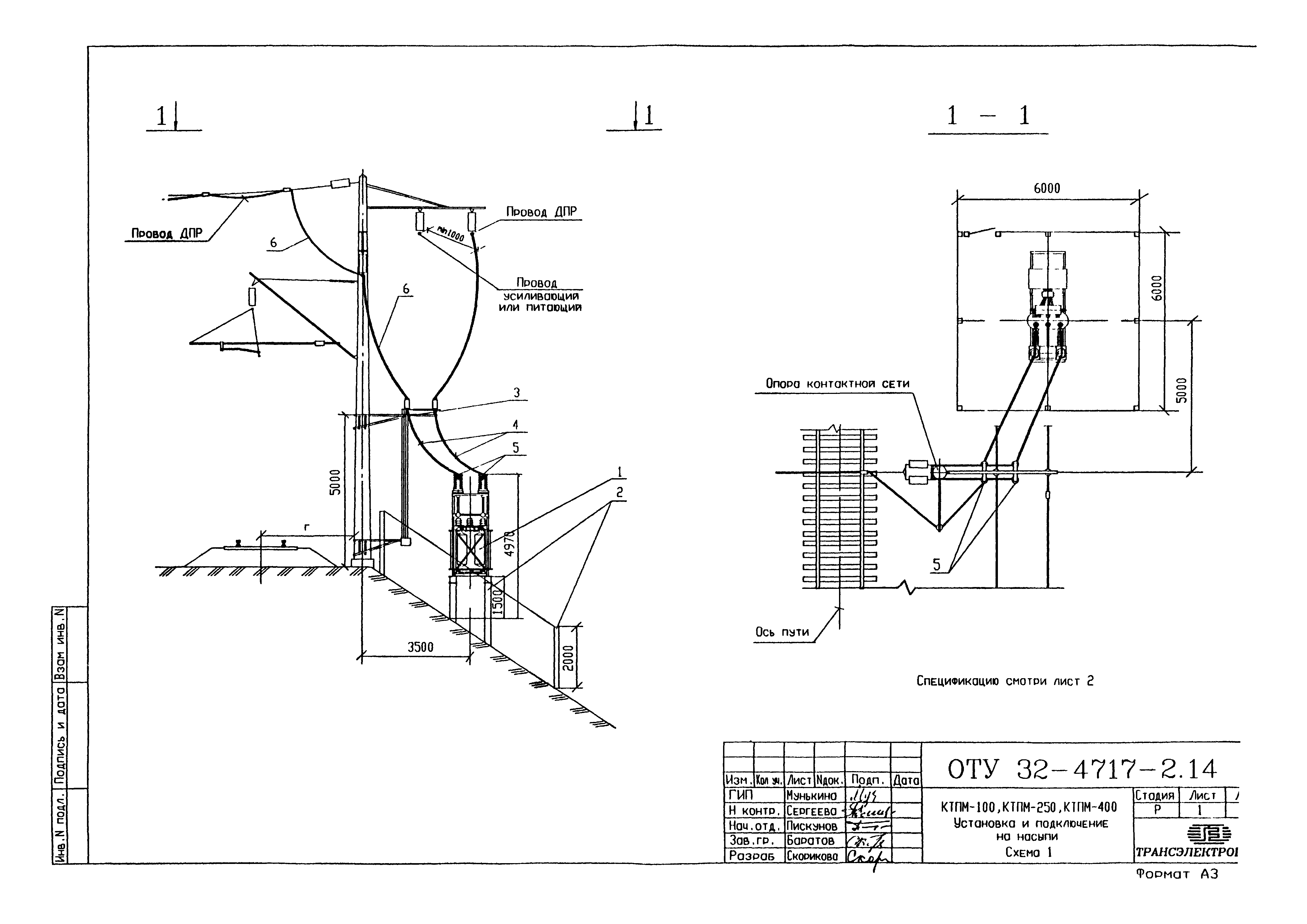
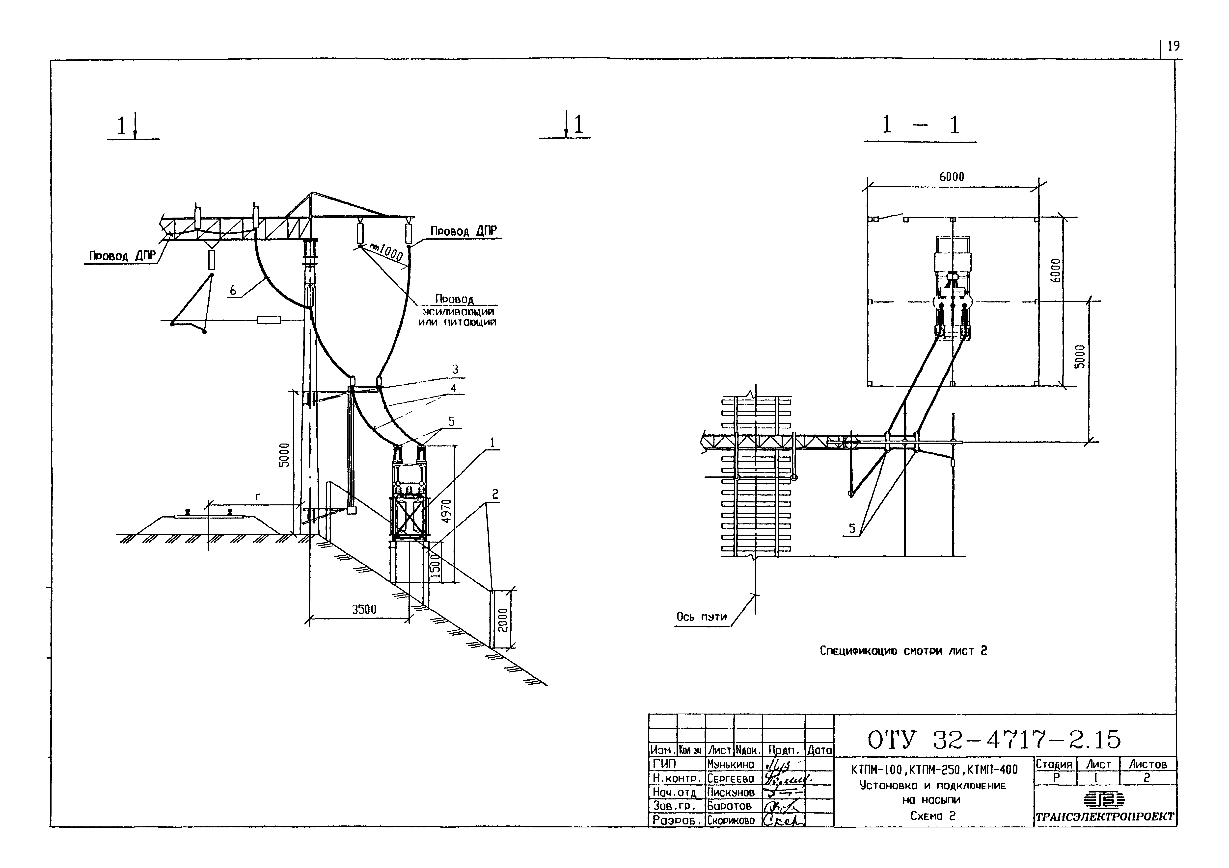
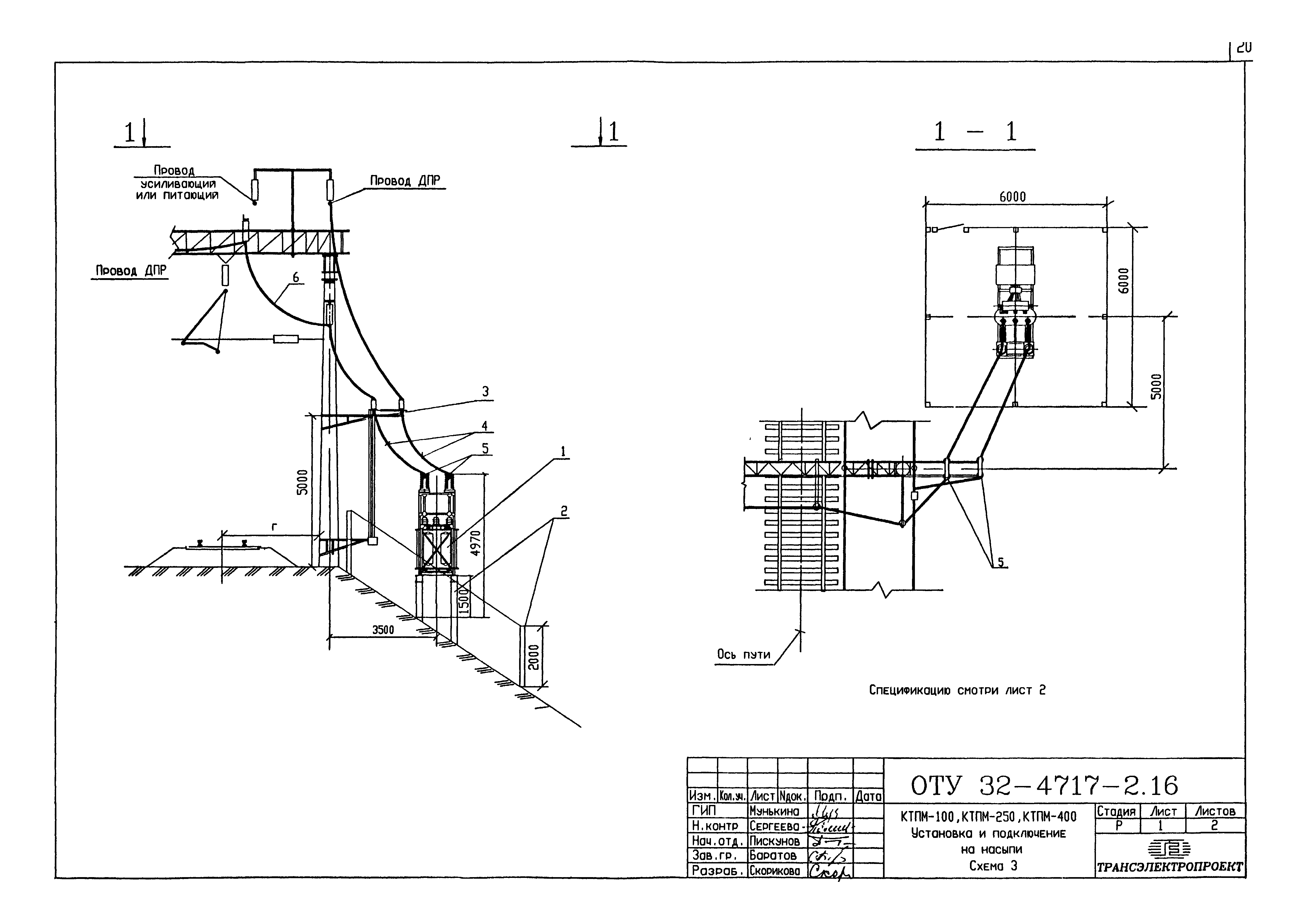
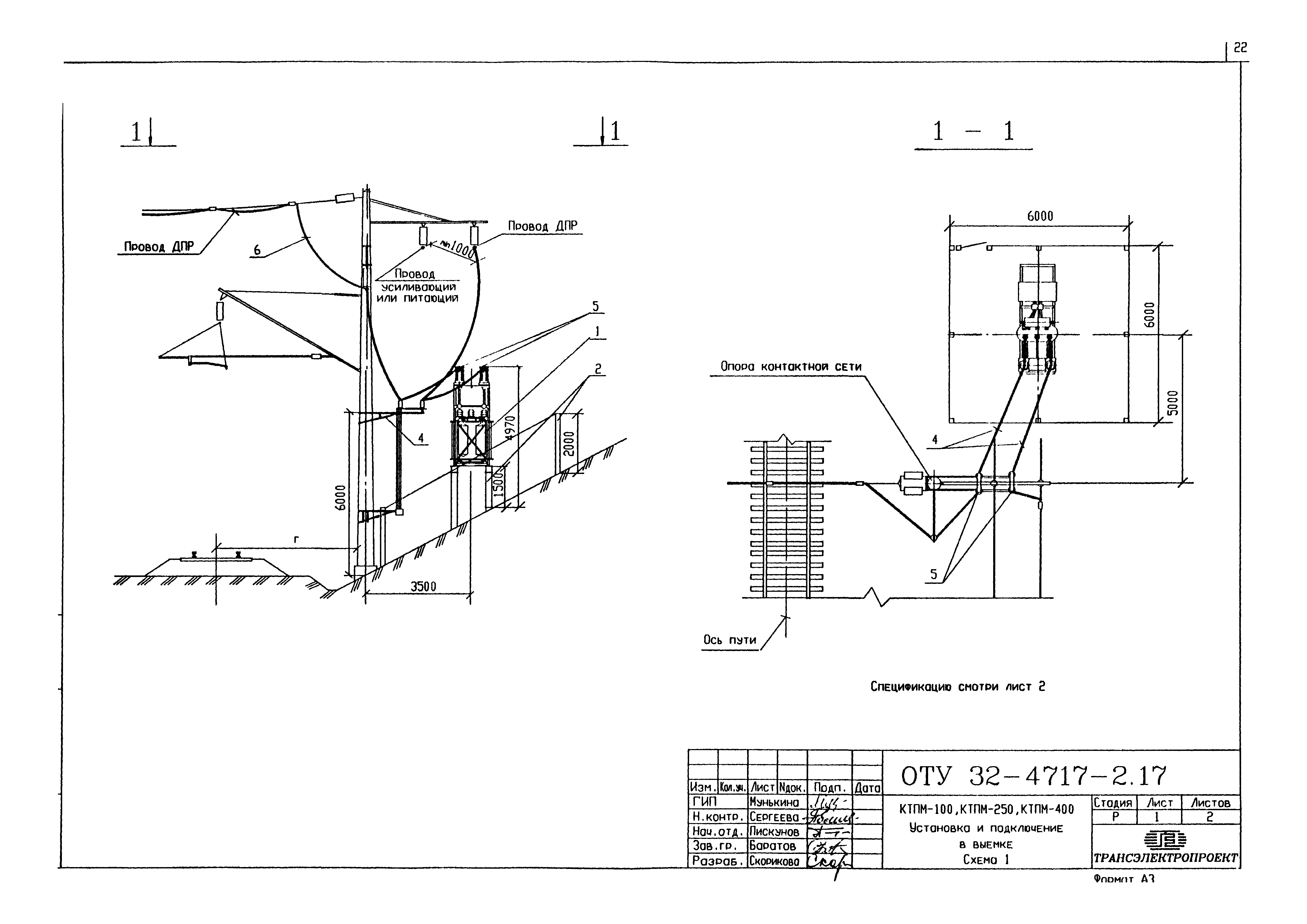
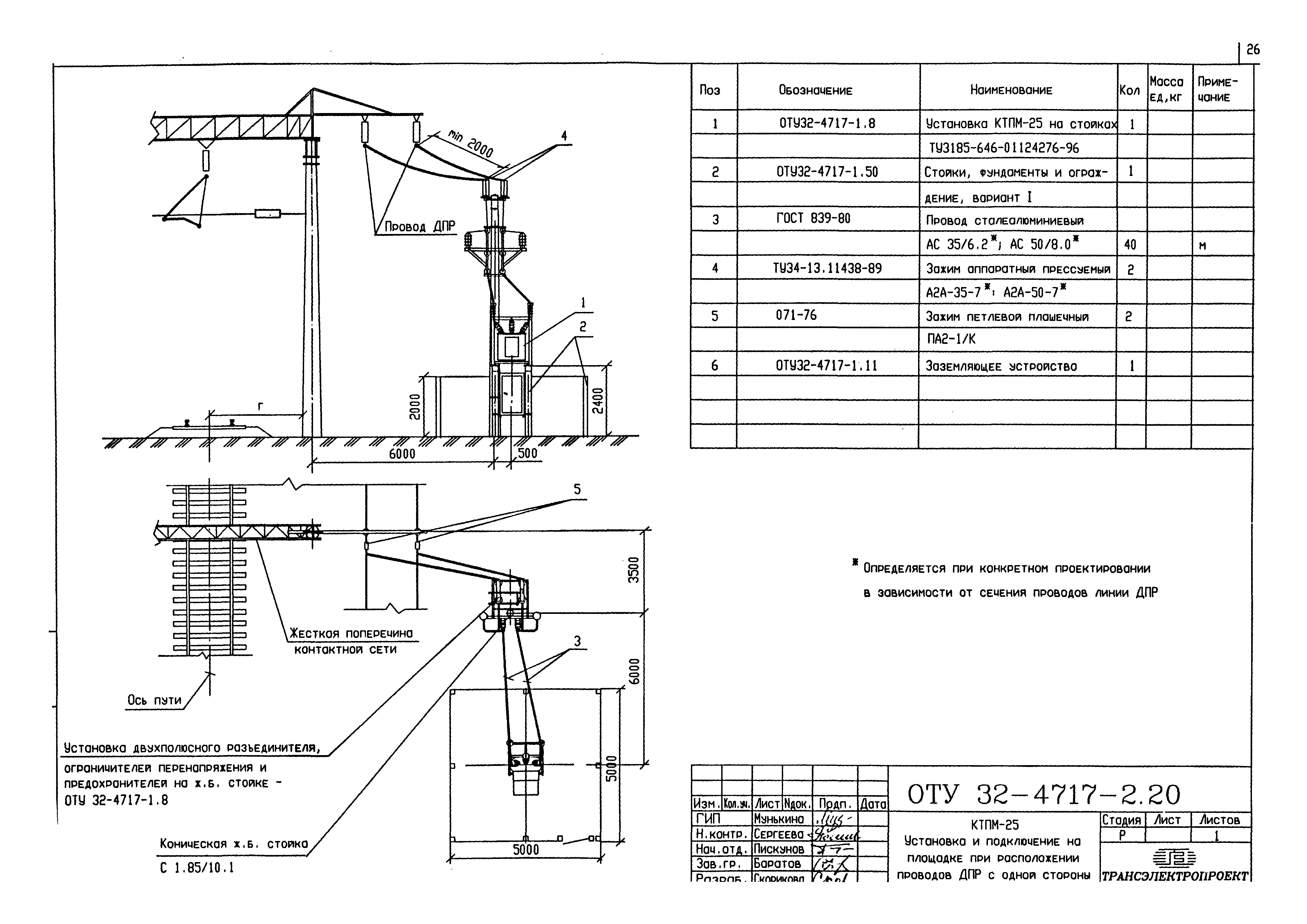
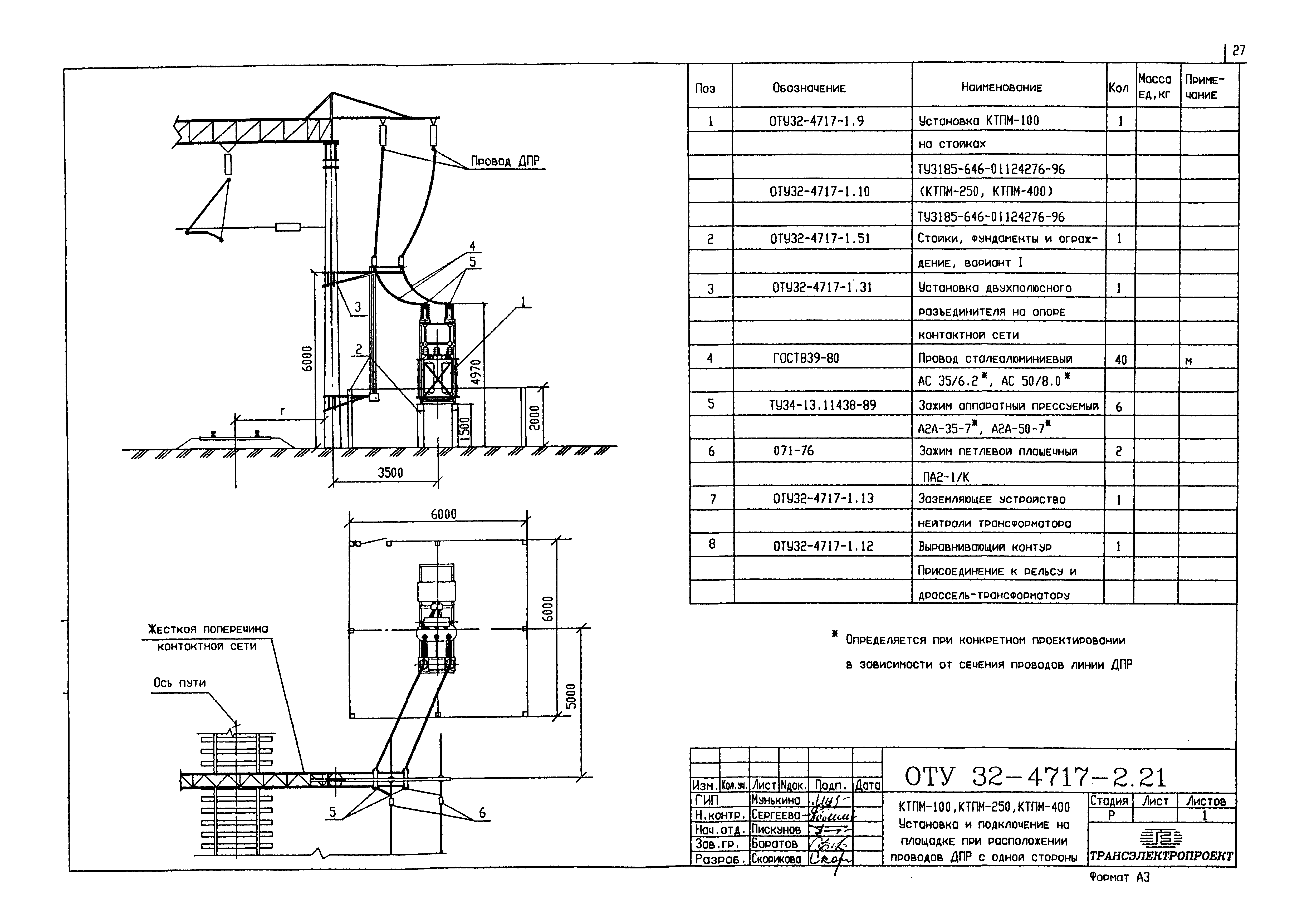
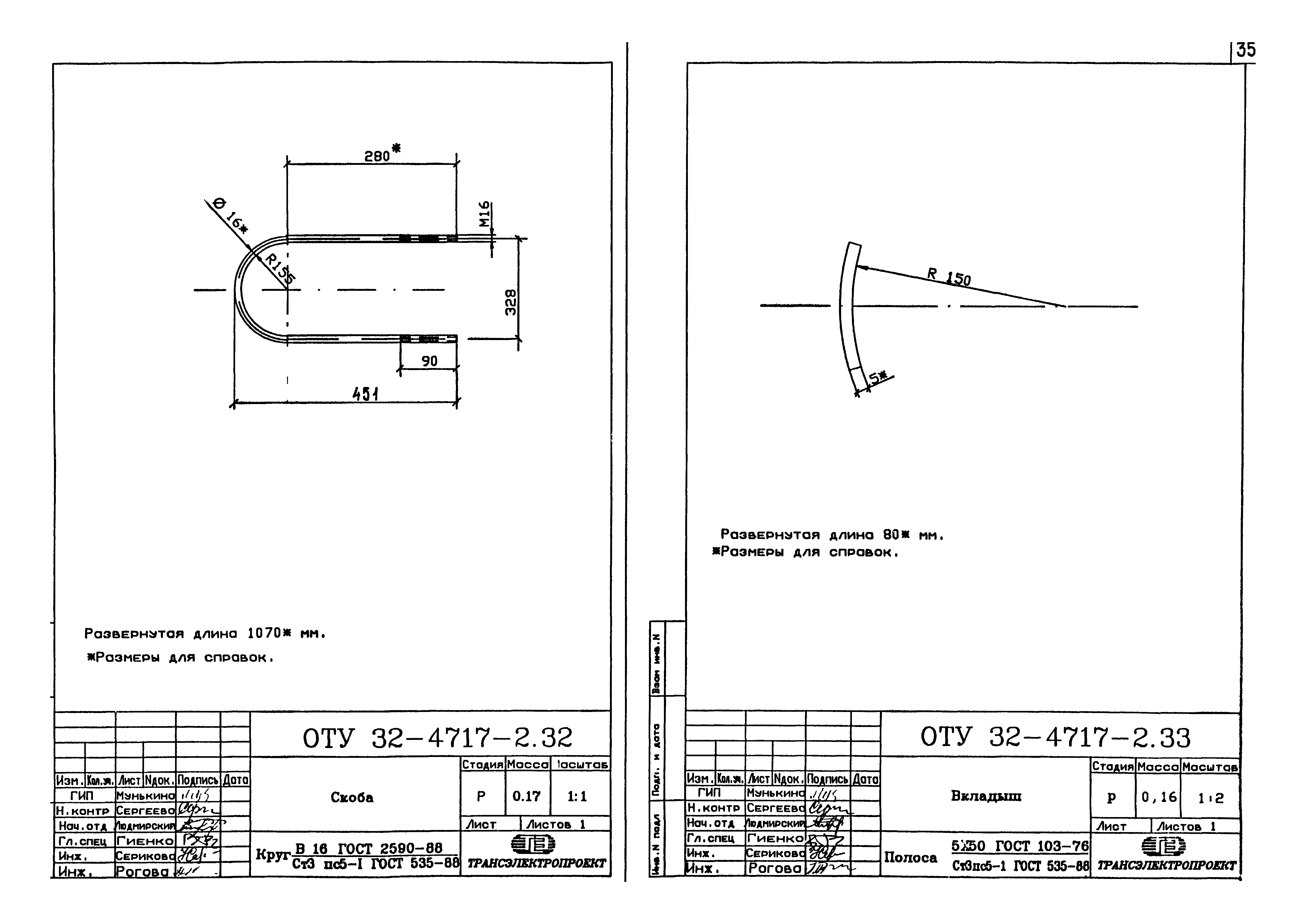
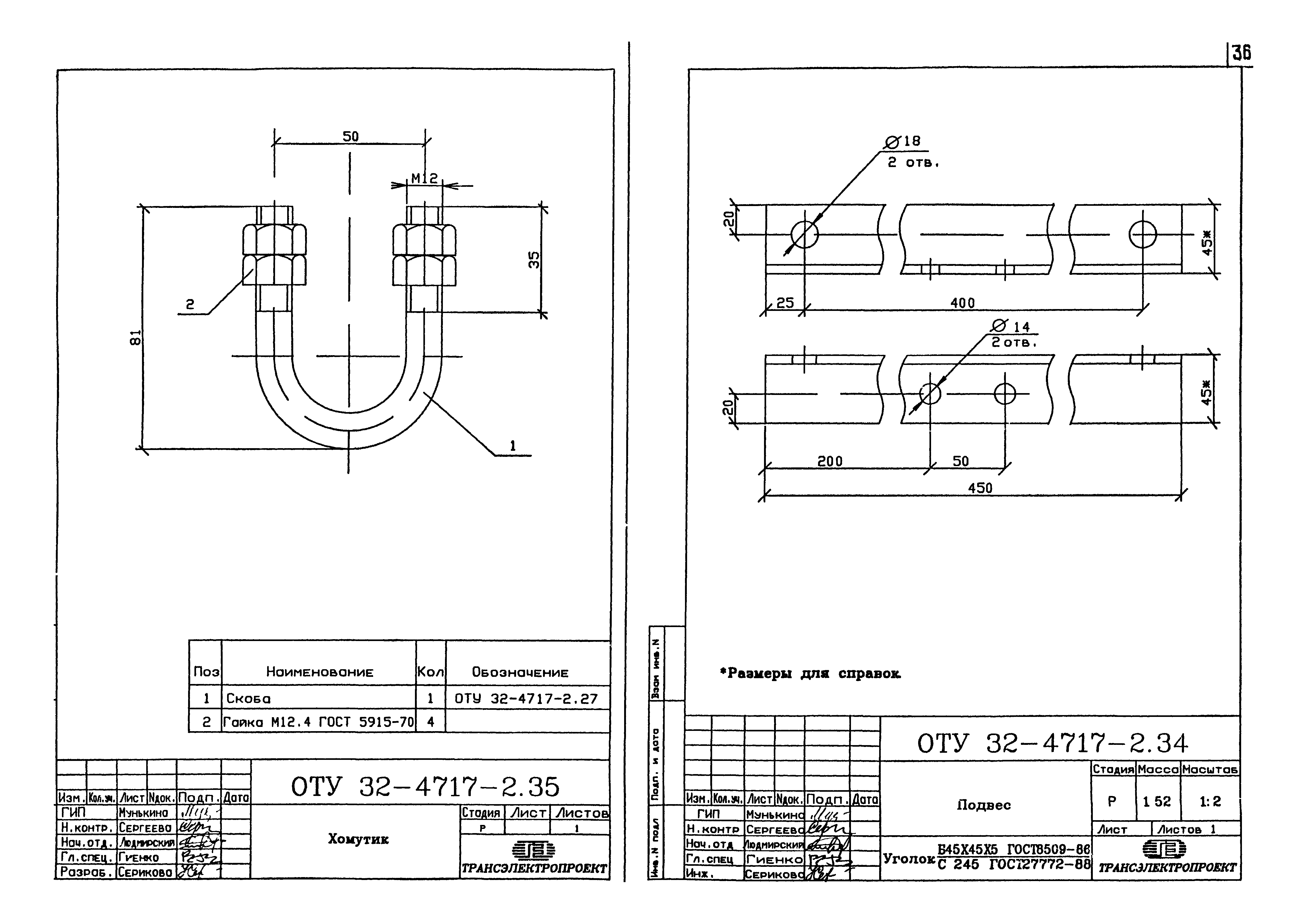
| Оглавление: | ОТУ 32-4717-2.1 СТП-1,СТП-2. Установка и подключение на площадке и в выемке ОТУ 32-4717-2.2 СТП-1,СТЛ-2. Установка и подключение на насыпи ОТУ 32-4717-2.3 СТП-10. Установка и подключение на площадке ОТУ 32-4717-2.4 СТП-10. Установка и подключение в выемке ОТУ 32-4717-2.5 СТП-10. Установка и подключение на насыпи ОТУ 32-4717-2.6 КТПМ-25. Установка и подключение на площадке. Схема 1 ОТУ 32-4717-2.7 КТПМ-25. Установка и подключение на площадке. Схема 2 ОТУ 32-4717-2.8 КТПМ-25. Установка и подключение на насыпи. Схема 1 ОТУ 32-4717-2.9 КТПМ-25. Установка и подключение на насыпи. Схема 2 ОТУ 32-4717-2.10 КТПМ-25. Установка и подключение в выемке. ОТУ 32-4717-2.11 КТПМ-100, КТПМ-250, КТПМ-400. Установка и подключение на площадке. Схема 1 ОТУ 32-4717-2.12 КТПМ-100, КТПМ-250, КТПМ-400. Установка и подключение на площадке. Схема 2 ОТУ 32-4717-2.13 КТПМ-100, КТПМ-250, КТПМ-400. Установка и подключение на площадке. Схема 3 ОТУ 32-4717-2.14 КТПМ-100, КТПМ-250, КТПМ-400. Установка и подключение на насыпи. Схема 1 ОТУ 32-4717-2.15 КТПМ-100, КТПМ-250, КТПМ-400. Установка и подключение на насыпи. Схема 2 ОТУ 32-4717-2.16 КТПМ-100, КТПМ-250, КТПМ-400. Установка и подключение на насыпи. Схема 3 ОТУ 32-4717-2.17 КТПМ-100, КТПМ-250, КТПМ-400. Установка и подключение в выемке. Схема 1 ОТУ 32-4717-2.18 КТПМ-100, КТПМ-250, КТПМ-400. Установка и подключение в выемке. Схема 2 ОТУ 32-4717-2.19 КТПМ-100, КТПМ-250, КТПМ-400. Установка и подключение в выемке. Схема 3 ОТУ 32-4717-2.20 КТПМ-25. Установка и подключение на площадке при расположении проводов ДПР с одной стороны ОТУ 32-4717-2.21 КТПМ-100, КТПМ-250, КТПМ-400. Установка и подключение на площадке при расположении проводов ДПР с одной стороны ОТУ 32-4717-2.25 Перекидки проводов ДПР ОТУ 32-4717-2.26 Анкеровка проводов на железобетонной опоре ОТУ 32-4717-2.27 Двойное подвешивание проводов на ригеле жесткой поперечине ОТУ 32-4717-2.28 Кронштейн А-1 ОТУ 32-4717-2.29 Хомут ОТУ 32-4717-2.30 Накладка ОТУ 32-4717-2.31 Балка ОТУ 32-4717-2.32 Скоба ОТУ 32-4717-2.33 Вкладыш ОТУ 32-4717-2.34 Подвес ОТУ 32-4717-2.35 Хомутик ОТУ 32-4717-2.36 Кронштейн на ригеле ОТУ 32-4717-2.37 Скоба |
| Разработан: | Трансэлектропроект МПС |
| Утверждён: | 07.05.1997 Департамент электрификации и электроснабжения МПС РФ (14) |






































