Скачать Альбом 7РС 17 108 Панели внутренних стен цоколя. Рабочие чертежиДата актуализации: 01.01.2021
|
| Обозначение: | Альбом 7РС 17 108 |
| Обозначение англ: | 7РС 17 108 |
| Статус: | не определен законодательством |
| Название рус.: | Панели внутренних стен цоколя. Рабочие чертежи |
| Дата добавления в базу: | 01.09.2013 |
| Дата актуализации: | 01.01.2021 |
| Дата введения: | 15.12.1986 |
| Дата окончания срока действия: | 30.06.2003 |
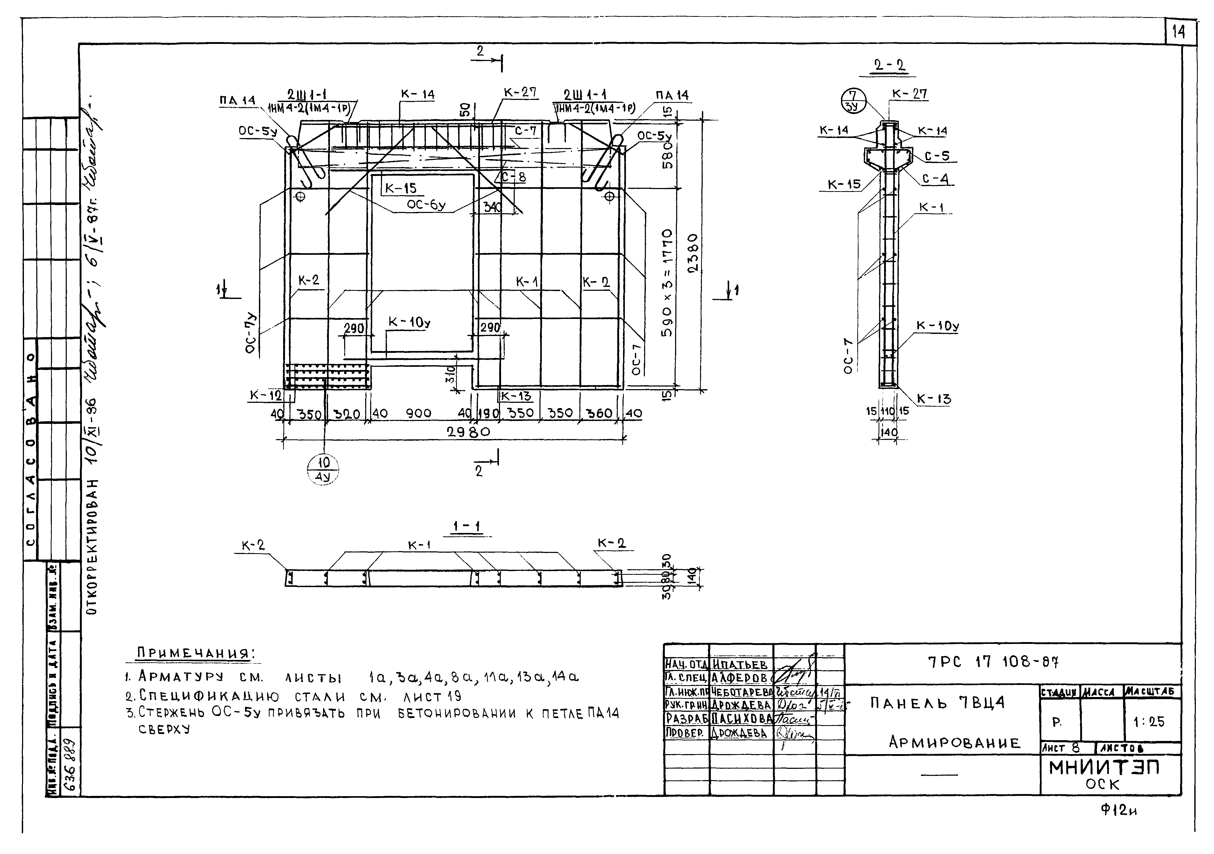
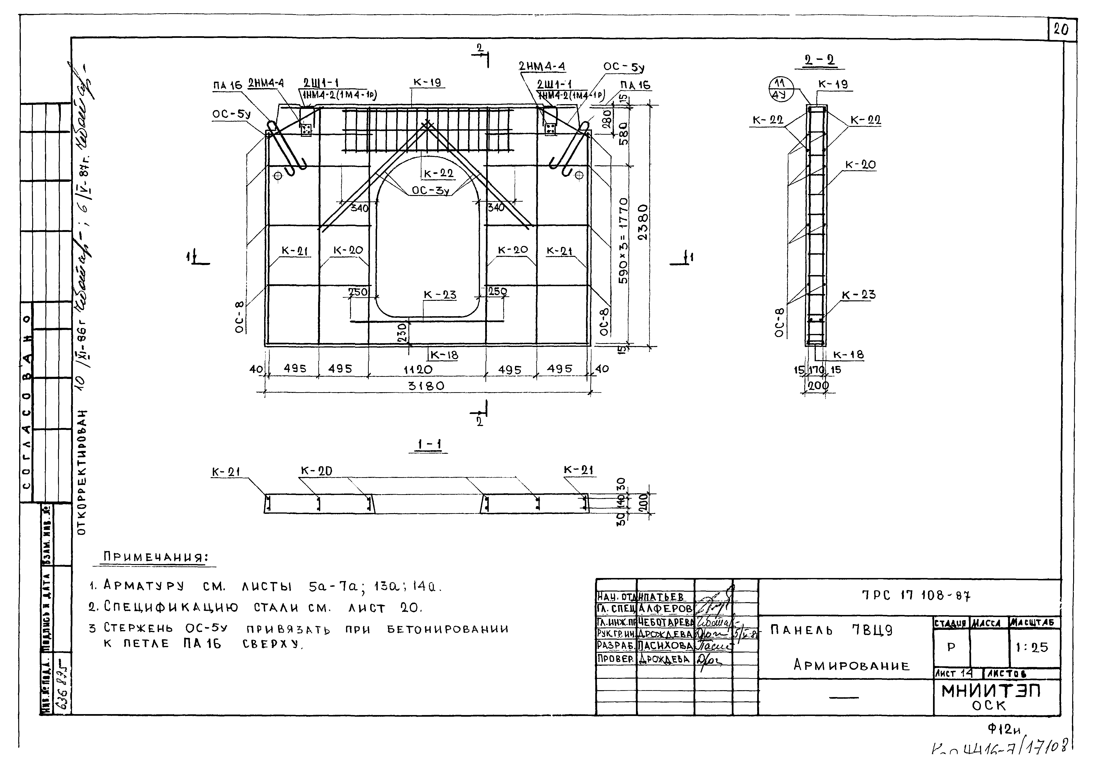
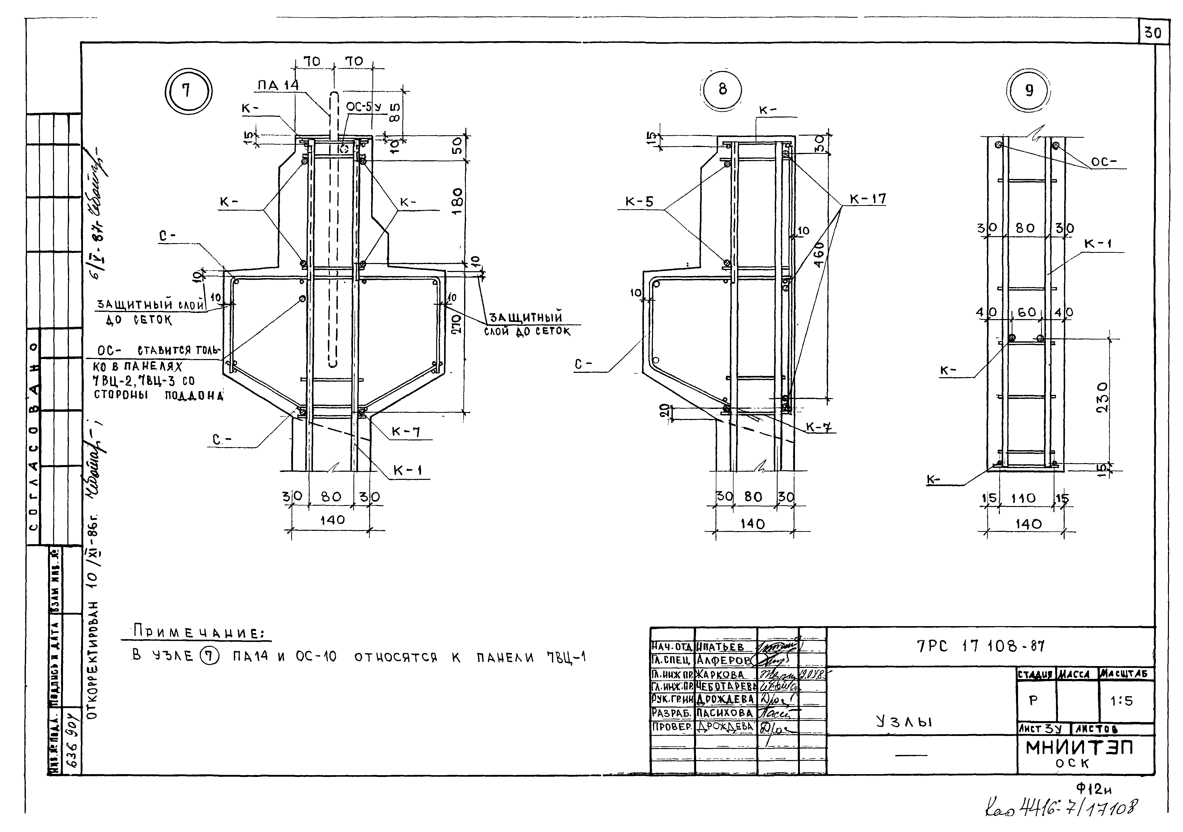
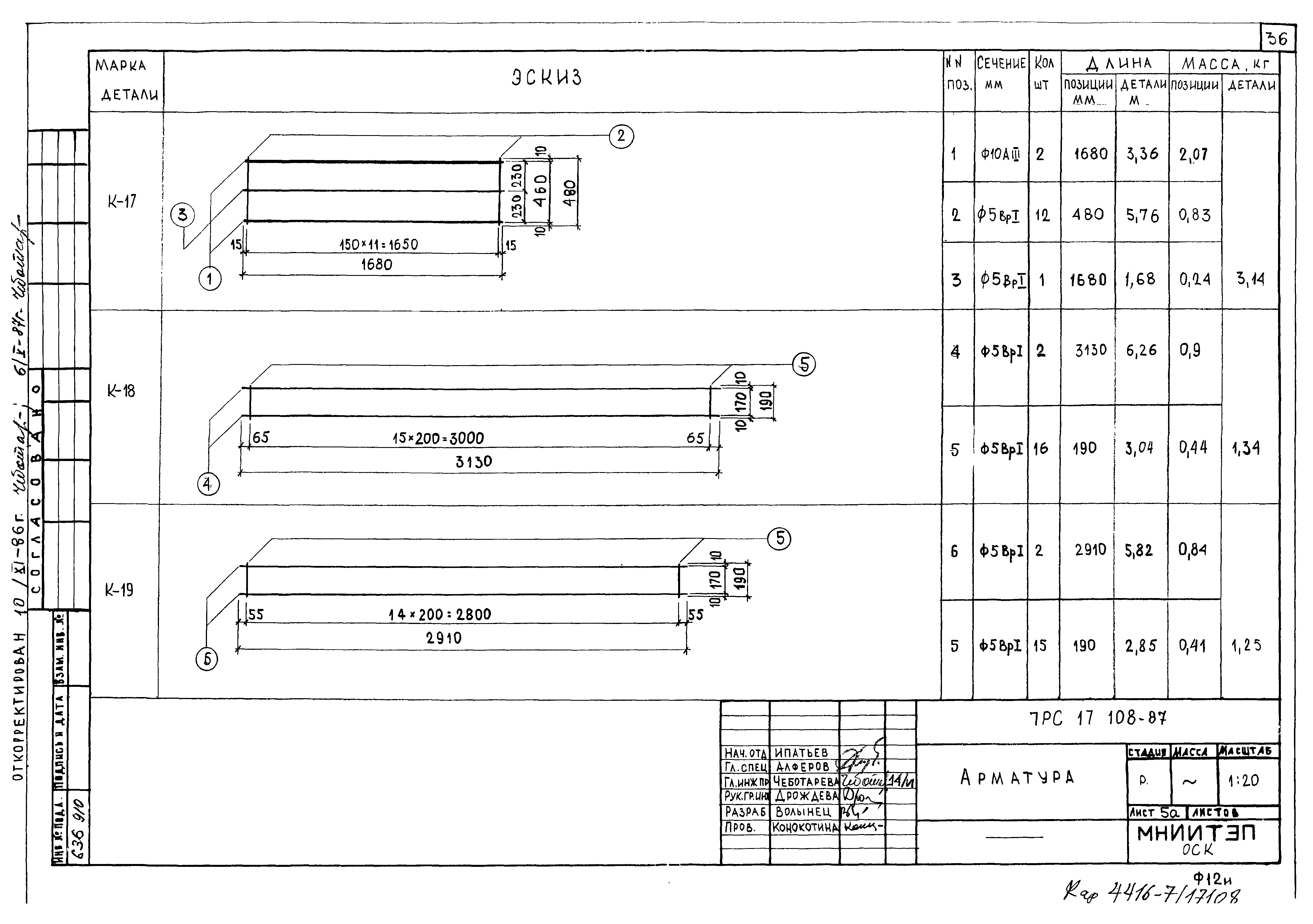
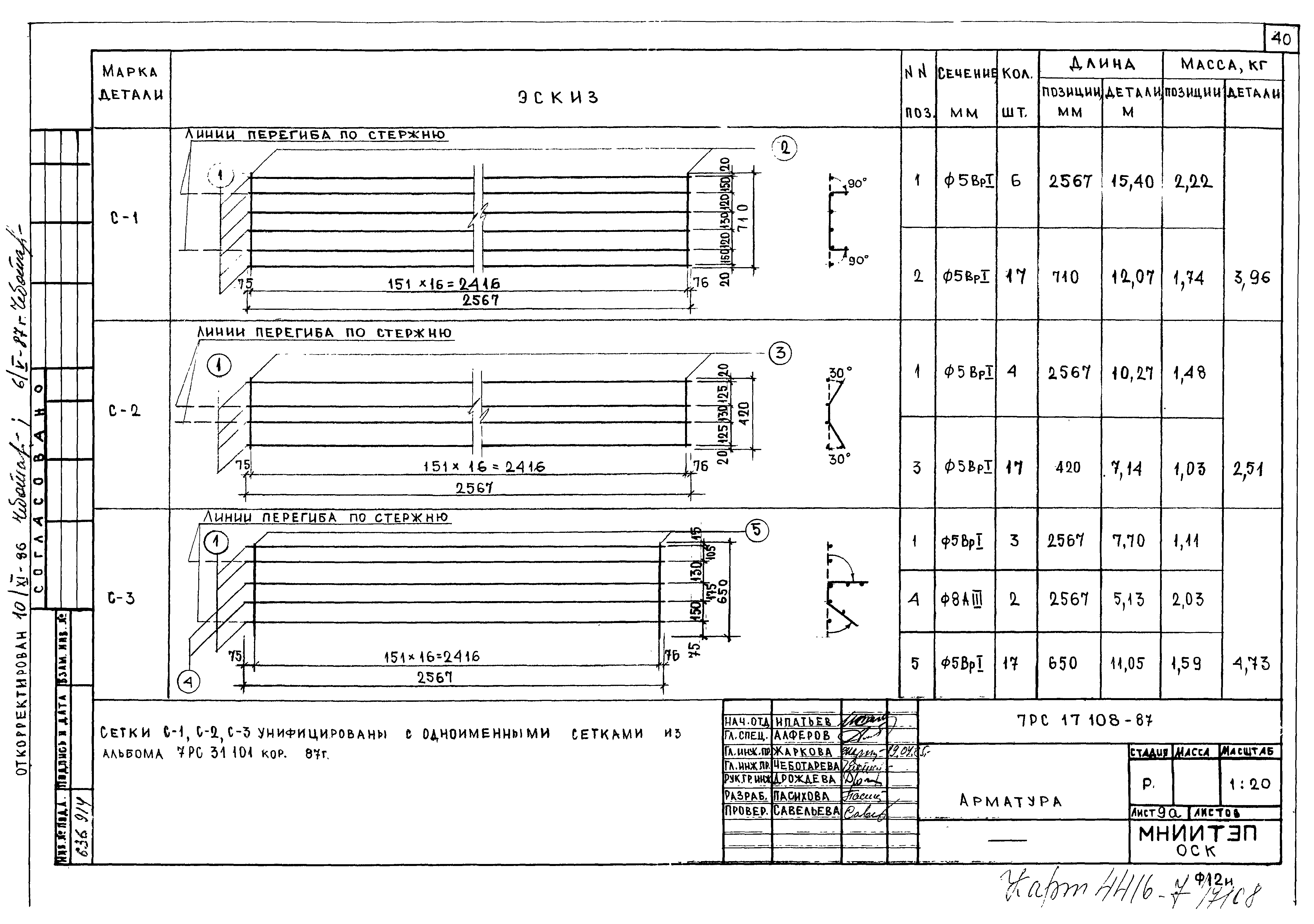
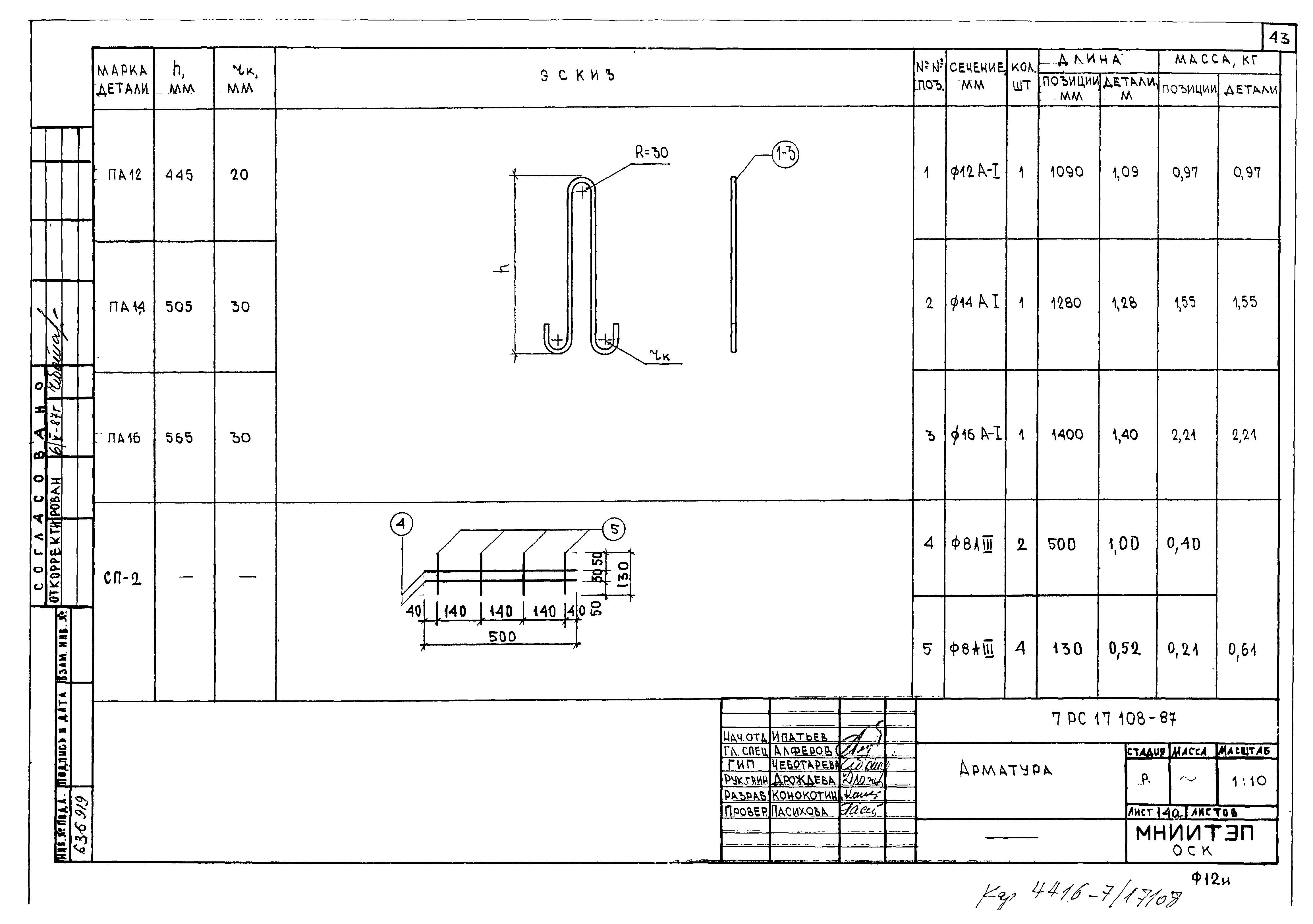
| Оглавление: | 7РС17108 Пояснительная записка 7РС17108 Номенклатура и ведомость расхода стали 7РС17108 Общий вид и армирование 7РС17108 Узлы 7РС17108 Арматура 7РС17108 Изделия арматурные 7РС17108 Несущая способность 7РС17108 Информационная карта |
| Разработан: | МНИИТЭП |
| Утверждён: | 15.12.1986 МНИИТЭП (MNIITEP 448) |














































