Скачать Типовой проект 903-1-153 Альбом XVII. Схемы электрические принципиальныеДата актуализации: 01.01.2021
|
| Обозначение: | Типовой проект 903-1-153 |
| Обозначение англ: | 903-1-153 |
| Статус: | заменен |
| Название рус.: | Альбом XVII. Схемы электрические принципиальные |
| Дата добавления в базу: | 01.09.2013 |
| Дата актуализации: | 01.01.2021 |
| Дата введения: | 23.03.1979 |
| Дата окончания срока действия: | 01.01.1990 |
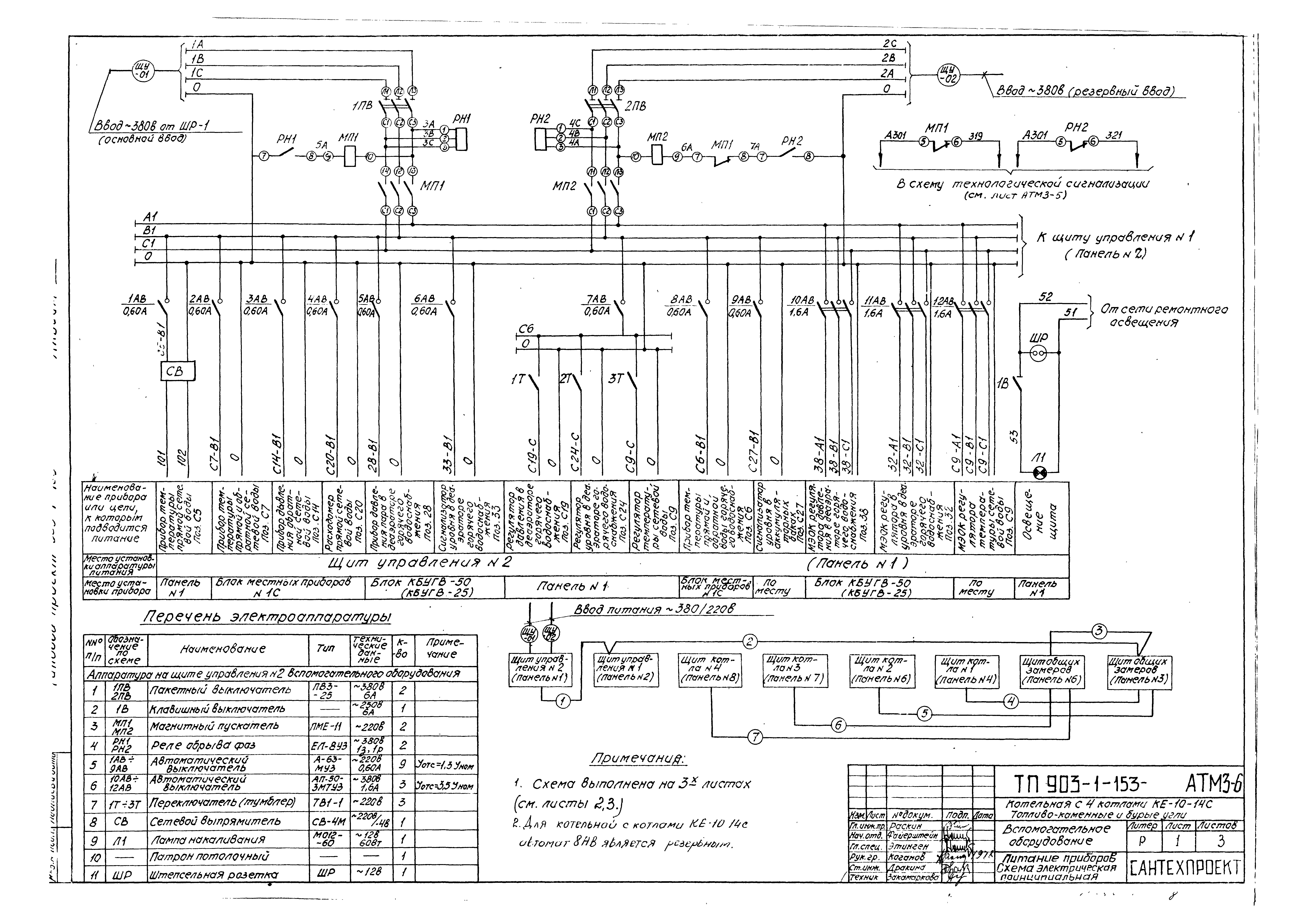
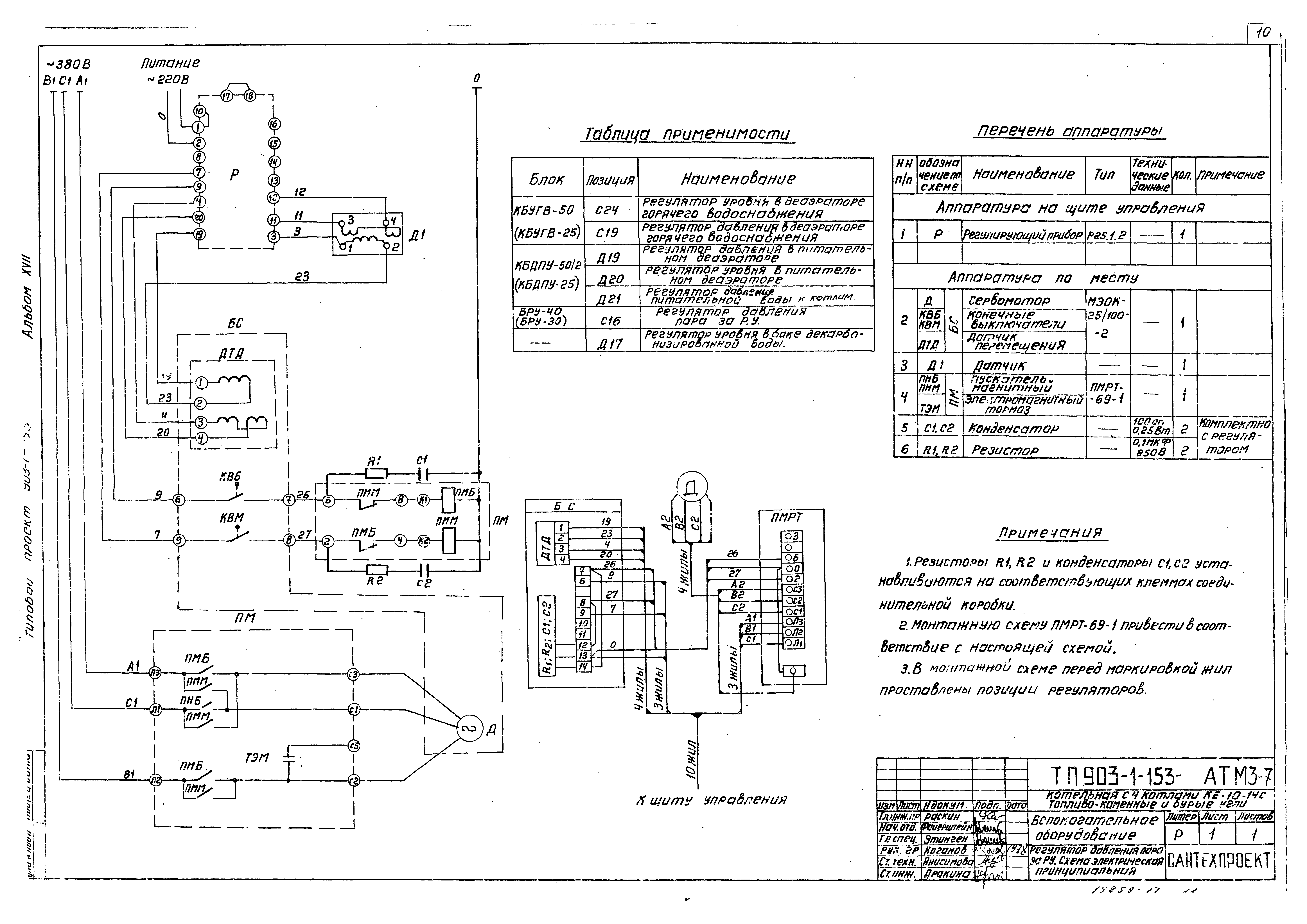
| Оглавление: | Титульный лист Общие данные Котел КЕ-10-14С №1 (2 - 4). Технологическая сигнализация, защита, питание приборов. Схема электрическая принципиальная Котел КЕ-10-14С №1 (2 - 4). Регулятор уровня. Схема электрическая принципиальная Котел КЕ-10-14С №1 (2 - 4). Регулятор топлива и воздуха. Схема электрическая принципиальная Вспомогательное оборудование. Технологическая сигнализация. Схема электрическая принципиальная Вспомогательное оборудование. Питание приборов. Схема электрическая принципиальная Вспомогательное оборудование. Регулятор давления пара за РУ. Схема электрическая принципиальная Вспомогательное оборудование. Регулятор температуры сетевой воды. Схема электрическая принципиальная |
| Разработан: | ГПИ Сантехпроект Госстроя СССР Минтяжмаш СССР Союзпроммеханизация |
| Утверждён: | 23.03.1979 ГПИ Сантехпроект (47) |
| Заменяет собой: |
|
| Чем заменён: |











