Скачать Типовой проект 902-2-330 Альбом II. Технологическая частьДата актуализации: 01.01.2021
|
| Обозначение: | Типовой проект 902-2-330 |
| Обозначение англ: | 902-2-330 |
| Статус: | не действует |
| Название рус.: | Альбом II. Технологическая часть |
| Дата добавления в базу: | 01.09.2013 |
| Дата актуализации: | 01.01.2021 |
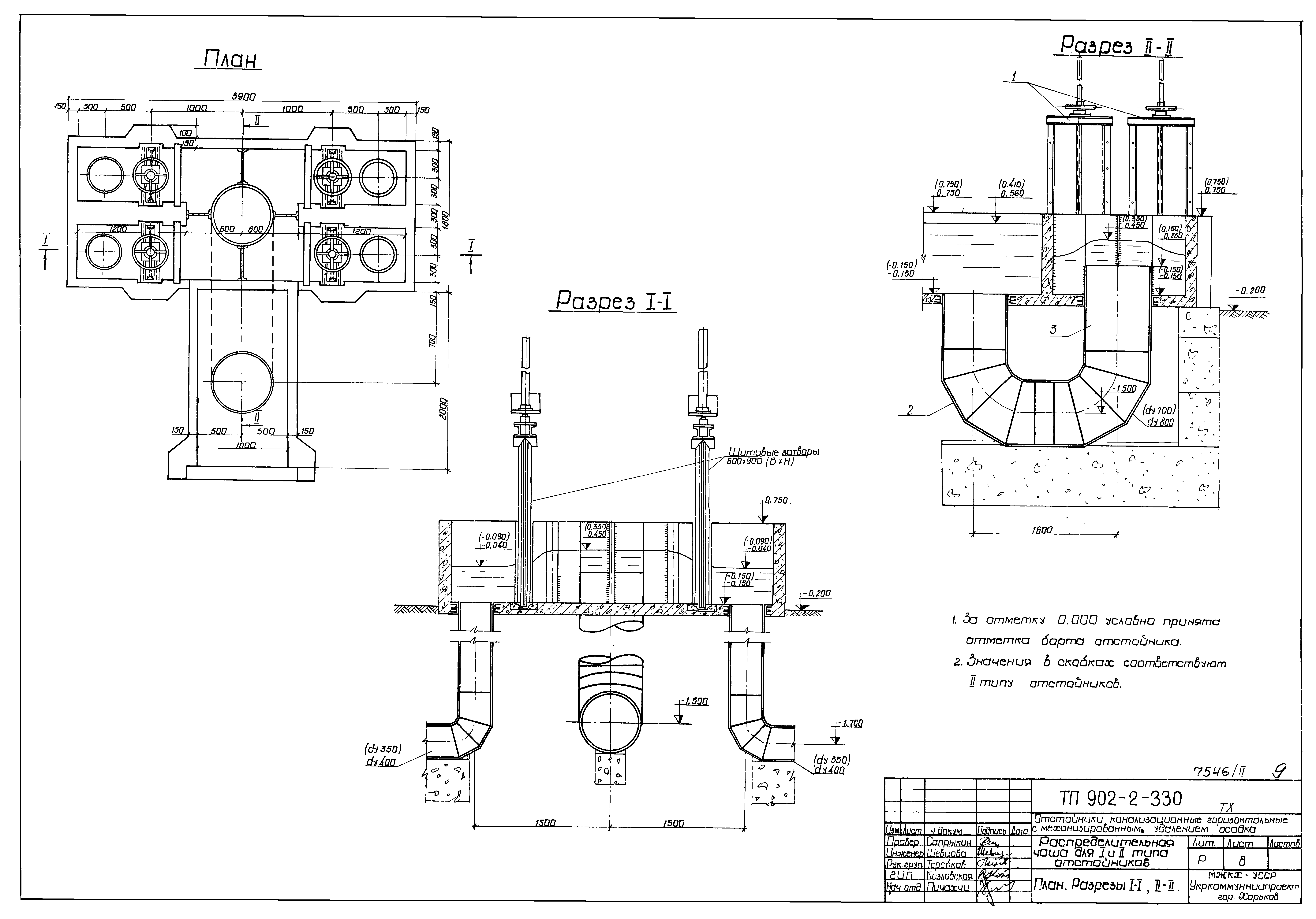
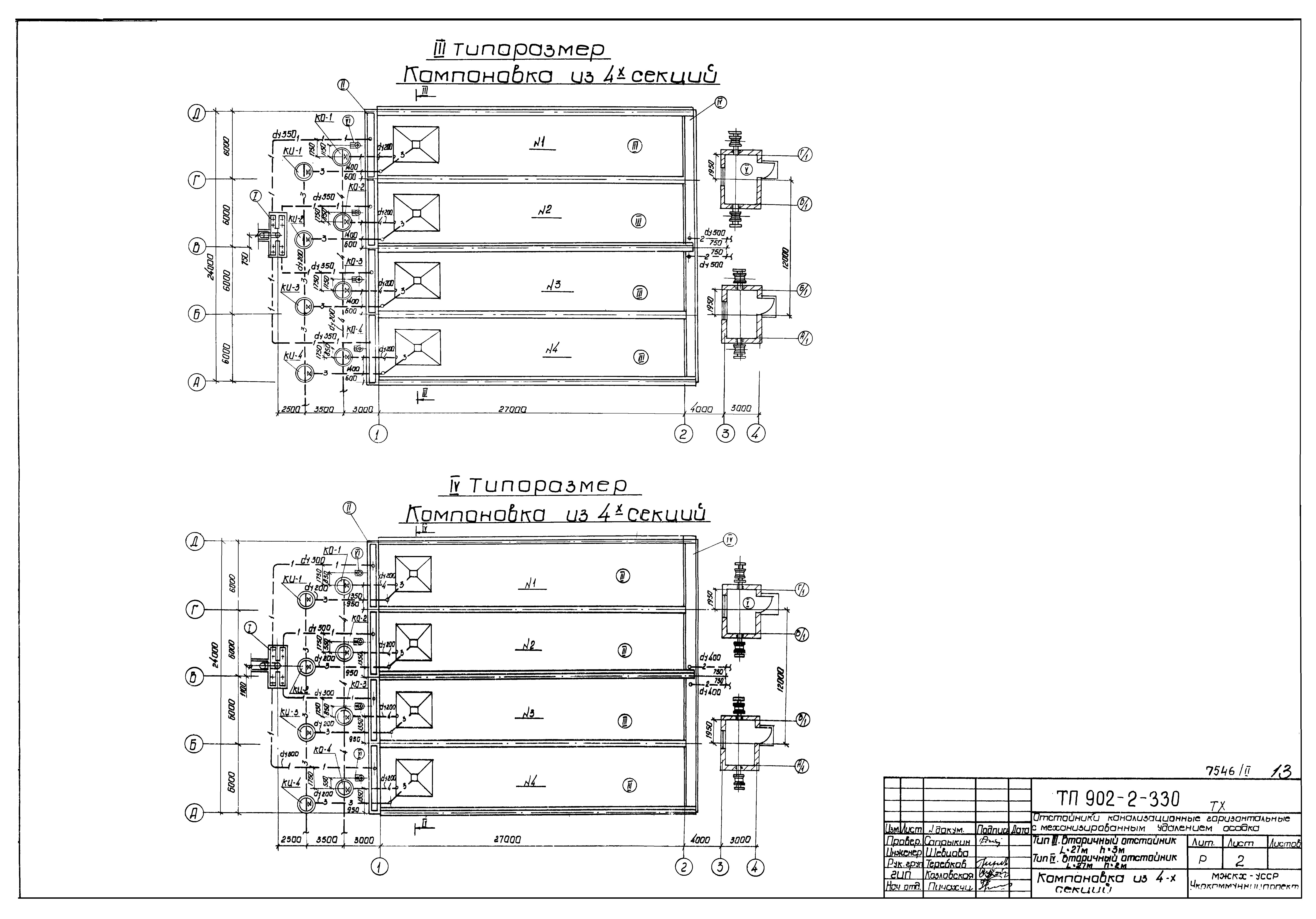
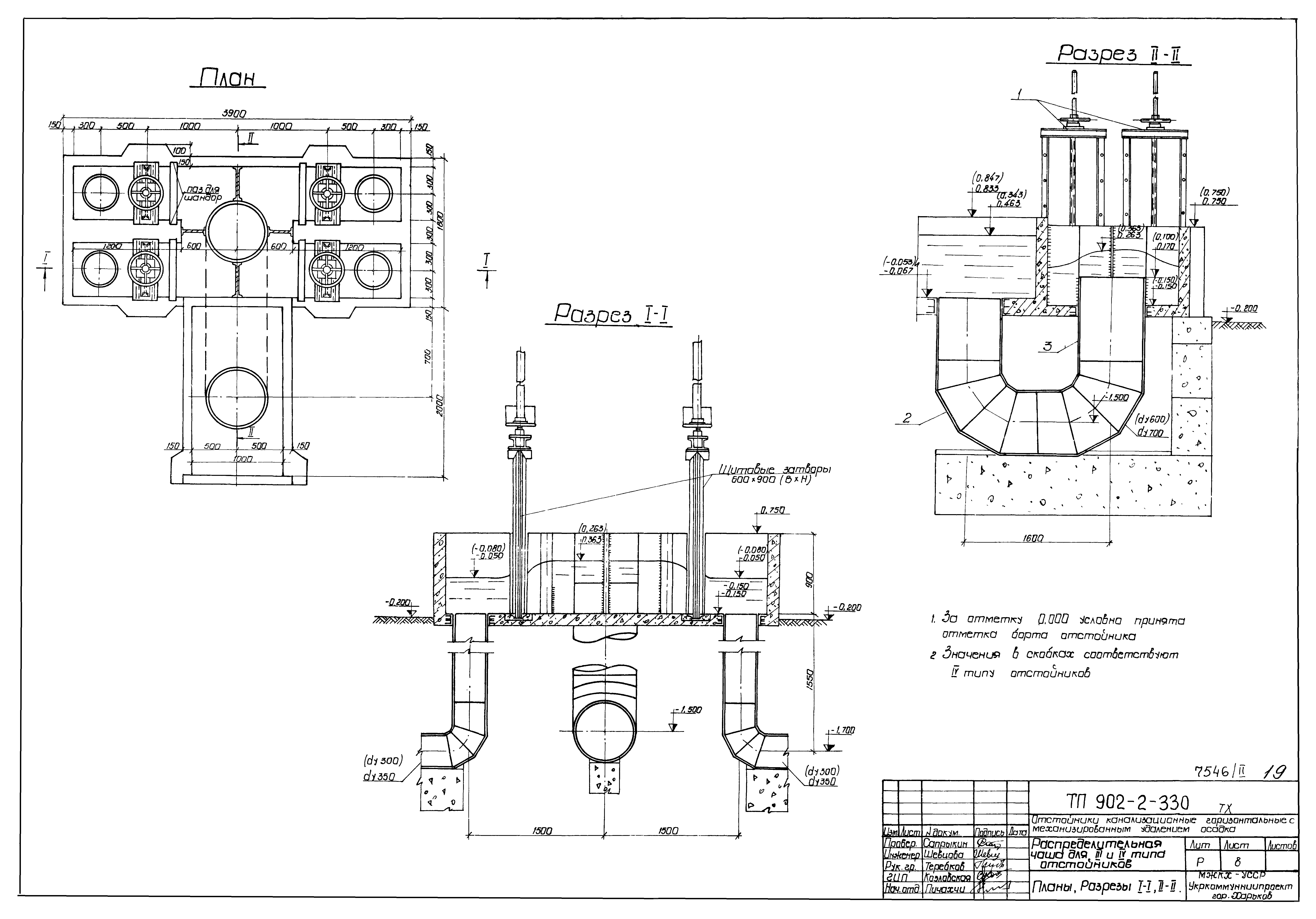
| Оглавление: | ТП 902-2-330 Общие данные ТП 902-2-330 Компоновка из 2-х и 4-х секций ТП 902-2-330 Тип 1. План одной секции. Разрезы 1-1,2-2 ТП 902-2-330 Тип 2. План одной секции. Разрезы 1-1,2-2 ТП 902-2-330 Разрезы 3-3,4-4,5-5,6-6 ТП 902-2-330 Профили трубопроводов, подающих сточные воды в отстойники №1-№4 ТП 902-2-330 Профили илопровода и трубопровода опорожнения отстойников ТП 902-2-330 Распределительная чаша. План, разрезы 1-1,2-2 ТП 902-2-330 Тип 1. Спецификация для 2-х и 4-х секций ТП 902-2-330 Тип 2. Спецификация для 2-х и 4-х секций ТП 902-2-330 Общие данные ТП 902-2-330 Компоновка из 2-х и 4-х секций ТП 902-2-330 Тип 3. План одной секции. Разрезы 1-1,2-2 ТП 902-2-330 Тип 4. План одной секции. Разрезы 1-1,2-2 ТП 902-2-330 Разрезы 3-3,4-4,5-5,6-6 ТП 902-2-330 Профили трубопроводов, подающих сточные воды в отстойники №1-№4 ТП 902-2-330 Профили илопровода и трубопровода опорожнения отстойников ТП 902-2-330 Распределительная чаша. План, разрезы 1-1,2-2 ТП 902-2-330 Тип 3. Спецификация для 4-х секций |
| Разработан: | УкркоммунНИИпроект Минжилкомхоза УССР |
| Утверждён: | 15.06.1979 УкркоммунНИИпроект (315) |





















