Скачать Типовой проект 902-1-109.87 Альбом V. Подземная часть. ИзделияДата актуализации: 01.01.2021
|
| Обозначение: | Типовой проект 902-1-109.87 |
| Обозначение англ: | 902-1-109.87 |
| Статус: | не определен законодательством |
| Название рус.: | Альбом V. Подземная часть. Изделия |
| Дата добавления в базу: | 01.09.2013 |
| Дата актуализации: | 01.01.2021 |
| Дата введения: | 18.08.1987 |
| Дата окончания срока действия: | 30.06.2003 |
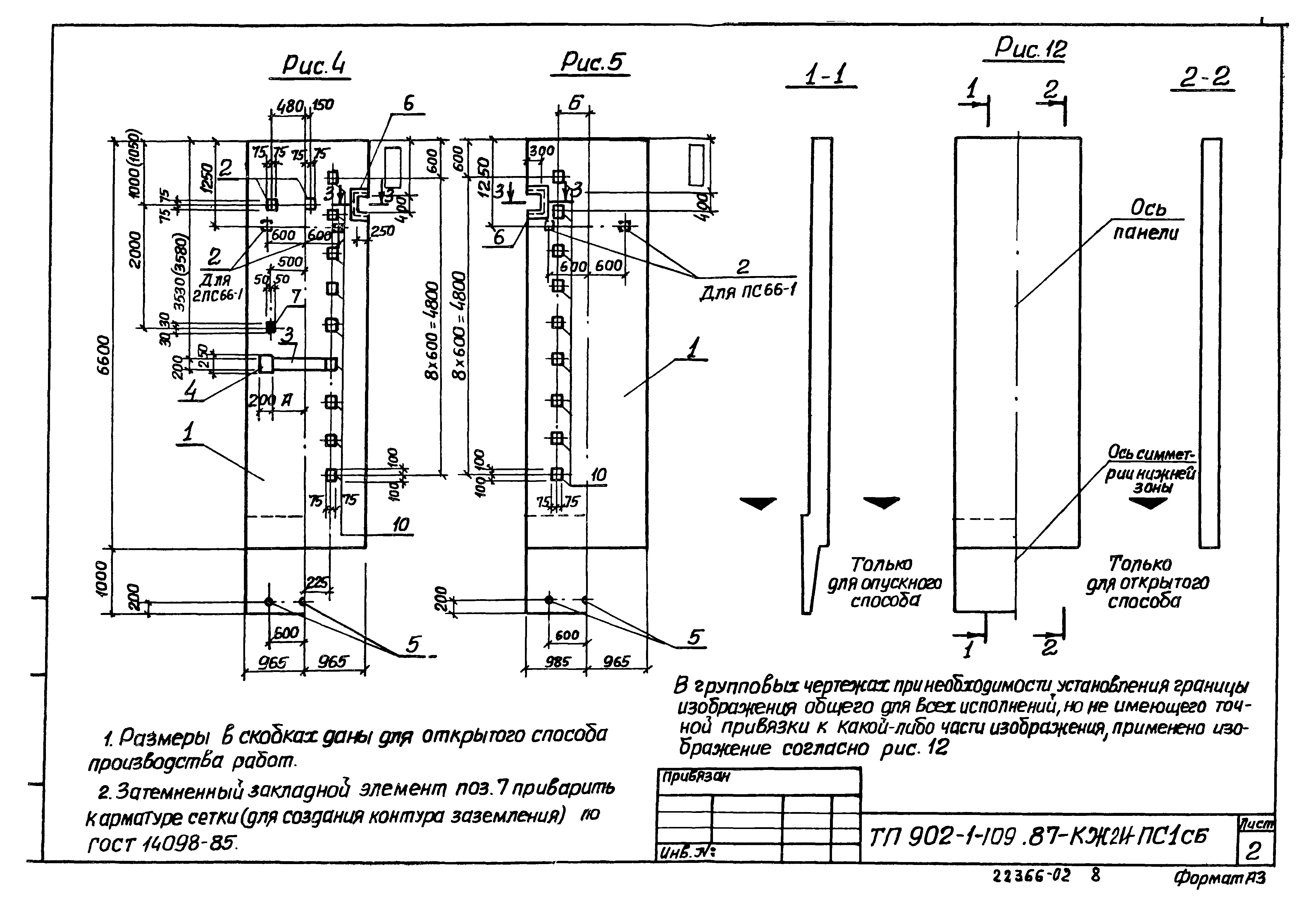
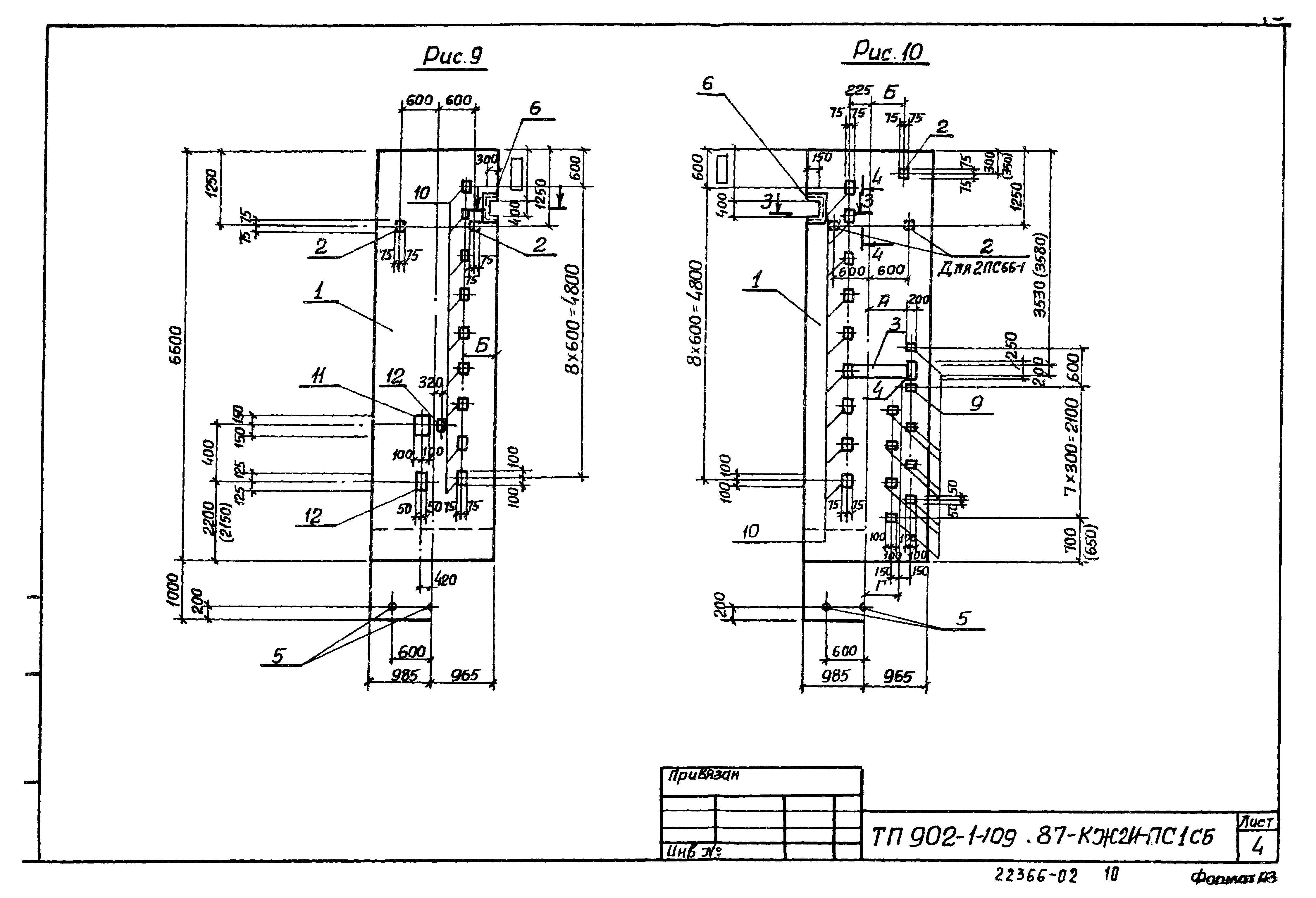
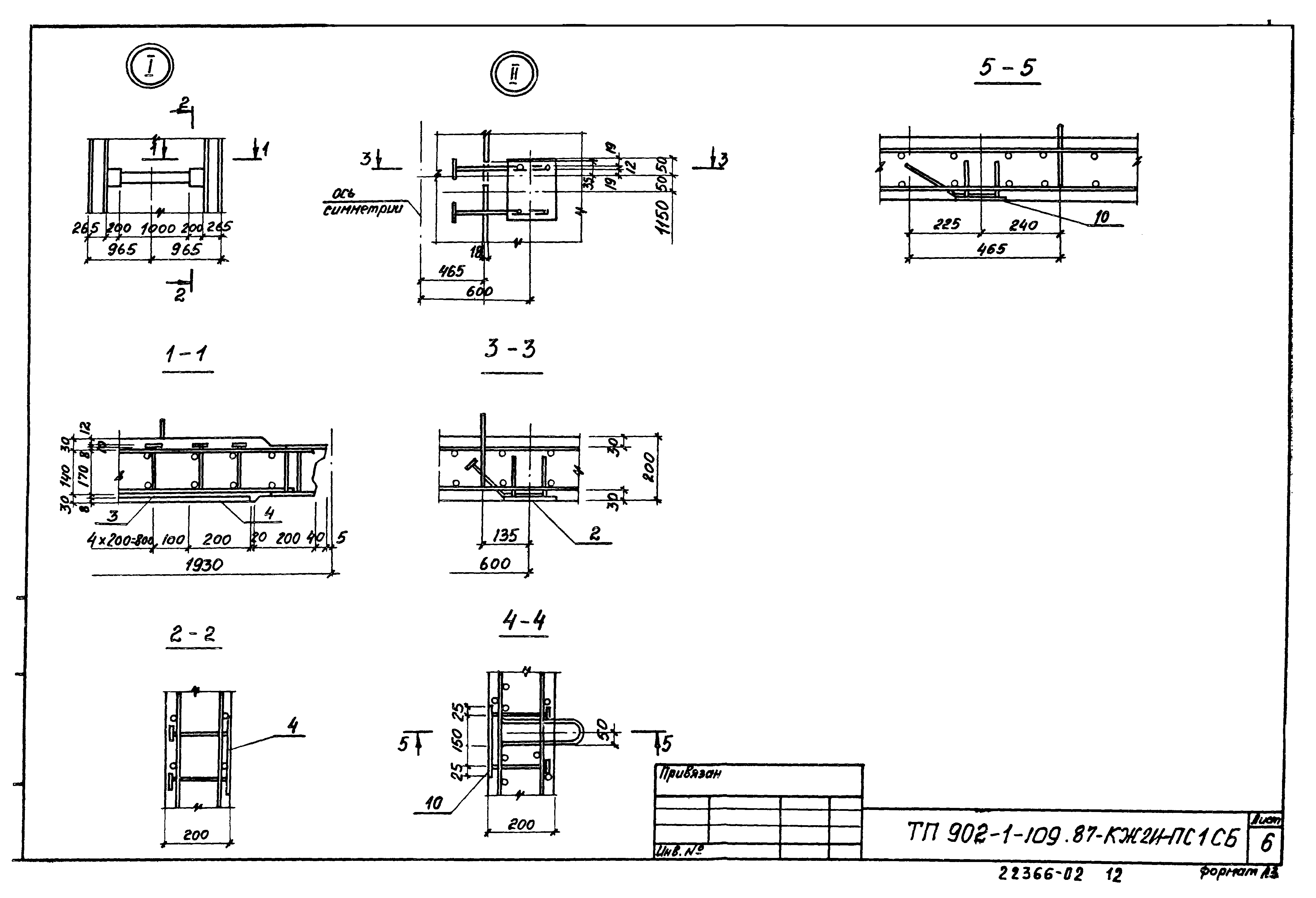
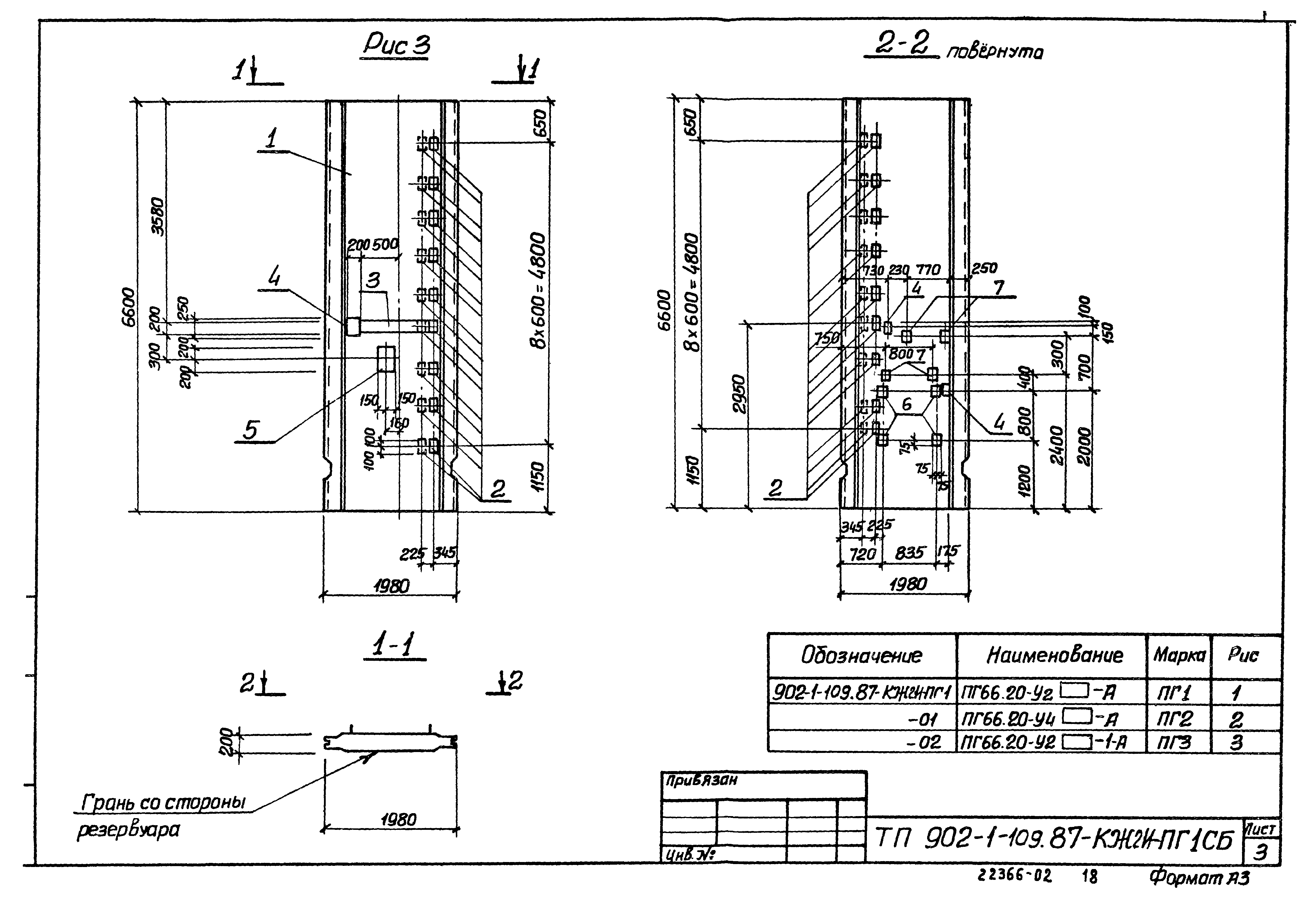
| Оглавление: | ТП 902-1-109.87-КЖ2-ТТ Технические требования ТП 902-1-109.87-КЖ2-ПС1 Панель стеновая ПС(ПС1-ПС11) ТП 902-1-109.87-КЖ2-ММ2 Изделие соединительное ММ(ММ2-ММ3) ТП 902-1-109.87-КЖ2-ПС1 СБ Панель стеновая ПС(ПС1-ПС11). Сборочный чертеж ТП 902-1-109.87-КЖ2-ВМС1 Ведомость расходной стали ПС(ПС1-ПС11) ТП 902-1-109.87-КЖ2-ВМС2 Ведомость расходной стали ПС(ПС2-ПС11) ТП 902-1-109.87-КЖ2-ПГ1 Панель перегородочная ПГ(ПГ1-ПГ3) ТП 902-1-109.87-КЖ2-ПГ1 СБ Панель перегородочная ПГ(ПГ1-ПГ3). Сборочный чертеж ТП 902-1-109.87-КЖ2-КР1 Каркас плоский КР1 ТП 902-1-109.87-КЖ2-КР3 Каркас плоский КР3 ТП 902-1-109.87-КЖ2-КР2 Каркас плоский КР2 ТП 902-1-109.87-КЖ2-ММ1 Изделие соединительное ММ1 ТП 902-1-109.87-КЖ2-МН1 Изделие закладное МН1 ТП 902-1-109.87-КЖ2-МН1 СБ Изделие закладное МН1. Сборочный чертеж |
| Разработан: | Харьковский Водоканалпроект |
| Утверждён: | 12.06.1987 Госстрой СССР (Государственный комитет Совета Министров СССР по делам строительства) (USSR Gosstroy АЧ-60) |






















