Скачать Типовой проект 902-2-360 Альбом 3. ИзделияДата актуализации: 01.01.2021
|
| Обозначение: | Типовой проект 902-2-360 |
| Обозначение англ: | 902-2-360 |
| Статус: | не определен законодательством |
| Название рус.: | Альбом 3. Изделия |
| Дата добавления в базу: | 01.09.2013 |
| Дата актуализации: | 01.01.2021 |
| Дата введения: | 27.01.1983 |
| Дата окончания срока действия: | 30.06.2003 |
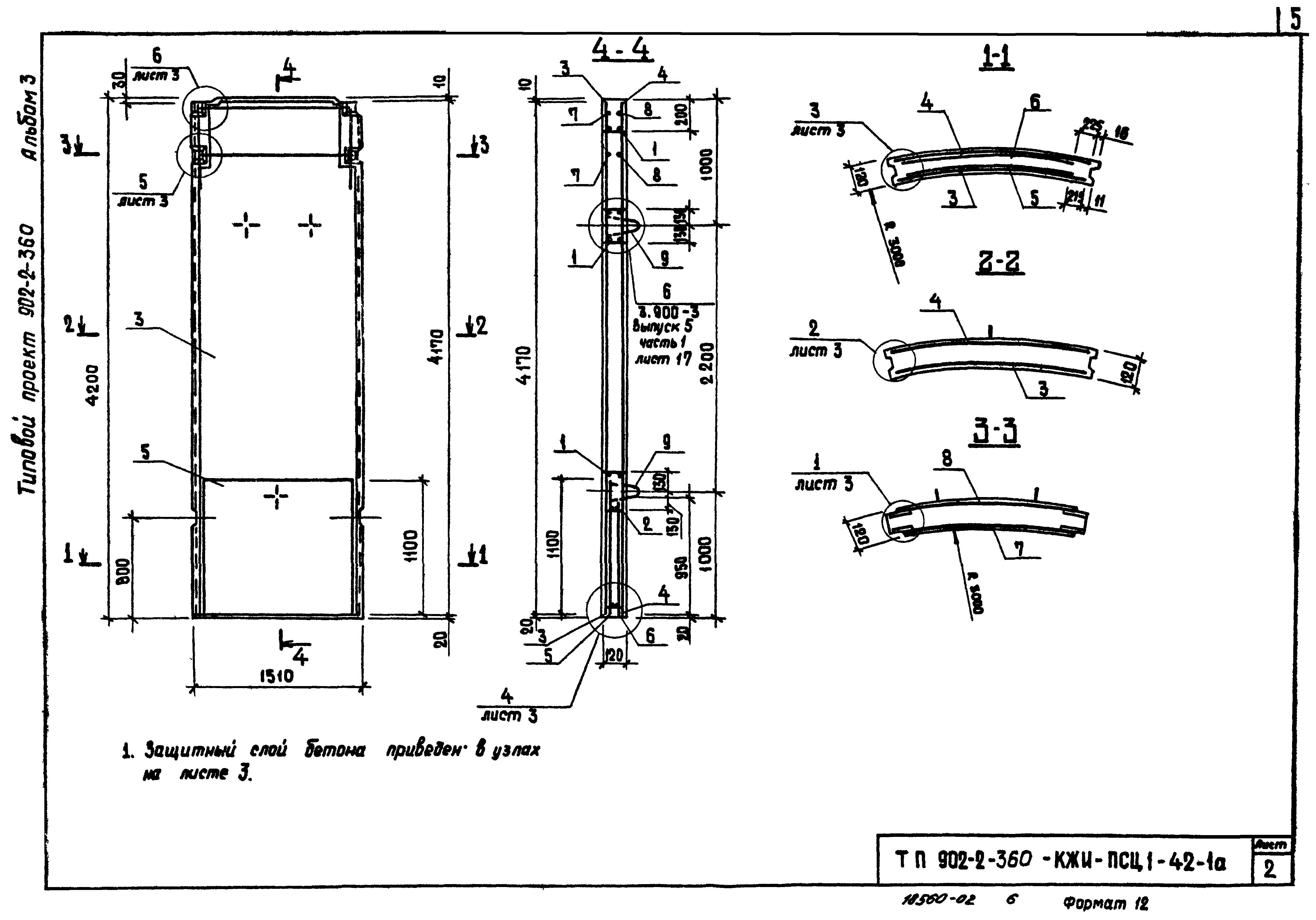
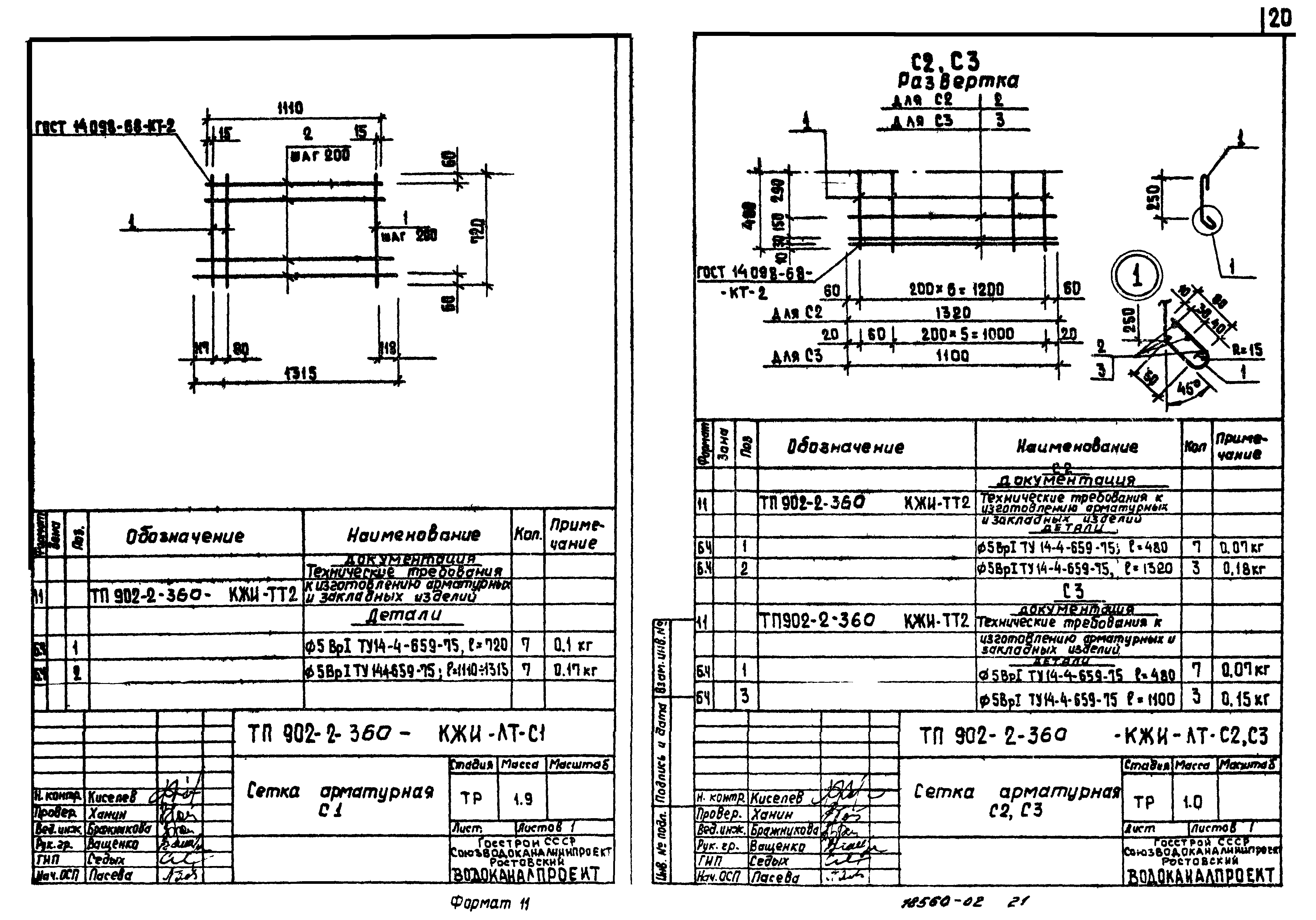
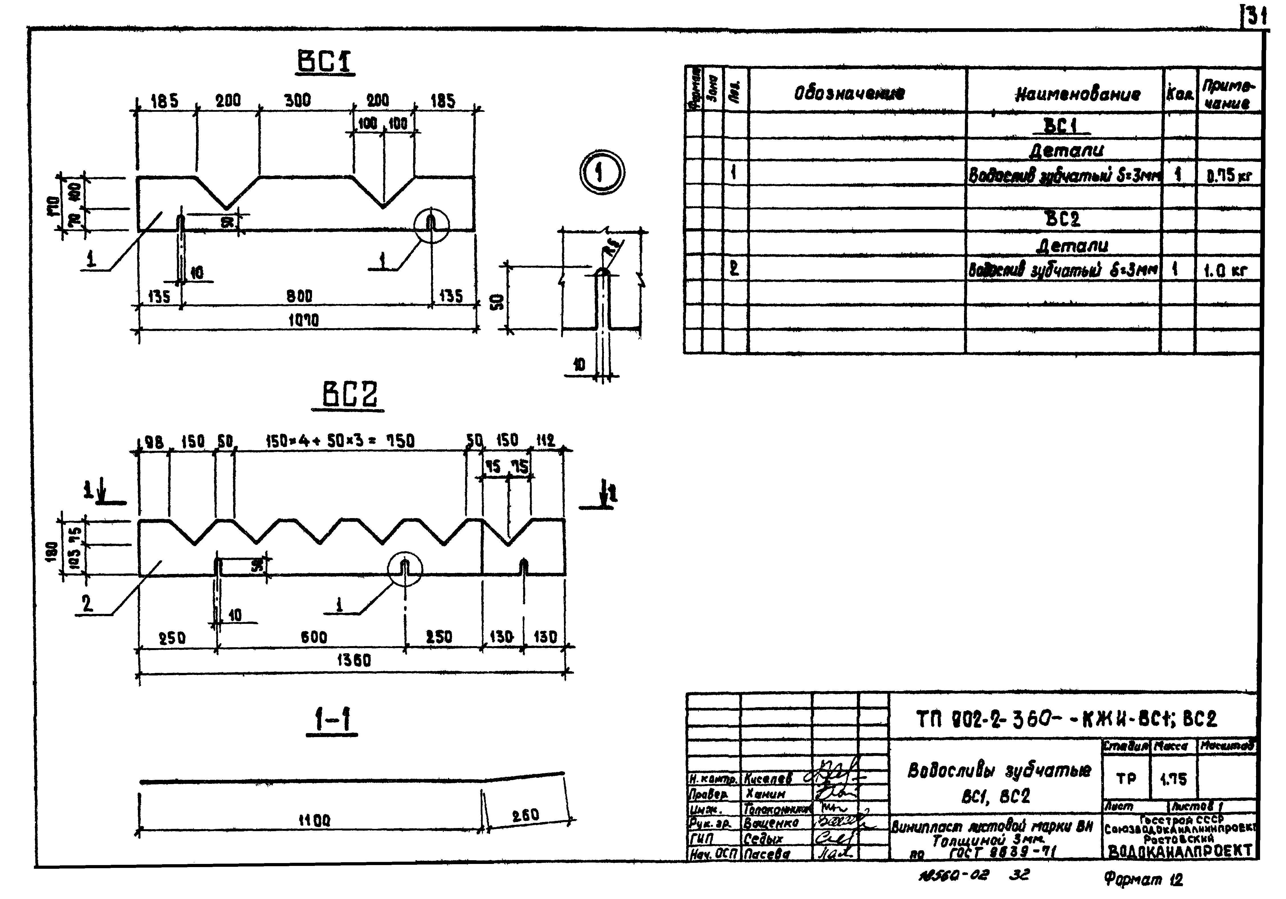
| Оглавление: | ТП 902-2-360-КЖИ-ДО Содержание листов альбома ТП 902-2-360-КЖИ-ТТ1 Технические требования к изготовлению сборных железобетонных изделий ТП 902-2-360-КЖИ-ТТ2 Технические требования к изготовлению арматурных и закладных изделий ТП 902-2-360-КЖИ-ПСЦ Панели стеновые ТП 902-2-360-КЖИ-ПСЦ1-42-1а Панель стеновая ПСЦ1-42-1а ТП 902-2-360-КЖИ-ПСЦ1-42-1б,ПСЦ1-42-1в,ПСЦ1-42-1г Панель стеновая ПСЦ1-42-1б,ПСЦ1-42-1в,ПСЦ1-42-1г ТП 902-2-360-КЖИ-ПСЦ1-42-1д,ПСЦ1-42-1е Панель стеновая ПСЦ1-42-1д,ПСЦ1-42-1е ТП 902-2-360-КЖИ-ПСЦ-КР1;КР2 Каркасы плоские КР1;КР2 ТП 902-2-360-КЖИ-ПСЦ-С1;С2 Сетки арматурные С1;С2 ТП 902-2-360-КЖИ-ПСЦ-С3 Сетка арматурная С3 ТП 902-2-360-КЖИ-ПСЦ-С4 Сетка арматурная С4 ТП 902-2-360-КЖИ-ПСЦ-МН1;МН2 Изделия закладные МН1;МН2 ТП 902-2-360-КЖИ-ПСЦ-МН3 Изделие закладное МН3 ТП 902-2-360-КЖИ-ПСЦ-МН4 Изделие закладное МН4 ТП 902-2-360-КЖИ-ПСЦ-МН5 Изделие закладное МН5 ТП 902-2-360-КЖИ-ПСЦ-МС1 Изделие соединительное МС1 ТП 902-2-360-КЖИ-Б Балка ТП 902-2-360-КЖИ-Б1 Балка Б1 ТП 902-2-360-КЖИ-Б-КП1 Каркас пространственный КП1 ТП 902-2-360-КЖИ-Б-КР1 Каркас плоский КР1 ТП 902-2-360-КЖИ-ЛТ Лотки ТП 902-2-360-КЖИ-ЛТ3-8-8а Лоток ЛТ3-8-8а ТП 902-2-360-КЖИ-ЛТ1б-9-6 Лоток ЛТ1б-9-6 ТП 902-2-360-КЖИ-ЛТ1б-4.5-3 Лоток ЛТ1б-4.5-3 ТП 902-2-360-КЖИ-ЛТ-С1 Сетка арматурная С1 ТП 902-2-360-КЖИ-ЛТ-С2;С3 Сетки арматурные С2;С3 ТП 902-2-360-КЖИ-ЛТ-С4 Сетка арматурная С4 ТП 902-2-360-КЖИ-ЛТ-С5 Сетка арматурная С5 ТП 902-2-360-КЖИ-ЛТ-С6 Сетка арматурная С6 ТП 902-2-360-КЖИ-ЛТ-С7 Сетка арматурная С7 ТП 902-2-360-КЖИ-ЛТ-С8 Сетка арматурная С8 ТП 902-2-360-КЖИ-ЛТ-С9 Сетка арматурная С9 ТП 902-2-360-КЖИ-ЛТ-КР1 Каркас плоский КР1 ТП 902-2-360-КЖИ-ЛТ-МН1 Изделие закладное МН1 ТП 902-2-360-КЖИ Изделия монолитные железобетонные ТП 902-2-360-КЖИ-ЛТ-КП1 Каркас пространственный КП1 ТП 902-2-360-КЖИ-ЛТ-КП2 Каркас пространственный КП2 ТП 902-2-360-КЖИ-КР1 Каркас плоский КР1 ТП 902-2-360-КЖИ-КР2 Каркас плоский КР2 ТП 902-2-360-КЖИ-С1 Сетка арматурная С1 ТП 902-2-360-КЖИ-С2 Сетка арматурная С2 ТП 902-2-360-КЖИ-С3 Сетка арматурная С3 ТП 902-2-360-КЖИ-С4 Сетка арматурная С4 ТП 902-2-360-КЖИ-С5 Сетка арматурная С5 ТП 902-2-360-КЖИ-МН1 Изделие закладное МН1 ТП 902-2-360-КЖИ Прочие изделия ТП 902-2-360-КЖИ-ВС1,ВС2 Водосливы зубчатые ВС1,ВС2 ТП 902-2-360-КЖИ-КЦП1-15-2а Плита перекрытия КЦП1-15-2а ТП 902-2-360-КЖИ-МН1 Изделие закладное МН1 |
| Разработан: | Союзводоканалниипроект Ростовский Водоканалпроект |
| Утверждён: | 25.08.1982 Главпромстройпроект Госстроя СССР (32) |
| Заменяет собой: |

































