Скачать Типовой проект 902-2-283 Альбом III. Строительная часть. Узлы, детали, сборные железобетонные элементы (из ТП 902-2-281)Дата актуализации: 01.01.2021
|
| Обозначение: | Типовой проект 902-2-283 |
| Обозначение англ: | 902-2-283 |
| Статус: | действует |
| Название рус.: | Альбом III. Строительная часть. Узлы, детали, сборные железобетонные элементы (из ТП 902-2-281) |
| Дата добавления в базу: | 01.09.2013 |
| Дата актуализации: | 01.01.2021 |
| Дата введения: | 15.12.1976 |
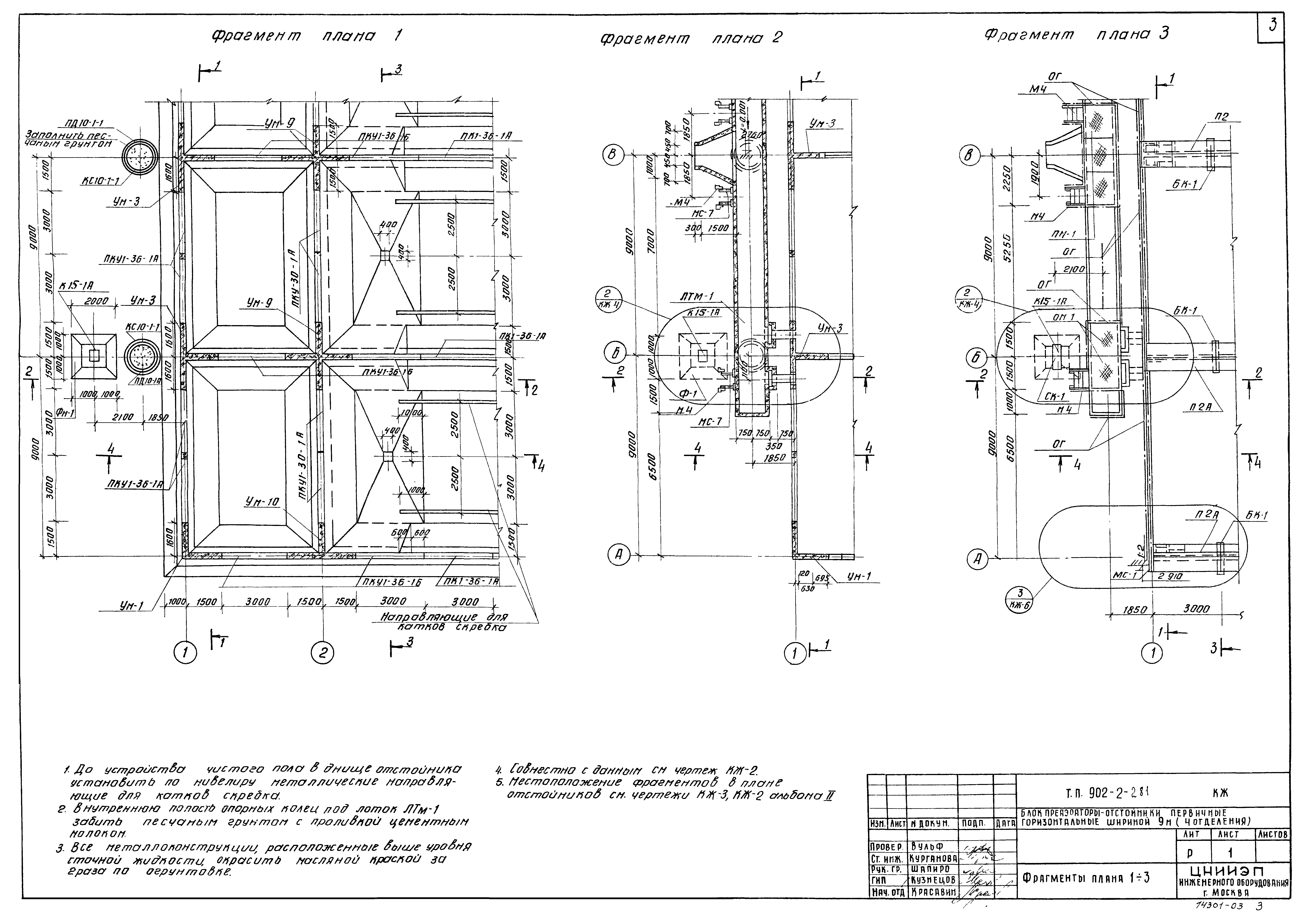
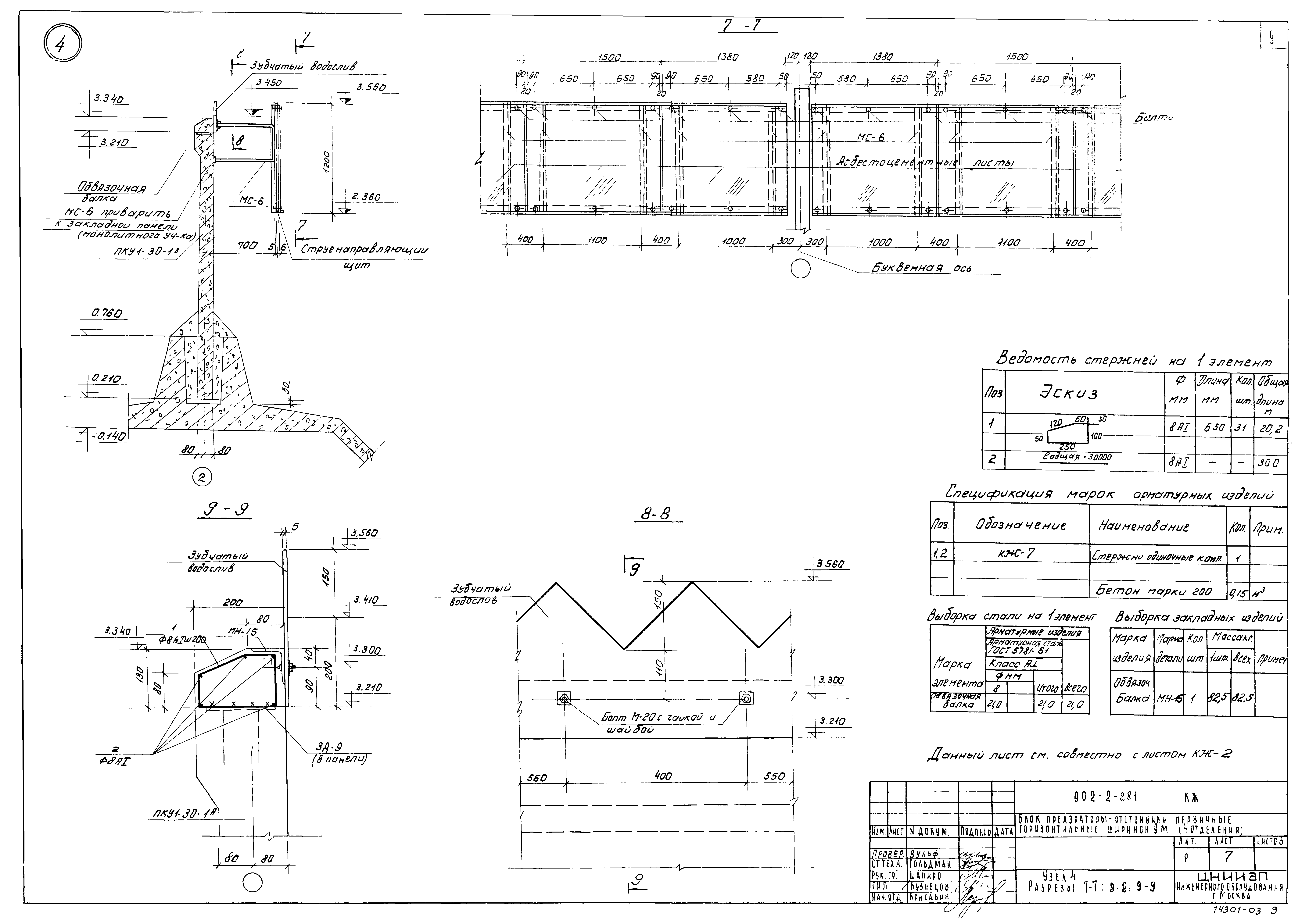
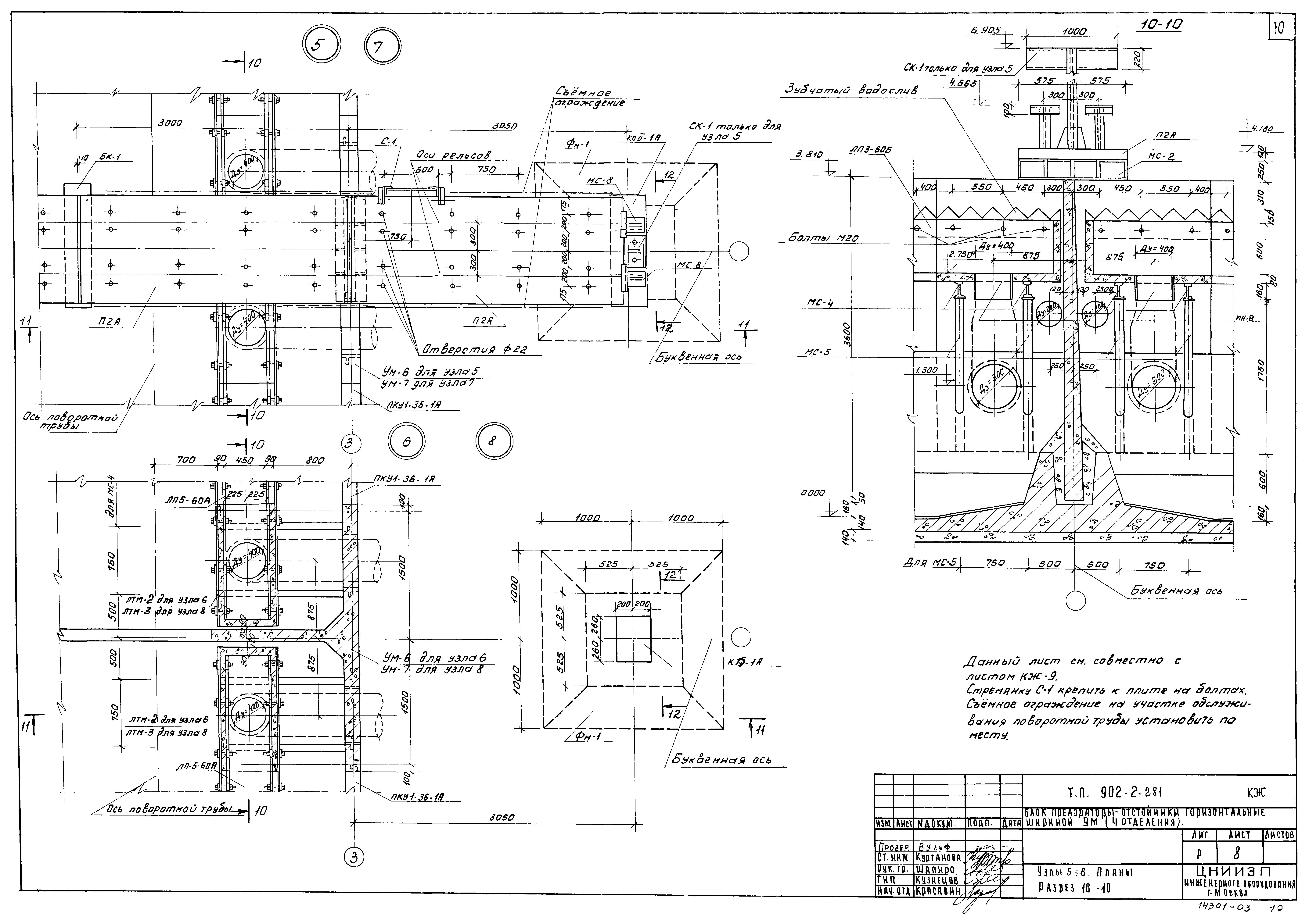
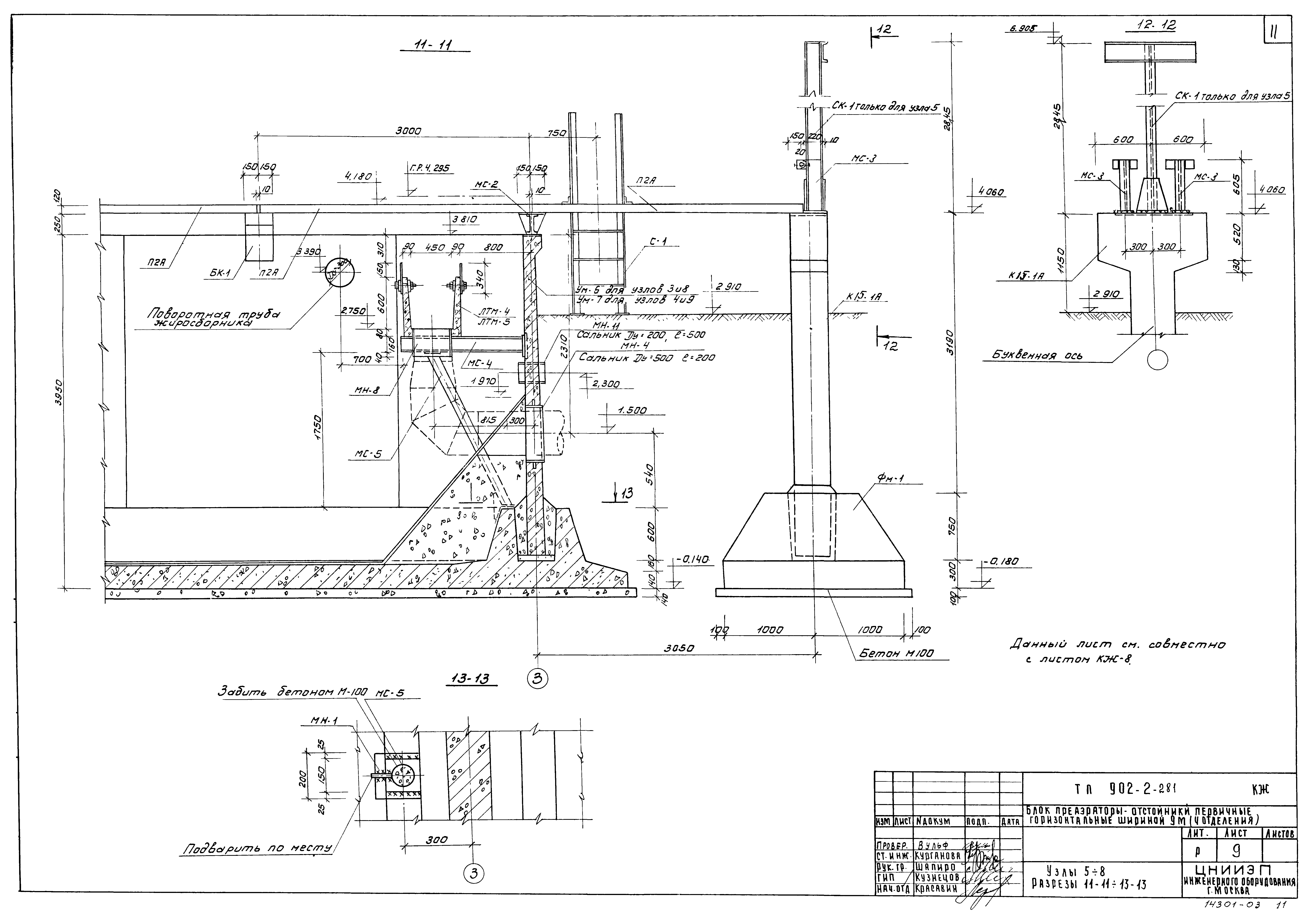
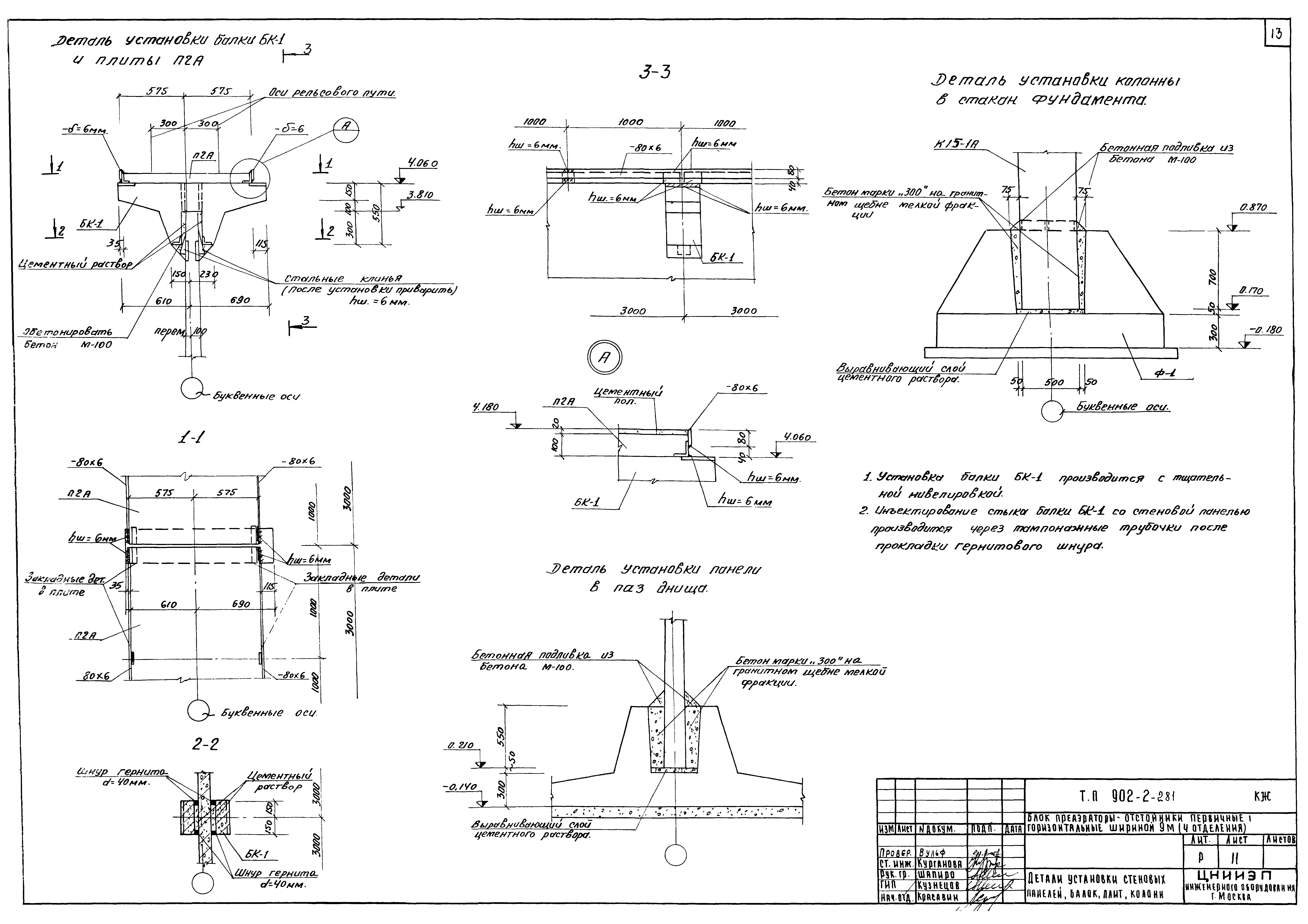
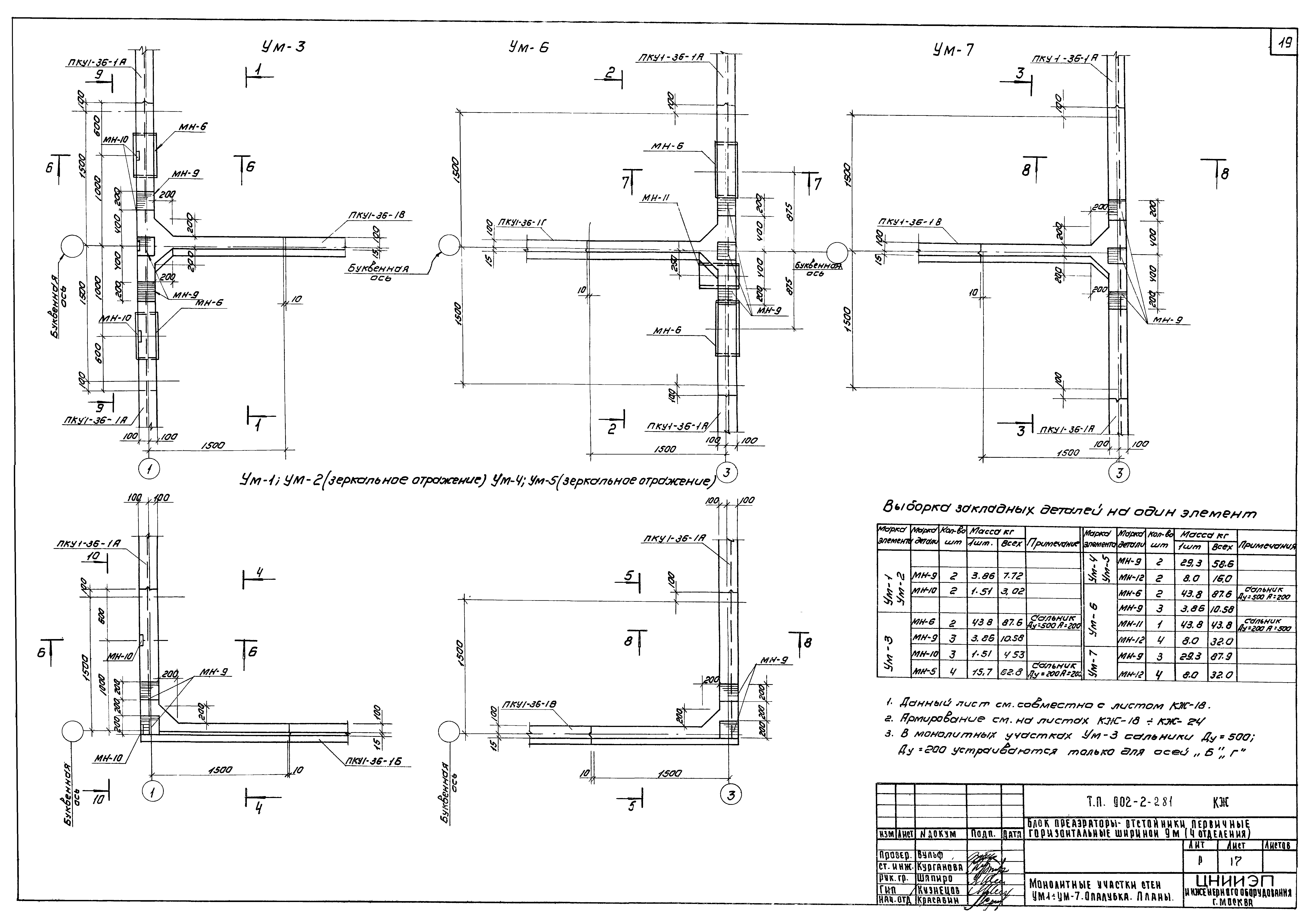
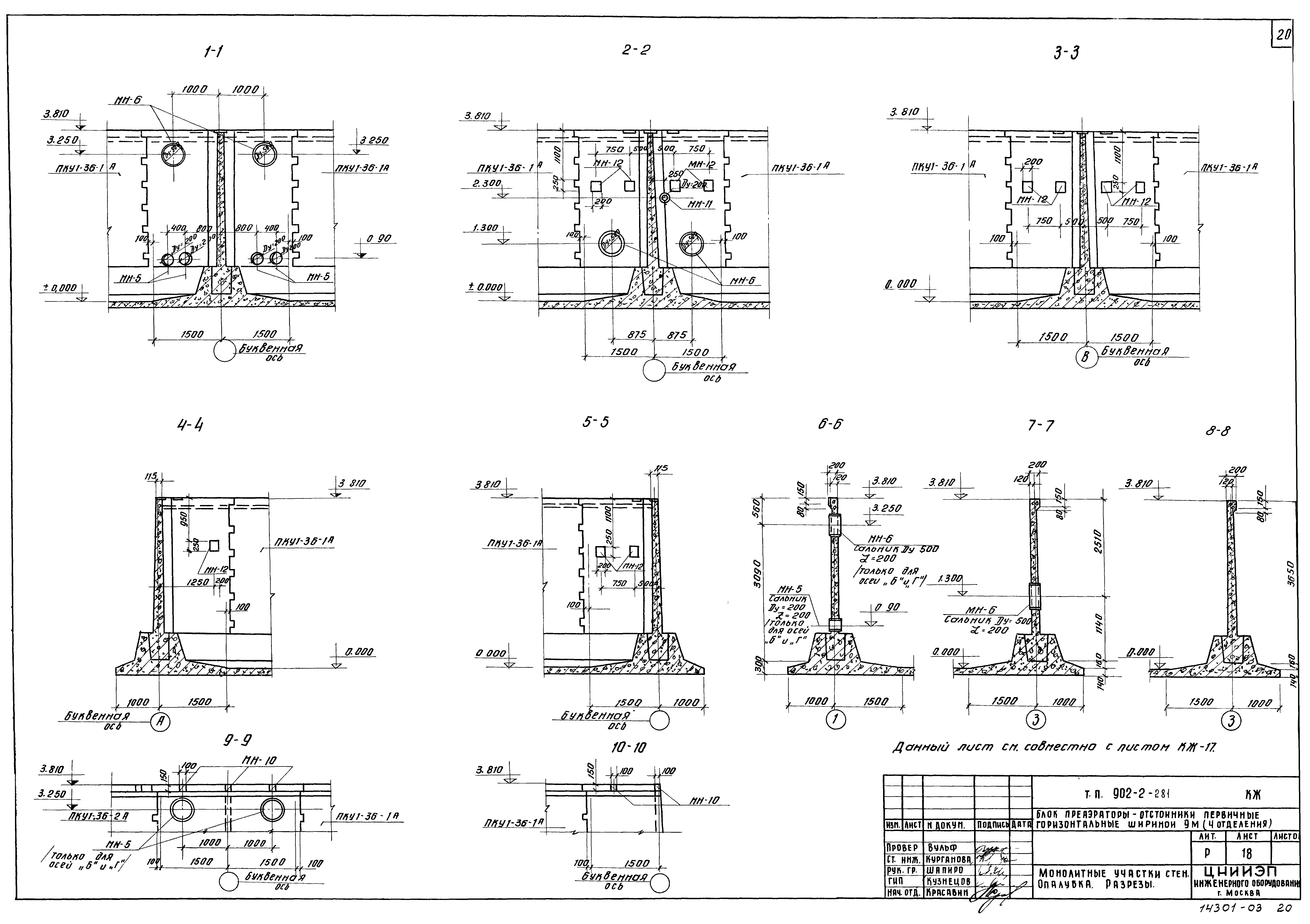
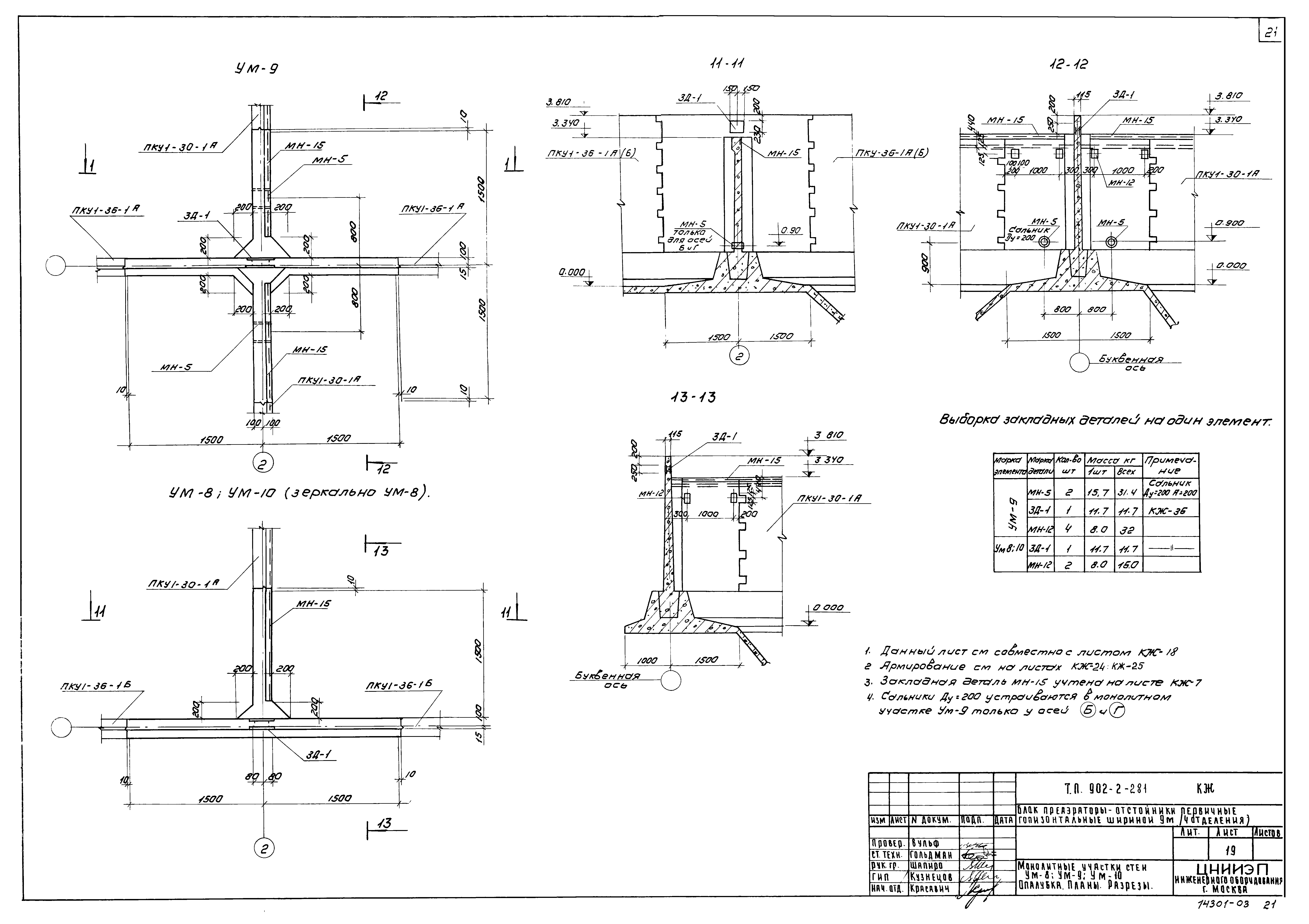
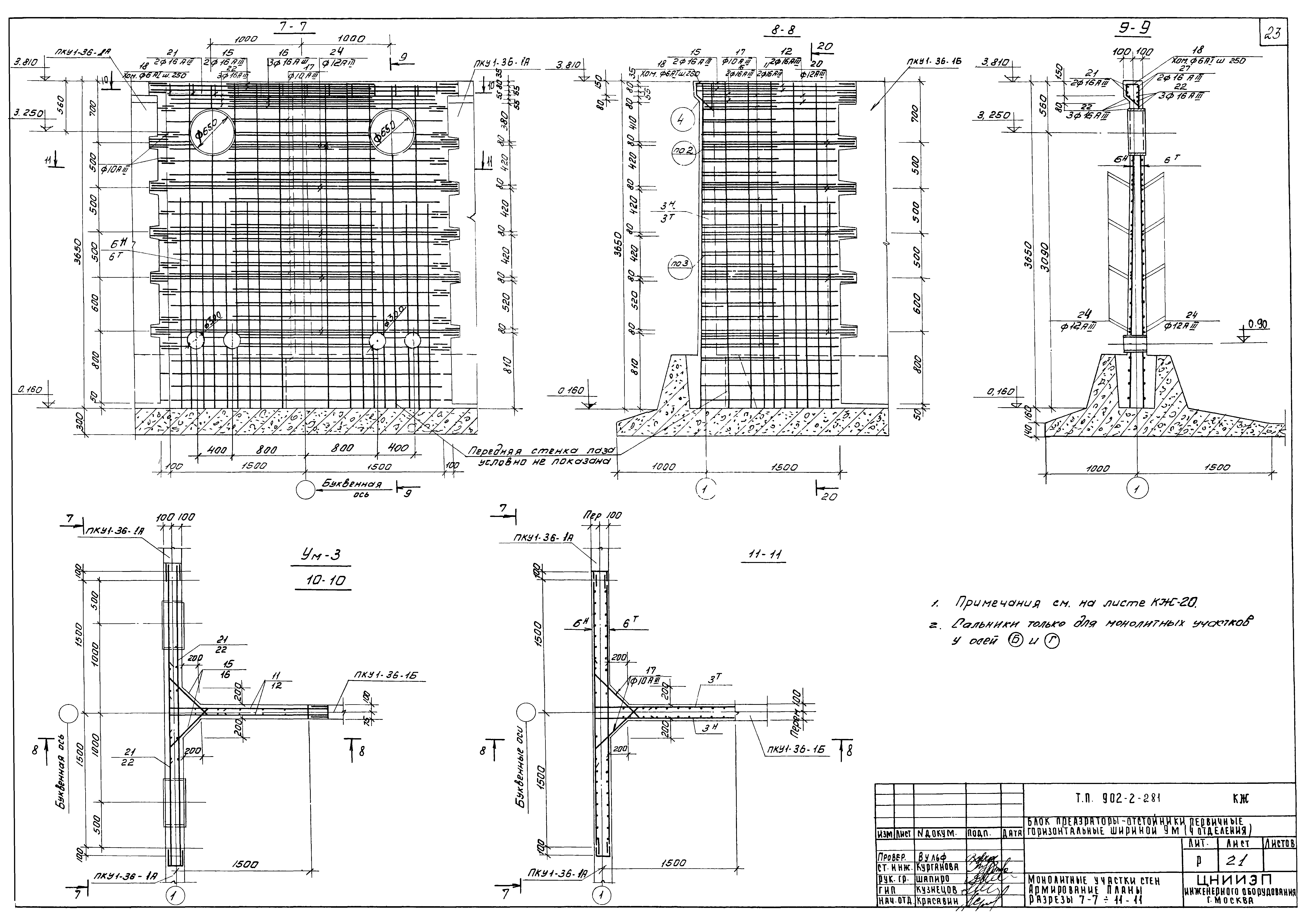
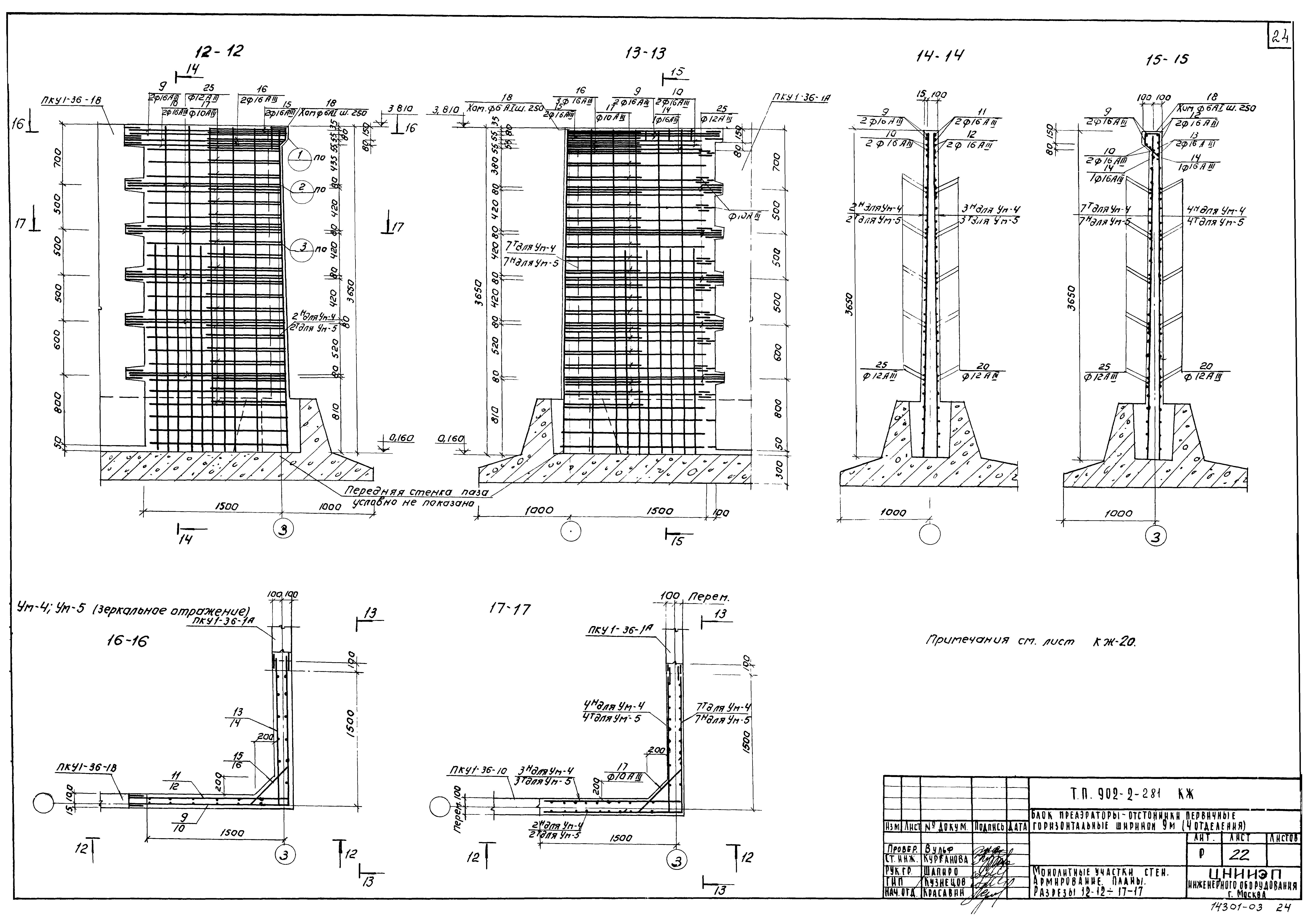
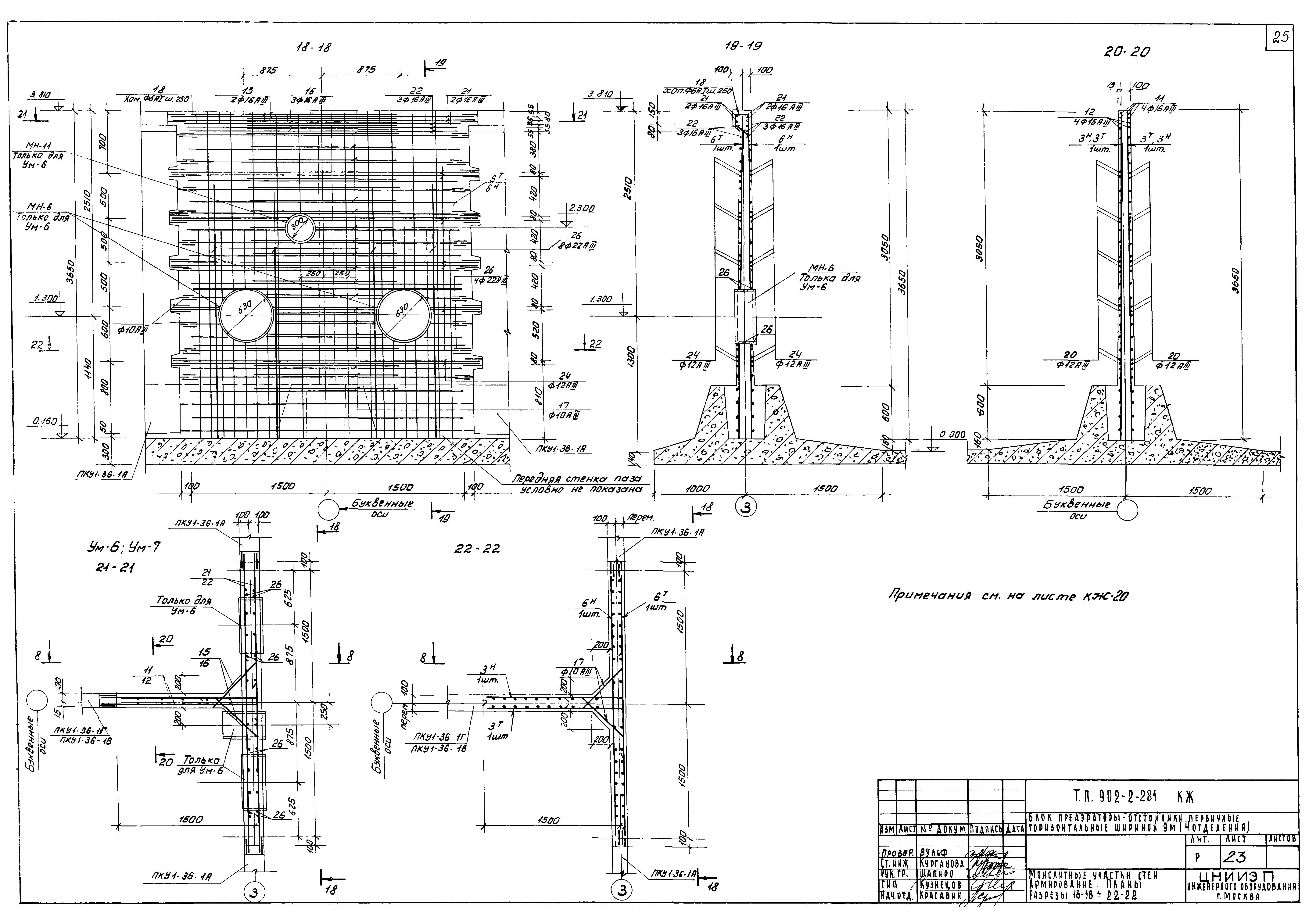
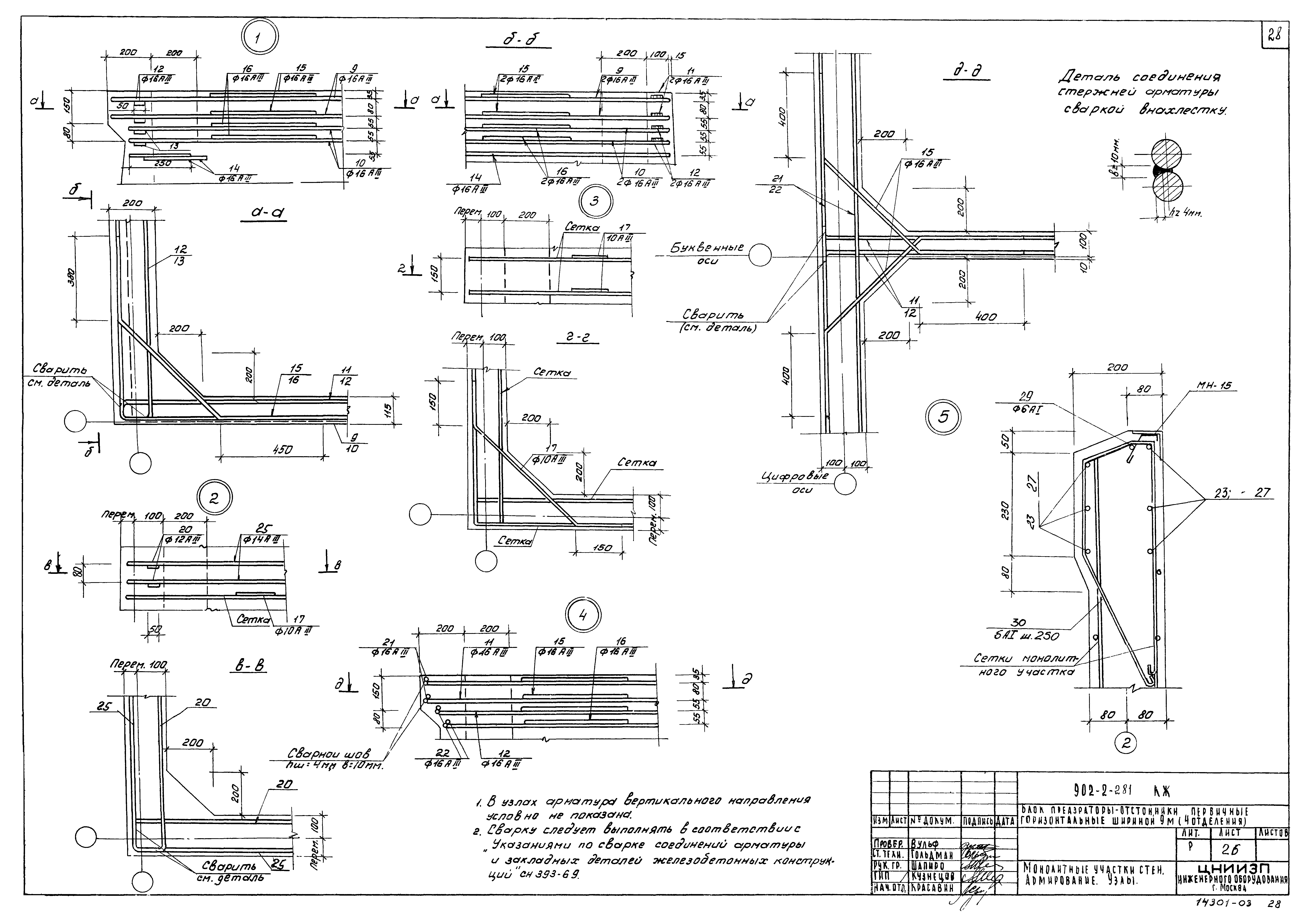
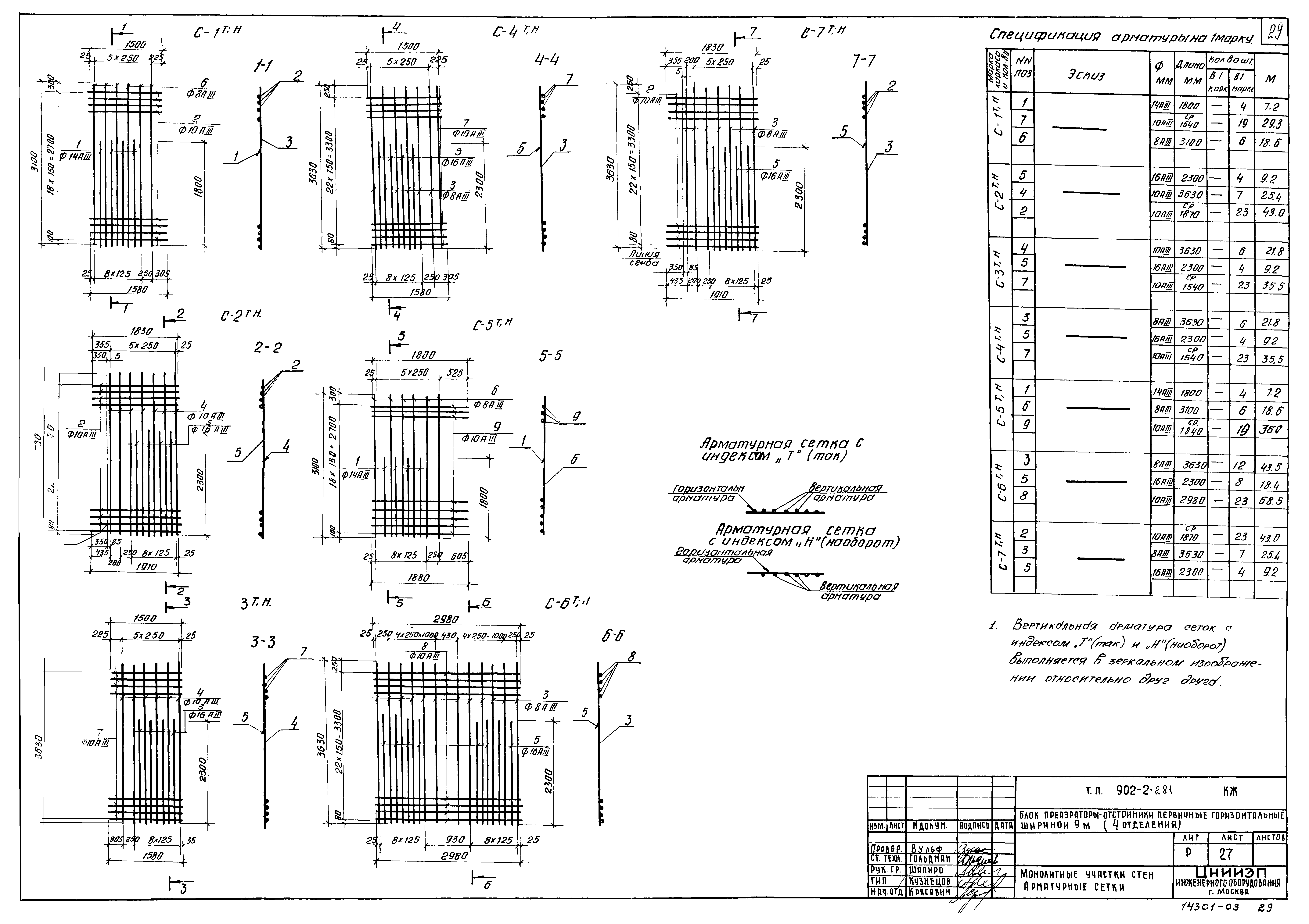
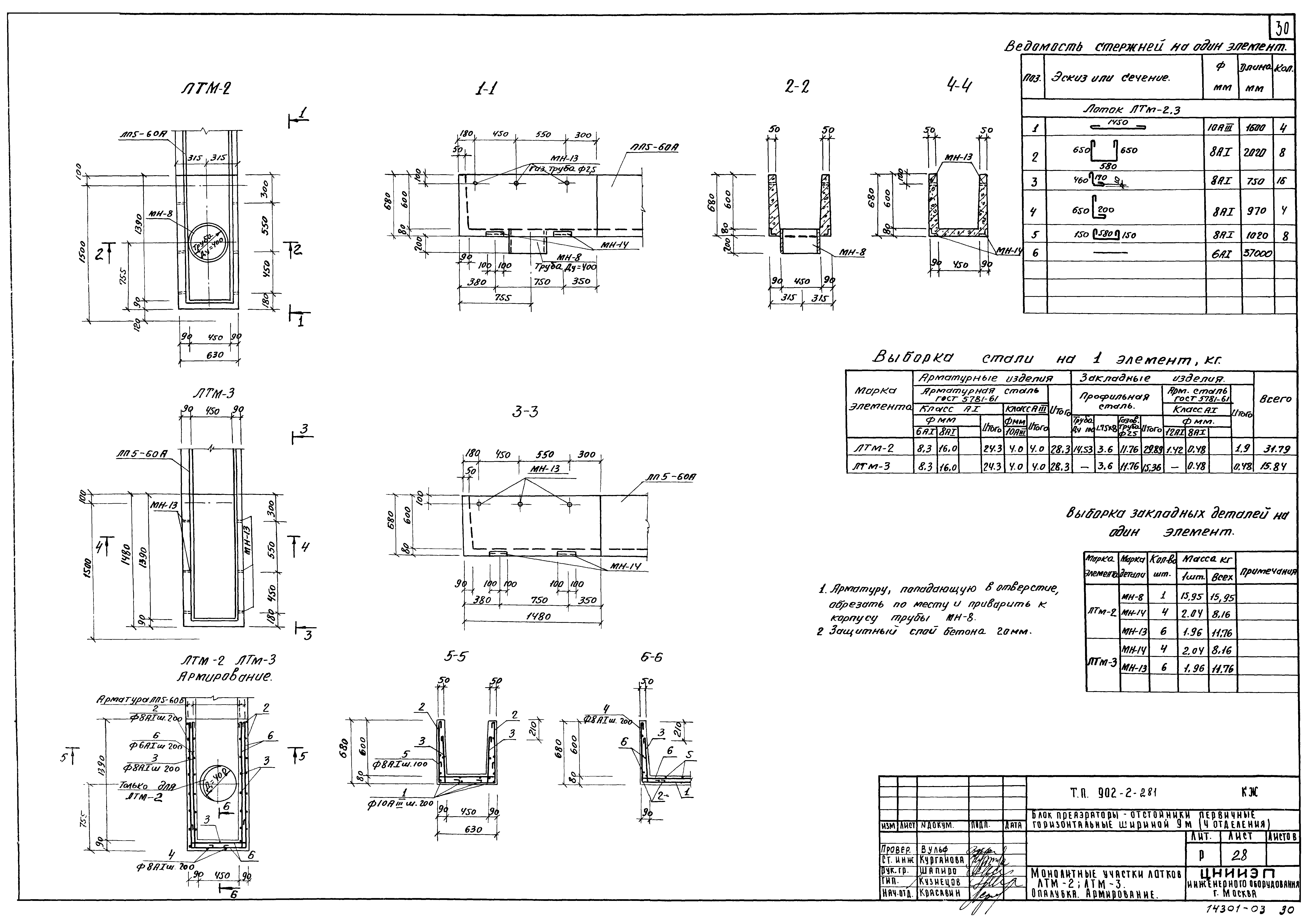
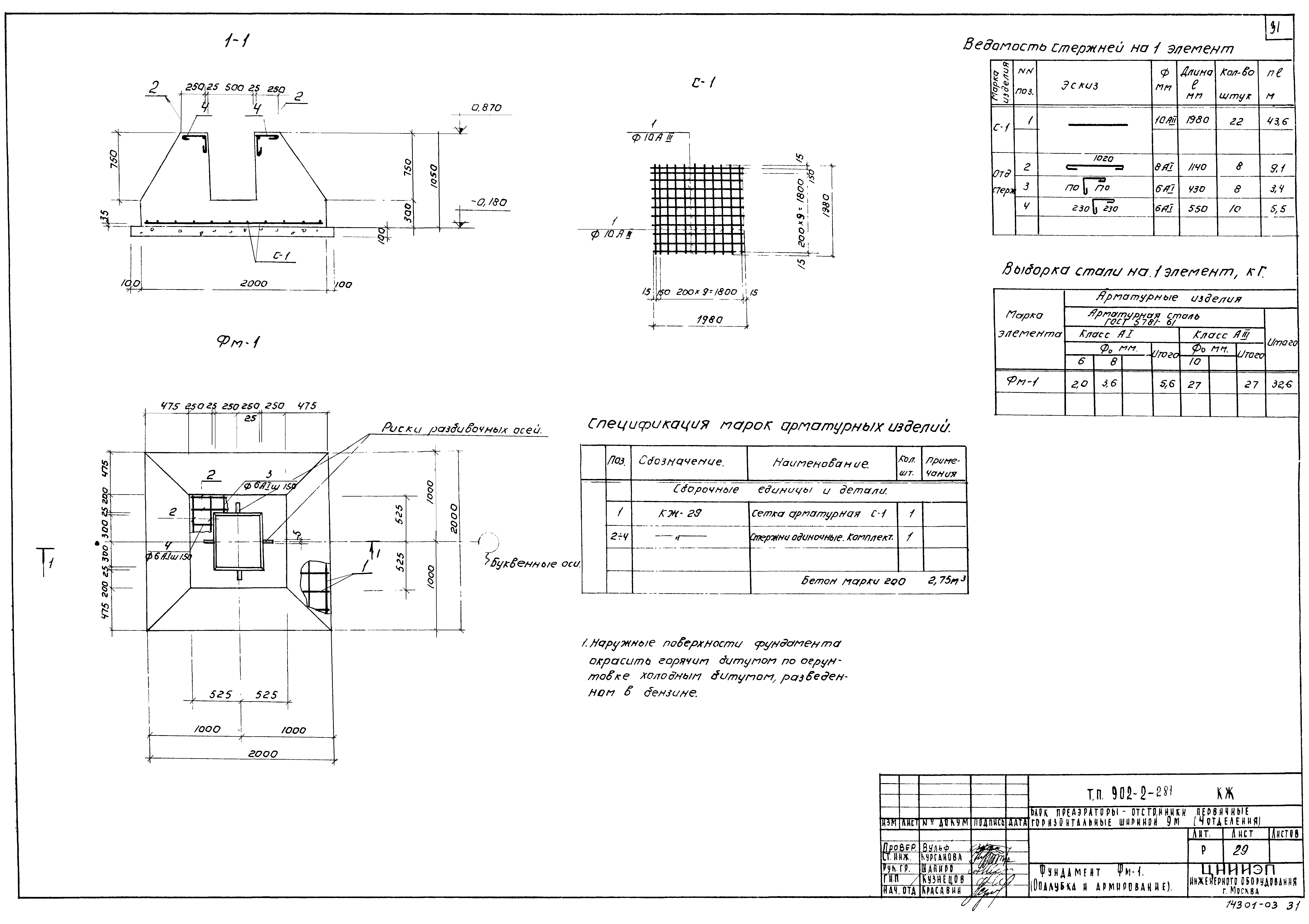
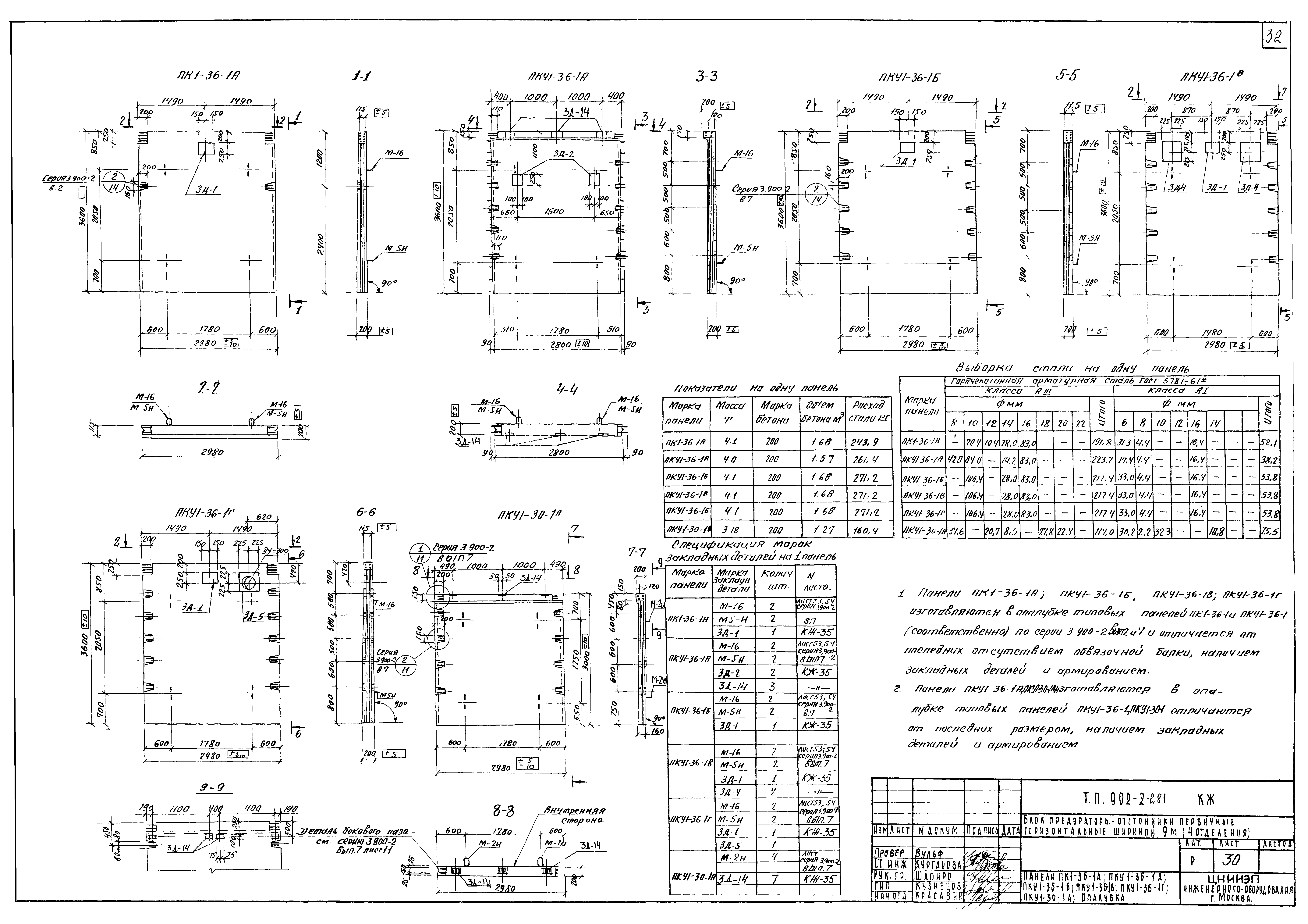
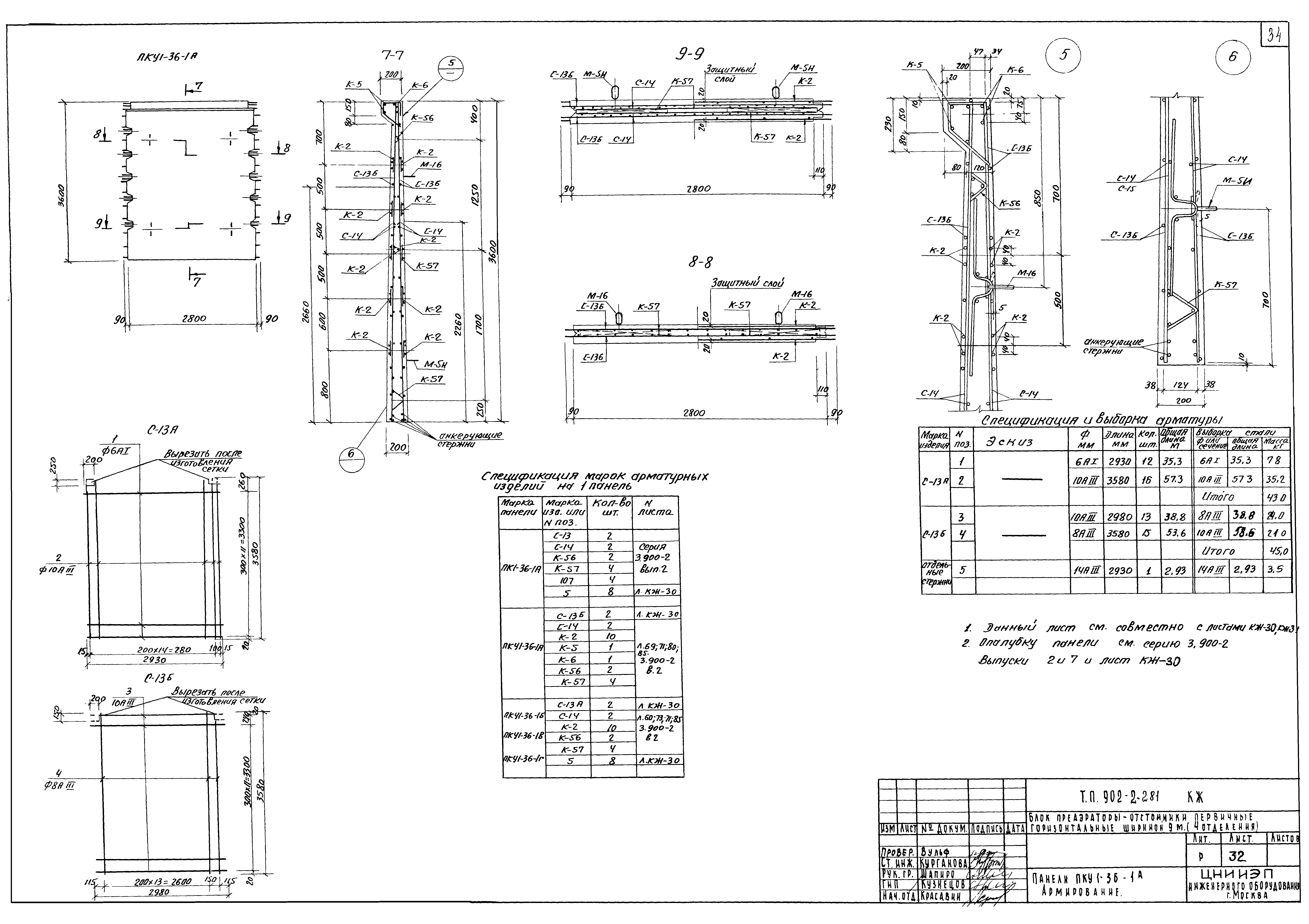
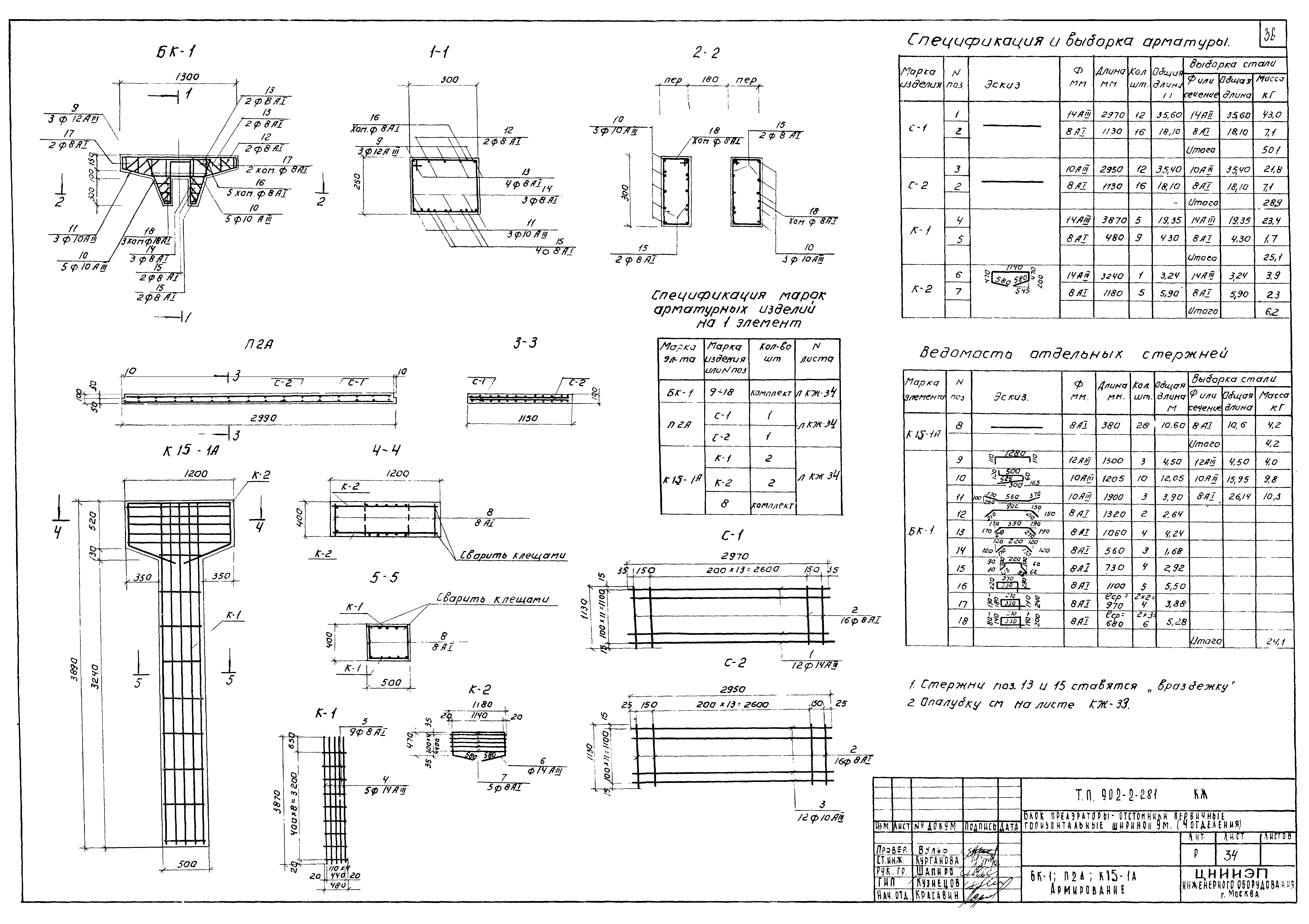
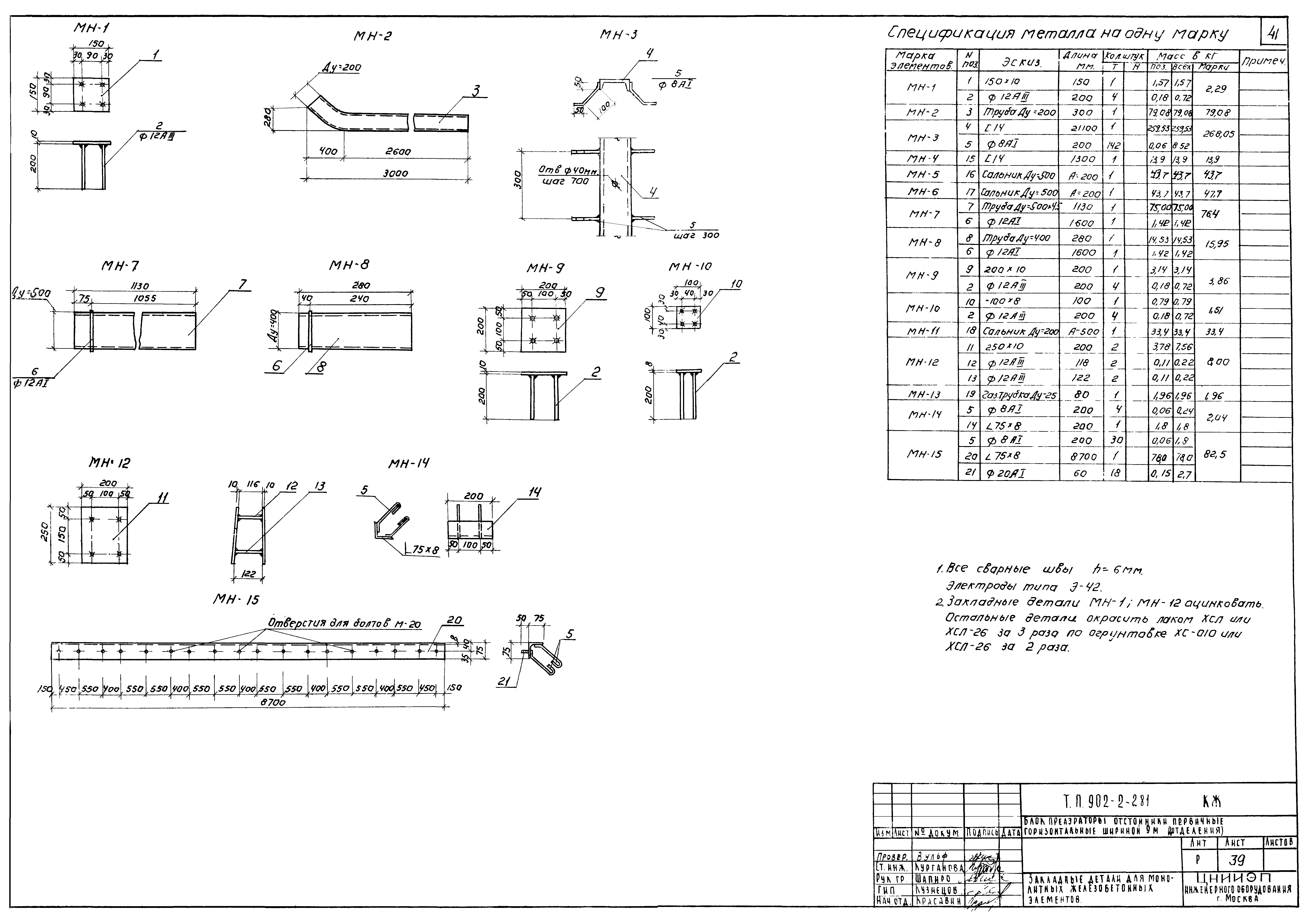
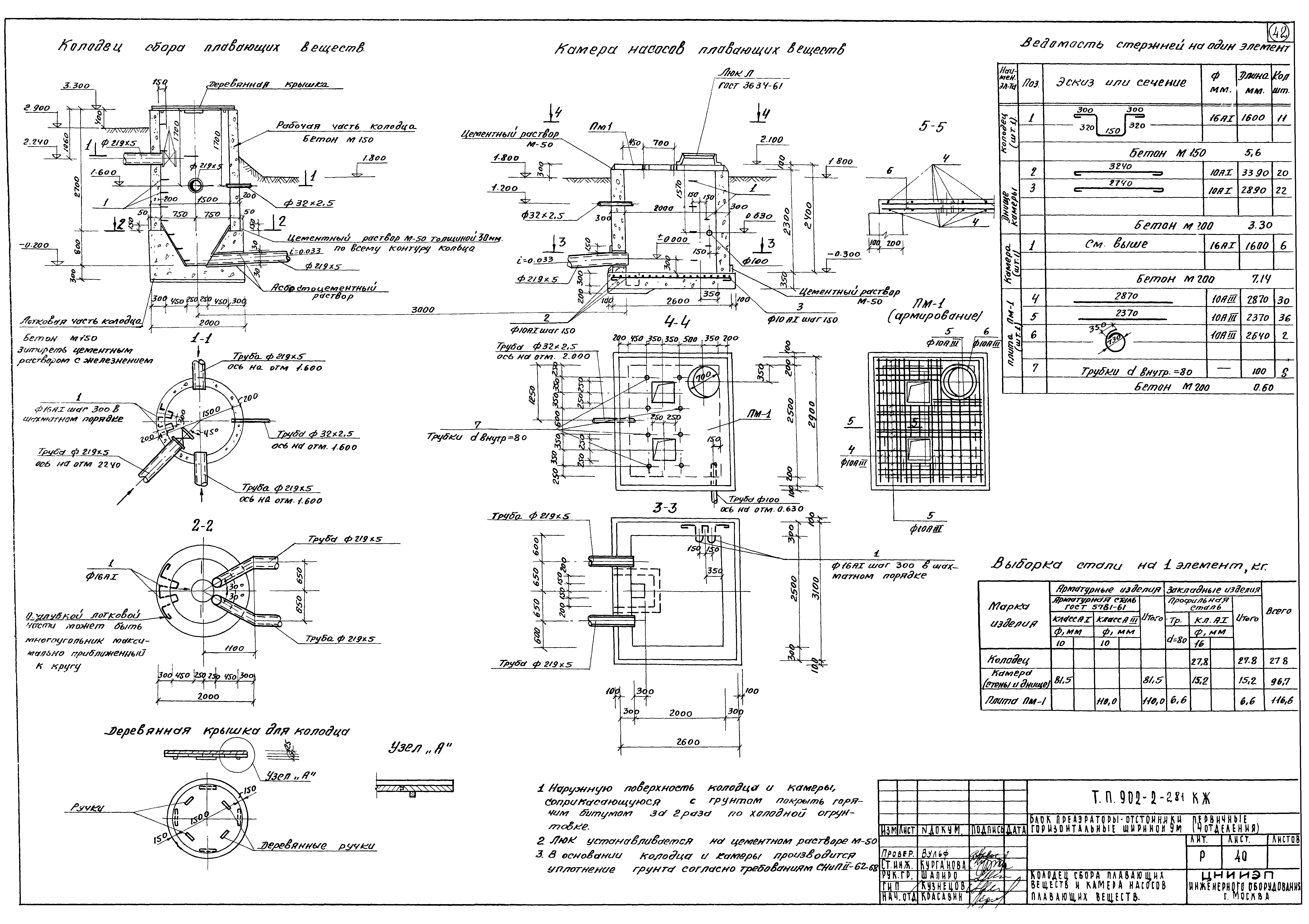
| Оглавление: | ТП 902-2-281-КЖ-0 Содержание альбома ТП 902-2-281-КЖ-1 Фрагменты плана 1-3 ТП 902-2-281-КЖ-2 Фрагменты плана 1-3. Разрезы 1-1÷4-4 ТП 902-2-281-КЖ-3 Фрагменты плана 4,5. Разрезы 1-1;2-2 ТП 902-2-281-КЖ-4 Узлы 1;2. Планы. Разрез 1-1 ТП 902-2-281-КЖ-5 Узлы 1;2. Разрезы 2-2;3-3 ТП 902-2-281-КЖ-6 Узлы 1;2;3. Разрезы 4-4;5-5;6-6 ТП 902-2-281-КЖ-7 Узел 4. Разрезы 7-7;8-8;9-9 ТП 902-2-281-КЖ-8 Узлы 5-8. Планы. Разрез 10-10 ТП 902-2-281-КЖ-9 Узлы 5-8. Разрезы 11-11÷13-13 ТП 902-2-281-КЖ-10 Детали стыков стеновых панелей ТП 902-2-281-КЖ-11 Детали установки стеновых панелей, балок, плит, колонн ТП 902-2-281-КЖ-12 Днище. Опалубка. Узлы ТП 902-2-281-КЖ-13 Днище. Армирование. Узлы 1-5 ТП 902-2-281-КЖ-14 Днище. Армирование. Узлы 6,7,8 ТП 902-2-281-КЖ-15 Днище. Арматурные сетки и каркасы ТП 902-2-281-КЖ-16 Днище. Армирование бункерной части ТП 902-2-281-КЖ-17 Монолитные участки стен УМ-1÷УМ-7. Опалубка. Планы ТП 902-2-281-КЖ-18 Монолитные участки стен. Опалубка. Разрезы ТП 902-2-281-КЖ-19 Монолитные участки стен УМ-8;УМ-9;УМ-10. Опалубка. Планы. Разрезы ТП 902-2-281-КЖ-20 Монолитные участки стен. Армирование. Планы. Разрезы 1-1÷6-6 ТП 902-2-281-КЖ-21 Монолитные участки стен. Армирование. Планы. Разрезы 7-7÷11-11 ТП 902-2-281-КЖ-22 Монолитные участки стен. Армирование. Планы. Разрезы 12-12÷17-17 ТП 902-2-281-КЖ-23 Монолитные участки стен. Армирование. Планы. Разрезы 18-18÷22-22 ТП 902-2-281-КЖ-24 Монолитные участки стен УМ-8÷10. Армирование. Планы. Разрезы ТП 902-2-281-КЖ-25 Монолитные участки стен УМ-9. Армирование. Планы. Разрезы ТП 902-2-281-КЖ-26 Монолитные участки стен. Армирование. Узлы ТП 902-2-281-КЖ-27 Монолитные участки стен. Арматурные сетки ТП 902-2-281-КЖ-28 Монолитные участки лотков ЛТМ-2;ЛТМ-3. Опалубка. Армирование ТП 902-2-281-КЖ-29 Фундамент ФМ-1. Опалубка и армирование ТП 902-2-281-КЖ-30 Панели ПК1-36-1А;ПКУ1-36-1А;ПКУ1-36-1Б;ПКУ1-36-1В;ПКУ1-36-1Е;ПКУ1-30-1А. Опалубка ТП 902-2-281-КЖ-31 Панели ПК1-36-1А;ПКУ1-36-1Б;ПКУ1-36-1В;ПКУ1-36-1Г. Армирование ТП 902-2-281-КЖ-32 Панели ПКУ1-36-1А. Армирование ТП 902-2-281-КЖ-33 Опалубочный чертеж сборных железобетонных элементов ЛП5-60А;БК-1;П2А;К15-1А ТП 902-2-281-КЖ-34 БК-1;П2А;К15-1А. Армирование ТП 902-2-281-КЖ-35 Закладные детали для сборных железобетонных элементов ТП 902-2-281-КЖ-36 Крепление рельсового пути к плитам П2А ТП 902-2-281-КЖ-37 Струенаправляющий щит. Водослив ТП 902-2-281-КЖ-38 Металлические марки МС-1÷МС-8. Стойка СК-1. Площадка ПМ-1 ТП 902-2-281-КЖ-39 Закладные детали для монолитных железобетонных элементов ТП 902-2-281-КЖ-40 Колодец сбора плавающих веществ и камера насосов плавающих веществ |
| Разработан: | ЦНИИЭП |
| Утверждён: | 22.07.1974 Госгражданстрой (Gosgrazhdanstroy 164) |









































