Скачать Типовой проект 902-2-378.83 Альбом VII. Нестандартизированное оборудование. Затворы щитовые, установка сигнализатора уровня осадка и фасонные частиДата актуализации: 01.01.2021
|
| Обозначение: | Типовой проект 902-2-378.83 |
| Обозначение англ: | 902-2-378.83 |
| Статус: | действует |
| Название рус.: | Альбом VII. Нестандартизированное оборудование. Затворы щитовые, установка сигнализатора уровня осадка и фасонные части |
| Дата добавления в базу: | 01.09.2013 |
| Дата актуализации: | 01.01.2021 |
| Дата введения: | 10.08.1983 |
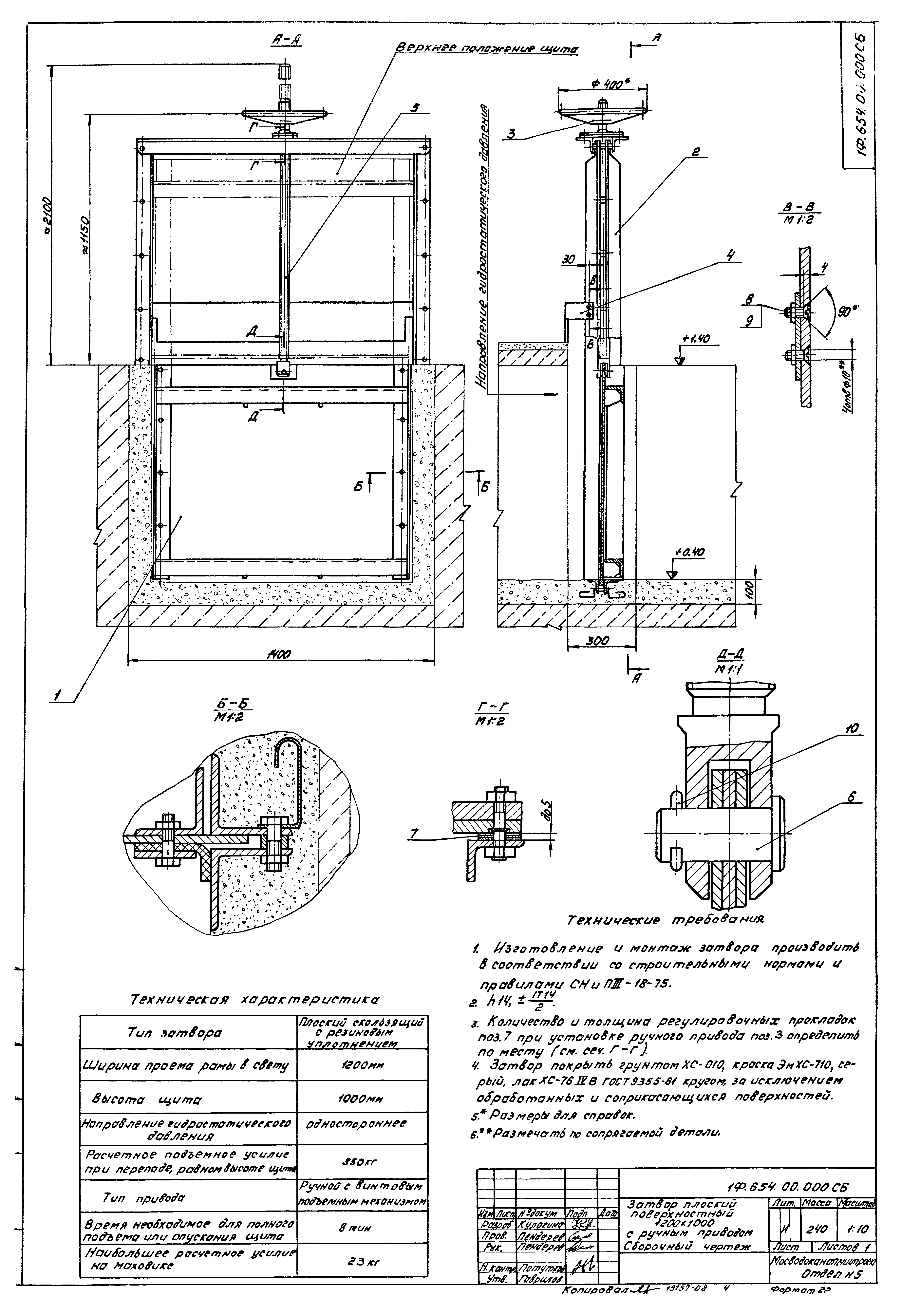
| Оглавление: | ТП 902-2-378.83 Титульный лист ТП 902-2-378.83 Содержание альбома ТП 902-2-378.83 1Ф.654.00.000 СБ Затвор плоский поверхностный 1200х1000 с ручным приводом ТП 902-2-378.83 1Ф.654.00.000 Затвор плоский поверхностный 1200х1000 с ручным приводом. Спецификация ТП 902-2-378.83 1Ф.654.00.100 Щит. Спецификация ТП 902-2-378.83 1Ф.654.00.100 СБ Щит ТП 902-2-378.83 1Ф.654.00.101 Уплотнение ТП 902-2-378.83 1Ф.654.00.102 Полоса ТП 902-2-378.83 1Ф.654.00.110 Щит. Спецификация ТП 902-2-378.83 1Ф.654.00.111 Ригель ТП 902-2-378.83 1Ф.654.00.110 СБ Щит ТП 902-2-378.83 1Ф.654.00.112 Ребро ТП 902-2-378.83 1Ф.654.00.200 Рама затвора. Спецификация ТП 902-2-378.83 1Ф.654.00.201 Направляющая ТП 902-2-378.83 1Ф.654.00.200 СБ Рама затвора ТП 902-2-378.83 1Ф.654.00.202 Полоса ТП 902-2-378.83 1Ф.654.00.203 Поперечина ТП 902-2-378.83 1Ф.654.00.204 Анкер ТП 902-2-378.83 1Ф.654.00.205 Угольник ТП 902-2-378.83 1Ф.654.00.206 Уплотнение ТП 902-2-378.83 1Ф.654.00.300 Привод ручной. Спецификация ТП 902-2-378.83 1Ф.654.00.300 СБ Привод ручной ТП 902-2-378.83 1Ф.654.00.001 Ограждение ТП 902-2-378.83 1Ф.654.00.301 Гайка подъемная ТП 902-2-378.83 1Ф.654.00.302 Шпилька ТП 902-2-378.83 1Ф.654.00.303 Маховик ТП 902-2-378.83 1Ф.654.00.304 Пластина верхняя ТП 902-2-378.83 1Ф.654.00.305 Пластина нижняя ТП 902-2-378.83 1Ф.654.00.002 Штанга винтовая ТП 902-2-378.83 1Ф.654.00.003 Палец ТП 902-2-378.83 1Ф.655.00.000 СБ Затвор донного выпуска ТП 902-2-378.83 1Ф.655.00.000 Затвор донного выпуска. Спецификация ТП 902-2-378.83 1Ф.655.00.100 Рама затвора. Спецификация ТП 902-2-378.83 1Ф.655.00.100 СБ Рама затвора ТП 902-2-378.83 1Ф.655.00.101 Направляющая левая ТП 902-2-378.83 1Ф.655.00.102 Проставка ТП 902-2-378.83 1Ф.655.00.200 СБ Щиток ТП 902-2-378.83 1Ф.655.00.110 Обрамление. Спецификация ТП 902-2-378.83 1Ф.655.00.200 Щиток. Спецификация ТП 902-2-378.83 1Ф.655.00.110 СБ Обрамление ТП 902-2-378.83 1Ф.655.00.201 Клин ТП 902-2-378.83 1Ф.655.00.202 Ручка ТП 902-2-378.83 1Ф.655.00.111 Пластина ТП 902-2-378.83 1Ф.655.00.001 Скоба ТП 902-2-378.83 3Р.75.000 СБ Установка сигнализатора уровня осадка с фотосопротивлением ТП 902-2-378.83 3Р.75.000 Установка сигнализатора уровня осадка с фотосопротивлением. Спецификация ТП 902-2-378.83 3Р.75.100 Скоба закладная. Спецификация ТП 902-2-378.83 3Р.75.200 Прижим. Спецификация ТП 902-2-378.83 3Р.75.101 Упор ТП 902-2-378.83 3Р.75.102 Шпилька ТП 902-2-378.83 3Р.75.103 Скоба ТП 902-2-378.83 3Р.75.201 Полоса ТП 902-2-378.83 9А.456.00.000 Пробоотборник. Спецификация ТП 902-2-378.83 9А.456.00.000 СБ Пробоотборник ТП 902-2-378.83 9А.456.01.000 СБ Корпус ТП 902-2-378.83 9А.456.01.000 Корпус. Спецификация ТП 902-2-378.83 9А.456.01.002 Боковина ТП 902-2-378.83 9А.456.01.003 Фланец ТП 902-2-378.83 9А.456.01.004 Дно ТП 902-2-378.83 9А.456.01.005 Ушко ТП 902-2-378.83 9А.456.02.000 СБ Крышка откидная ТП 902-2-378.83 9А.456.02.000 Крышка откидная. Спецификация ТП 902-2-378.83 9А.456.02.001 Ручка ТП 902-2-378.83 9А.456.02.002 Крышка ТП 902-2-378.83 9А.456.01.001 Лист ТП 902-2-378.83 9А.456.00.001 Ось |
| Разработан: | МосводоканалНИИпроект |
| Утверждён: | 10.08.1983 МосводоканалНИИпроект (192) |


























