Скачать Типовой проект 902-2-475.89 Альбом 4. Строительные изделияДата актуализации: 01.01.2021
|
| Обозначение: | Типовой проект 902-2-475.89 |
| Обозначение англ: | 902-2-475.89 |
| Статус: | не определен законодательством |
| Название рус.: | Альбом 4. Строительные изделия |
| Дата добавления в базу: | 01.09.2013 |
| Дата актуализации: | 01.01.2021 |
| Дата введения: | 16.10.1989 |
| Дата окончания срока действия: | 30.06.2003 |
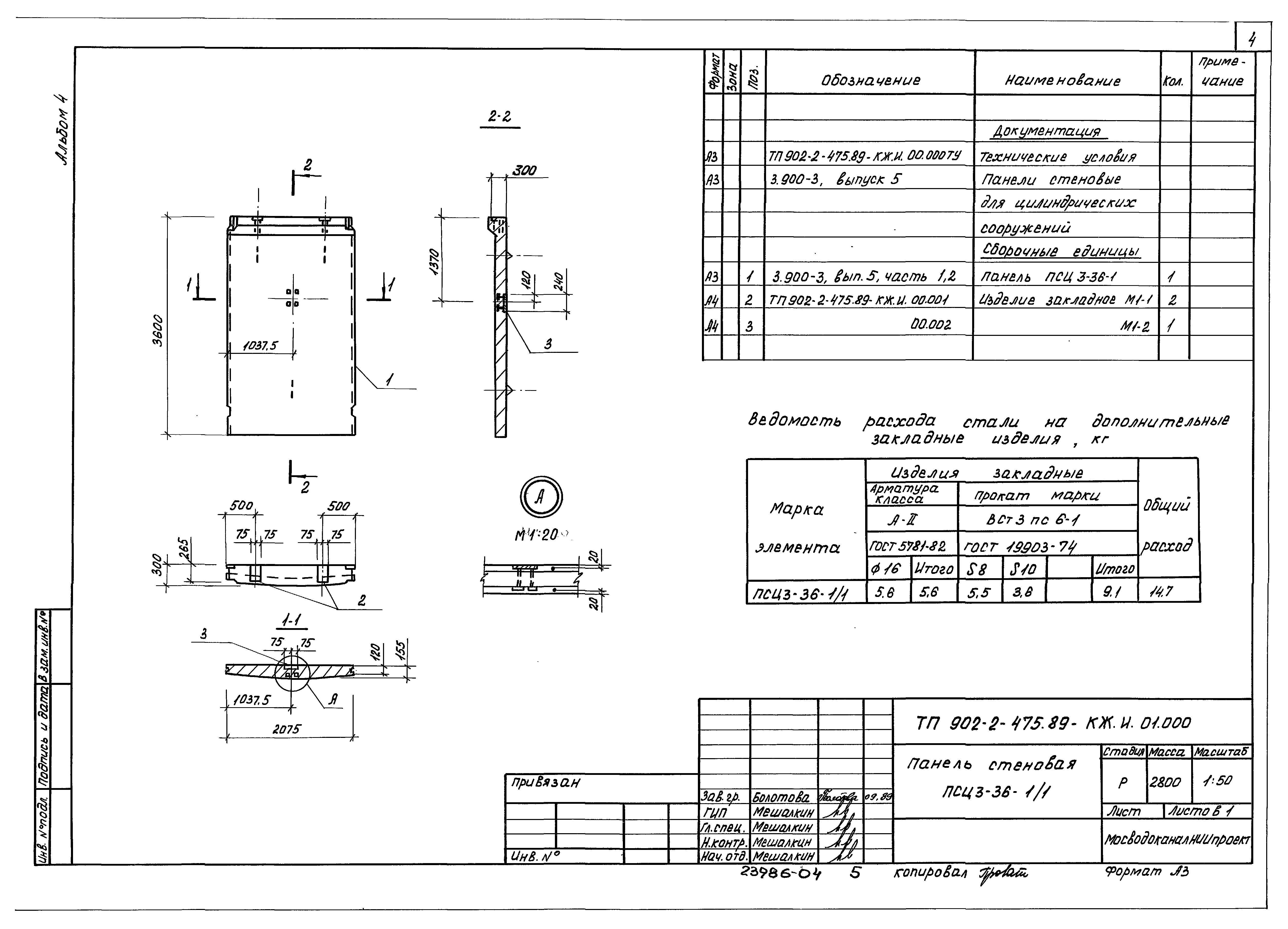
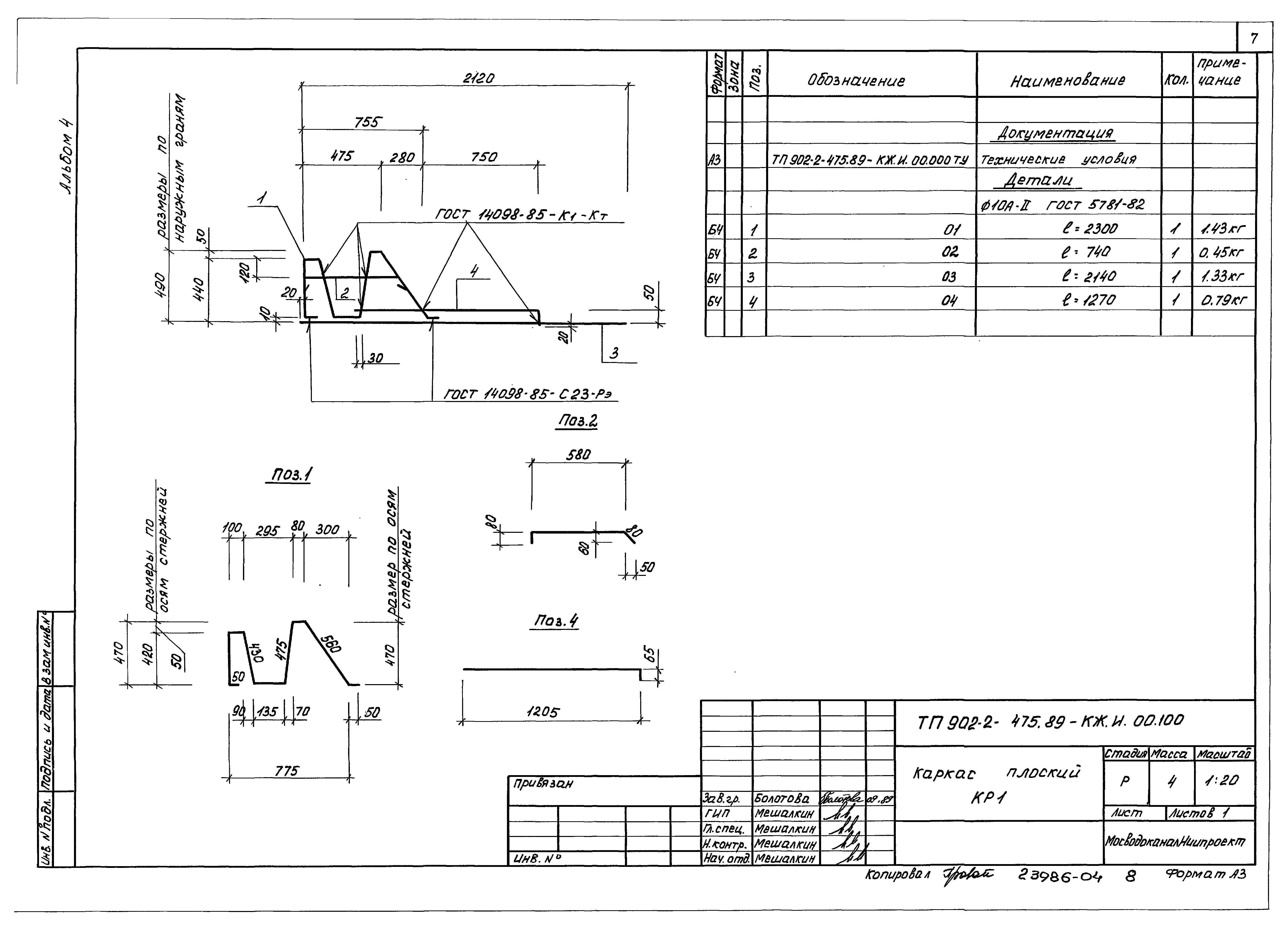
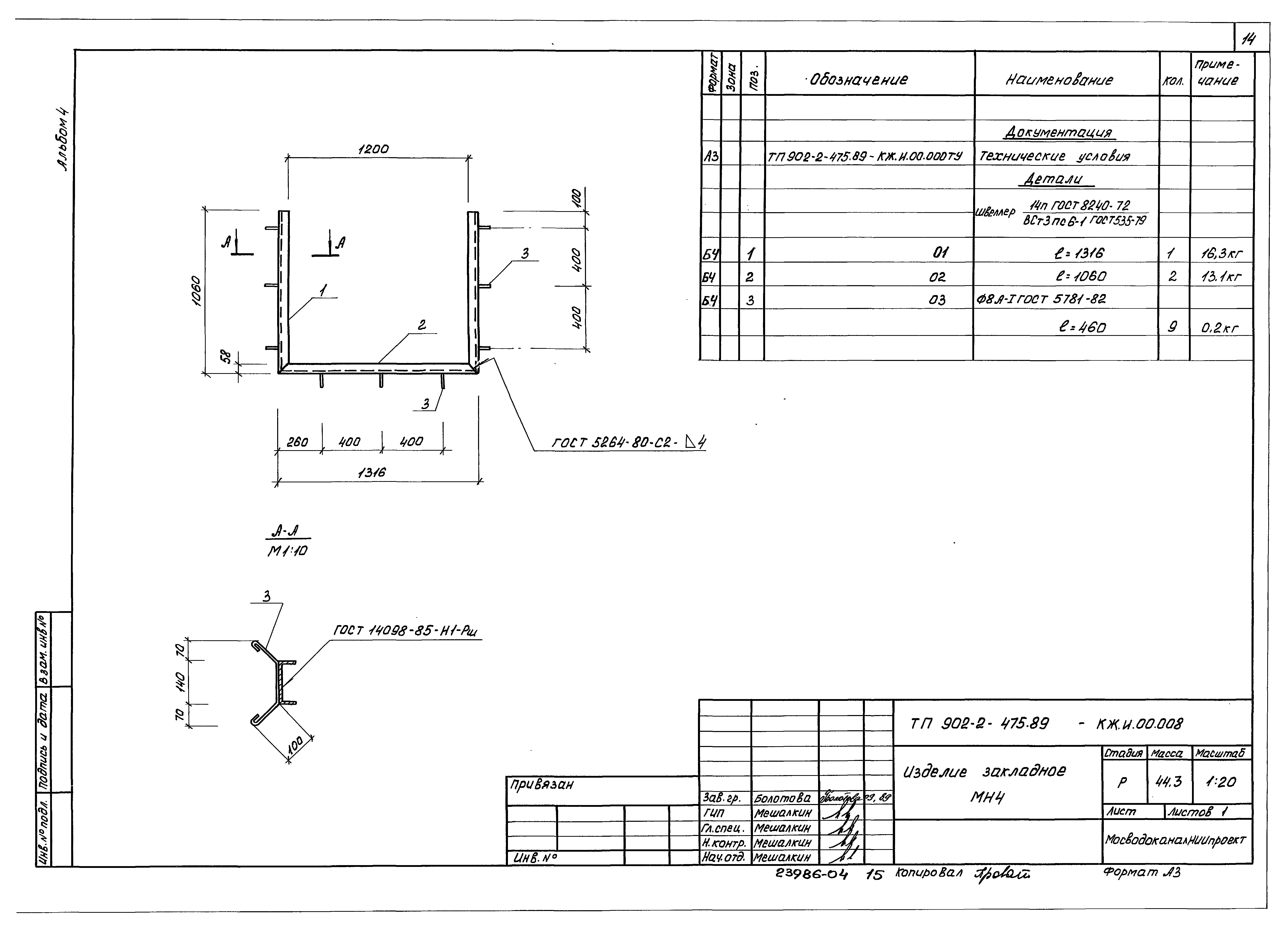
| Оглавление: | ТП 902-2-475.89 Содержание альбома ТП 902-2-475.89-КЖИ.00.000ТУ Технические условия ТП 902-2-475.89-КЖИ.01.000 Панель стеновая ПСЦ3-36-1/1 ТП 902-2-475.89-КЖИ.02.000 Панель стеновая ПСЦ3-36-1/2 ТП 902-2-475.89-КЖИ.10.000 Лоток ЛТ1б-9-6/2 ТП 902-2-475.89-КЖИ.00.100 Каркас плоский КР1 ТП 902-2-475.89-КЖИ.00.200 Сетка С1 ТП 902-2-475.89-КЖИ.00.300 Сетка С2 ТП 902-2-475.89-КЖИ.00.400 Сетка С3 ТП 902-2-475.89-КЖИ.00.500 Сетка С4 ТП 902-2-475.89-КЖИ.00.001 Изделие закладное М1-1 ТП 902-2-475.89-КЖИ.00.002 Изделие закладное М1-2 ТП 902-2-475.89-КЖИ.00.003 Изделие закладное М2-1 ТП 902-2-475.89-КЖИ.00.004 Изделие закладное М2-2 ТП 902-2-475.89-КЖИ.00.005 Изделие закладное МН1 ТП 902-2-475.89-КЖИ.00.006 Изделие закладное МН2 ТП 902-2-475.89-КЖИ.00.007 Изделие закладное МН3 ТП 902-2-475.89-КЖИ.00.008 Изделие закладное МН4 ТП 902-2-475.89-КЖИ.00.009 Изделие закладное МН5 ТП 902-2-475.89-КЖИ.00.010 Изделие закладное МН6 ТП 902-2-475.89-КЖИ.00.011 Изделие закладное МН7 ТП 902-2-475.89-КЖИ.00.012 Изделие закладное МН8 |
| Разработан: | МосводоканалНИИпроект |
| Утверждён: | 09.10.1989 Мосгорисполком (Mosgorispolkom 2147) |
| Заменяет собой: |

















