Скачать Серия 3.501-108 Выпуск 2. Альбом 2. Пролетные строения для применения в районах с расчетной температурой ниже минус 40 градусов Цельсия (Северное исполнение). Рабочие чертежиДата актуализации: 01.01.2021
|
| Обозначение: | Серия 3.501-108 |
| Обозначение англ: | Series 3.501-108 |
| Статус: | заменен |
| Название рус.: | Выпуск 2. Альбом 2. Пролетные строения для применения в районах с расчетной температурой ниже минус 40 градусов Цельсия (Северное исполнение). Рабочие чертежи |
| Дата добавления в базу: | 01.09.2013 |
| Дата актуализации: | 01.01.2021 |
| Дата введения: | 01.09.1978 |
| Дата окончания срока действия: | 01.03.1990 |
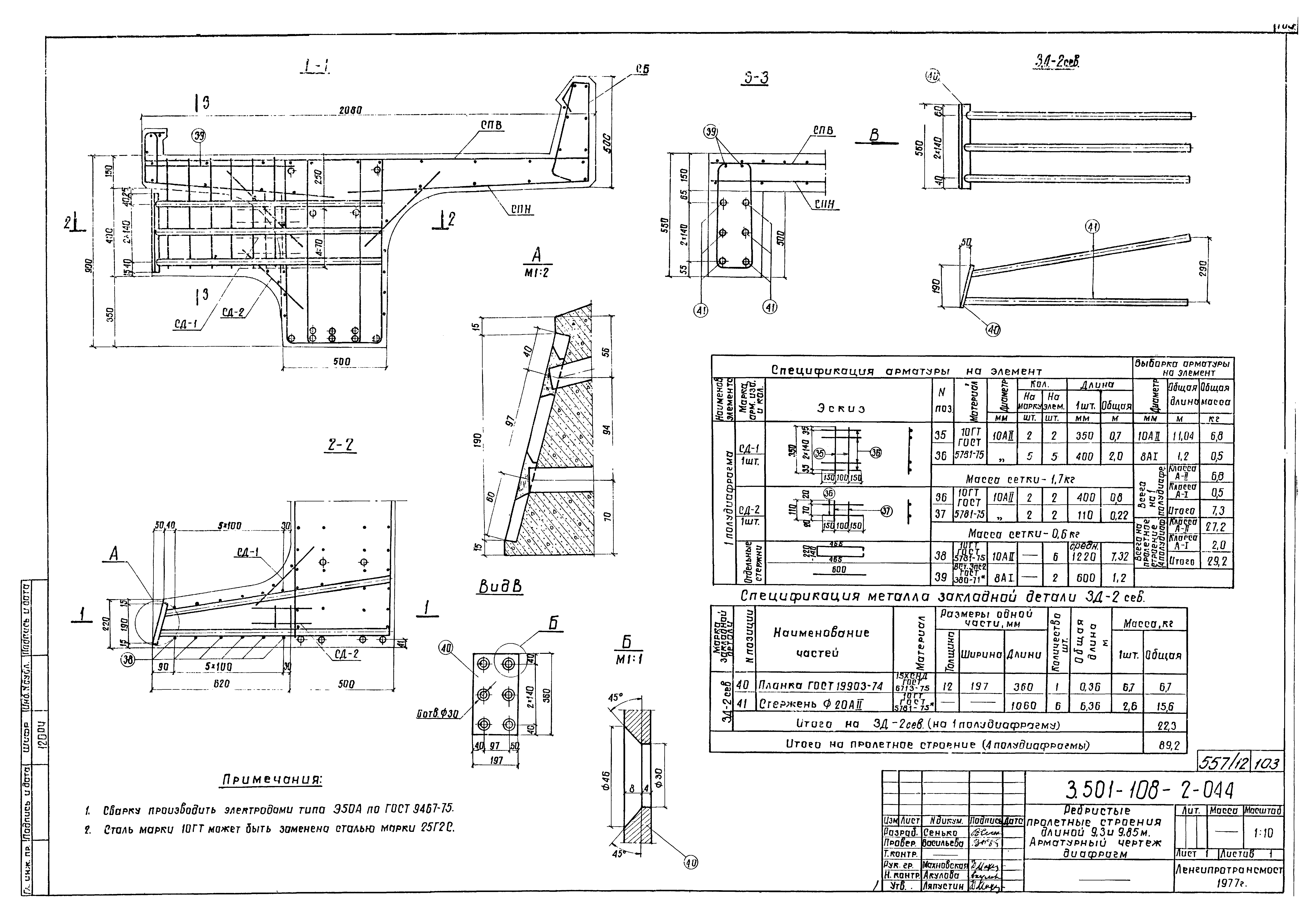
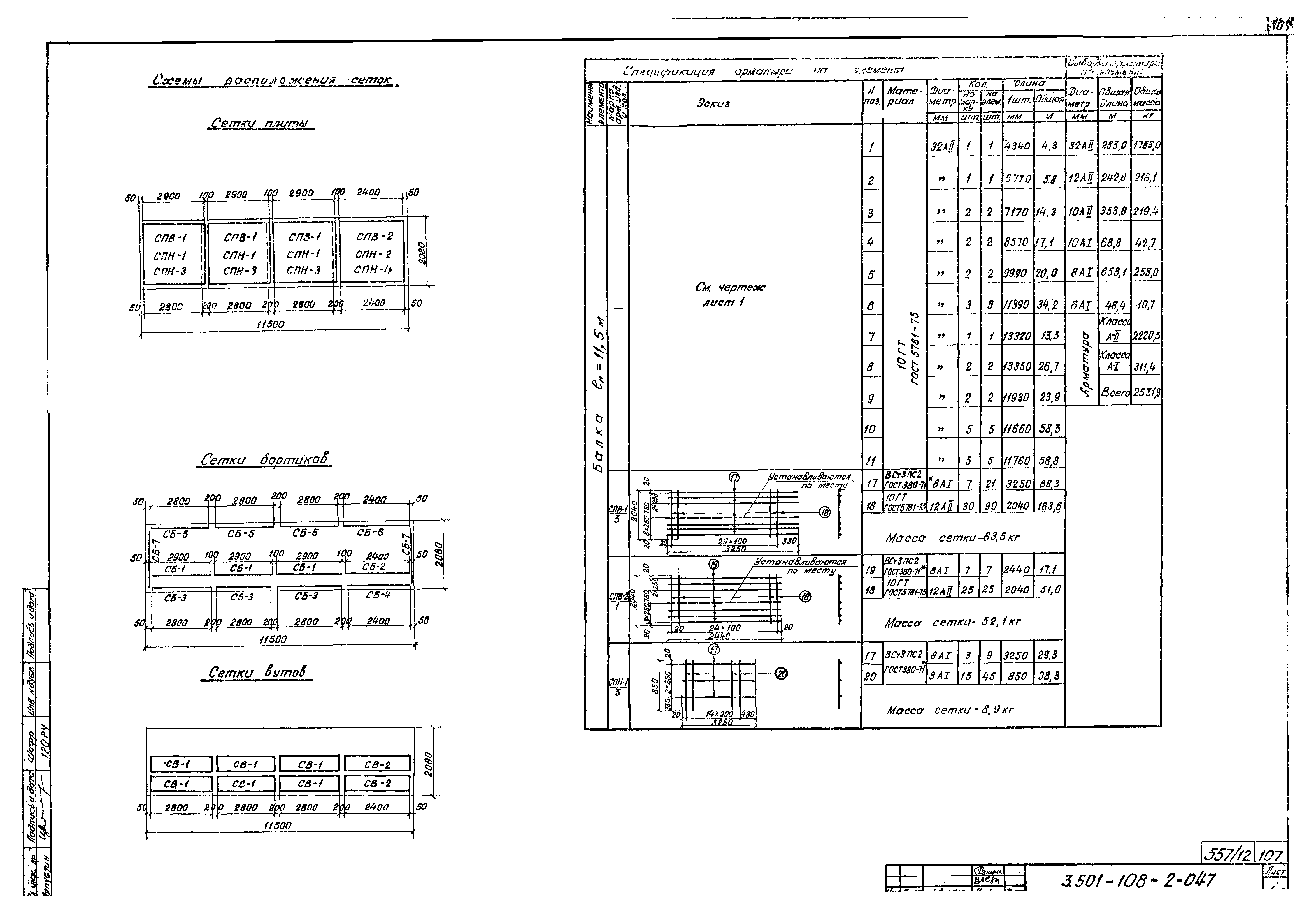
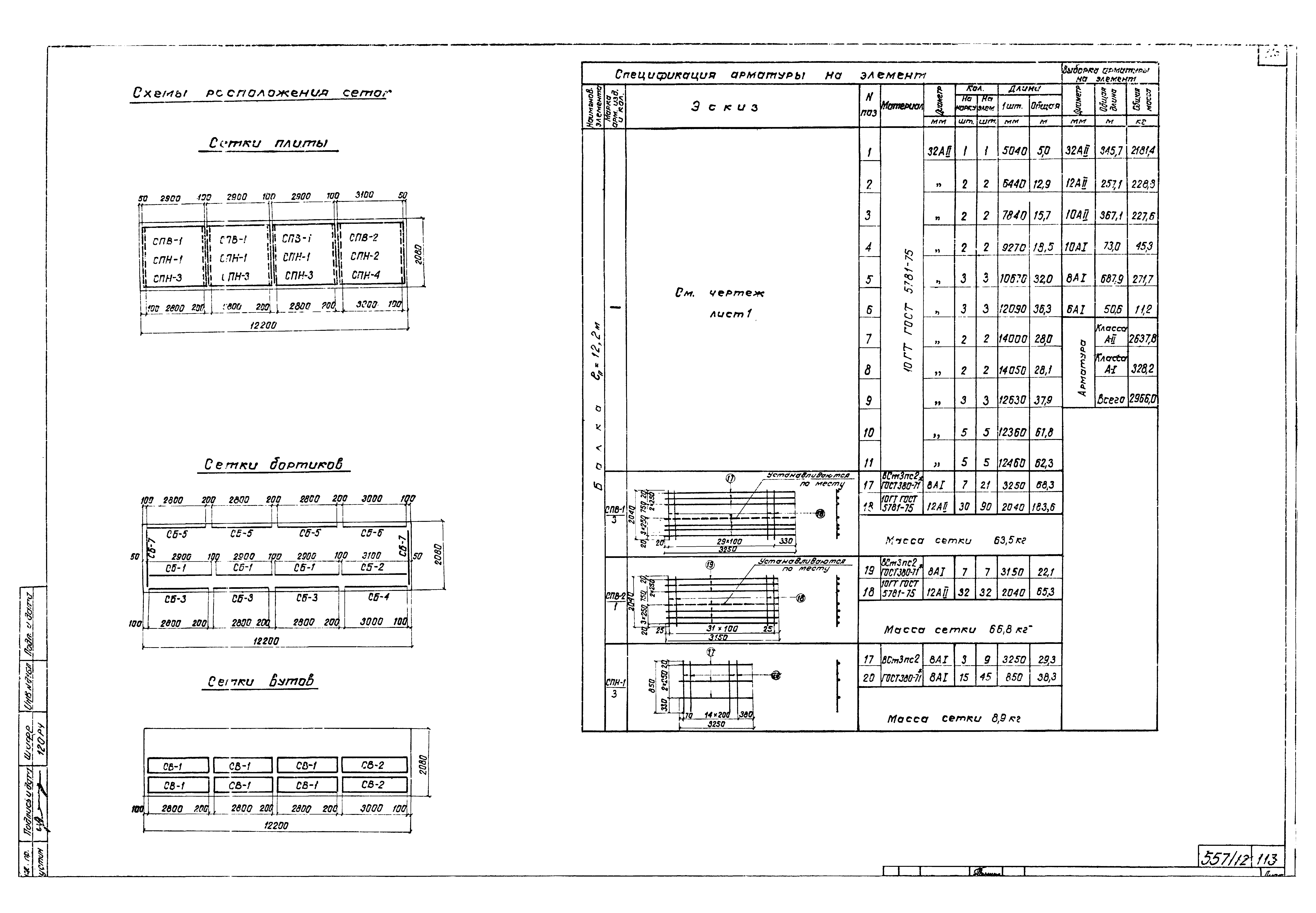
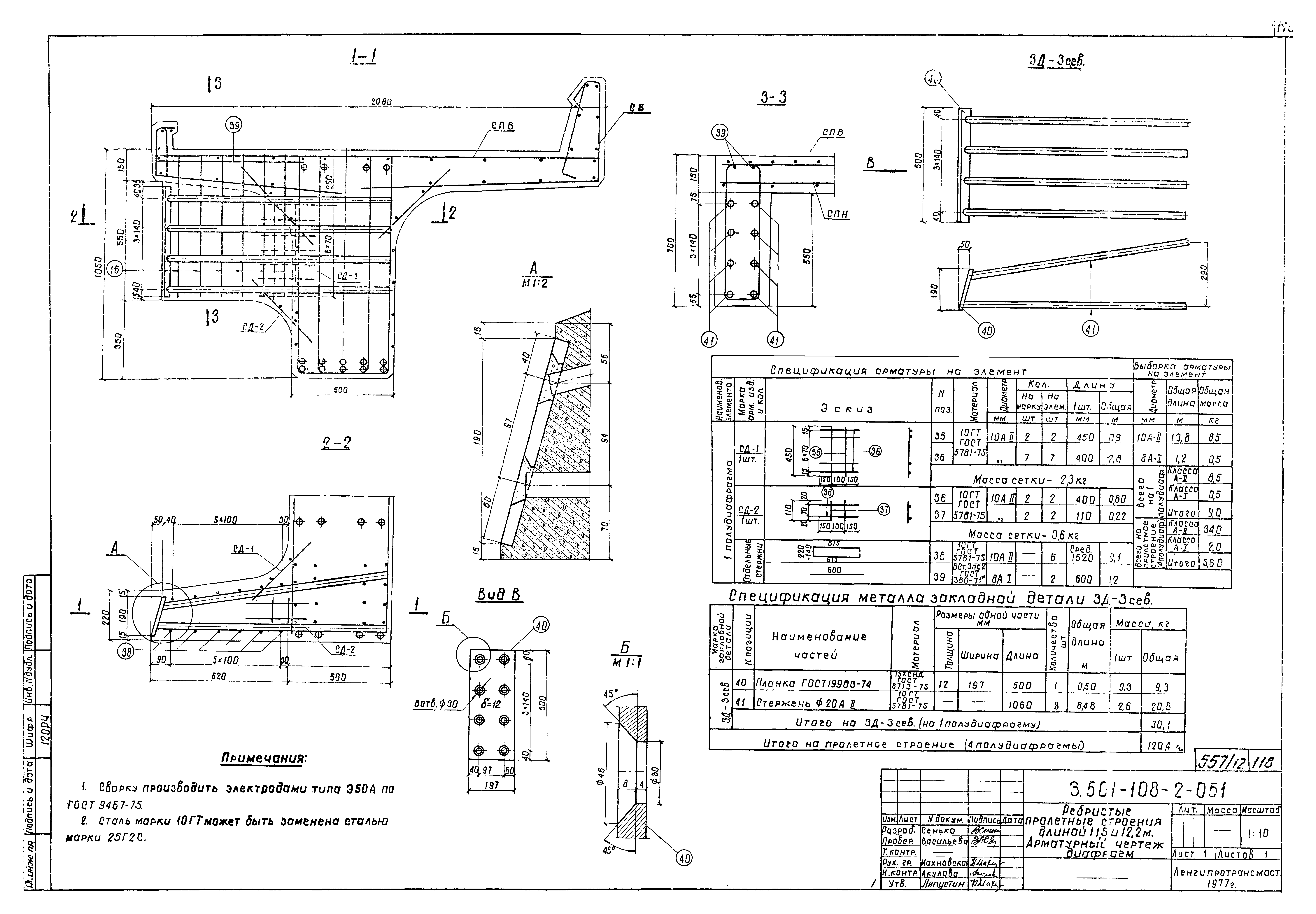
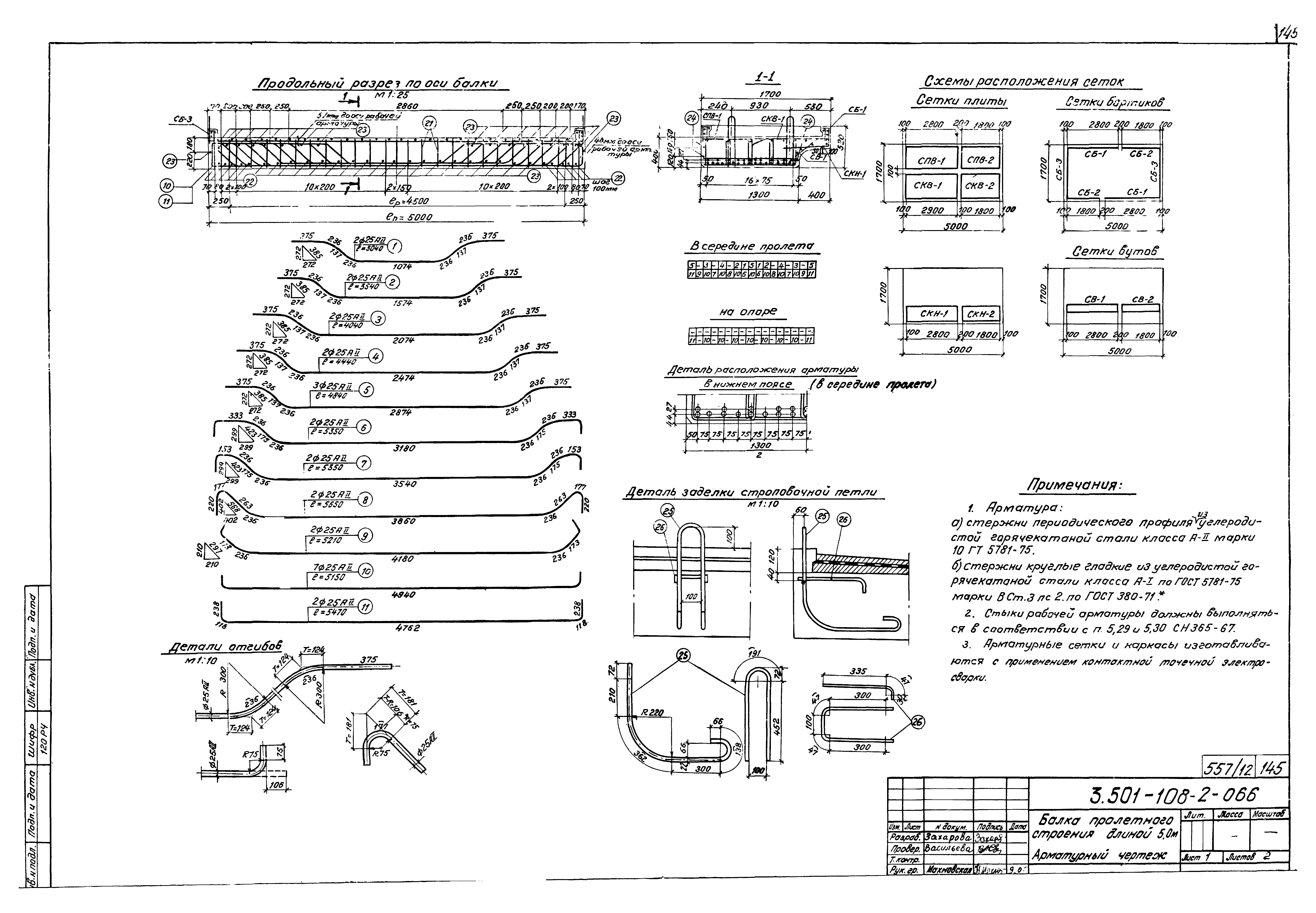
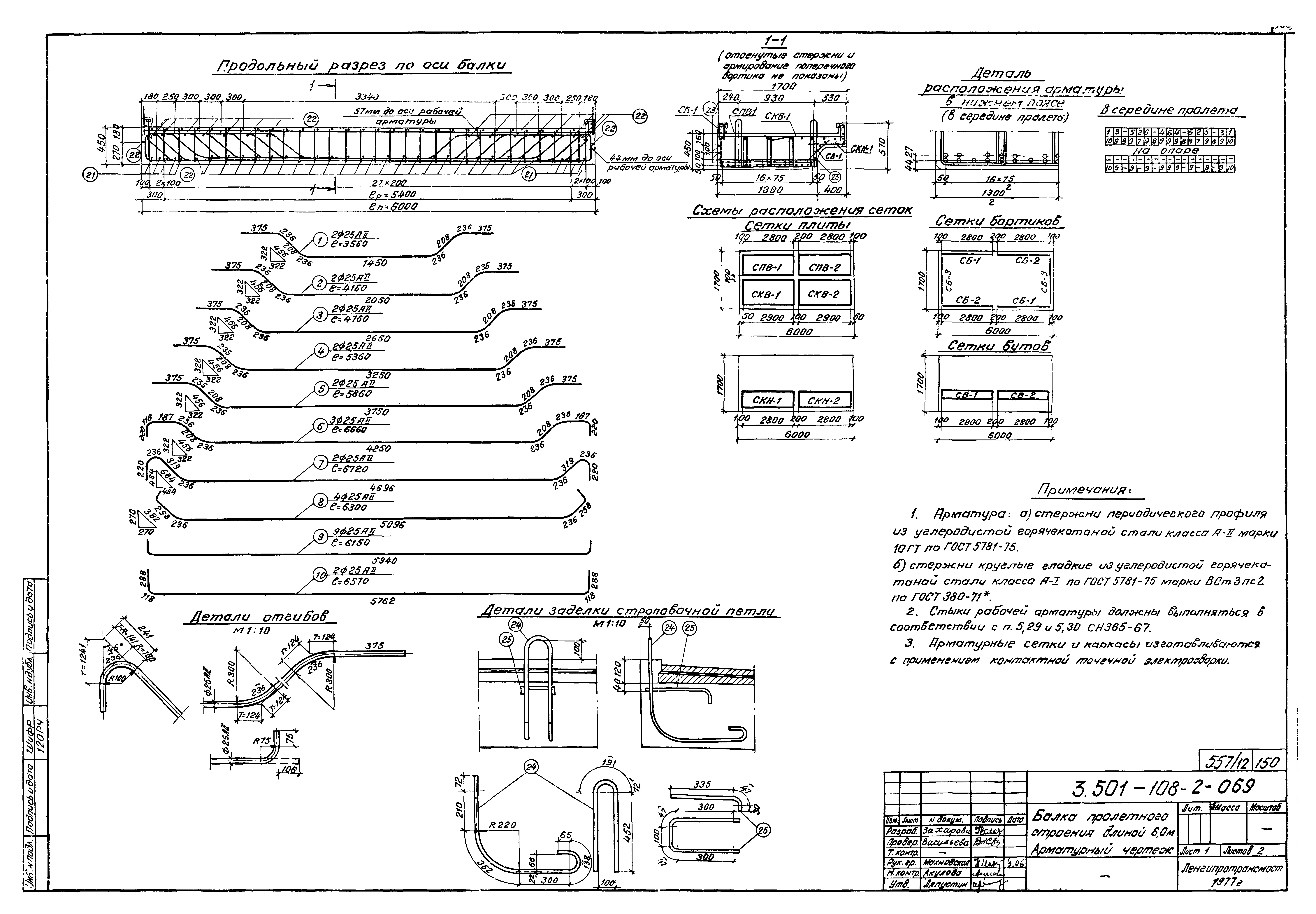
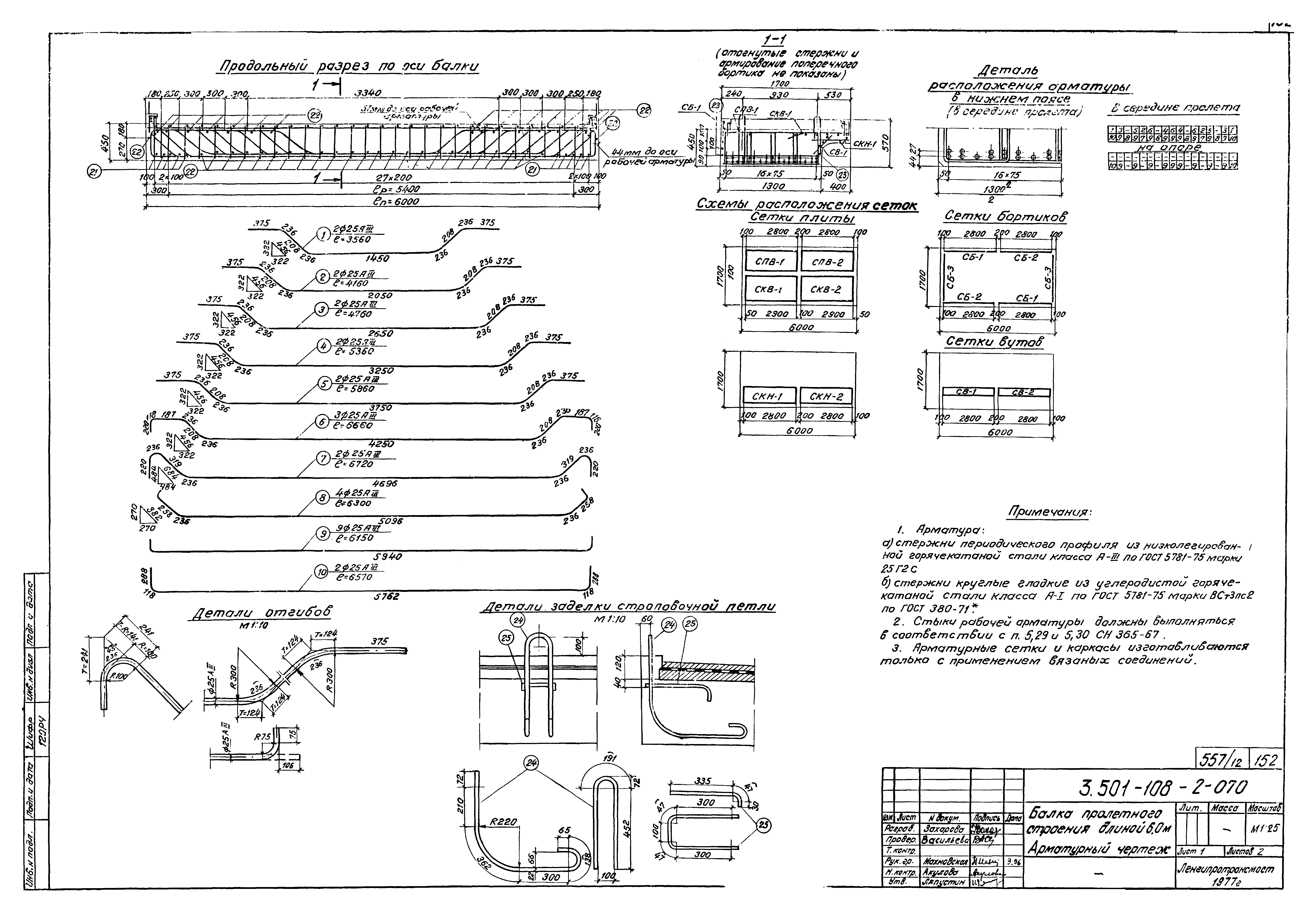
| Оглавление: | 3.501-108-2-000 Содержание 3.501-10802-039 Пролетные строения длиной 9,3 и 9,85 м. Общий вид и опалубочный чертеж 3.501-108-2-040 Пролетные строения длиной 9,3 м. Арматурный чертеж балки (рабочая арматура-сталь марки 10ГТ) 3.501-108-2-041 Пролетные строения длиной 9,3 м. Арматурный чертеж балки (рабочая арматура-сталь марки 25Г2С) 3.501-108-2-042 Пролетные строения длиной 9,85 м. Арматурный чертеж балки (рабочая арматура-сталь марки 10ГТ) 3.501-108-2-043 Пролетные строения длиной 9,85 м. Арматурный чертеж балки (рабочая арматура-сталь марки 25Г2С) 3.501-108-2-044 Пролетные строения длиной 9,3 и 9,85 м. Арматурный чертеж диафрагм 3.501-108-2-045 Пролетные строения длиной 9,3 и 9,85 м. Монтажный стык диафрагм 3.501-108-2-046 Пролетное строение длиной 11,5 и 12,2 м. Общий вид и опалубочный чертеж 3.501-108-2-047 Пролетные строения длиной 11,5 м. Арматурный чертеж балки (рабочая арматура-сталь марки 10ГТ) 3.501-108-2-048 Пролетные строения длиной 11,5 м. Арматурный чертеж балки (рабочая арматура-сталь марки 25Г2С) 3.501-108-2-049 Пролетные строения длиной 12,2 м. Арматурный чертеж балки (рабочая арматура-сталь марки 10ГТ) 3.501-108-2-050 Пролетные строения длиной 12,2 м. Арматурный чертеж балки (рабочая арматура-сталь марки 25Г2С) 3.501-108-2-051 Пролетное строение длиной 11,5 и 12,2 м. Арматурный чертеж диафрагм 3.501-108-2-052 Пролетное строение длиной 11,5 и 12,2 м. Монтажный стык диафрагм 3.501-108-2-053 Пролетное строение длиной 13,5 и 14,3 м. Общий вид и опалубочный чертеж 3.501-108-2-054 Пролетное строение длиной 13,5 м. Арматурный чертеж балки (рабочая арматура-сталь марки 10ГТ) 3.501-108-2-055 Пролетное строение длиной 13,5 м. Арматурный чертеж балки (рабочая арматура-сталь марки 25Г2С) 3.501-108-2-056 Пролетное строение длиной 14,3 м. Арматурный чертеж балки (рабочая арматура-сталь марки 10ГТ) 3.501-108-2-057 Пролетное строение длиной 14,3 м. Арматурный чертеж балки (рабочая арматура-сталь марки 25Г2С) 3.501-108-2-058 Пролетное строение длиной 13,5 и 14,3 м. Арматурный чертеж диафрагм 3.501-108-2-059 Пролетное строение длиной 13,5 и 14,3 м. Монтажный стык диафрагм 3.501-108-2-060 Пролетное строение длиной 16,5 м. Общий вид и опалубочный чертеж 3.501-108-2-061 Пролетное строение длиной 16,5 м. Арматурный чертеж балки (рабочая арматура-сталь марки 10ГТ) 3.501-108-2-062 Пролетное строение длиной 16,5 м. Арматурный чертеж балки (рабочая арматура-сталь марки 25Г2С) 3.501-108-2-063 Пролетное строение длиной 16,5 м. Арматурный чертеж диафрагм 3.501-108-2-064 Пролетное строение длиной 16,5 м. Монтажный стык диафрагм 3.501-108-2-065 Станционные пролетные строения длиной 5.0 м. Опалубочный чертеж 3.501-108-2-066 Станционные пролетные строения длиной 5.0 м. Арматурный чертеж балки (рабочая арматура-сталь марки 10ГТ) 3.501-108-2-067 Станционные пролетные строения длиной 5.0 м. Арматурный чертеж балки (рабочая арматура-сталь марки 25Г2С) 3.501-108-2-068 Станционные пролетные строения длиной 6.0 м. Опалубочный чертеж 3.501-108-2-069 Станционные пролетные строения длиной 6.0 м. Арматурный чертеж балки (рабочая арматура-сталь марки 10ГТ) 3.501-108-2-070 Станционные пролетные строения длиной 6.0 м. Арматурный чертеж балки (рабочая арматура-сталь марки 25Г2С) 3.501-108-2-071 Станционные пролетные строения длиной 7.3 м. Опалубочный чертеж 3.501-108-2-072 Станционные пролетные строения длиной 7.3 м. Арматурный чертеж балки (рабочая арматура-сталь марки 10ГТ) 3.501-108-2-073 Станционные пролетные строения длиной 7.3 м. Арматурный чертеж балки (рабочая арматура-сталь марки 25Г2С) 3.501-108-2-074 Станционные пролетные строения длиной 9.3 м. Опалубочный чертеж 3.501-108-2-075 Станционные пролетные строения длиной 9.3 м. Арматурный чертеж балки (рабочая арматура-сталь марки 10ГТ) 3.501-108-2-076 Станционные пролетные строения длиной 9.3 м. Арматурный чертеж балки (рабочая арматура-сталь марки 25Г2С) 3.501-108-2-077 Станционные пролетные строения длиной 11,5 м. Опалубочный чертеж 3.501-108-2-078 Станционные пролетные строения длиной 11,5 м. Арматурный чертеж балки (рабочая арматура-сталь марки 10ГТ) 3.501-108-2-079 Станционные пролетные строения длиной 11,5 м. Арматурный чертеж балки (рабочая арматура-сталь марки 25Г2С) 3.501-108-2-080 Станционные пролетные строения длиной 13,5 м. Опалубочный чертеж 3.501-108-2-081 Станционные пролетные строения длиной 13,5 м. Арматурный чертеж балки (рабочая арматура-сталь марки 10ГТ) 3.501-108-2-082 Станционные пролетные строения длиной 13,5 м. Арматурный чертеж балки (рабочая арматура-сталь марки 25Г2С) |
| Разработан: | Ленгипротрансмост |
| Утверждён: | 29.03.1978 МПС (Ministry of Railroads П-9899) |
| Заменяет собой: | |
| Чем заменён: |























































































