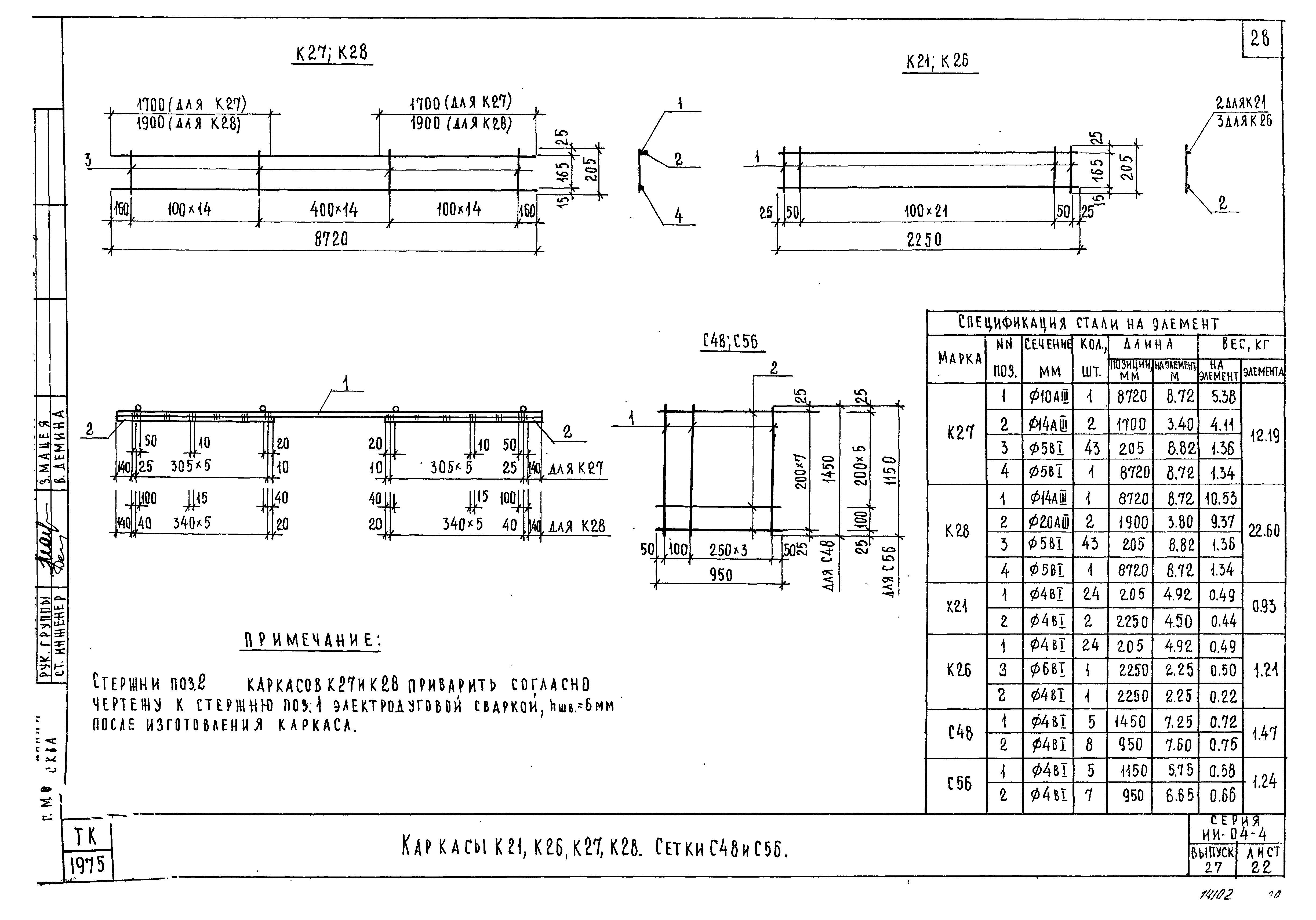
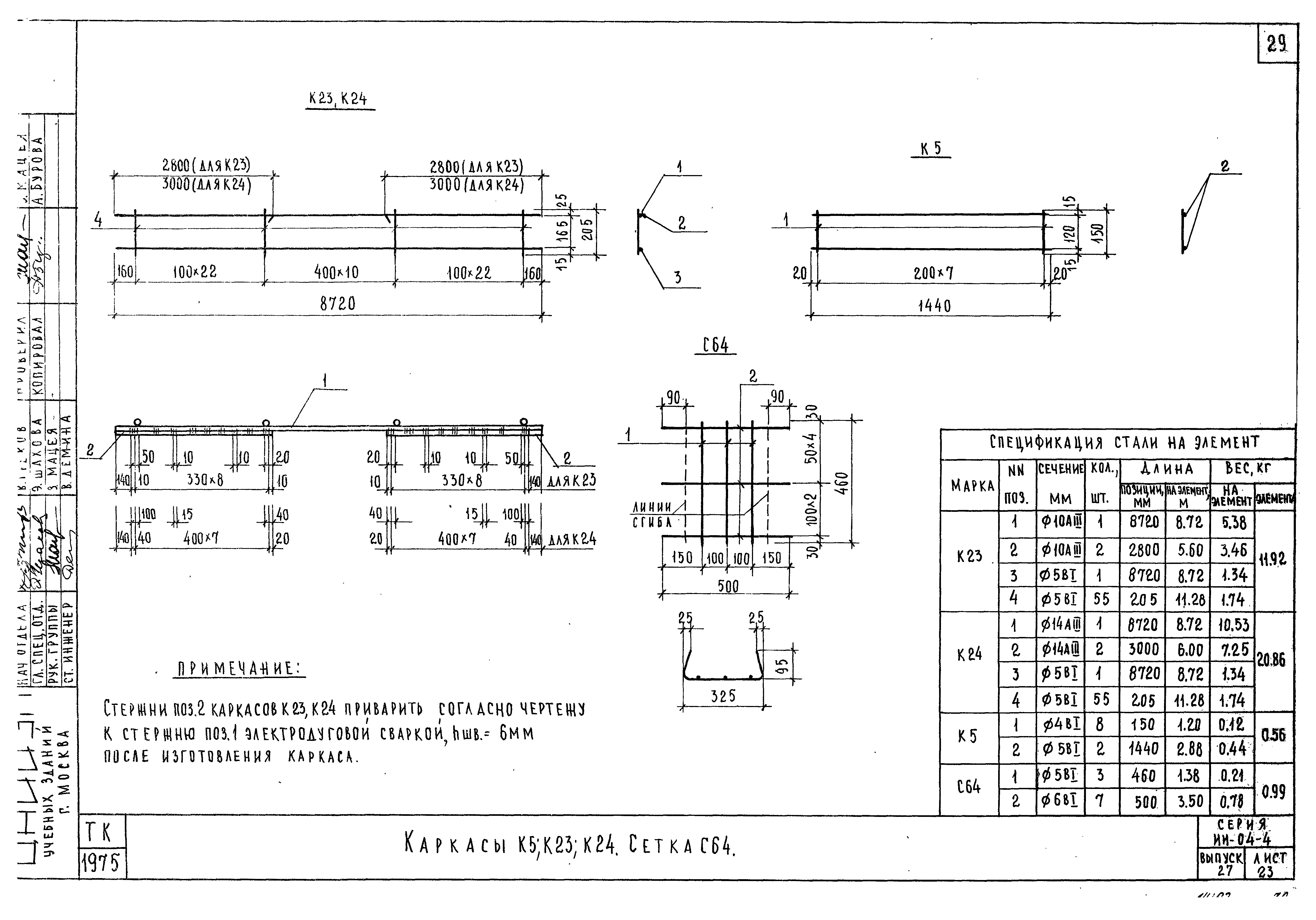
Скачать Серия ИИ-04-4 Выпуск 27. Легкобетонные предварительно напряженные многопустотные и ребристые панели длиной 876 см, армированные стержнями из стали класса А-IV. Метод напряжения - электротермическийДата актуализации: 01.01.2021 Серия ИИ-04-4
Выпуск 27. Легкобетонные предварительно напряженные многопустотные и ребристые панели длиной 876 см, армированные стержнями из стали класса А-IV. Метод напряжения - электротермический| Обозначение: | Серия ИИ-04-4 | | Обозначение англ: | Series ИИ-04-4 | | Статус: | не действует | | Название рус.: | Выпуск 27. Легкобетонные предварительно напряженные многопустотные и ребристые панели длиной 876 см, армированные стержнями из стали класса А-IV. Метод напряжения - электротермический | | Дата добавления в базу: | 01.09.2013 | | Дата актуализации: | 01.01.2021 | | Дата введения: | 01.06.1977 | | Дата окончания срока действия: | 01.04.1982 | | Разработан: | НИИЖБ Госстроя СССР ЦНИИЭП учебных зданий Госгражданстроя
| | Утверждён: | 18.04.1977 Госстрой СССР (Государственный комитет Совета Министров СССР по делам строительства) (USSR Gosstroy 72)
| | Чем заменён: | |
                               
|