Скачать Типовой проект 902-2-258 Альбом III. Блок емкостей. Строительная часть. Монолитные железобетонные конструкции (из ТП 902-2-260)Дата актуализации: 01.01.2021
|
| Обозначение: | Типовой проект 902-2-258 |
| Обозначение англ: | 902-2-258 |
| Статус: | действует |
| Название рус.: | Альбом III. Блок емкостей. Строительная часть. Монолитные железобетонные конструкции (из ТП 902-2-260) |
| Дата добавления в базу: | 01.09.2013 |
| Дата актуализации: | 01.01.2021 |
| Дата введения: | 29.12.1975 |
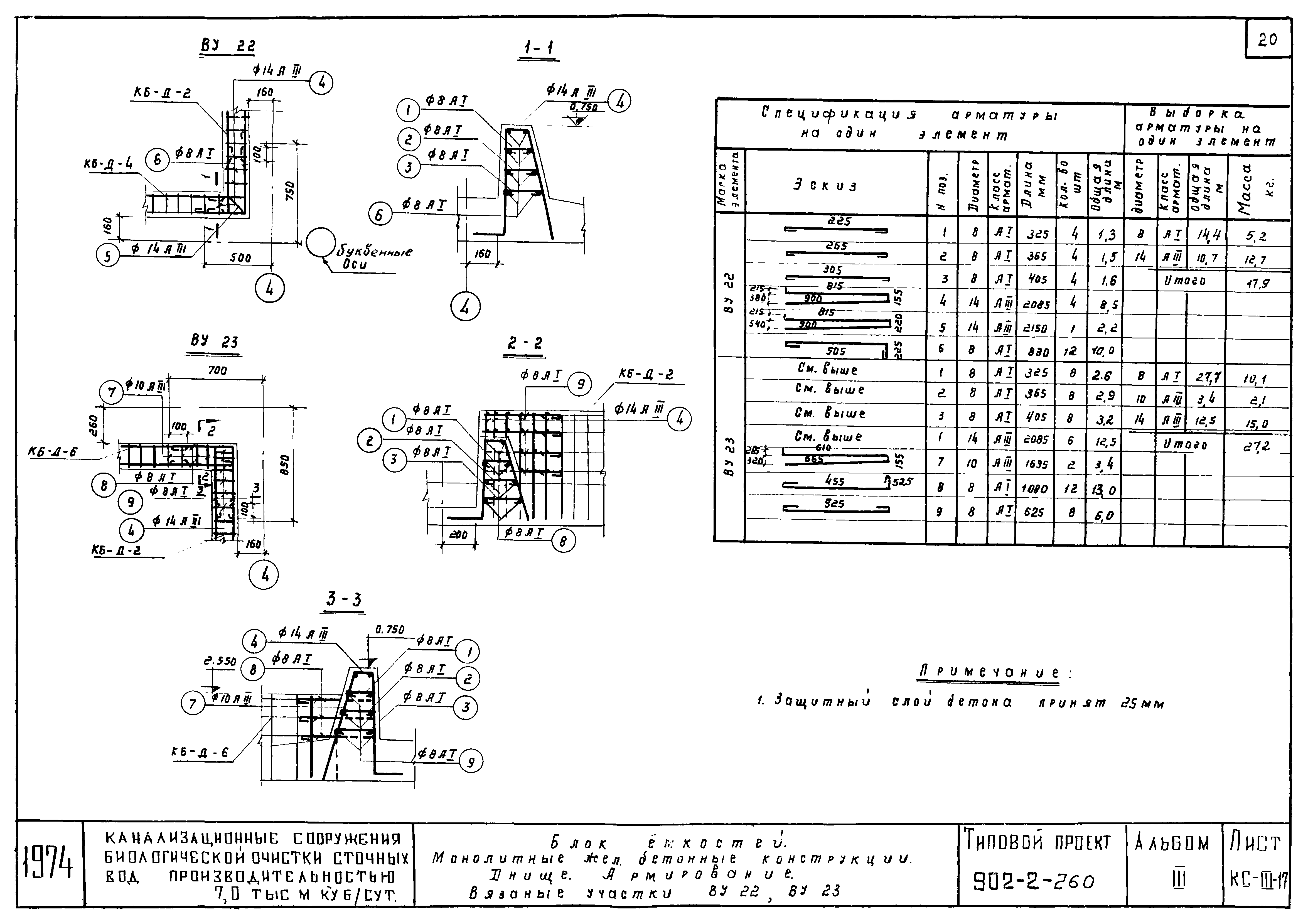
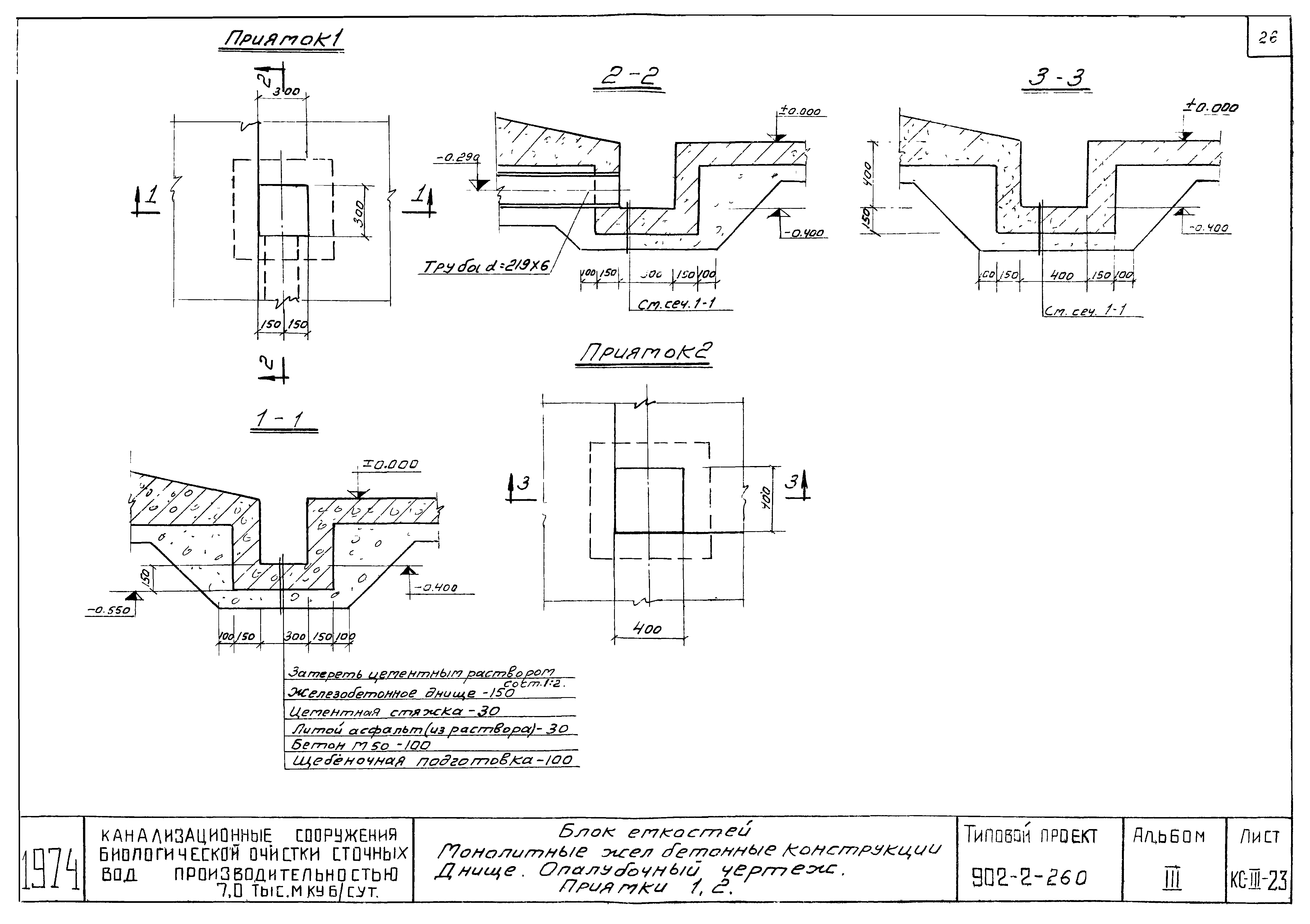
| Оглавление: | ТП 902-2-260-С-1,С-2 Содержание альбома ТП 902-2-260 Блок емкостей. Монолитные железобетонные конструкции ТП 902-2-260-КС-III-1 Днище. Опалубочный чертеж. Элементы плана 1-3 ТП 902-2-260-КС-III-2 Днище. Опалубочный чертеж. Элементы плана 4-5 ТП 902-2-260-КС-III-3 Днище. Армирование. Узлы 1-3 ТП 902-2-260-КС-III-4 Днище. Армирование. Узлы 4-6 ТП 902-2-260-КС-III-5 Днище. Армирование. Узлы 7-11 ТП 902-2-260-КС-III-6 Днище. Армирование. Вязанный участок ВУ1 ТП 902-2-260-КС-III-7 Днище. Армирование. Вязанный участок ВУ2 ТП 902-2-260-КС-III-8 Днище. Армирование. Вязанный участки ВУ3-ВУ7 ТП 902-2-260-КС-III-9 Днище. Армирование. Вязанный участки ВУ8-ВУ10 ТП 902-2-260-КС-III-10 Днище. Армирование. Вязанный участки ВУ11; ВУ12 ТП 902-2-260-КС-III-11 Днище. Армирование. Вязанный участок ВУ13 ТП 902-2-260-КС-III-12 Днище. Армирование. Вязанный участок ВУ14 ТП 902-2-260-КС-III-13 Днище. Армирование. Вязанный участки ВУ15, ВУ16 ТП 902-2-260-КС-III-14 Днище. Армирование. Вязанный участок ВУ17 ТП 902-2-260-КС-III-15 Днище. Армирование. Вязанный участки ВУ18, ВУ19 ТП 902-2-260-КС-III-16 Днище. Армирование. Вязанный участки ВУ20, ВУ21 ТП 902-2-260-КС-III-17 Днище. Армирование. Вязанный участки ВУ22, ВУ23 ТП 902-2-260-КС-III-18 Днище. Армирование. Вязанный участки ВУ24, ВУ25 ТП 902-2-260-КС-III-19 Днище. Армирование. Вязанный участки ВУ26, ВУ27 ТП 902-2-260-КС-III-20 Днище. Армирование. Вязанный участок ВУ28 ТП 902-2-260-КС-III-21 Днище. Армирование. Вязанный участок ВУ29 ТП 902-2-260-КС-III-22 Днище. Армирование. Вязанный участок ВУ30 ТП 902-2-260-КС-III-23 Днище. Опалубочный чертеж. Приямки 1, 2 ТП 902-2-260-КС-III-24 Днище. Армирование. Приямки 1, 2 ТП 902-2-260-КС-III-25 Днище. Опалубочный чертеж ФМ1 ТП 902-2-260-КС-III-26 Днище. Армирование. ФМ1 ТП 902-2-260-КС-III-27 Набетонка. Элементы плана 1-4 ТП 902-2-260-КС-III-28 Набетонка. Элементы плана 5-7 ТП 902-2-260-КС-III-29 Участок стен СМ1. Опалубочный чертеж. План. Разрезы. Выборки. Показатели ТП 902-2-260-КС-III-30 Участок стен СМ1. Армирование. План. Разрезы 1-1 ÷ 3-3 ТП 902-2-260-КС-III-31 Участок стен СМ1. Армирование. Разрезы 4-4 ÷ 5-5. Спецификация арматуры ТП 902-2-260-КС-III-32 Участок стен СМ2. Опалубочный чертеж. План. Разрезы. Выборки. Показатели ТП 902-2-260-КС-III-33 Участок стен СМ2. Армирование. План. Разрезы 1-1 ÷ 3-3 ТП 902-2-260-КС-III-34 Участок стен СМ2. Армирование. Разрезы 4-4 ÷ 5-5. Спецификация арматуры ТП 902-2-260-КС-III-35 Участок стен СМ3. Армирование. План. Разрезы 1-1 ÷ 3-3 ТП 902-2-260-КС-III-36 Участок стен СМ3. Опалубочный чертеж. Разрез 4-4. Выборки. Показатели ТП 902-2-260-КС-III-37 Участок стен СМ3. Армирование. План. Разрезы 1-1 ТП 902-2-260-КС-III-38 Участок стен СМ3. Армирование. Разрез 2-2; 3-3 ТП 902-2-260-КС-III-39 Участок стен СМ3. Армирование. Разрезы 4-4 ÷ 5-5. Спецификация арматуры ТП 902-2-260-КС-III-40 Участок стен СМ4. Опалубочный чертеж. План. Разрезы. Выборки. Показатели ТП 902-2-260-КС-III-41 Участок стен СМ6. Опалубочный чертеж. План. Разрезы. Выборки. Показатели ТП 902-2-260-КС-III-42 Участки стен СМ4,СМ6. Армирование. План. Разрезы 1-1 ÷ 2-2 ТП 902-2-260-КС-III-43 Участок стен СМ4,СМ6. Армирование. Разрезы 3-3 ÷ 4-4. Спецификация арматуры ТП 902-2-260-КС-III-44 Участок стен СМ5. Опалубочный чертеж. План. Разрезы. Выборки. Показатели ТП 902-2-260-КС-III-45 Участки стен СМ7. Опалубочный чертеж. План. Разрезы. Выборки. Показатели ТП 902-2-260-КС-III-46 Участок стен СМ5,СМ7. Армирование. План. Разрезы 1-1 ÷ 2-2 ТП 902-2-260-КС-III-47 Участок стен СМ5,СМ7. Армирование. Разрезы 3-3 ÷ 4-4 ТП 902-2-260-КС-III-48 Участок стен СМ8. Опалубочный чертеж. План. Разрезы. Выборки. Показатели ТП 902-2-260-КС-III-49 Участки стен СМ9. Опалубочный чертеж. План. Разрезы. Выборки. Показатели ТП 902-2-260-КС-III-50 Участки стен СМ8,СМ9. Армирование. План. Разрезы 1-1;2-2 ТП 902-2-260-КС-III-51 Участок стен СМ8,СМ9. Армирование. Разрез 3-3÷4-4. Спецификация арматуры ТП 902-2-260-КС-III-52 Участок стен СМ10. Опалубочный чертеж. План. Разрезы. Выборки. Показатели ТП 902-2-260-КС-III-53 Участки стен СМ11. Опалубочный чертеж. План. Разрезы. Выборки. Показатели ТП 902-2-260-КС-III-54 Участок стен СМ10,СМ11. Армирование. План. Разрезы 1-1÷2-2 ТП 902-2-260-КС-III-55 Участок стен СМ10,СМ11. Армирование. Разрезы 3-3,4-4 ТП 902-2-260-КС-III-56 Участок стен СМ12. Опалубочный чертеж. План. Разрезы. Выборки. Показатели ТП 902-2-260-КС-III-57 Участок стен СМ12. Армирование. План. Разрезы 1-1 ÷ 3-3 ТП 902-2-260-КС-III-58 Участок стен СМ12. Армирование. Разрезы 4-4 ÷ 5-5. Спецификация арматуры ТП 902-2-260-КС-III-59 Участок стен СМ13. Опалубочный чертеж. План. Разрезы. Выборки. Показатели ТП 902-2-260-КС-III-60 Участок стен СМ13. Армирование. План. Разрезы 1-1 ÷ 3-3 ТП 902-2-260-КС-III-61 Участок стен СМ13. Армирование. План. Разрезы 4-4; 5-5. Спецификация ТП 902-2-260-КС-III-62 Участок стен СМ14. Опалубочный чертеж. План. Разрезы 1-1÷3-3 ТП 902-2-260-КС-III-63 Участок стен СМ14. Опалубочный чертеж. Разрез 4-4. Выборки. Показатели ТП 902-2-260-КС-III-64 Участок стен СМ14. Армирование. План. Разрез 1-1 ТП 902-2-260-КС-III-65 Участок стен СМ14. Армирование. Разрезы 2-2 ÷ 3-3 ТП 902-2-260-КС-III-66 Участок стен СМ14. Армирование. Разрезы 4-4 ÷ 5-5. Спецификация арматуры ТП 902-2-260-КС-III-67 Арматурные изделия. Сетки днища С-Д-1 ÷ С-Д-4 ТП 902-2-260-КС-III-68 Арматурные изделия. Сетки днища С-Д-5; С-Д-6; С-Д-8; С-Д-9 ТП 902-2-260-КС-III-69 Арматурные изделия. Сетки днища С-Д-10; С-Д-11 ТП 902-2-260-КС-III-70 Арматурные изделия. Сетки днища С-Д-12; С-Д-13 ТП 902-2-260-КС-III-71 Арматурные изделия. Сетки днища С-Д-14 ÷ С-Д-15 ТП 902-2-260-КС-III-72 Арматурные изделия. Сетки днища С-Д-16 ÷ С-Д-18 ТП 902-2-260-КС-III-73 Арматурные изделия. Каркасные блоки днища КБ-Д-1; КБ-Д-2 ТП 902-2-260-КС-III-74 Арматурные изделия. Каркасные блоки днища КБ-Д-3; КБ-Д-4 ТП 902-2-260-КС-III-75 Арматурные изделия. Каркасные блоки днища КБ-Д-5; КБ-Д-6 ТП 902-2-260-КС-III-76 Арматурные изделия. Сетки стен С-С-1 ÷ С-С-4 ТП 902-2-260-КС-III-77 Арматурные изделия. Сетки стен С-С-5 ÷ С-С-8 ТП 902-2-260-КС-III-78 Арматурные изделия. Каркасы стен К-С-1 ÷ К-С-3 ТП 902-2-260-КС-III-79 Арматурные изделия. Каркасы стен К-С-4 ÷ К-С-6 ТП 902-2-260-КС-III-80 Арматурные изделия. Каркасы стен К-С-7 ÷ К-С-9 ТП 902-2-260-КС-III-81 Арматурные изделия. Каркасы стен К-С-10 ÷ К-С-12 ТП 902-2-260-КС-III-82 Арматурные изделия. Каркасы стен К-С-13 ÷ К-С-15 ТП 902-2-260-КС-III-83 Арматурные изделия. Каркасы стен К-С-16 ÷ К-С-18 ТП 902-2-260-КС-III-84 Закладные детали М1-М5 |
| Разработан: | Гипрокоммунводоканал Минжилкомхоза РСФСР |
| Утверждён: | 20.06.1975 МЖКХ РСФСР (10ТД) |
| Издан: | ЦИТП Госстроя СССР (CITP, Gosstroy (USSR) 1976 г. ) |























































































