Скачать Серия 1.436.2-17 Выпуск 5. Механизмы открывания фрамуг, тип Б. Рабочие чертежиДата актуализации: 01.01.2021
|
| Обозначение: | Серия 1.436.2-17 |
| Обозначение англ: | Series 1.436.2-17 |
| Статус: | не действует |
| Название рус.: | Выпуск 5. Механизмы открывания фрамуг, тип Б. Рабочие чертежи |
| Дата добавления в базу: | 01.09.2013 |
| Дата актуализации: | 01.01.2021 |
| Дата введения: | 01.06.1982 |
| Дата окончания срока действия: | 01.12.1987 |
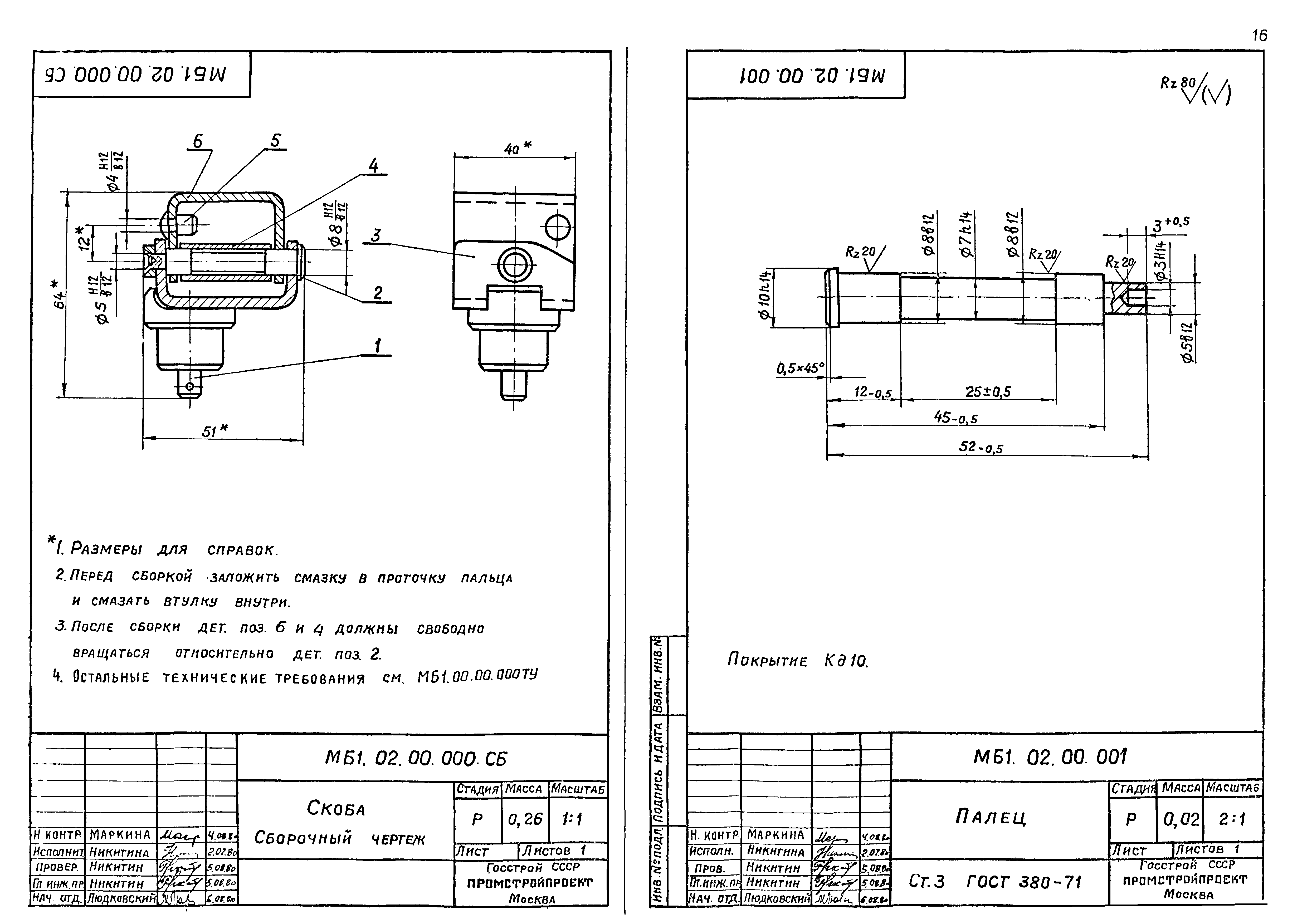
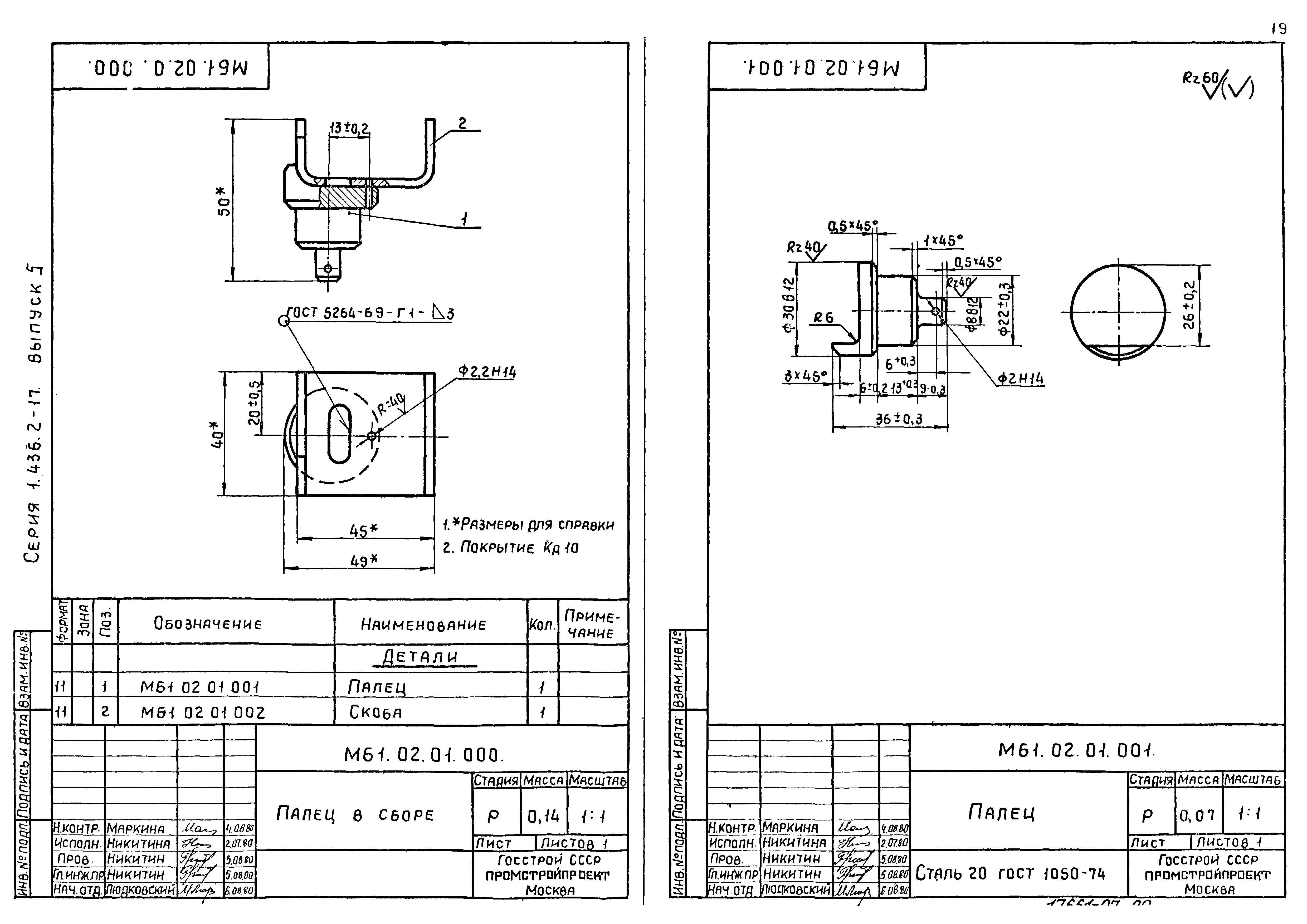
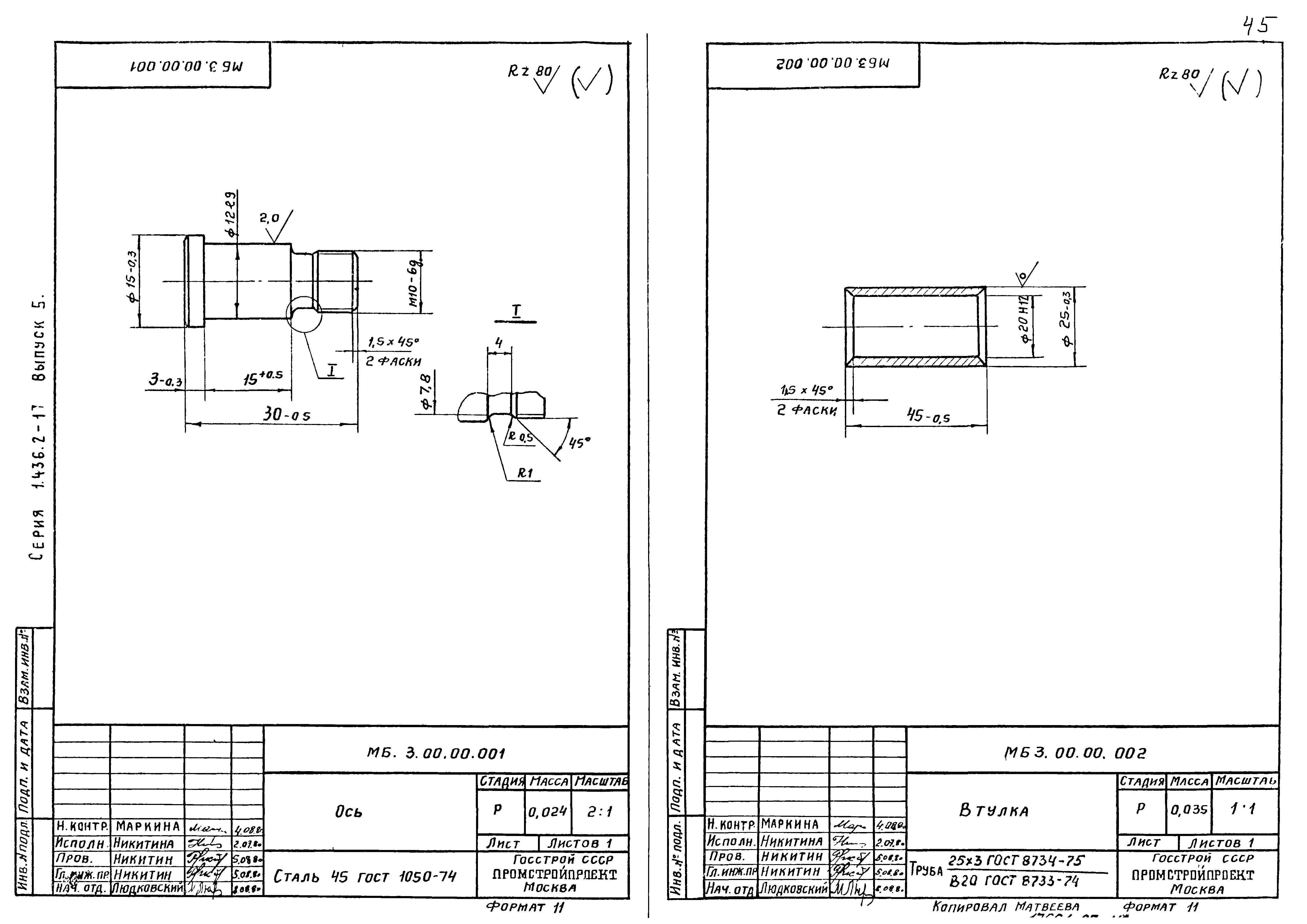
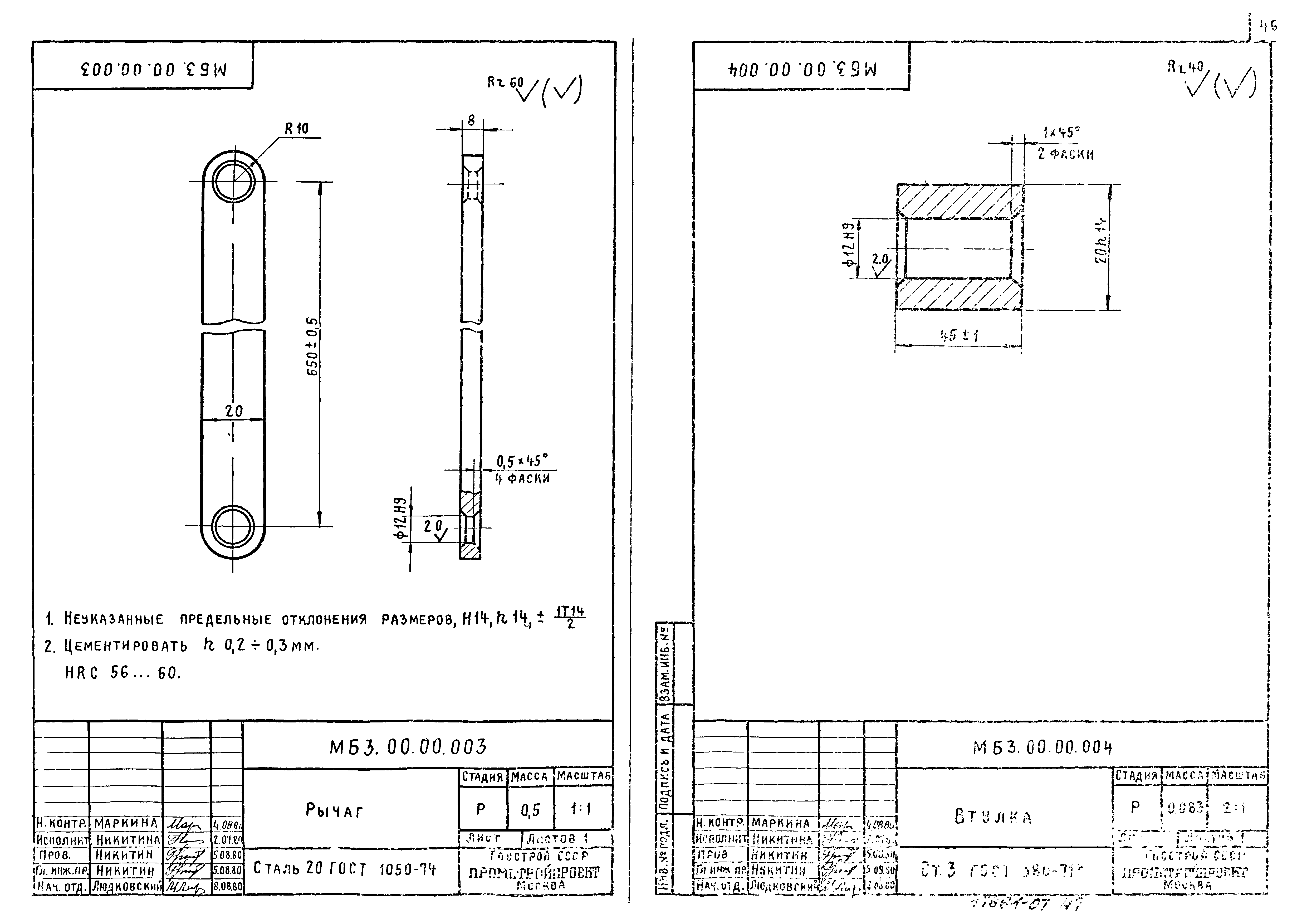
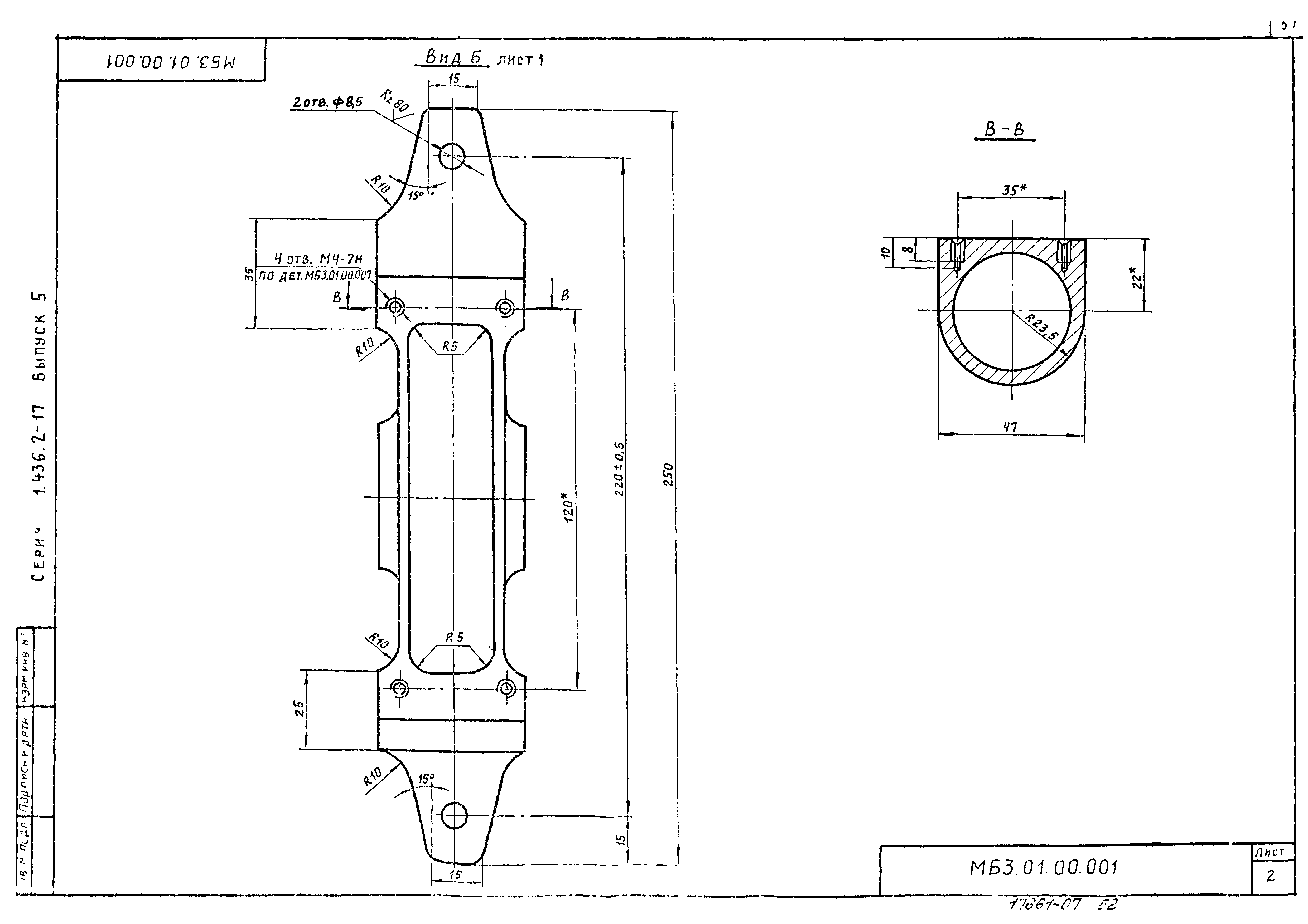
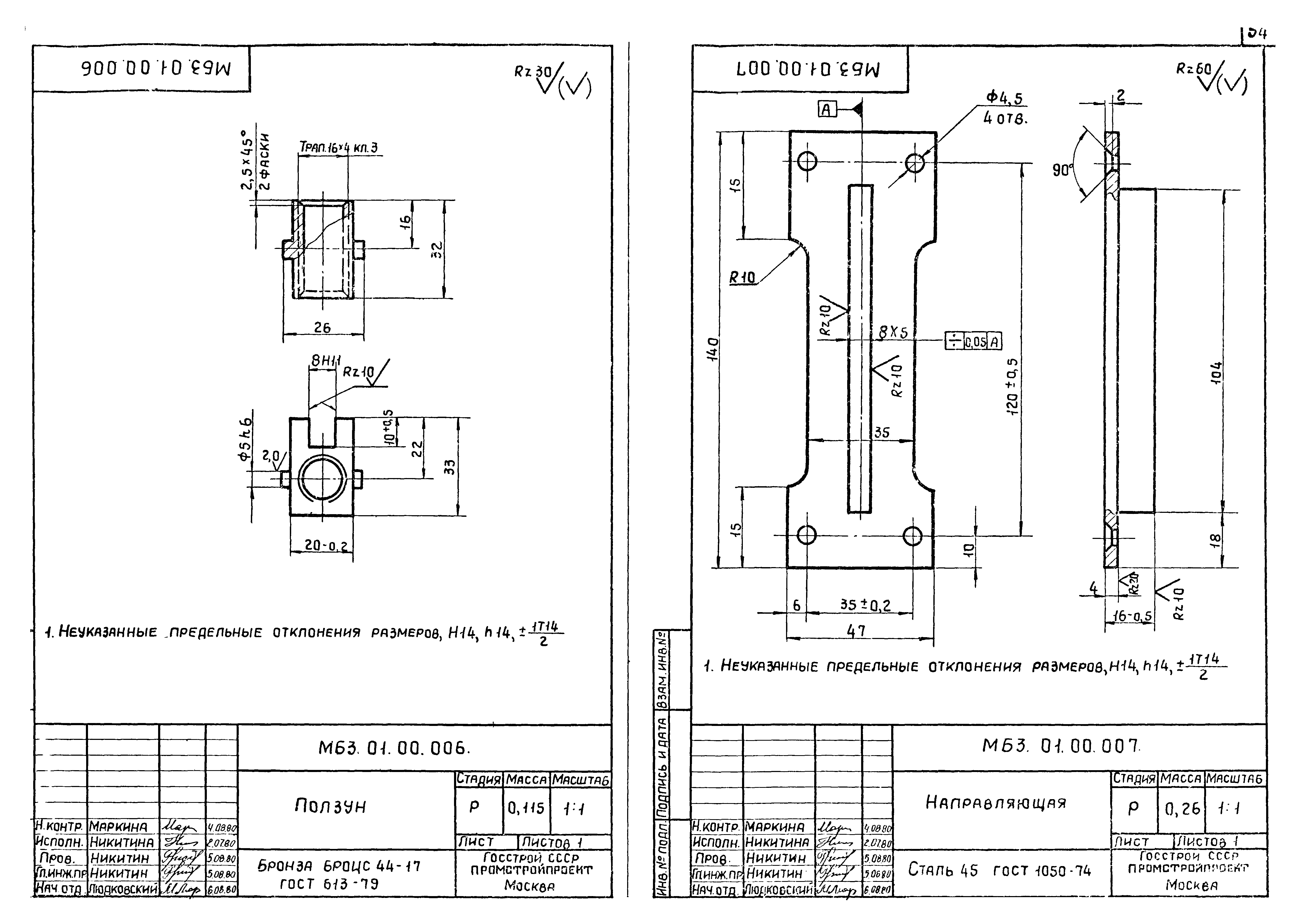
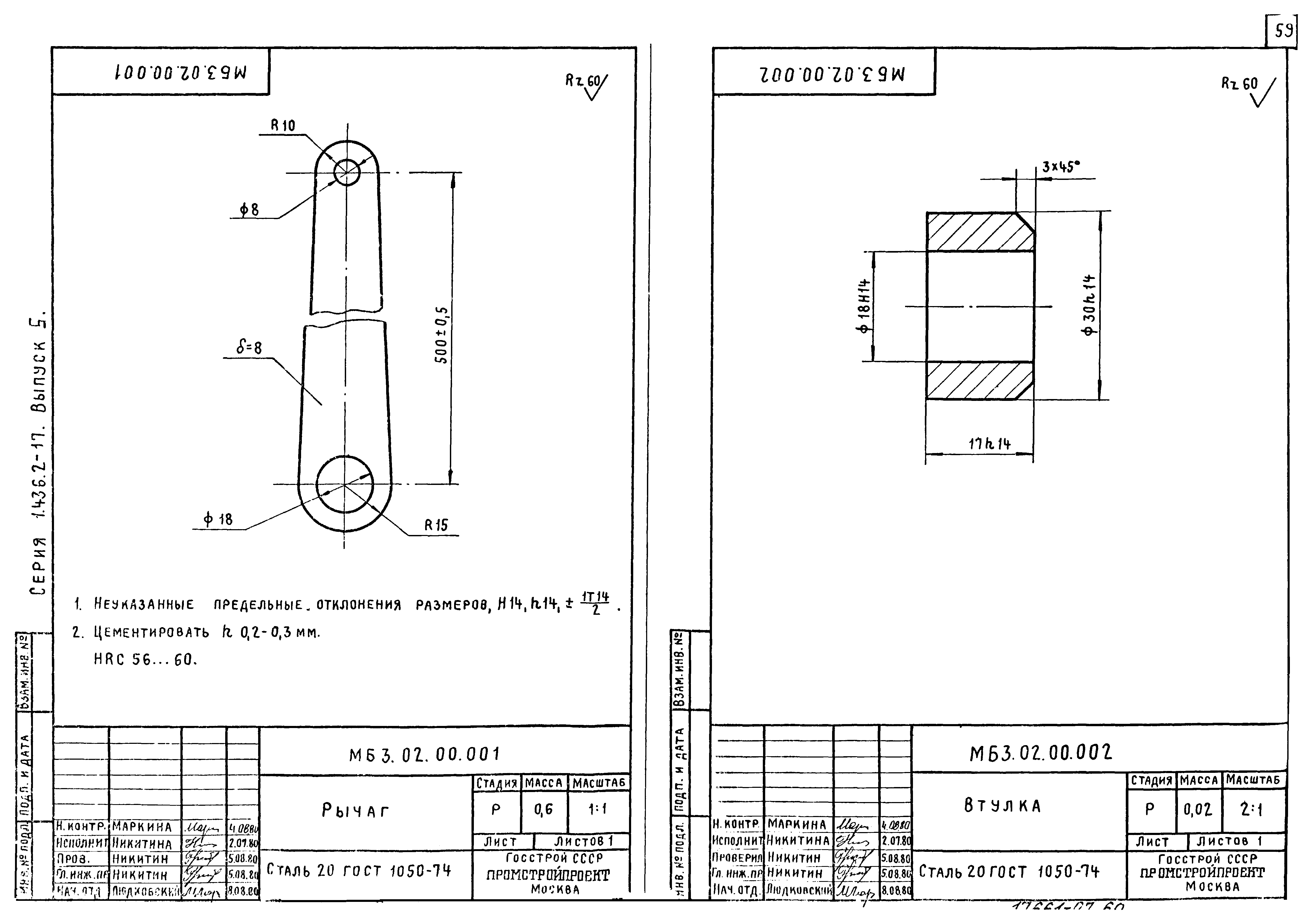
| Оглавление: | 1.436.2-17.5 Содержание альбома 1.436.2-17.5 МБ1.00.00.000 ТУ Технические условия 1.436.2-17.5 МБ1.00.00.000 Механизм рычажный 1.436.2-17.5 МБ1.00.00.000 СБ Механизм рычажный. Сборочный чертеж 1.436.2-17.5 МБ1.00.00.001 Рычаг 1.436.2-17.5 МБ1.00.00.002 Ручка 1.436.2-17.5 МБ1.00.00.003 Палец 1.436.2-17.5 МБ1.00.00.004 Пружина 1.436.2-17.5 МБ1.00.00.005 Втулка 1.436.2-17.5 МБ1.00.00.006 Кронштейн 1.436.2-17.5 МБ1.00.00.007 Кронштейн 1.436.2-17.5 МБ1.01.00.000 Вилка 1.436.2-17.5 МБ1.01.00.001 Болт 1.436.2-17.5 МБ1.01.00.002 Штифт 1.436.2-17.5 МБ1.01.00.003 Вилка 1.436.2-17.5 МБ1.02.00.000 Скоба 1.436.2-17.5 МБ1.02.00.000 СБ Скоба. Сборочный чертеж 1.436.2-17.5 МБ1.02.00.001 Палец 1.436.2-17.5 МБ1.02.00.002 Шайба 1.436.2-17.5 МБ1.02.00.003 Втулка 1.436.2-17.5 МБ1.02.00.004 Фиксатор 1.436.2-17.5 МБ1.02.00.005 Скоба 1.436.2-17.5 МБ1.02.01.000 Палец в сборе 1.436.2-17.5 МБ1.02.01.001 Палец 1.436.2-17.5 МБ1.02.01.002 Скоба 1.436.2-17.5 МБ1.03.00.000 Кожух 1.436.2-17.5 МБ1.03.00.000 СБ Кожух. Сборочный чертеж 1.436.2-17.5 МБ1.03.00.001 Пластина 1.436.2-17.5 МБ1.03.00.002 Скоба 1.436.2-17.5 МБ1.03.00.003 Пластина 1.436.2-17.5 МБ1.03.00.004 Пластина 1.436.2-17.5 МБ1.04.00.000 Кронштейн 1.436.2-17.5 МБ1.04.00.001 Пластина 1.436.2-17.5 МБ1.04.00.002 Зацеп 1.436.2-17.5 МБ2.00.00.000 Механизм рычажный 1.436.2-17.5 МБ2.00.00.000 СБ Механизм рычажный. Сборочный чертеж 1.436.2-17.5 МБ2.00.00.001 Крючок 1.436.2-17.5 МБ2.00.00.002 Опора 1.436.2-17.5 МБ2.00.00.003 Шайба 1.436.2-17.5 МБ2.00.00.004 Палец 1.436.2-17.5 МБ2.00.00.005 Скоба 1.436.2-17.5 МБ2.01.00.000 Рычаг 1.436.2-17.5 МБ2.01.00.000 СБ Рычаг. Сборочный чертеж 1.436.2-17.5 МБ2.01.00.001 Вал 1.436.2-17.5 МБ2.01.00.002 Рукоятка 1.436.2-17.5 МБ2.01.00.002-01 Рукоятка 1.436.2-17.5 МБ2.01.00.003 Ось 1.436.2-17.5 МБ2.01.00.004 Заглушка 1.436.2-17.5 МБ2.02.00.000 Вал 1.436.2-17.5 МБ2.02.00.000 СБ Вал. Сборочный чертеж 1.436.2-17.5 МБ2.02.00.001 Ось 1.436.2-17.5 МБ2.02.00.002 Ось 1.436.2-17.5 МБ3.08.00.000 СБ Кронштейн. Сборочный чертеж 1.436.2-17.5 МБ3.08.00.001 Скоба 1.436.2-17.5 МБ3.08.00.002 Шпилька 1.436.2-17.5 МБ3.08.00.003 Платик |
| Разработан: | Промстройпроект |
| Утверждён: | 05.02.1982 Госстрой СССР (Государственный комитет Совета Министров СССР по делам строительства) (USSR Gosstroy 8) |
| Чем заменён: |







































































