Скачать Типовой проект 902-2-343 Альбом II. Конструкции железобетонныеДата актуализации: 01.01.2021
|
| Обозначение: | Типовой проект 902-2-343 |
| Обозначение англ: | 902-2-343 |
| Статус: | не определен законодательством |
| Название рус.: | Альбом II. Конструкции железобетонные |
| Дата добавления в базу: | 01.09.2013 |
| Дата актуализации: | 01.01.2021 |
| Дата введения: | 01.03.1981 |
| Дата окончания срока действия: | 30.06.2003 |
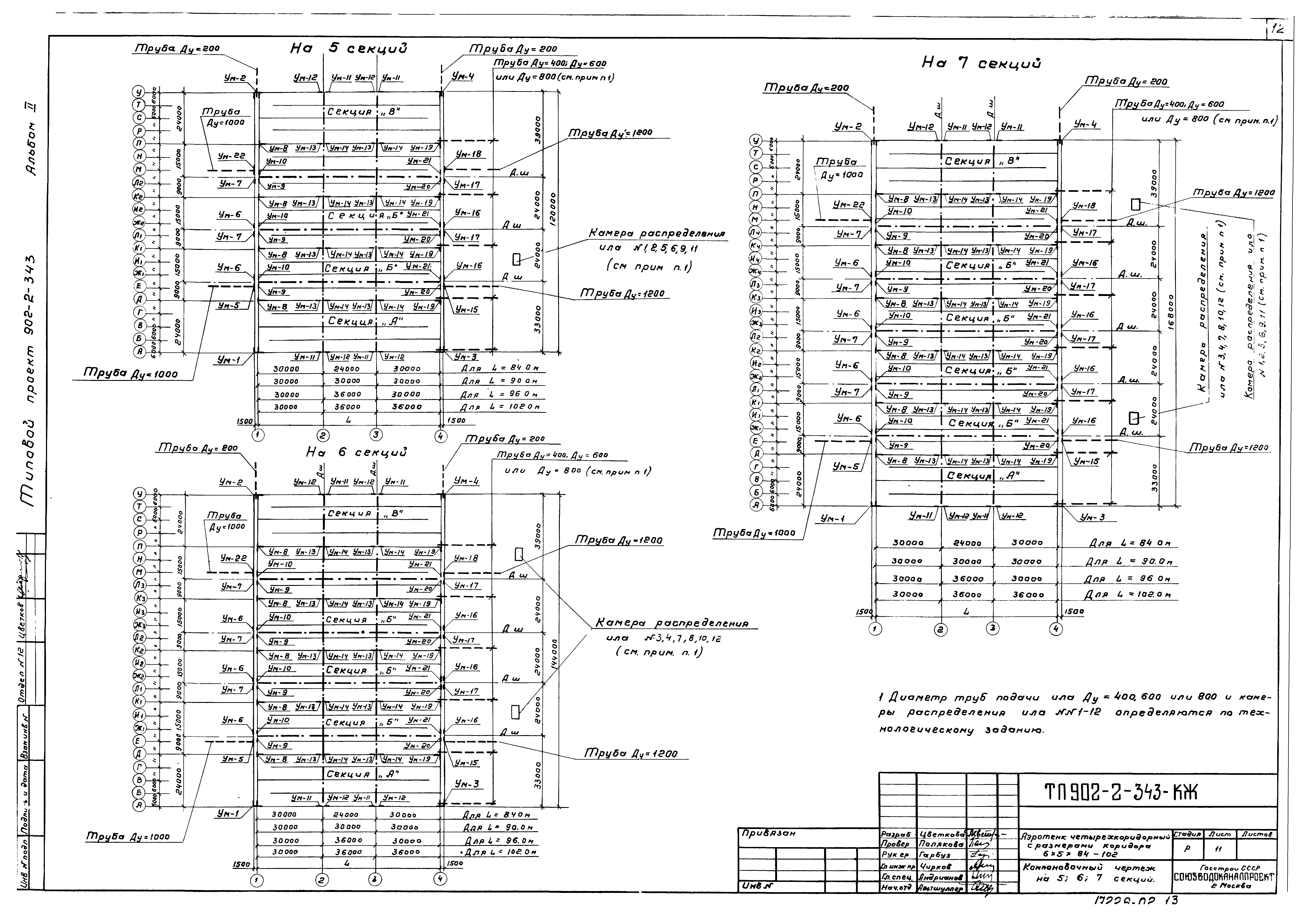
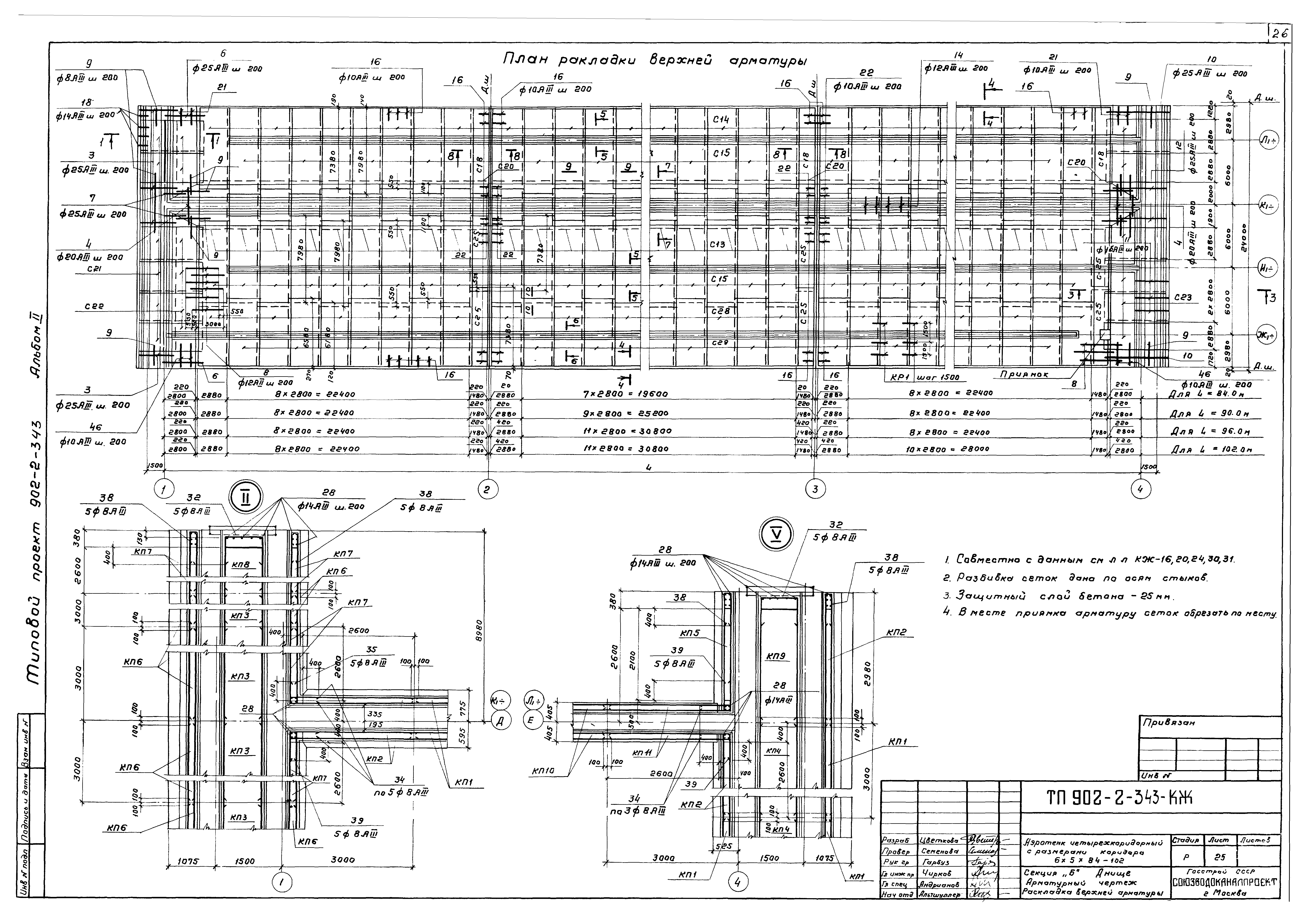
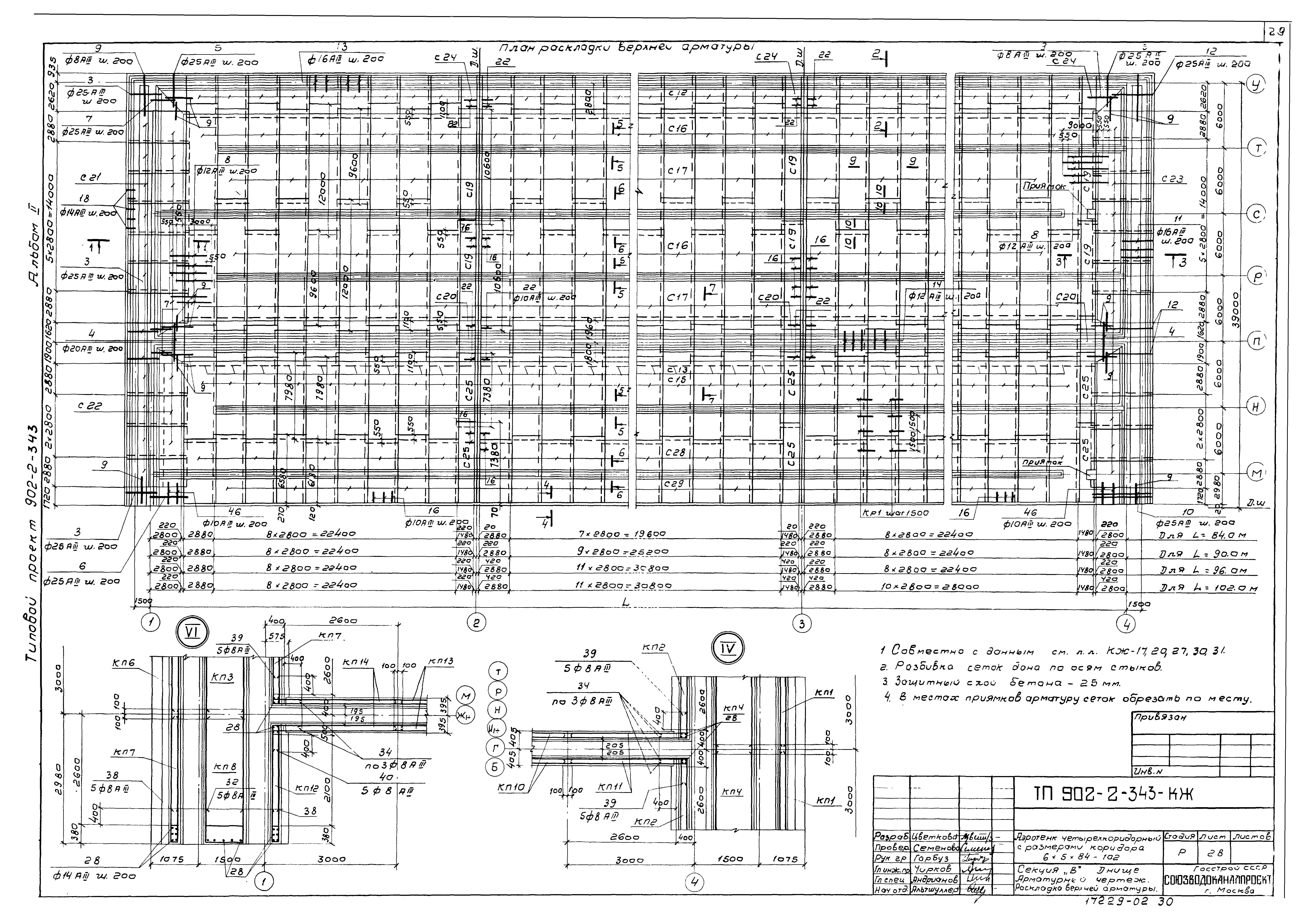
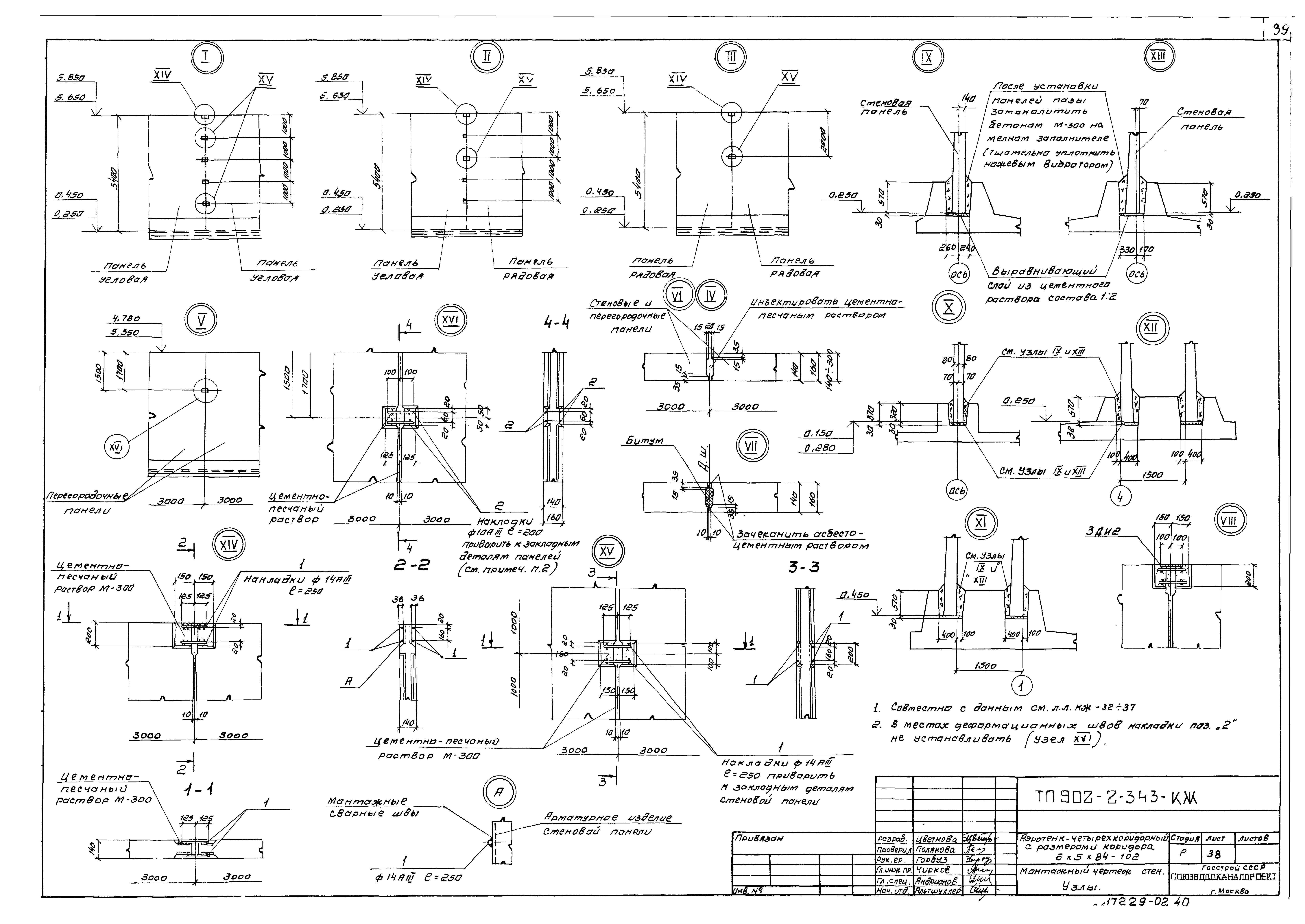
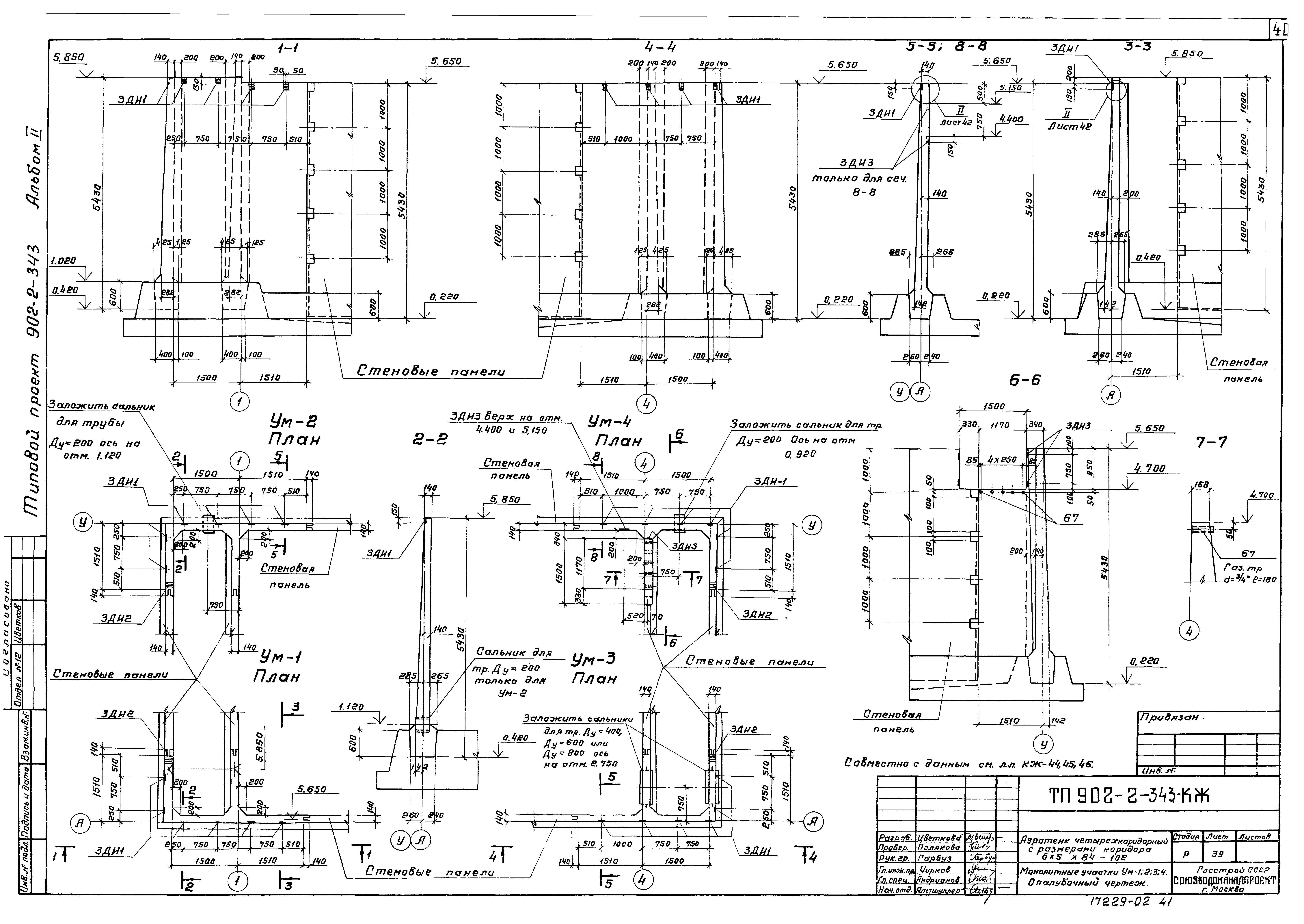
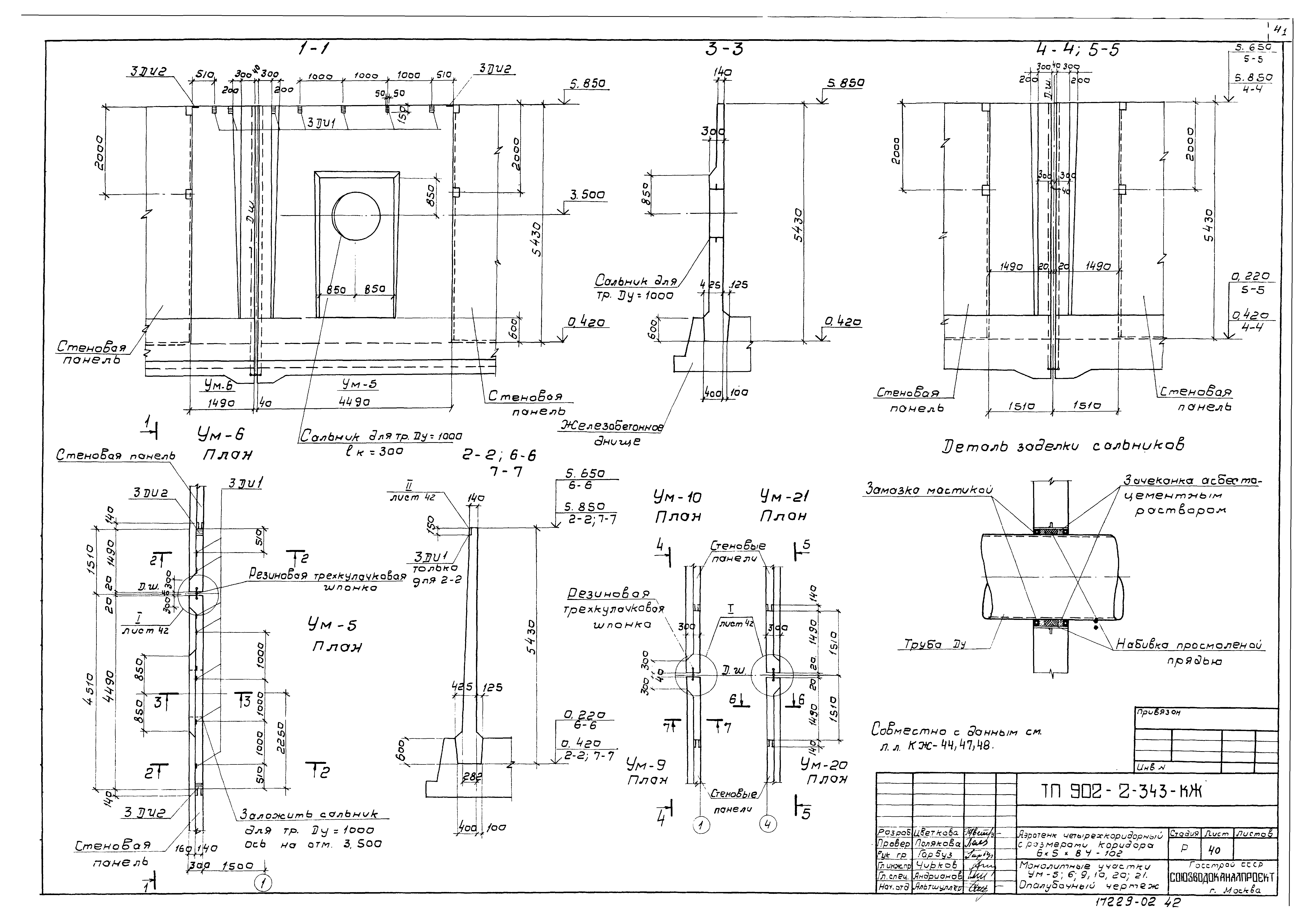
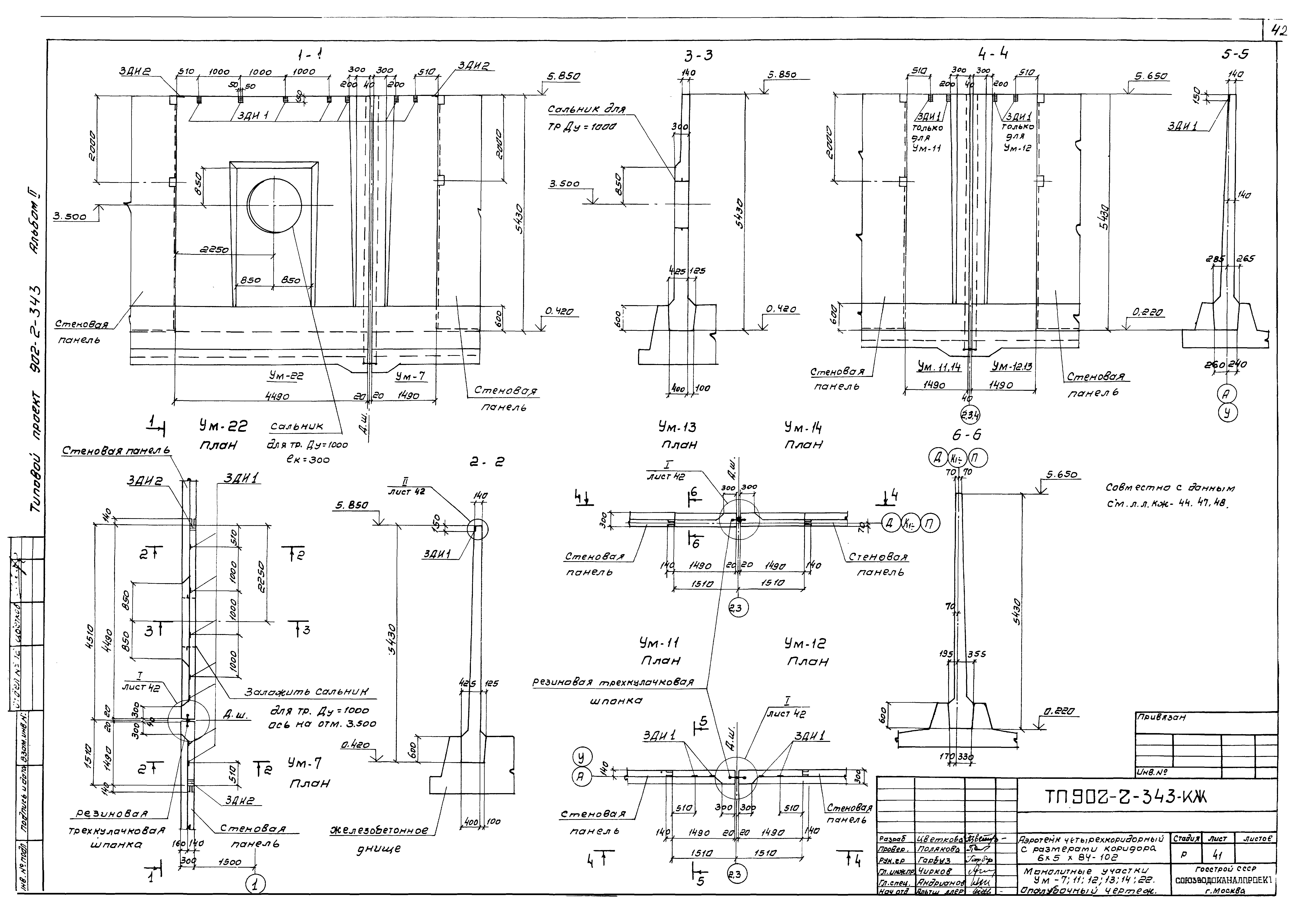
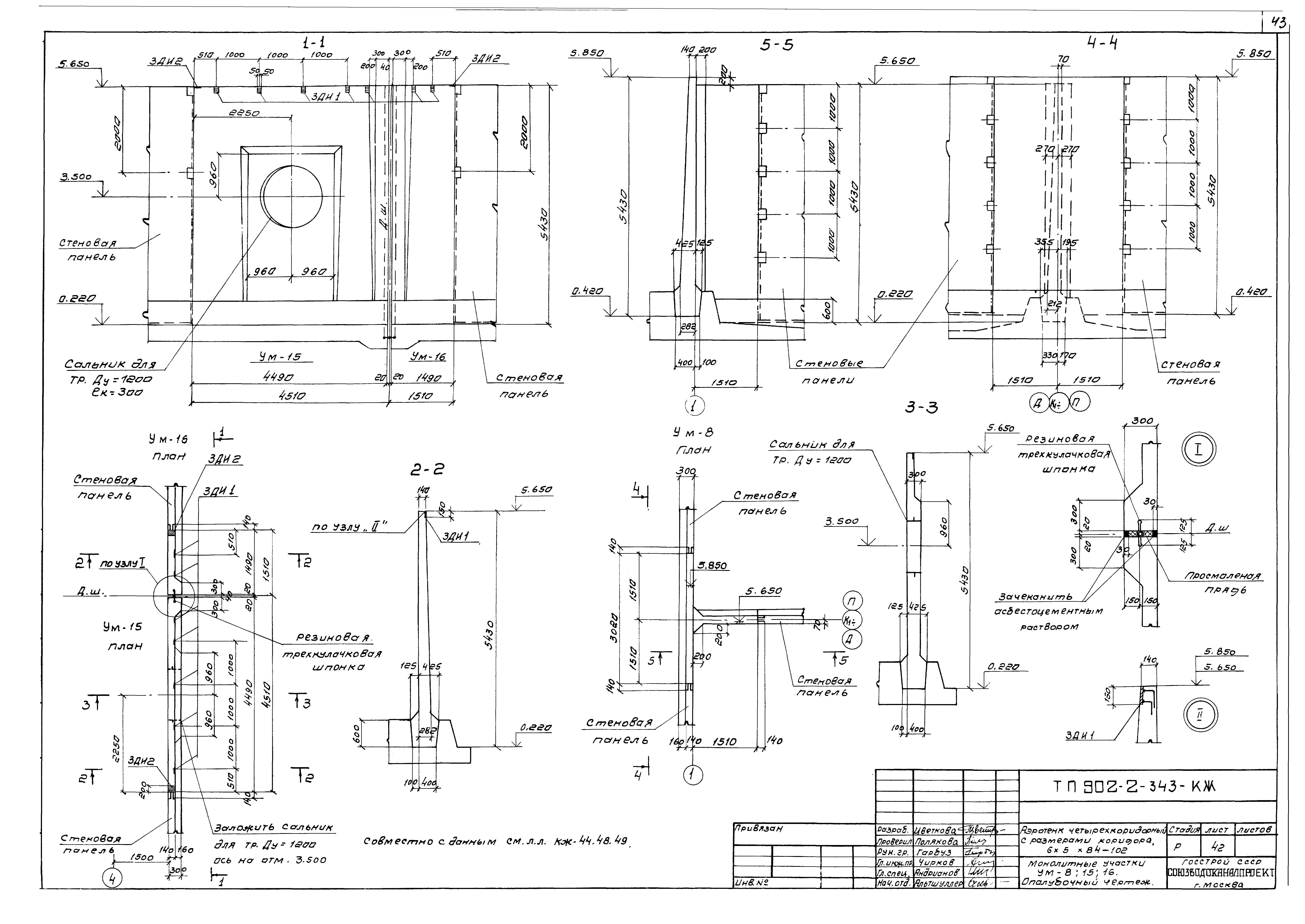
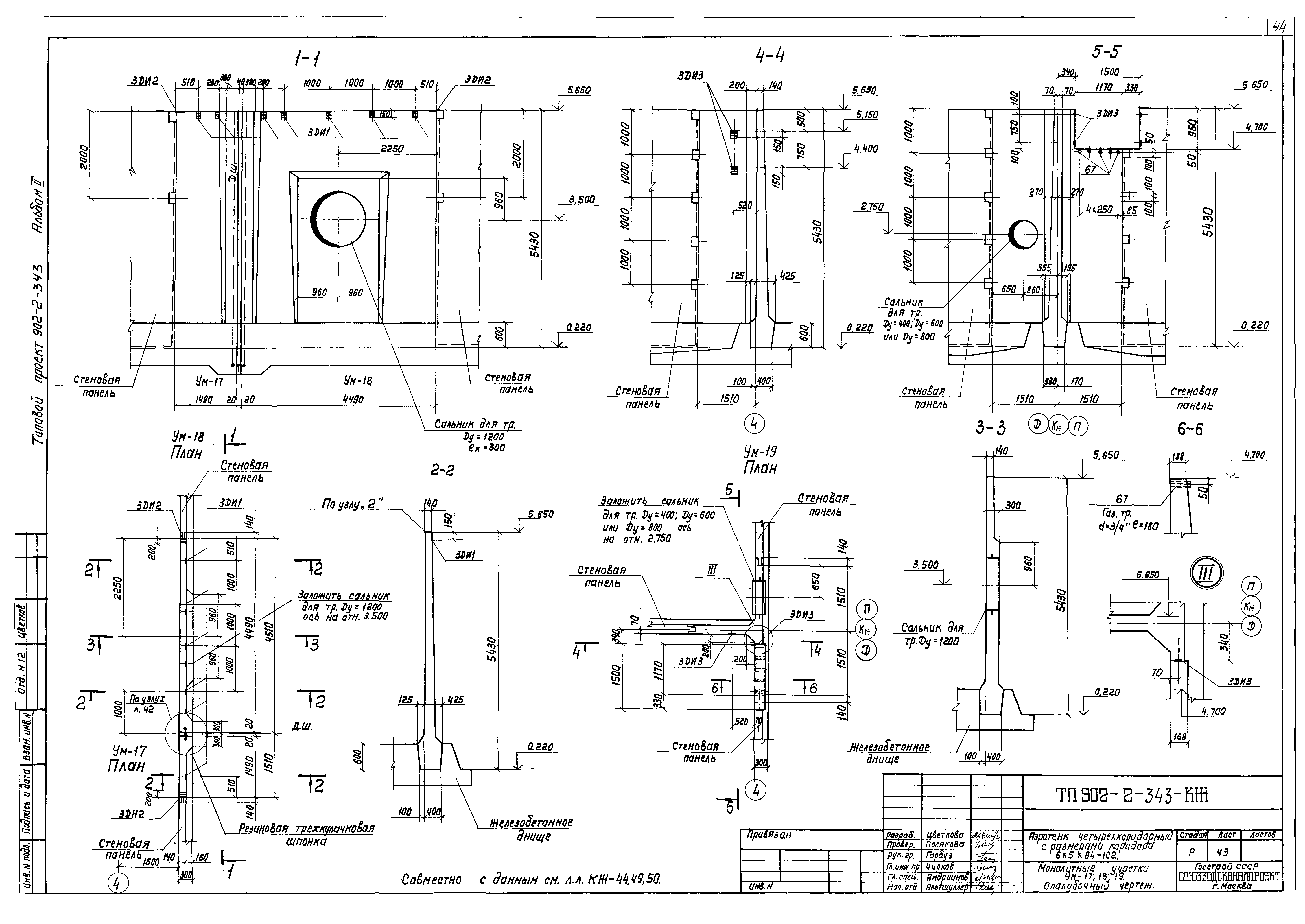
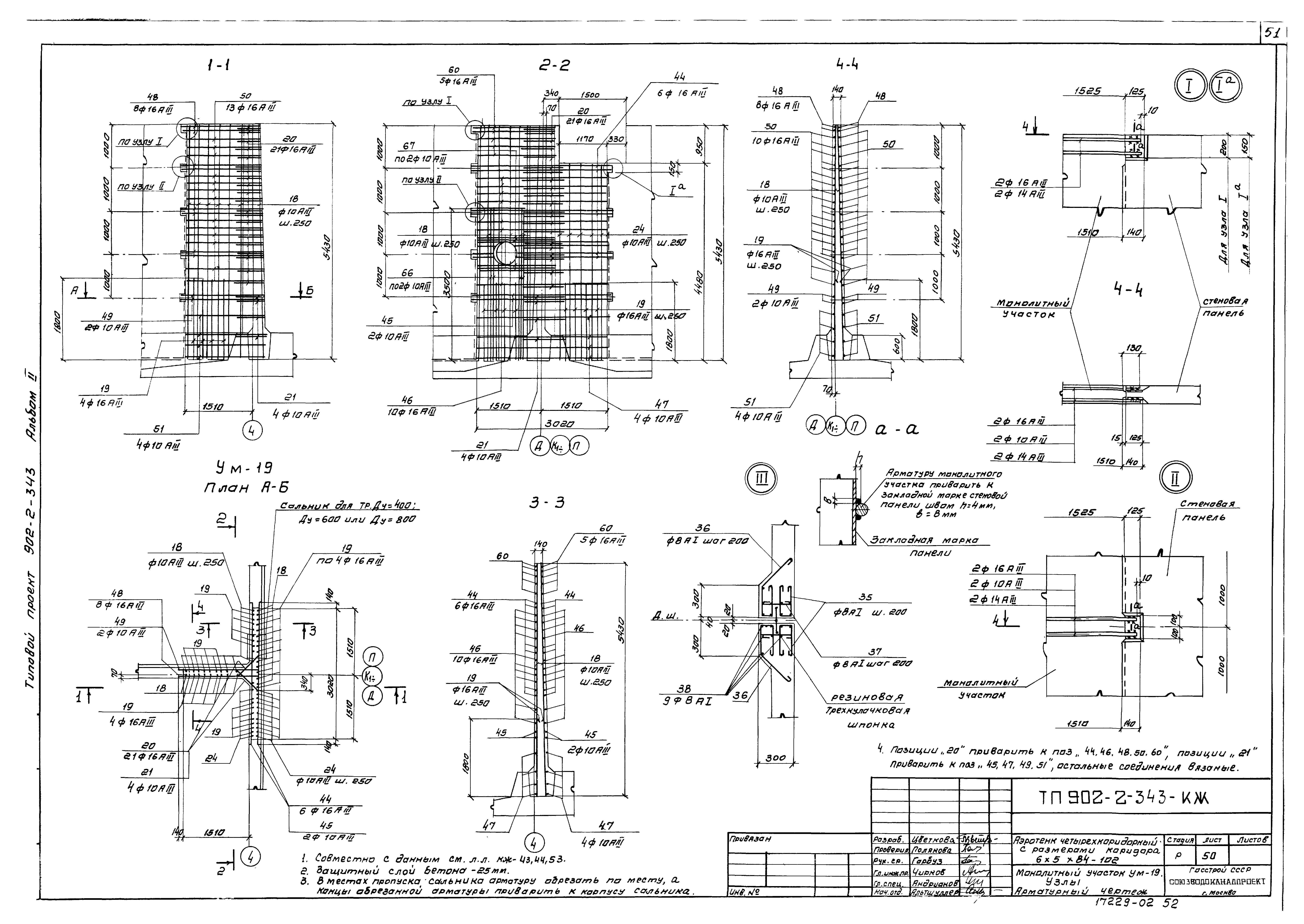
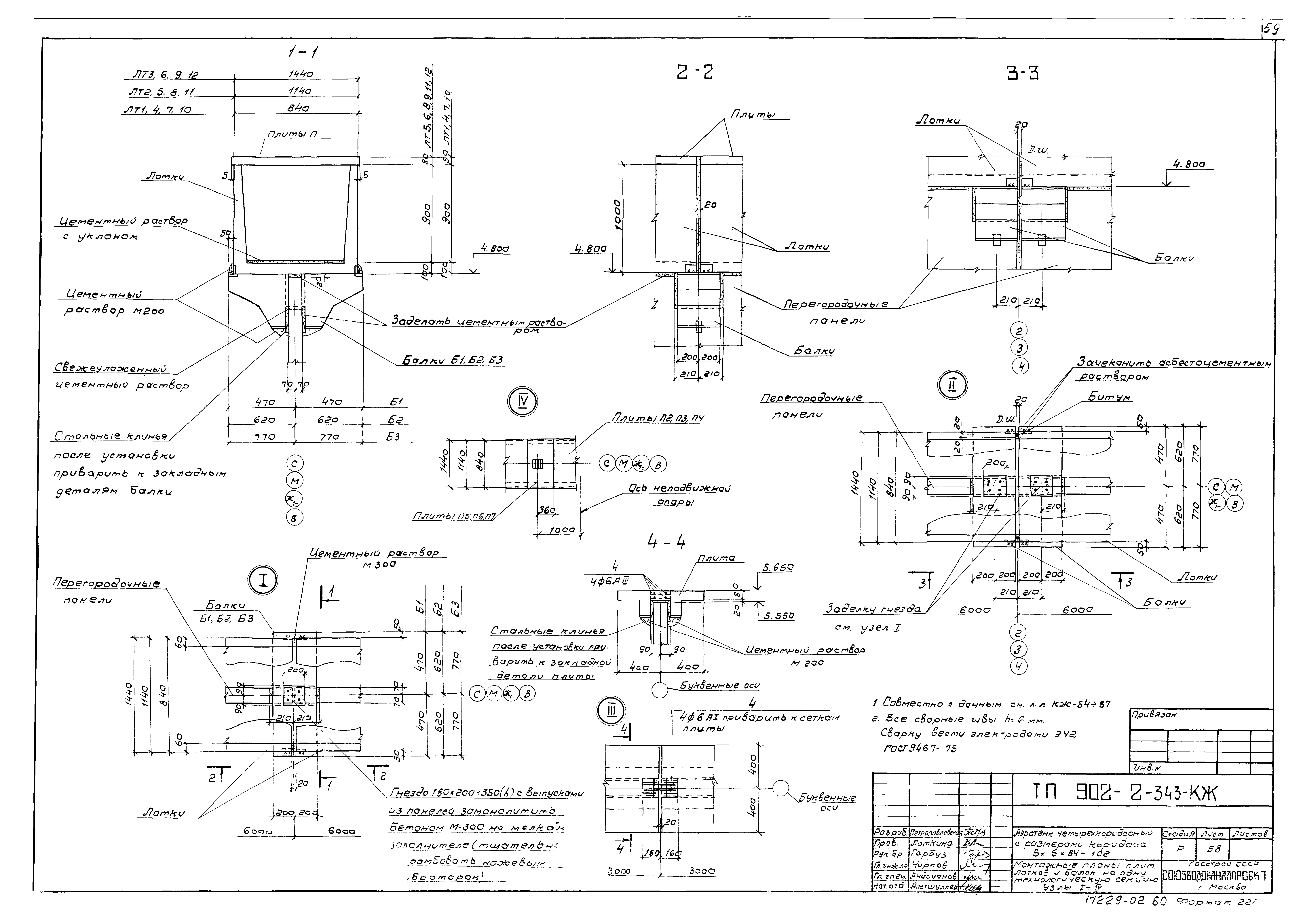
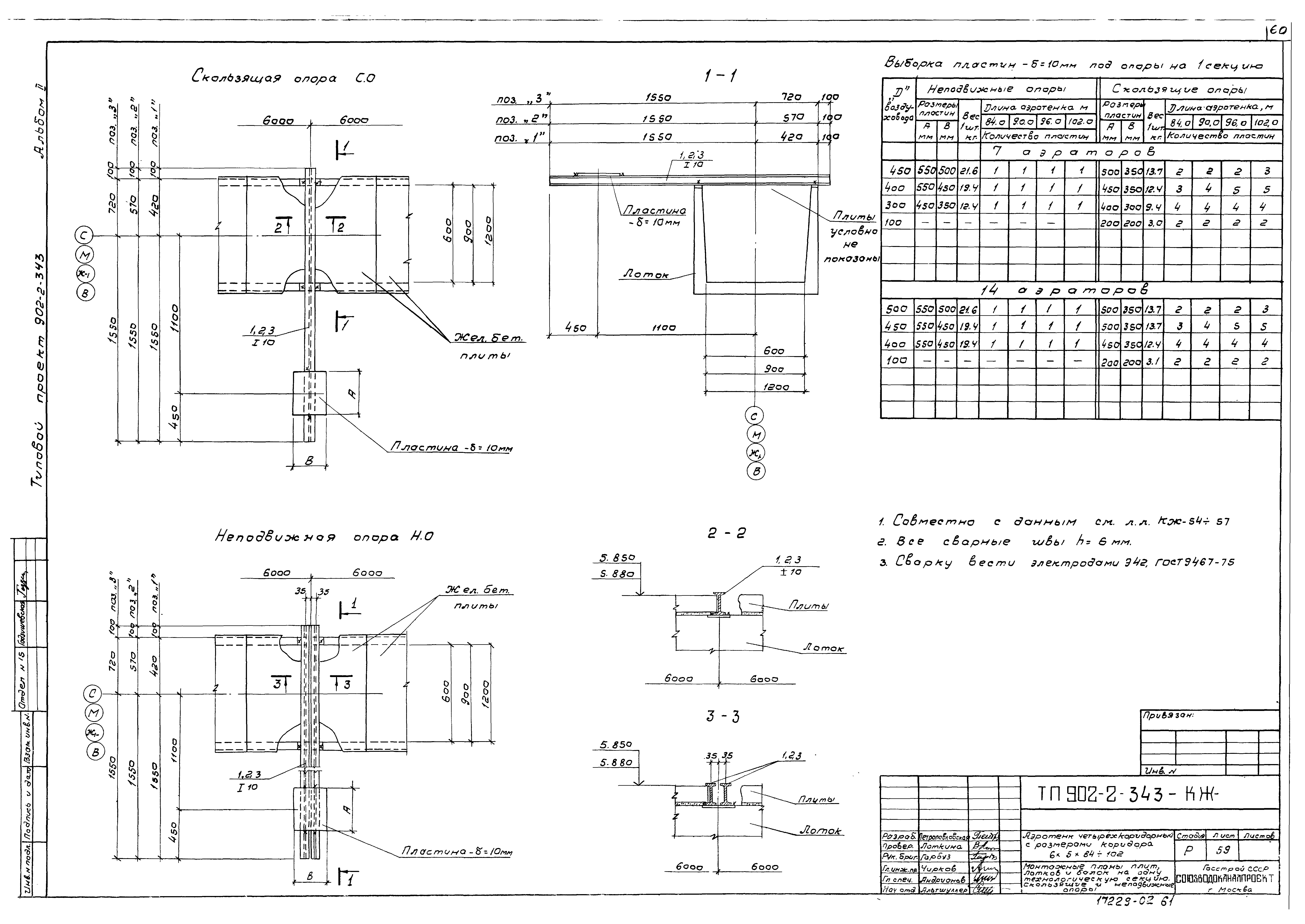
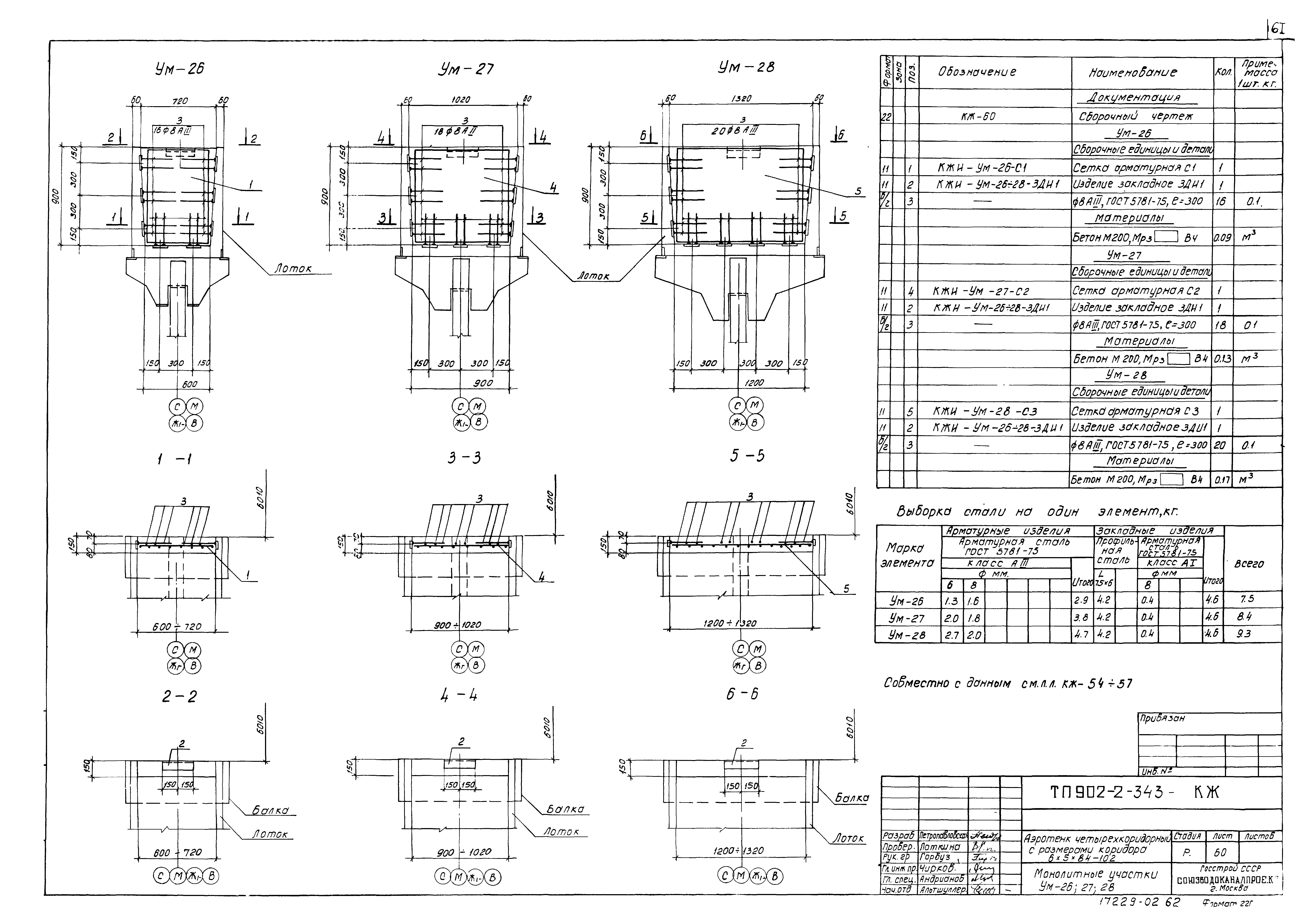
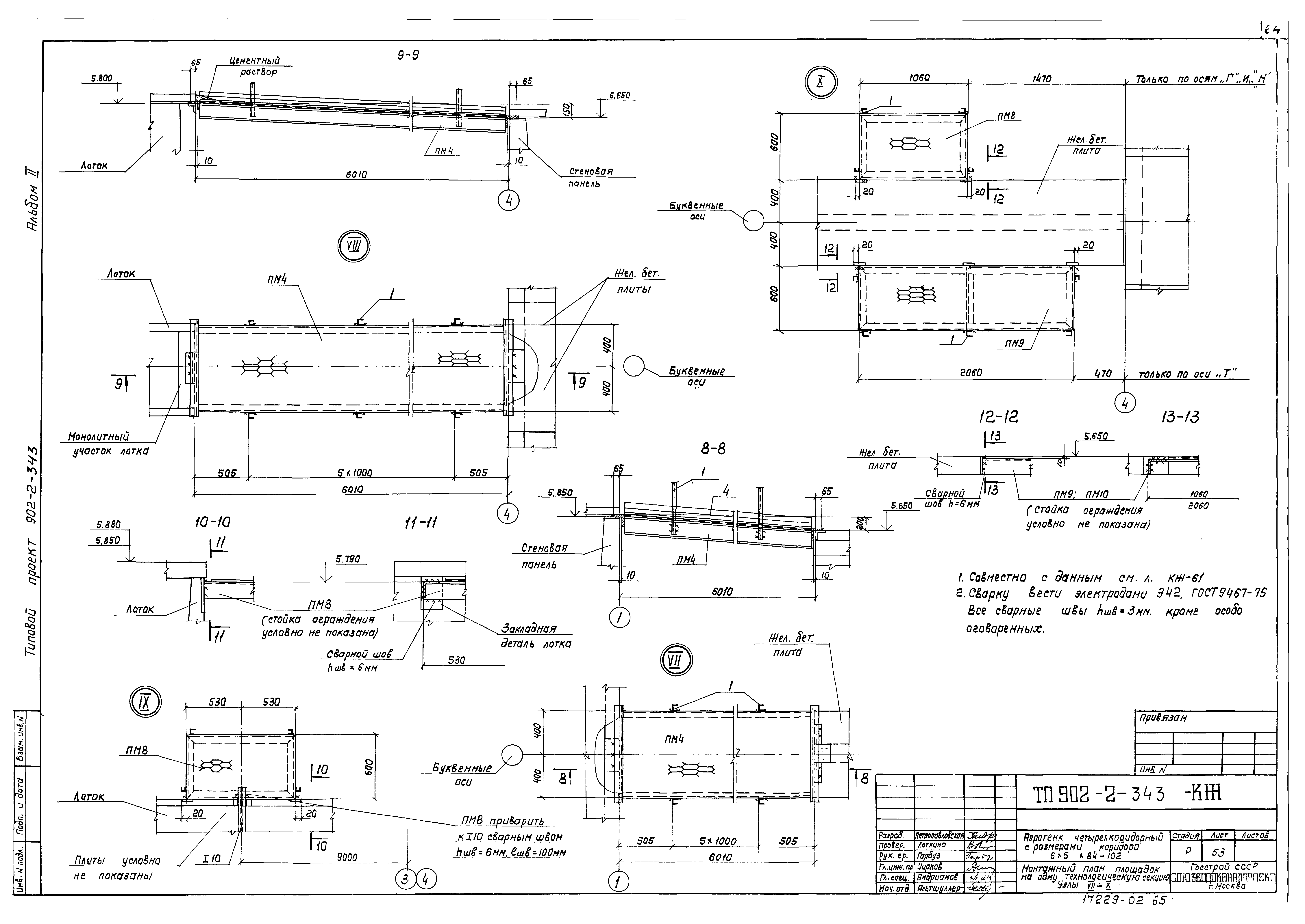
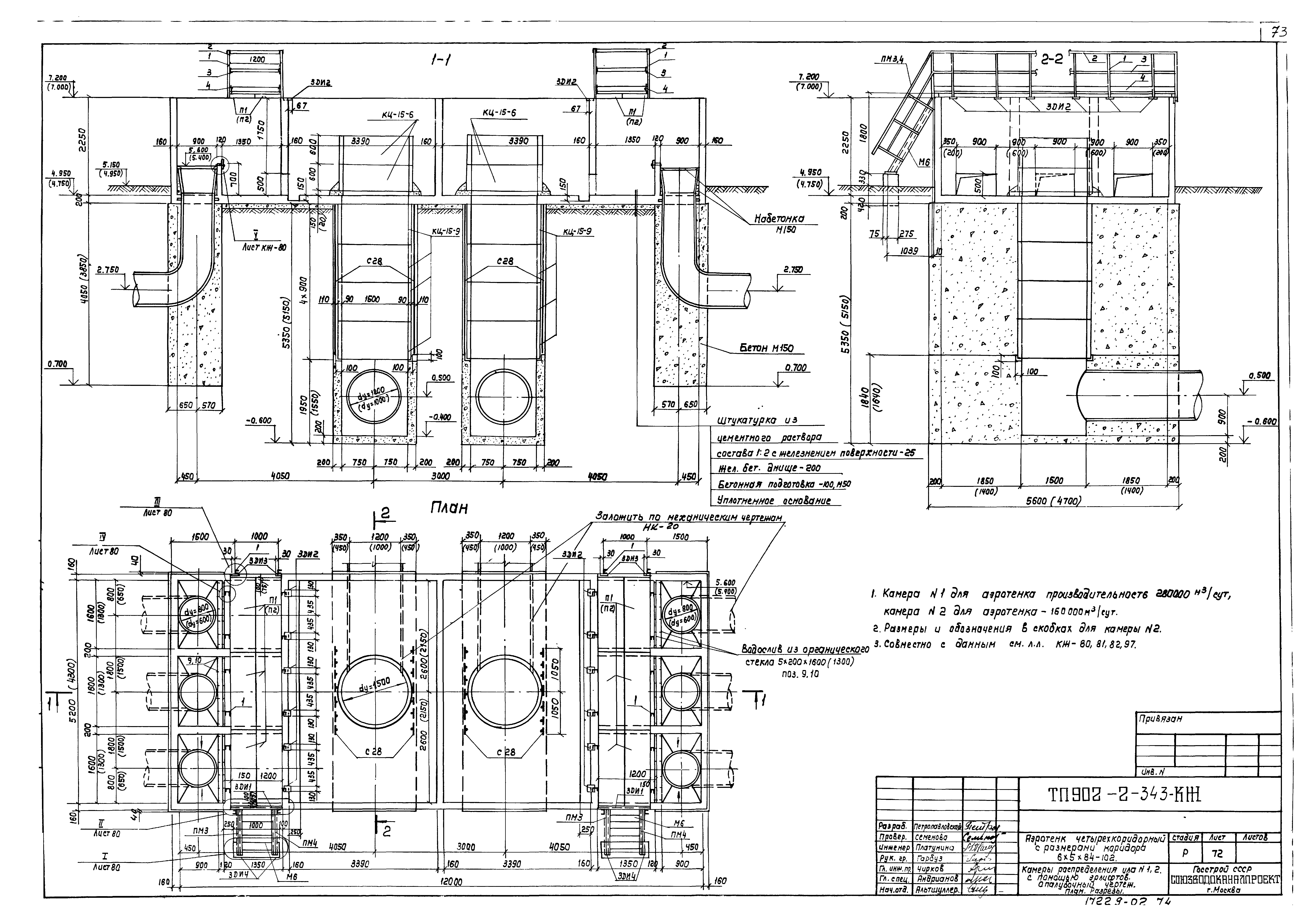
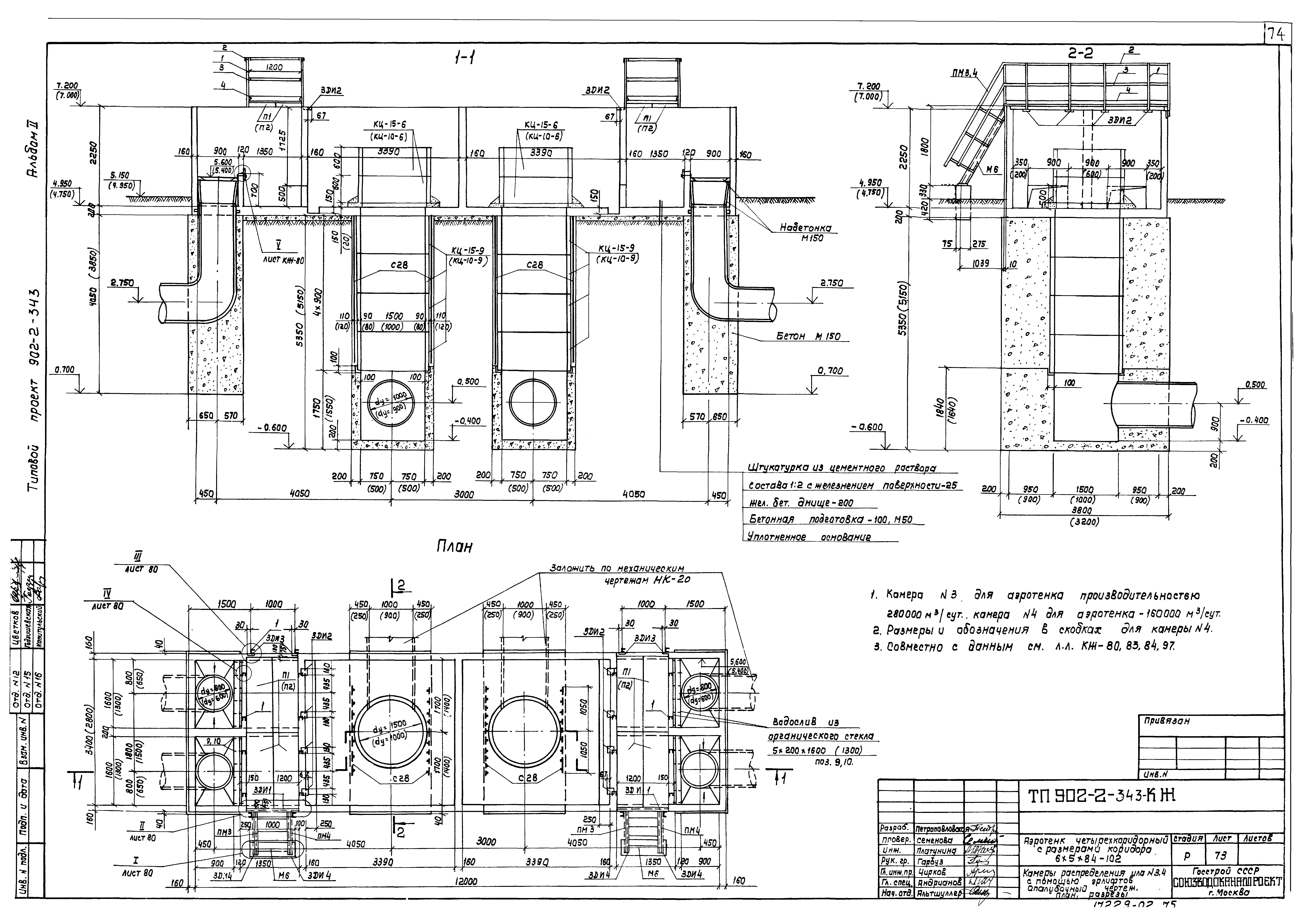
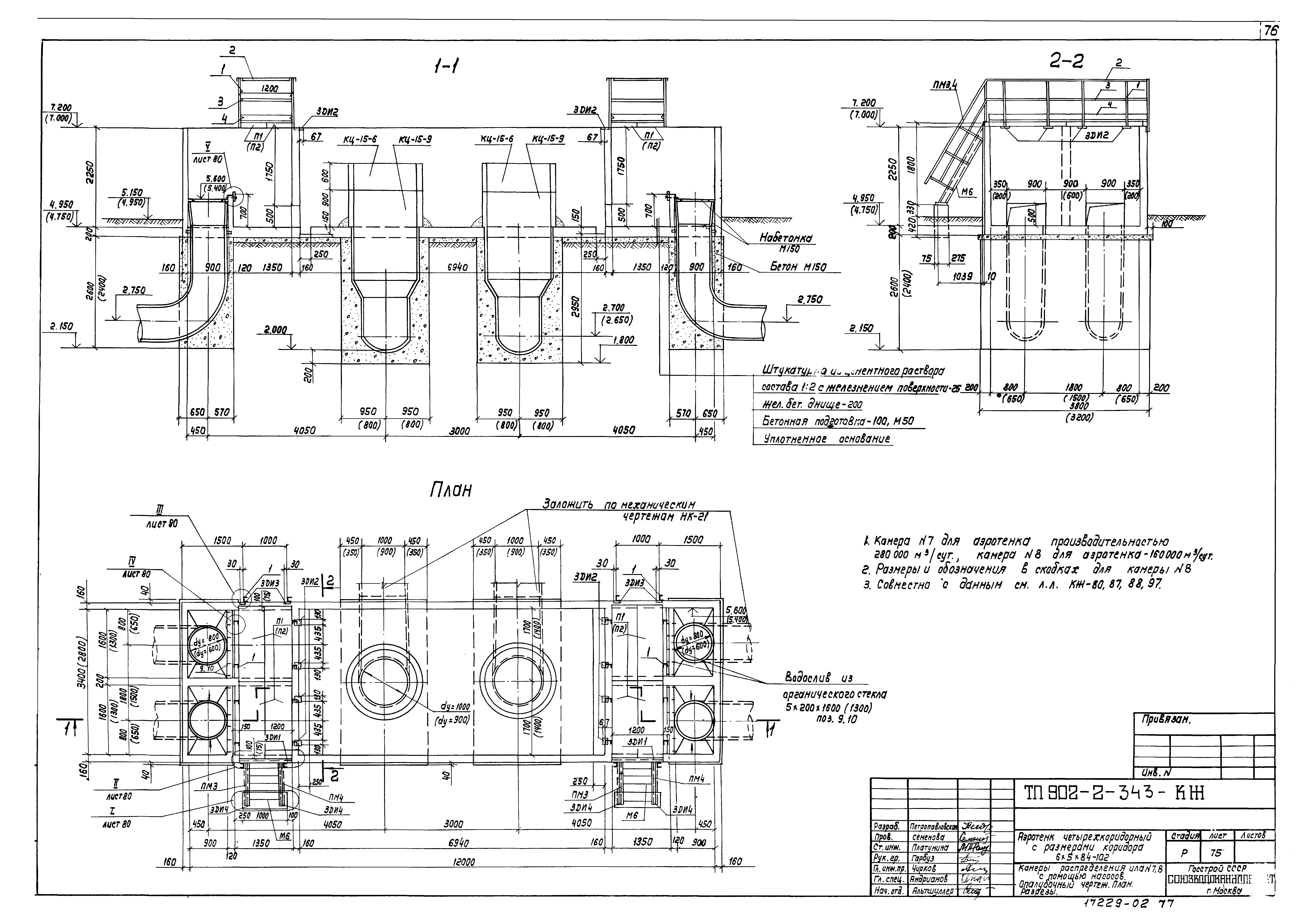
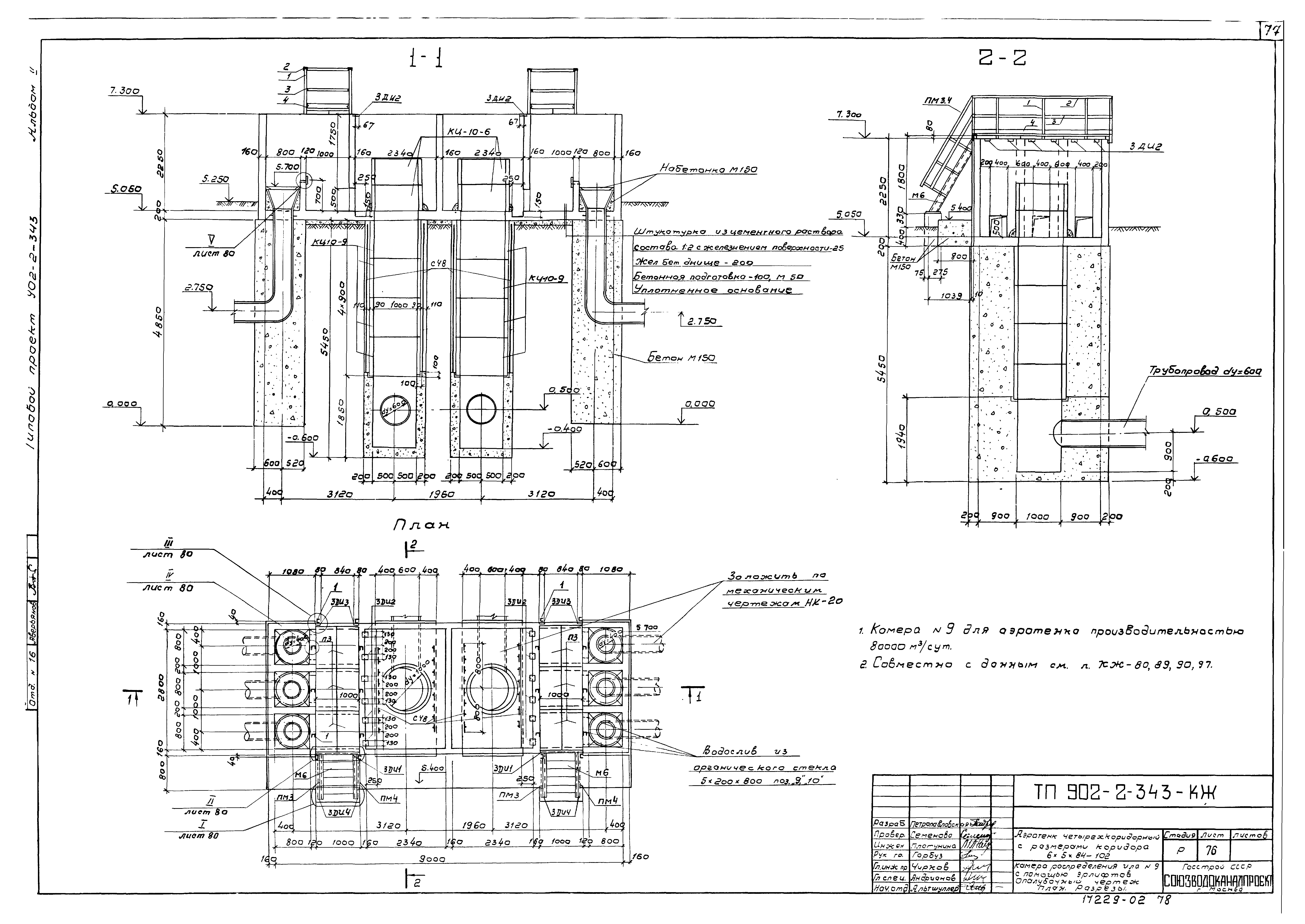
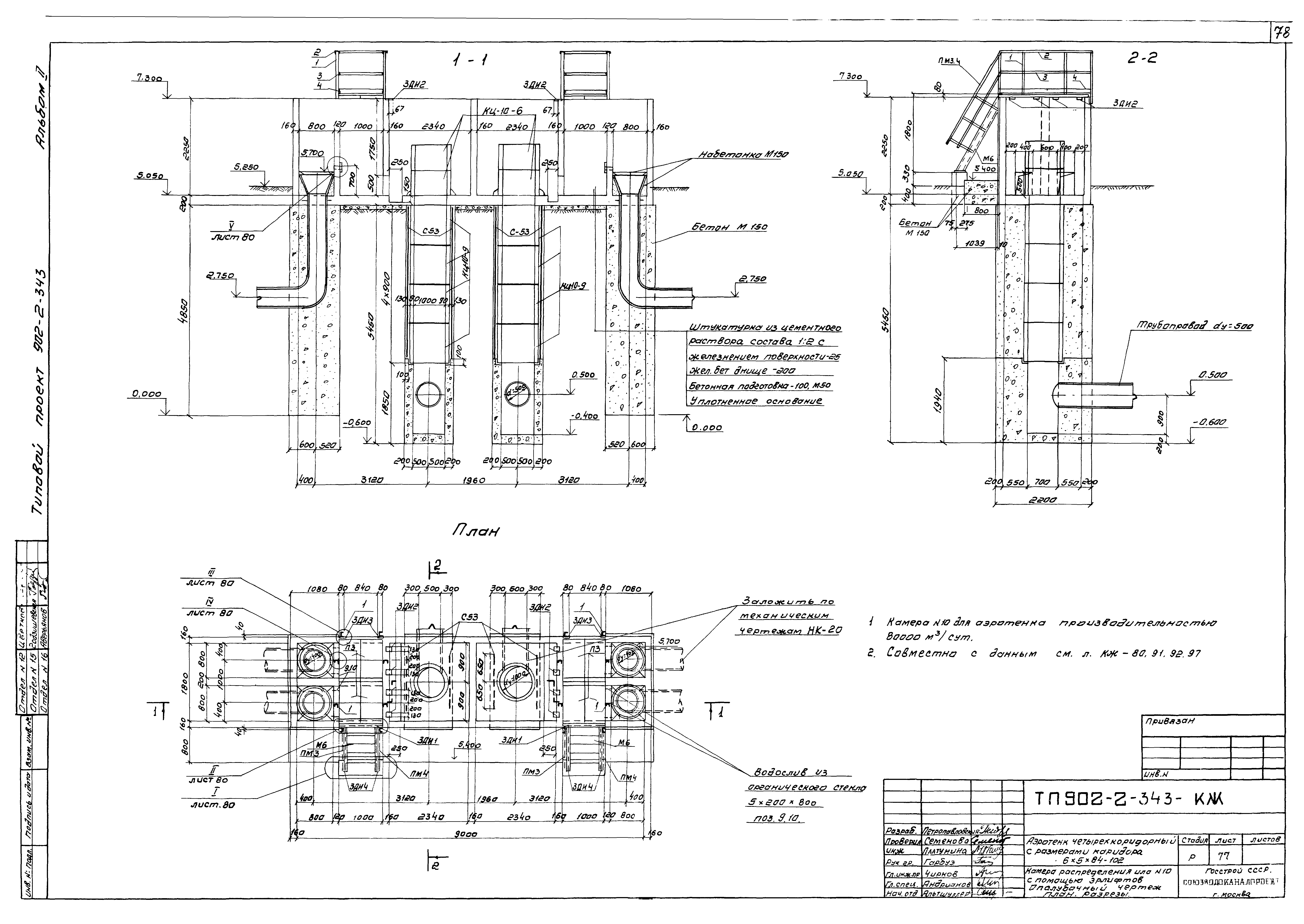
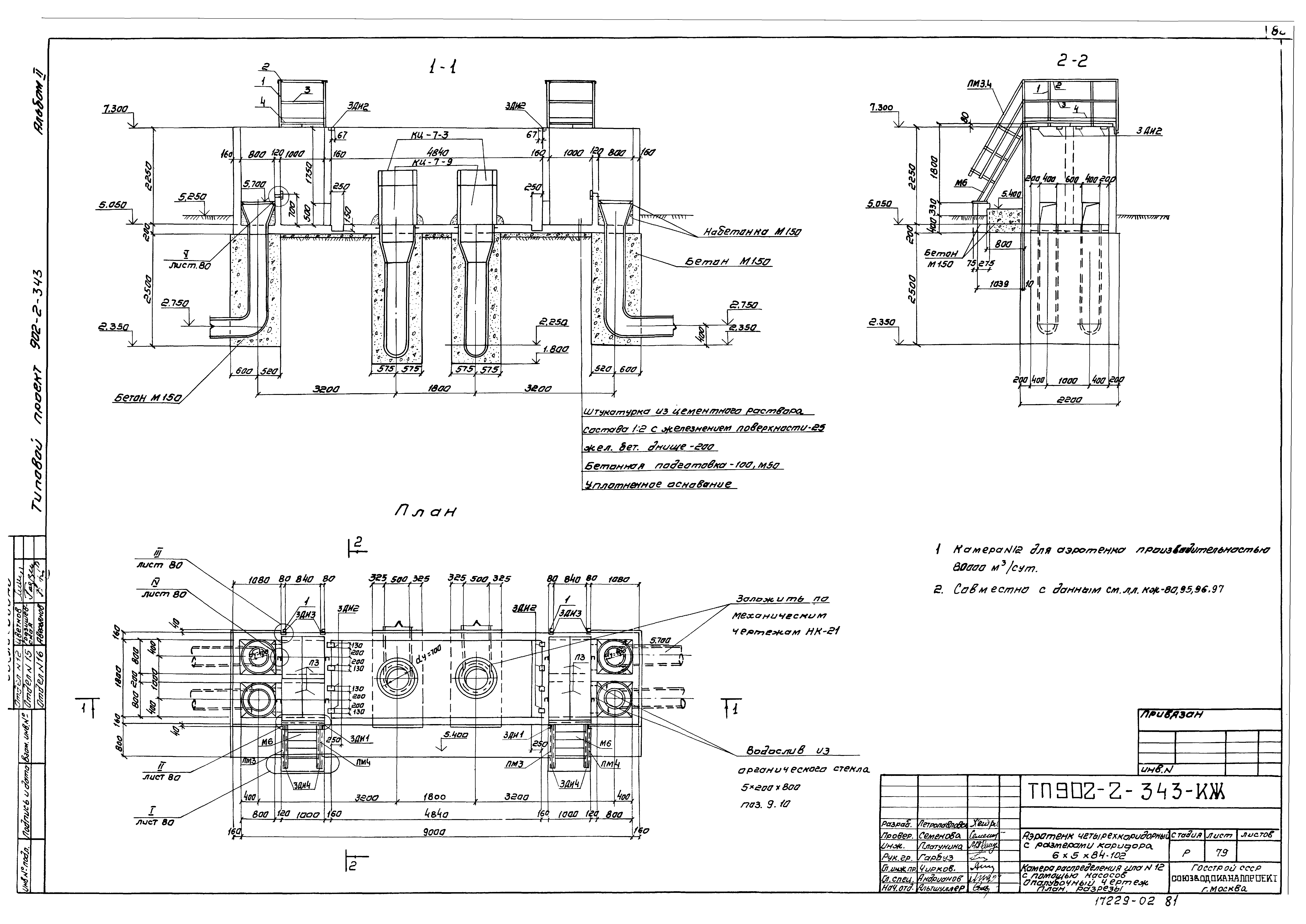
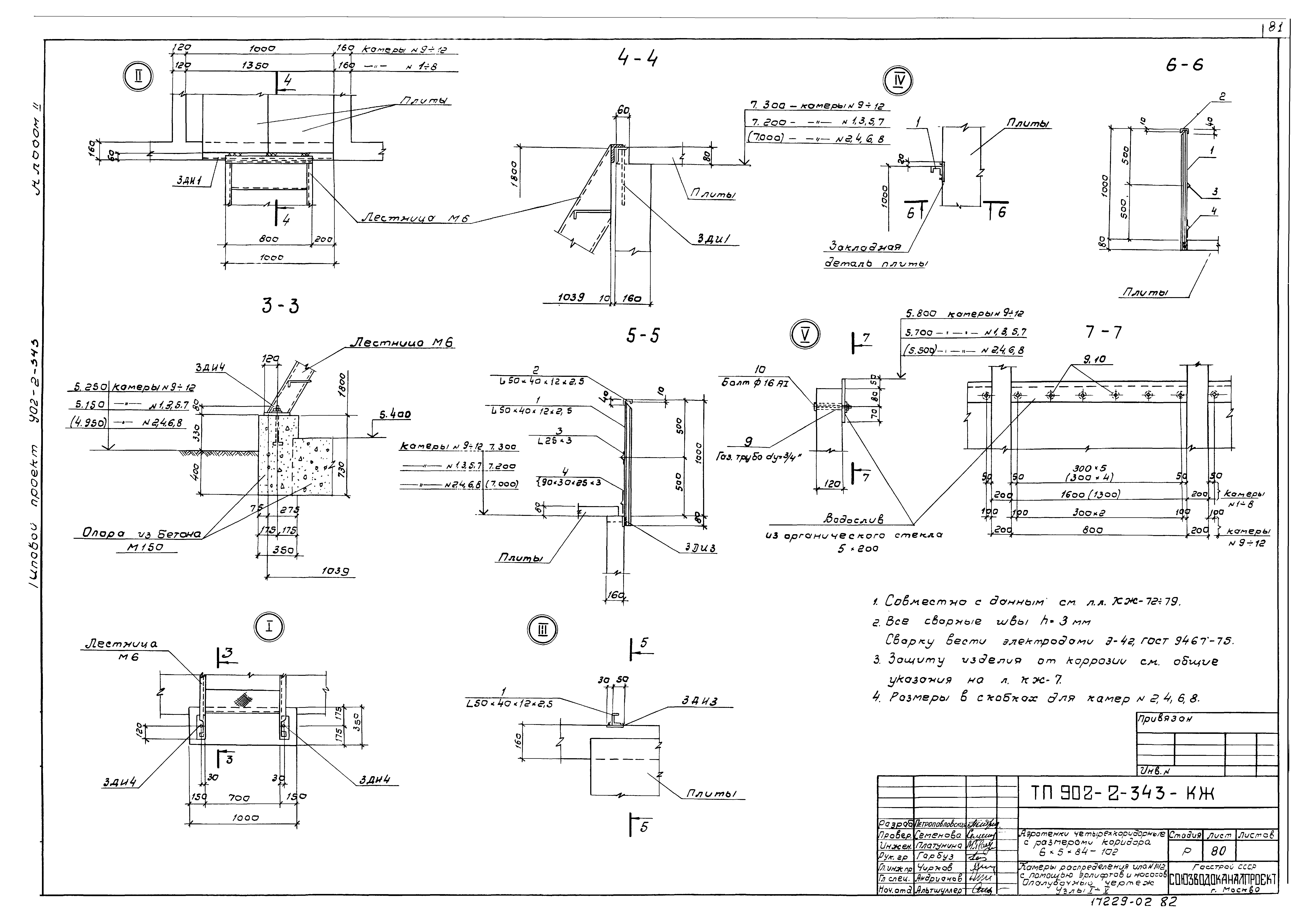
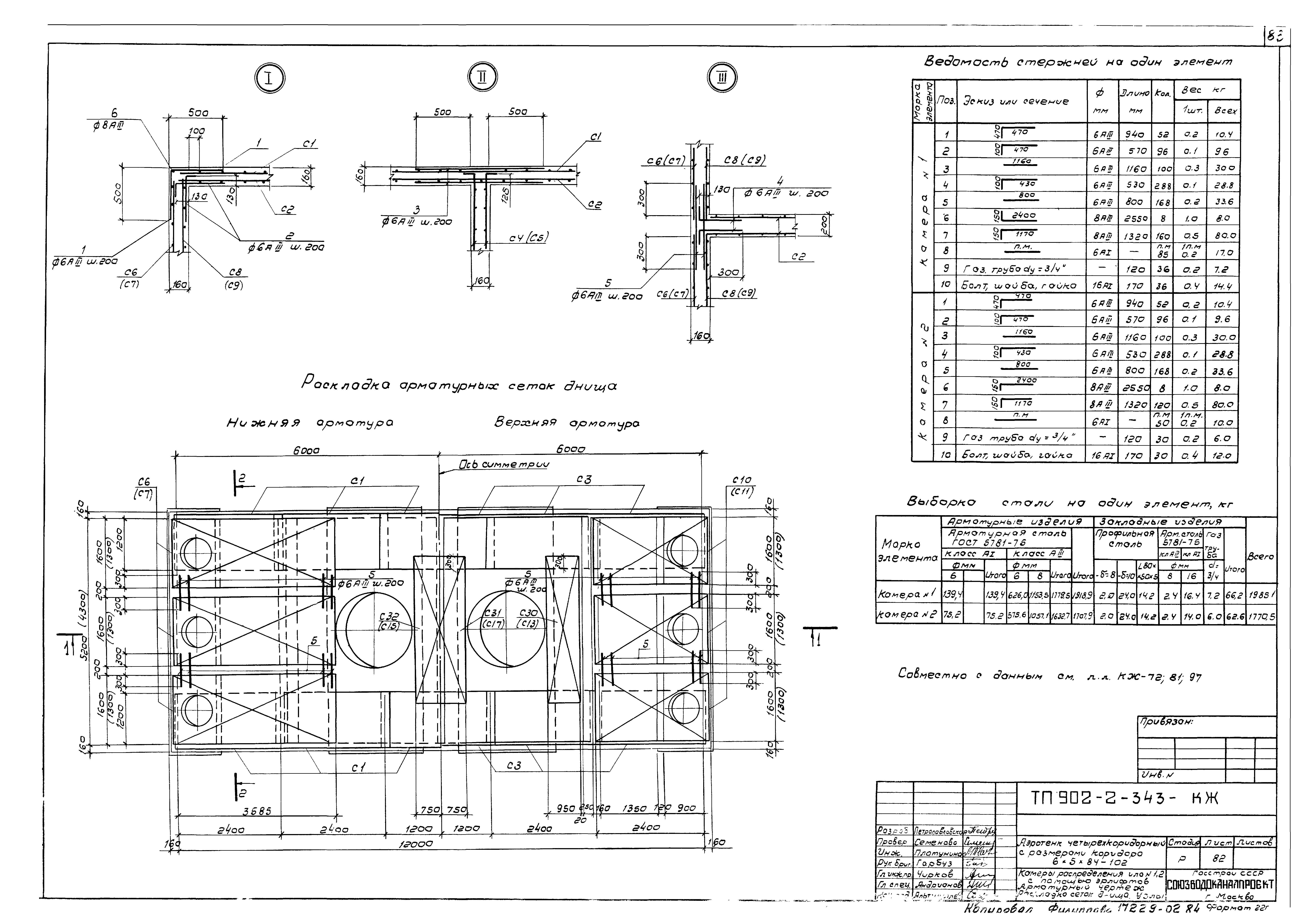
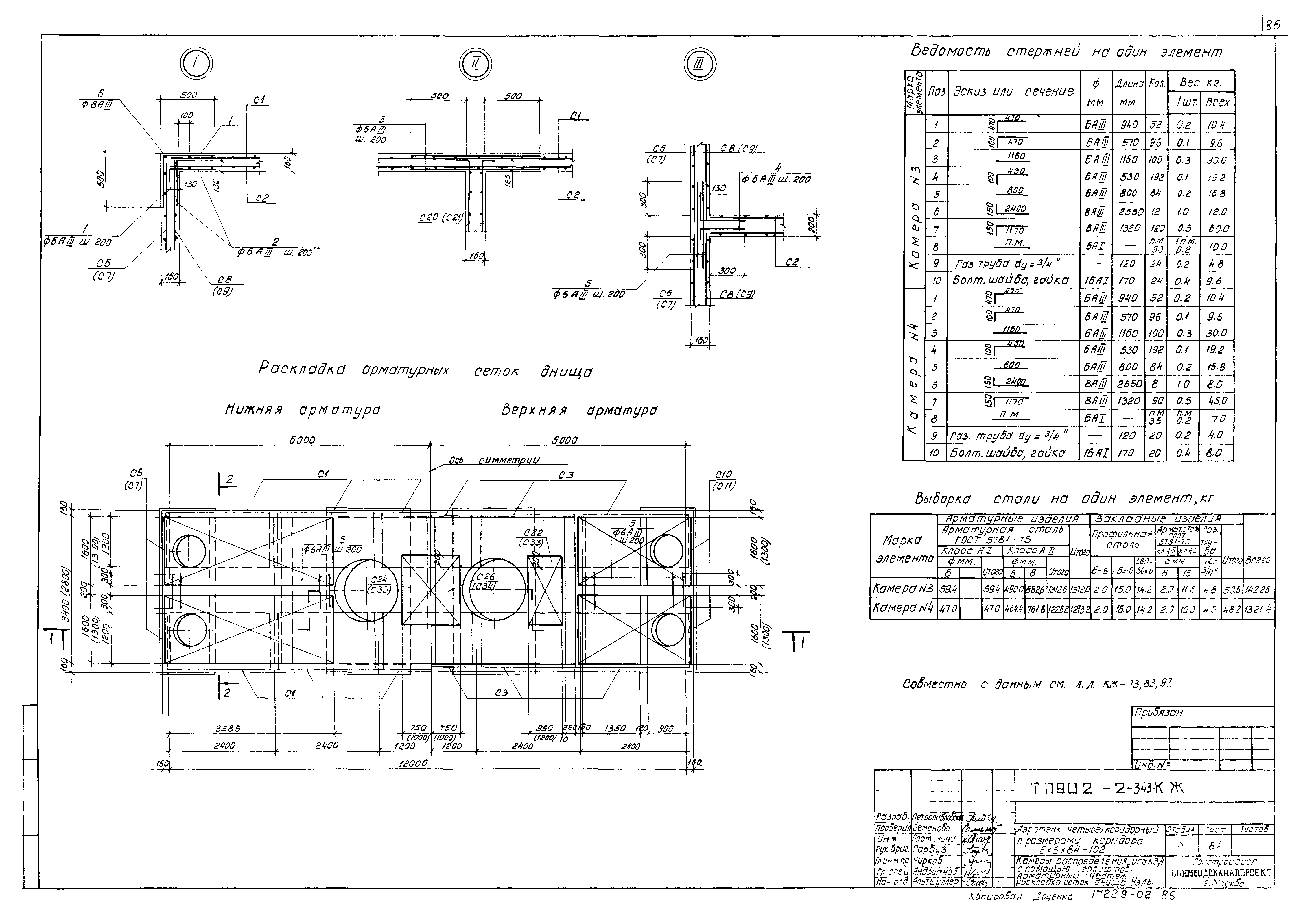
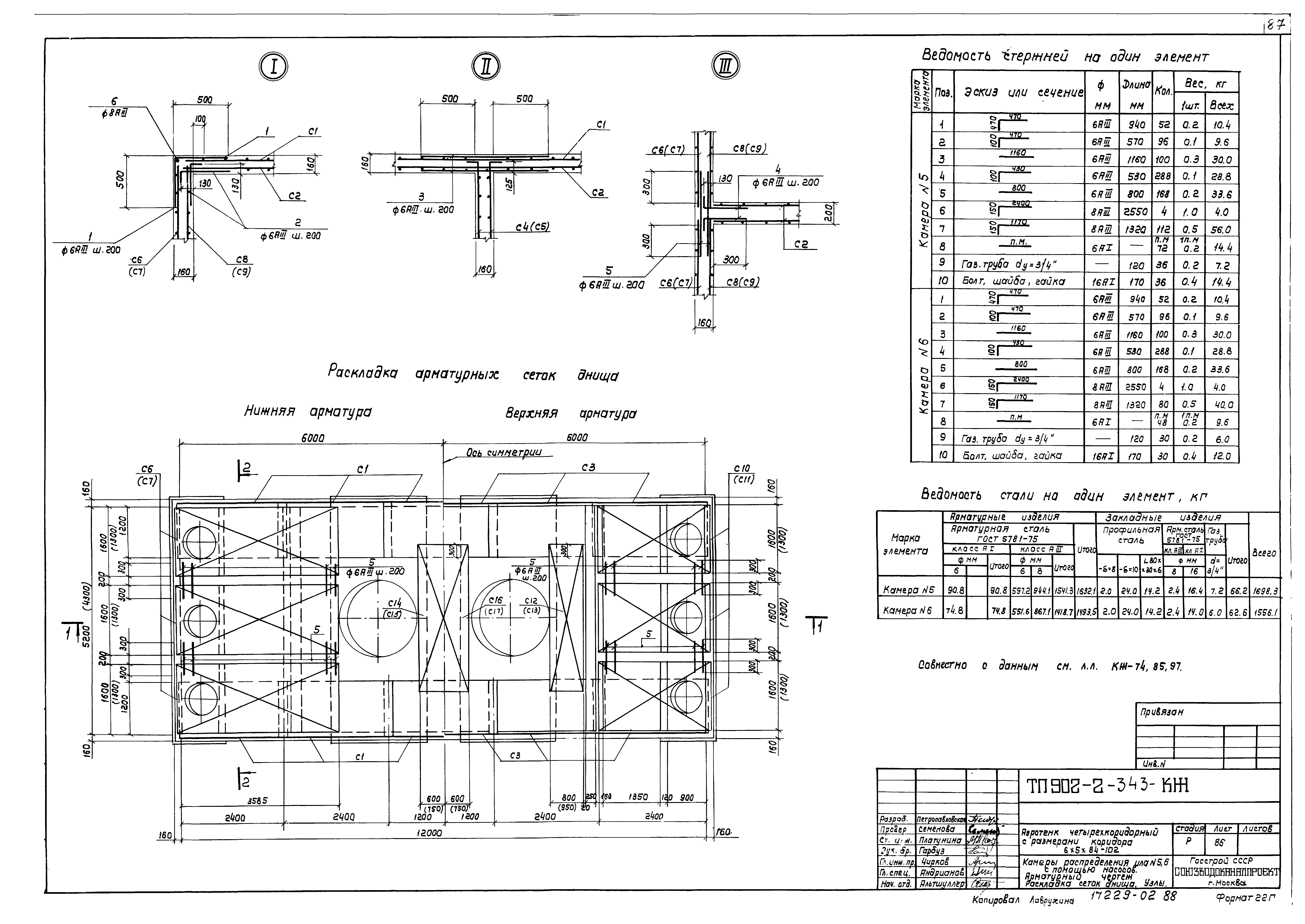
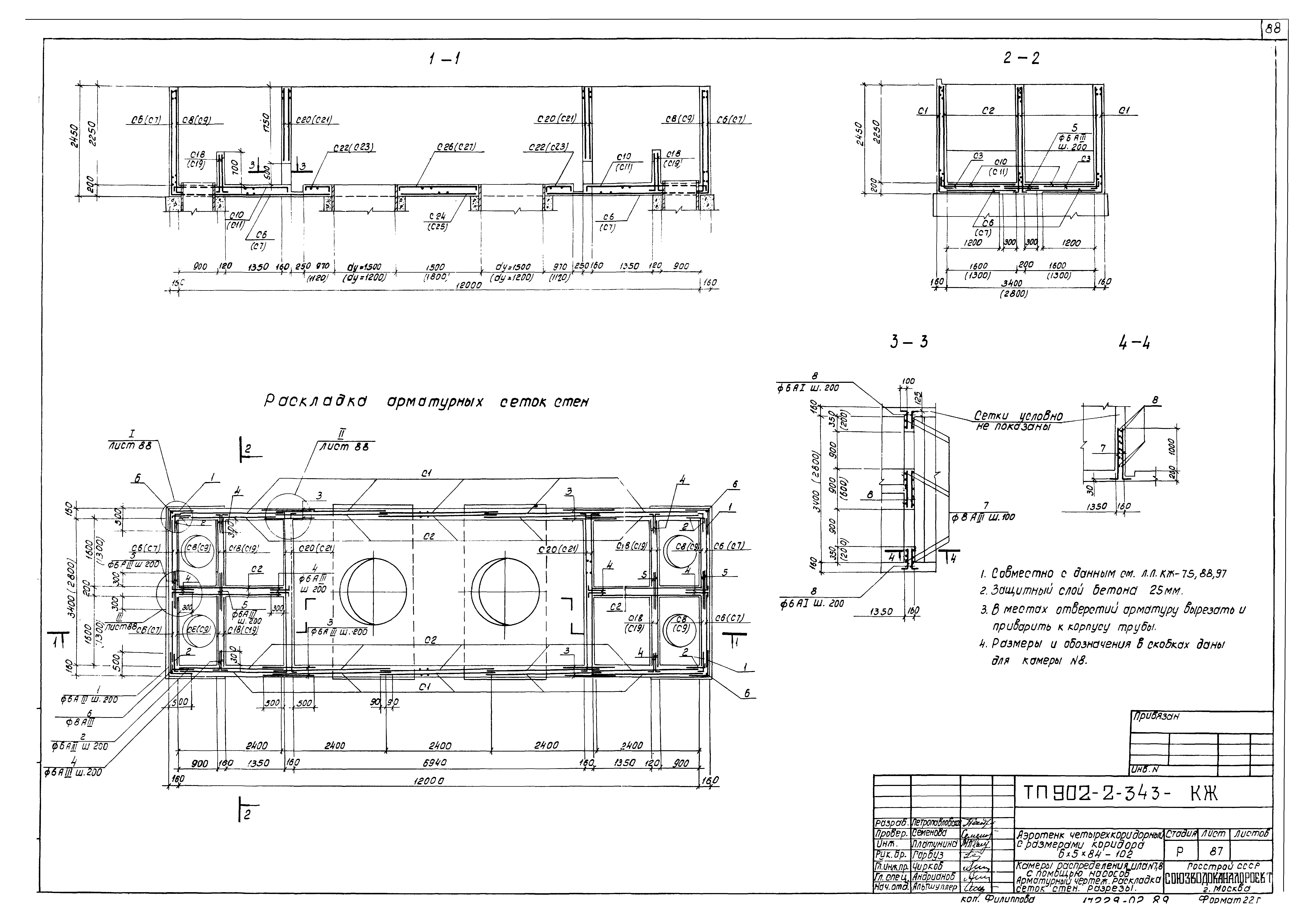
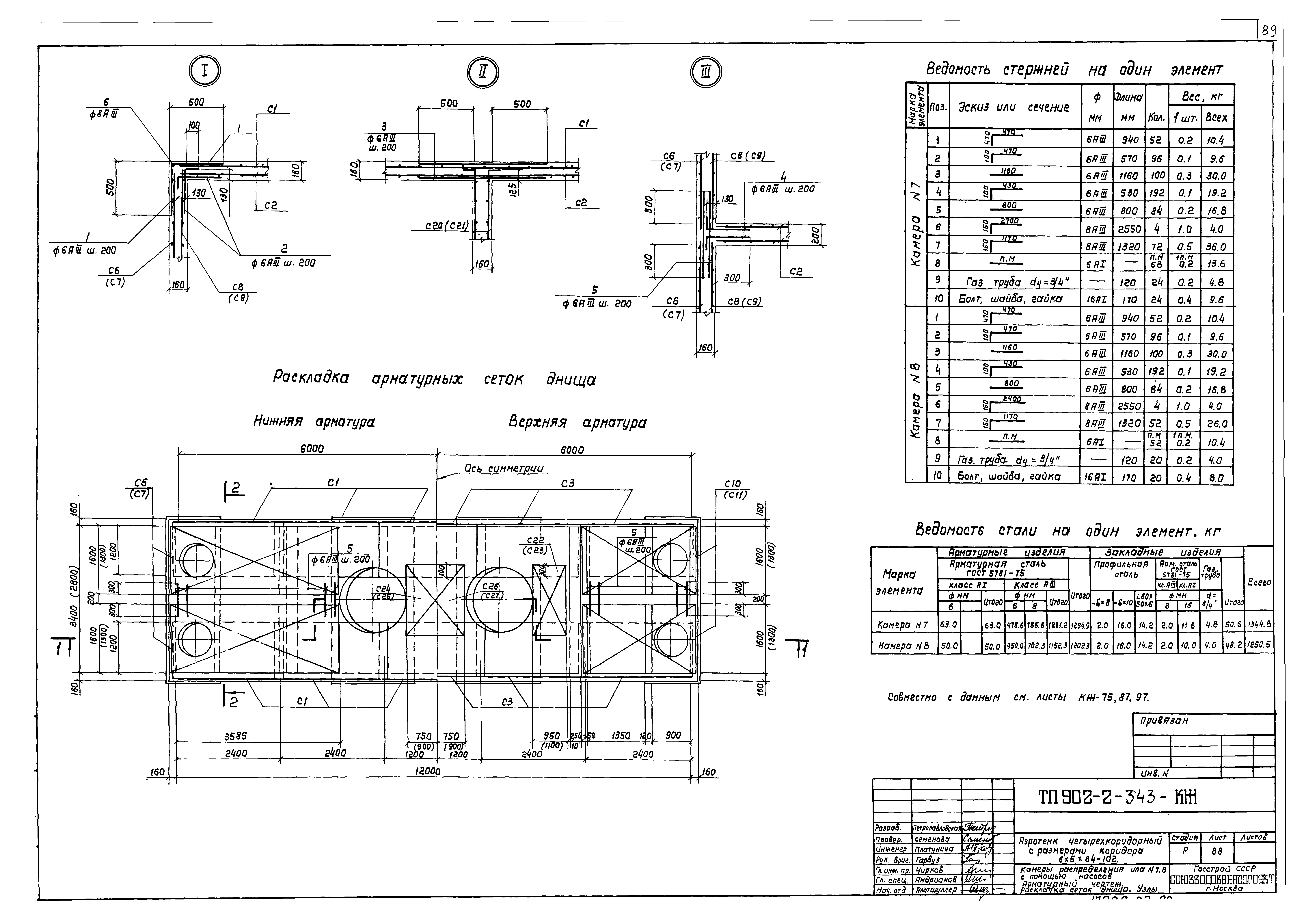
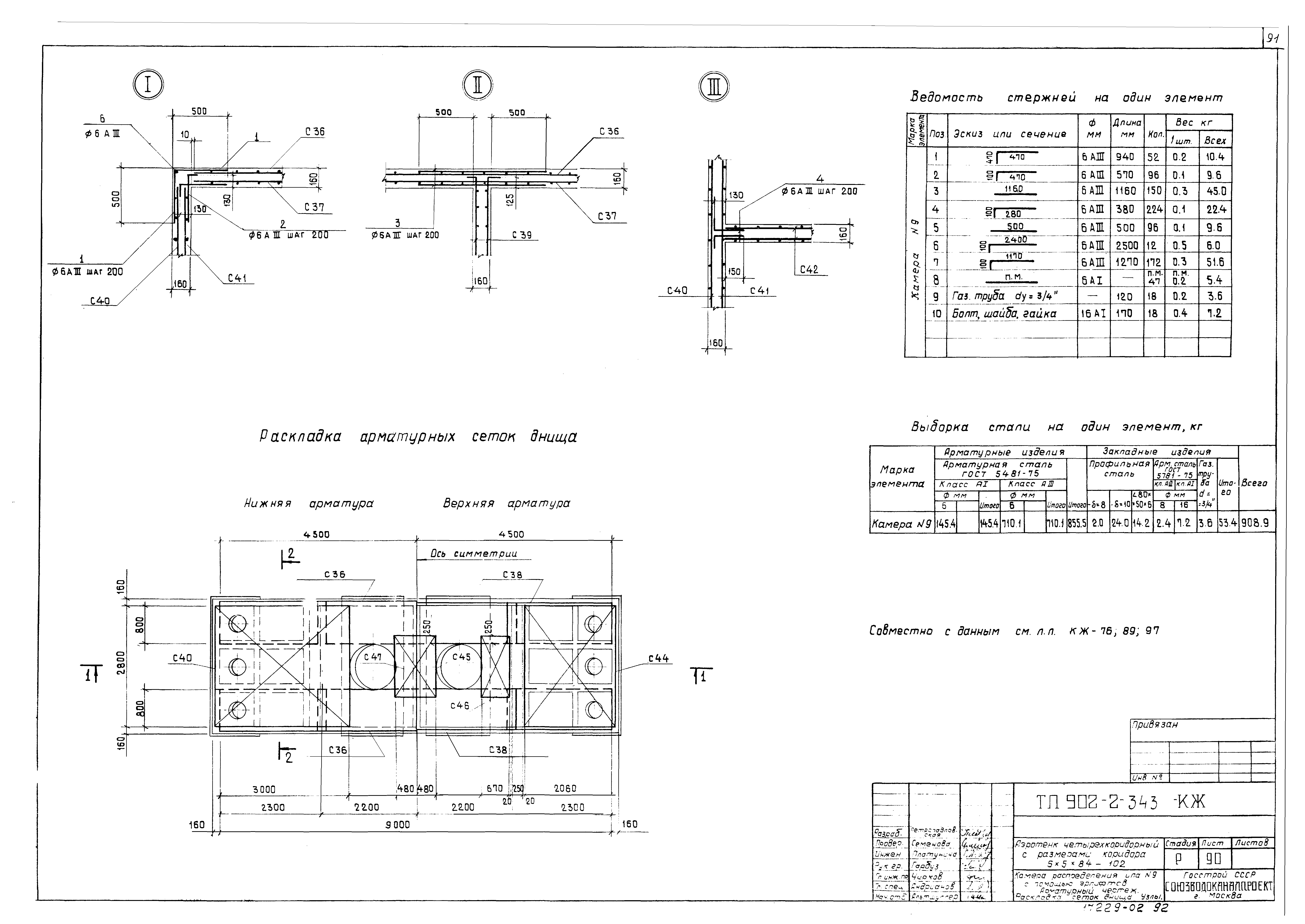
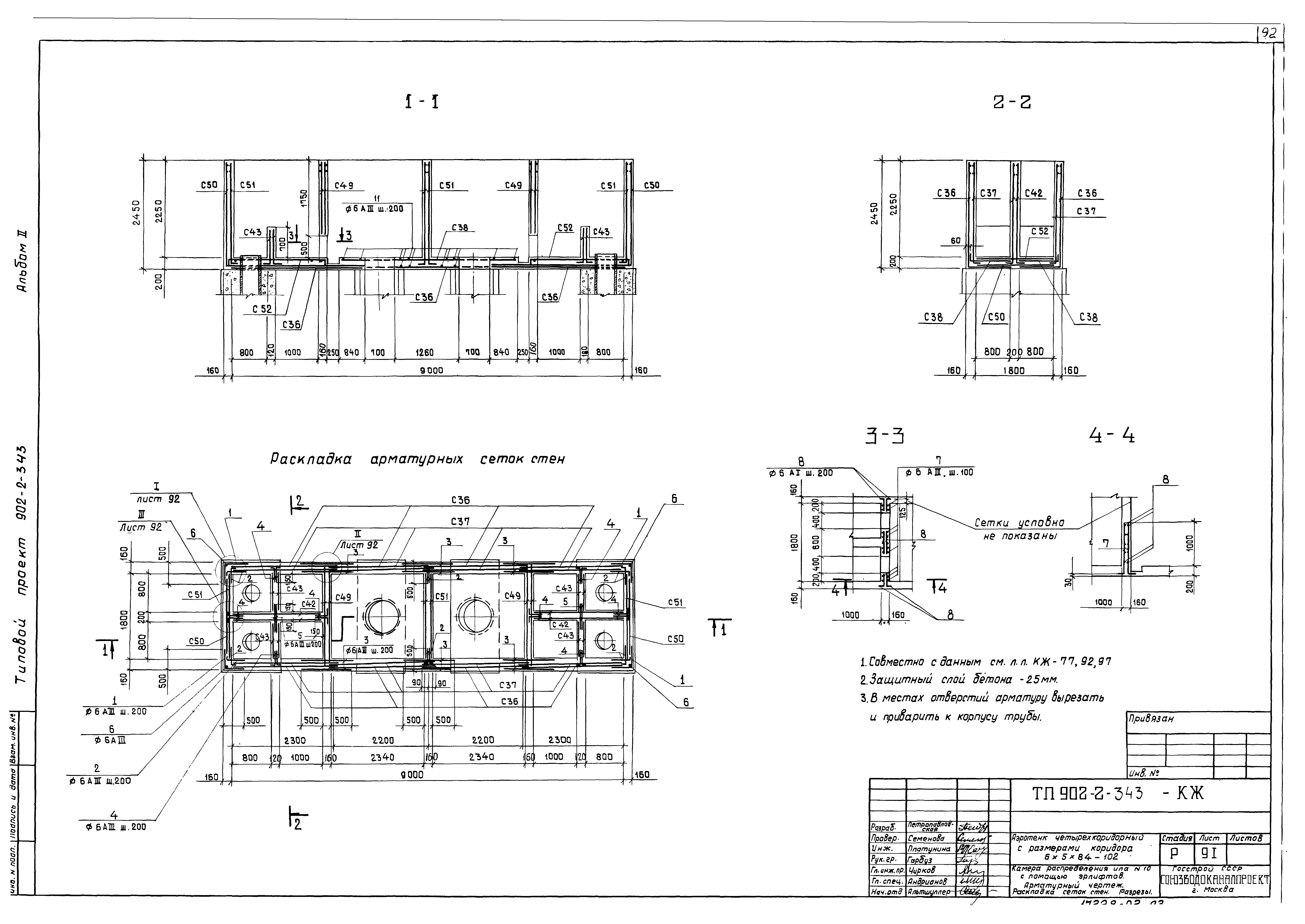
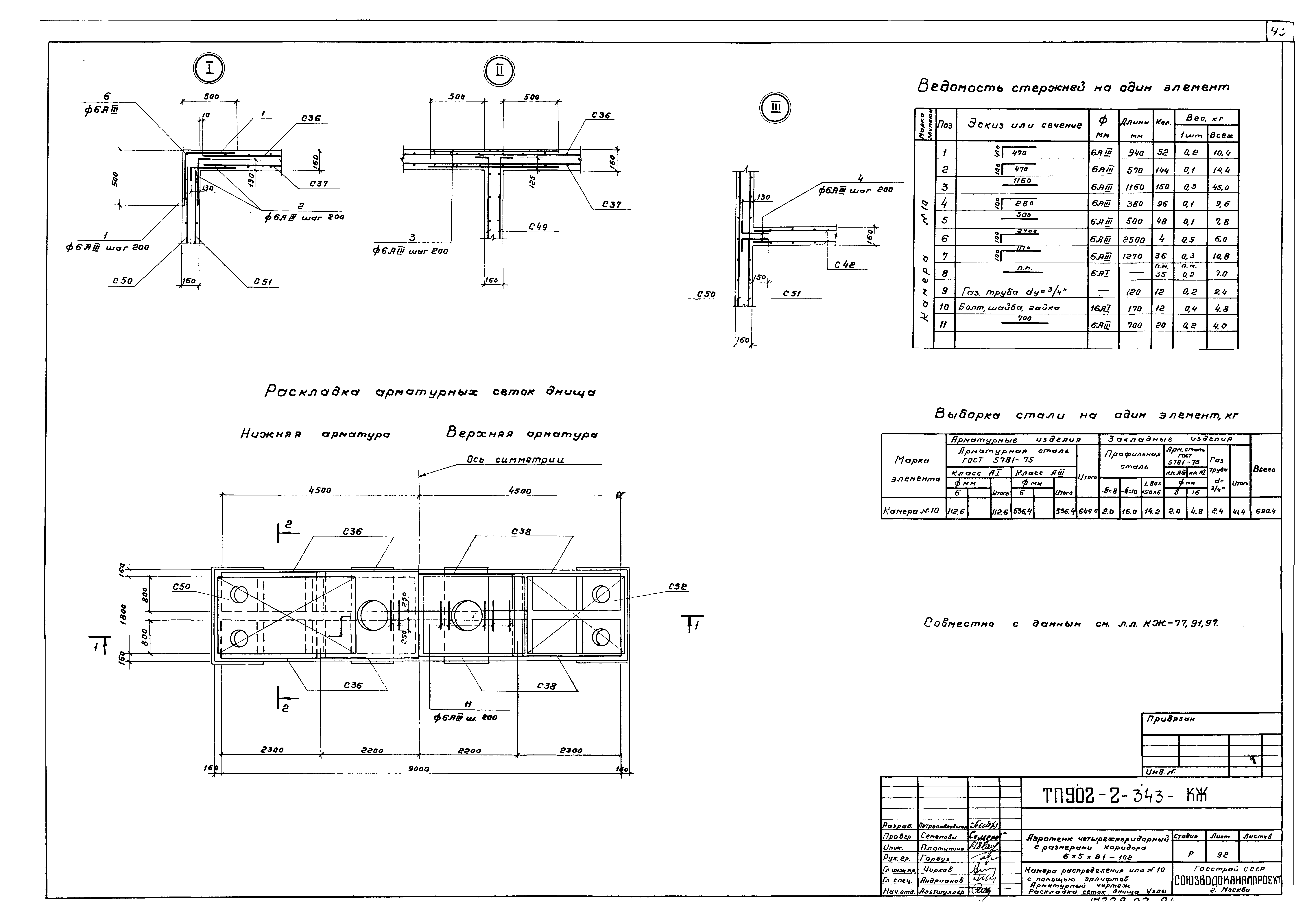
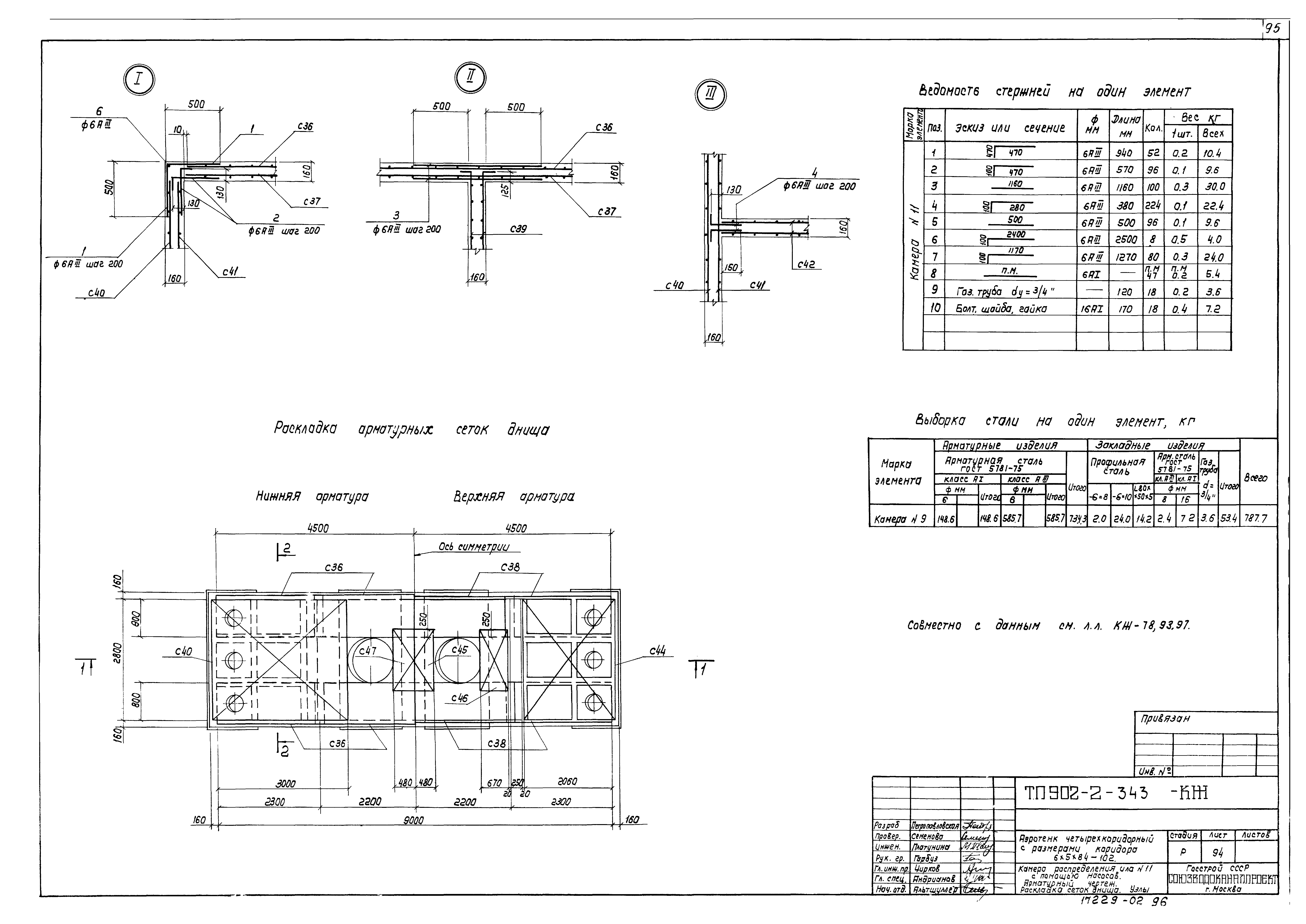
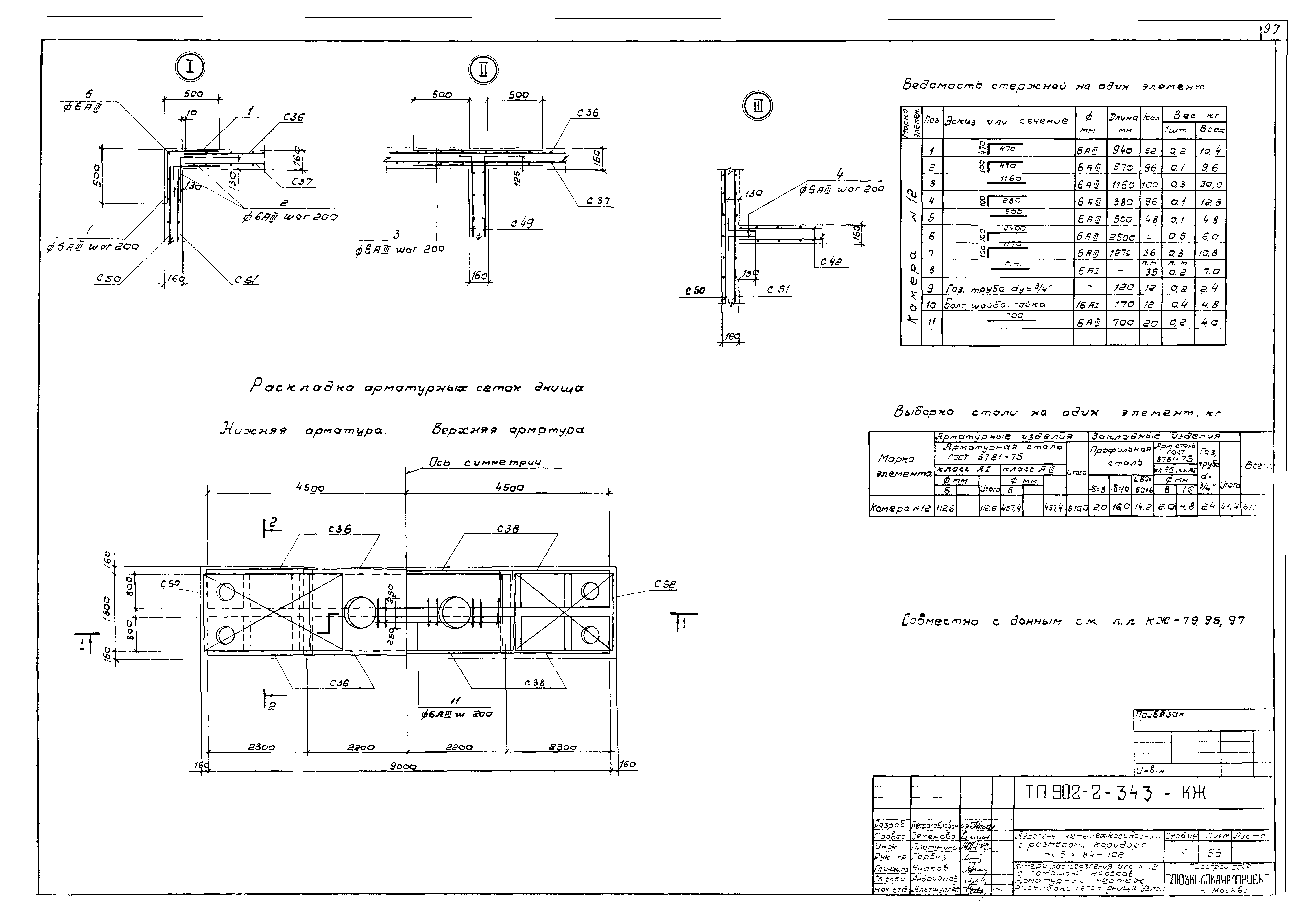
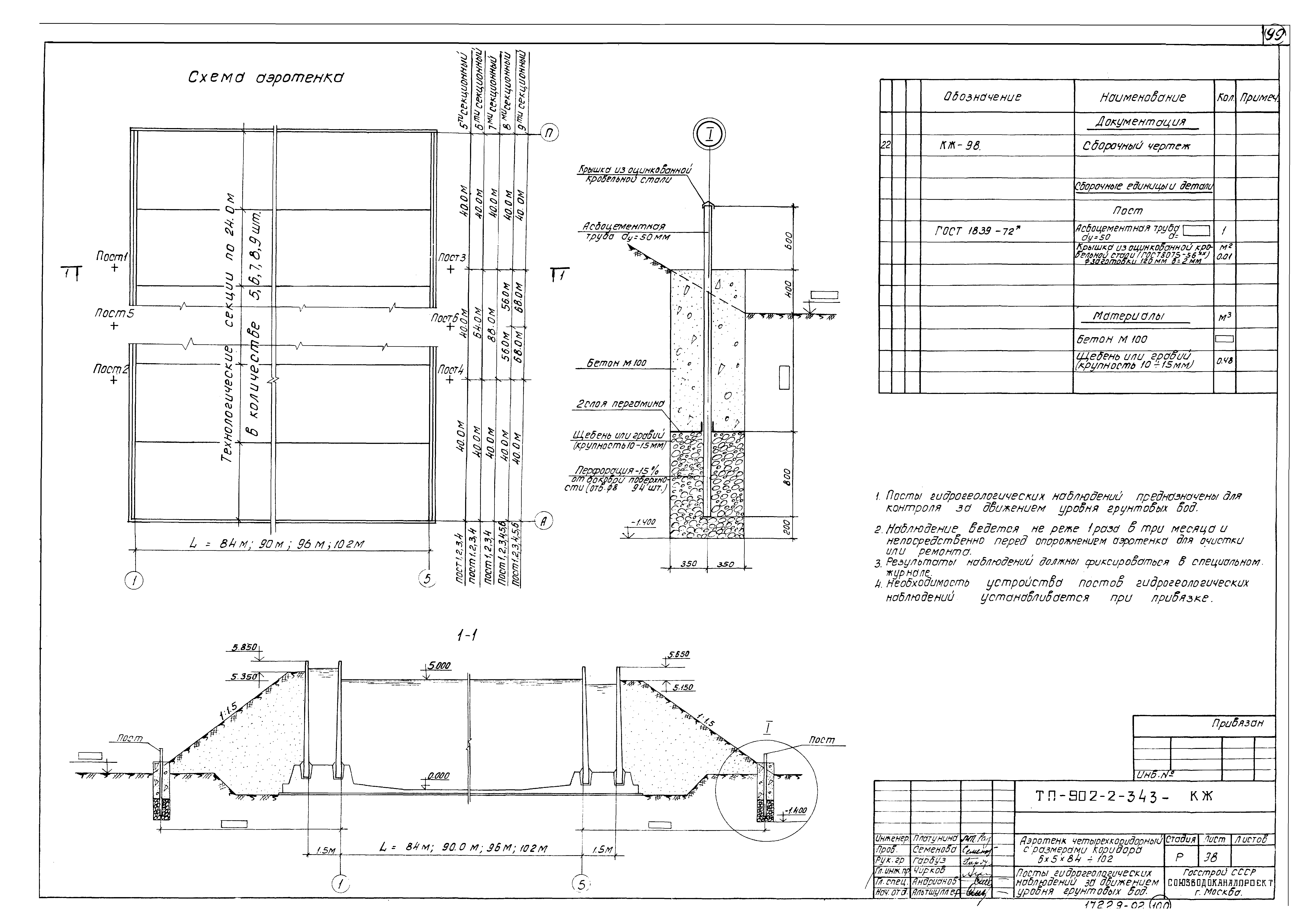
| Оглавление: | ТП 902-2-343-КЖ-1 Общие данные (начало) ТП 902-2-343-КЖ-2-9 Общие данные (продолжение) ТП 902-2-343-КЖ-10 Общие данные (окончание) ТП 902-2-343-КЖ-11 Компоновочный чертеж на 5,6,7 секций ТП 902-2-343-КЖ-12 Компоновочный чертеж на 8,9 секций ТП 902-2-343-КЖ-13 План, узлы ТП 902-2-343-КЖ-14 Разрезы ТП 902-2-343-КЖ-15 Секция "А". Днище. Опалубочный чертеж. План, разрезы ТП 902-2-343-КЖ-16 Секция "Б". Днище. Опалубочный чертеж. План, разрезы ТП 902-2-343-КЖ-17 Секция "В". Днище. Опалубочный чертеж. План, разрезы ТП 902-2-343-КЖ-18 Секция "А,Б,В". Днище. Опалубочный чертеж. Сечения ТП 902-2-343-КЖ-19 Секция "А,Б,В". Днище. Опалубочный чертеж. Узлы ТП 902-2-343-КЖ-20 Секция "А,Б,В". Днище. Спецификация элементов монолитной конструкции ТП 902-2-343-КЖ-21 Секция "А". Днище. Арматурный чертеж. Раскладка нижней арматуры ТП 902-2-343-КЖ-22 Секция "А". Днище. Арматурный чертеж. Раскладка верхней арматуры ТП 902-2-343-КЖ-23 Секция "А". Днище. Арматурный чертеж. Ведомость одиночных стержней ТП 902-2-343-КЖ-24 Секция "Б". Днище. Арматурный чертеж. Раскладка нижней арматуры ТП 902-2-343-КЖ-25 Секция "Б". Днище. Арматурный чертеж. Раскладка верхней арматуры ТП 902-2-343-КЖ-26 Секция "Б". Днище. Арматурный чертеж. Ведомость одиночных стержней ТП 902-2-343-КЖ-27 Секция "В". Днище. Арматурный чертеж. Раскладка нижней арматуры ТП 902-2-343-КЖ-28 Секция "В". Днище. Арматурный чертеж. Раскладка верхней арматуры ТП 902-2-343-КЖ-29 Секция "В". Днище. Арматурный чертеж. Ведомость одиночных стержней ТП 902-2-343-КЖ-30 Секции "А,Б,В". Днище. Арматурный чертеж. Сечения 1-1÷6-6 ТП 902-2-343-КЖ-31 Секции "А,Б,В". Днище. Арматурный чертеж. Сечения 7-7÷11-11. Выборка стали ТП 902-2-343-КЖ-32 Секция "А". Монтажный чертеж. План ТП 902-2-343-КЖ-33 Секция "Б". Монтажный чертеж. План ТП 902-2-343-КЖ-34 Секция "В". Монтажный чертеж. План ТП 902-2-343-КЖ-35 Монтажный чертеж. Виды 1-1÷4-4 ТП 902-2-343-КЖ-36 Монтажный чертеж. Виды 5-5÷9-9 ТП 902-2-343-КЖ-37 Монтажный чертеж. Виды 10-10÷17-17 ТП 902-2-343-КЖ-38 Монтажные чертежи. Узлы ТП 902-2-343-КЖ-39 Монолитные участки УМ-1,2,3,4. Опалубочный чертеж ТП 902-2-343-КЖ-40 Монолитные участки УМ-5,6,9,10,20,21. Опалубочный чертеж ТП 902-2-343-КЖ-41 Монолитные участки УМ-7,11,12,13,14,22. Опалубочный чертеж ТП 902-2-343-КЖ-42 Монолитные участки УМ-8,15,16 Опалубочный чертеж ТП 902-2-343-КЖ-43 Монолитные участки УМ-17,18,19. Опалубочный чертеж ТП 902-2-343-КЖ-44 Монолитные участки стен. Спецификация элементов монолитной конструкции ТП 902-2-343-КЖ-45 Монолитные участки УМ-1,2. Арматурный чертеж ТП 902-2-343-КЖ-46 Монолитные участки УМ-3,4. Арматурный чертеж ТП 902-2-343-КЖ-47 Монолитные участки УМ-5,6,7,22. Арматурный чертеж ТП 902-2-343-КЖ-48 Монолитные участки УМ-8,9,10,11,12,13,14,20,21. Арматурный чертеж ТП 902-2-343-КЖ-49 Монолитные участки УМ-15,16,17,18. Арматурный чертеж ТП 902-2-343-КЖ-50 Монолитные участки УМ-19. Узлы. Арматурный чертеж ТП 902-2-343-КЖ-51 Монолитные участки УМ-23,24,25. Арматурно-опалубочный чертеж ТП 902-2-343-КЖ-52 Монолитные участки УМ-1-14,16,17,20,21,22. Спецификация арматуры ТП 902-2-343-КЖ-53 Монолитные участки УМ-15,18,19,23-25. Спецификация и выборка арматуры ТП 902-2-343-КЖ-54 Монтажные планы плит, лотков и балок на одну технологическую секцию (L аэротенка-84 м) ТП 902-2-343-КЖ-55 Монтажные планы плит, лотков и балок на одну технологическую секцию (L аэротенка-90 м) ТП 902-2-343-КЖ-56 Монтажные планы плит, лотков и балок на одну технологическую секцию (L аэротенка-96 м) ТП 902-2-343-КЖ-57 Монтажные планы плит, лотков и балок на одну технологическую секцию (L аэротенка-102 м) ТП 902-2-343-КЖ-58 Монтажные планы плит, лотков и балок на одну технологическую секцию. Узлы 1-4 ТП 902-2-343-КЖ-59 Монтажные планы плит, лотков и балок на одну технологическую секцию. Скользящие и неподвижные опоры ТП 902-2-343-КЖ-60 Монолитные участки УМ-26,27,28 ТП 902-2-343-КЖ-61 Монтажный план площадок на одну технологическую секцию ТП 902-2-343-КЖ-62 Монтажный план площадок на одну технологическую секцию. Узлы 1-6 ТП 902-2-343-КЖ-63 Монтажный план площадок на одну технологическую секцию. Узлы 7-10 ТП 902-2-343-КЖ-64 Конструкция водослива ТП 902-2-343-КЖ-65 Днище. Разбивка закладных деталей в набетонке на одну технологическую секцию. Вариант с фильтросными каналами ТП 902-2-343-КЖ-66 Днище. План набетонки и фильтросных каналов на одну технологическую секцию (7 рядов аэраторов) ТП 902-2-343-КЖ-67 Днище. План набетонки и фильтросных каналов на одну технологическую секцию (14 рядов аэраторов) ТП 902-2-343-КЖ-68 Днище. Фильтросные каналы. Узлы, детали ТП 902-2-343-КЖ-69 Днище. Разбивка закладных деталей в набетонке на одну технологическую секцию. Вариант с пористыми трубами ТП 902-2-343-КЖ-70 Днище. План набетонки под пористые трубы на одну технологическую секцию (7 рядов аэраторов) ТП 902-2-343-КЖ-71 Днище. План набетонки под пористые трубы на одну технологическую секцию (14 рядов аэраторов) ТП 902-2-343-КЖ-72 Камеры распределения ила № 1,2 с помощью эрлифтов. Опалубочный чертеж. План. Разрезы ТП 902-2-343-КЖ-73 Камеры распределения ила № 3,4 с помощью эрлифтов. Опалубочный чертеж. План. Разрезы ТП 902-2-343-КЖ-74 Камеры распределения ила № 5,6 с помощью насосов. Опалубочный чертеж. План. Разрезы ТП 902-2-343-КЖ-75 Камеры распределения ила № 7,8 с помощью насосов. Опалубочный чертеж. План. Разрезы ТП 902-2-343-КЖ-76 Камеры распределения ила № 9 с помощью эрлифтов. Опалубочный чертеж. План. Разрезы ТП 902-2-343-КЖ-77 Камеры распределения ила № 10 с помощью эрлифтов. Опалубочный чертеж. План. Разрезы ТП 902-2-343-КЖ-78 Камеры распределения ила № 11 с помощью насосов. Опалубочный чертеж. План. Разрезы ТП 902-2-343-КЖ-79 Камеры распределения ила № 12 с помощью насосов. Опалубочный чертеж. План. Разрезы ТП 902-2-343-КЖ-80 Камеры распределения ила № 1-12 с помощью эрлифтов и насосов. Опалубочный чертеж. Узлы 1-5 ТП 902-2-343-КЖ-81 Камеры распределения ила № 1,2 с помощью эрлифтов. Арматурный чертеж. Раскладка сеток стен. Разрезы ТП 902-2-343-КЖ-82 Камеры распределения ила № 1,2 с помощью эрлифтов. Арматурный чертеж. Раскладка сеток днища. Узлы ТП 902-2-343-КЖ-83 Камеры распределения ила № 3,4 с помощью эрлифтов. Арматурный чертеж. Раскладка сеток стен. Разрезы ТП 902-2-343-КЖ-84 Камеры распределения ила № 3,4 с помощью эрлифтов. Арматурный чертеж. Раскладка сеток днища. Узлы ТП 902-2-343-КЖ-85 Камеры распределения ила № 5,6 с помощью эрлифтов. Арматурный чертеж. Раскладка сеток стен. Разрезы ТП 902-2-343-КЖ-86 Камеры распределения ила № 5,6 с помощью эрлифтов. Арматурный чертеж. Раскладка сеток днища. Узлы ТП 902-2-343-КЖ-87 Камеры распределения ила № 7,8 с помощью эрлифтов. Арматурный чертеж. Раскладка сеток стен. Разрезы ТП 902-2-343-КЖ-88 Камеры распределения ила № 7,8 с помощью эрлифтов. Арматурный чертеж. Раскладка сеток днища. Узлы ТП 902-2-343-КЖ-89 Камера распределения ила № 9 с помощью эрлифтов. Арматурный чертеж. Раскладка сеток днища. Разрезы ТП 902-2-343-КЖ-90 Камера распределения ила № 9 с помощью эрлифтов. Арматурный чертеж. Раскладка сеток днища. Узлы ТП 902-2-343-КЖ-91 Камера распределения ила № 10 с помощью эрлифтов. Арматурный чертеж. Раскладка сеток днища. Разрезы ТП 902-2-343-КЖ-92 Камера распределения ила № 10 с помощью эрлифтов. Арматурный чертеж. Раскладка сеток днища. Узлы ТП 902-2-343-КЖ-93 Камера распределения ила № 11 с помощью эрлифтов. Арматурный чертеж. Раскладка сеток днища. Разрезы ТП 902-2-343-КЖ-94 Камера распределения ила № 11 с помощью эрлифтов. Арматурный чертеж. Раскладка сеток днища. Узлы ТП 902-2-343-КЖ-95 Камера распределения ила № 12 с помощью эрлифтов. Арматурный чертеж. Раскладка сеток днища. Разрезы ТП 902-2-343-КЖ-96 Камера распределения ила № 12 с помощью эрлифтов. Арматурный чертеж. Раскладка сеток днища. Узлы ТП 902-2-343-КЖ-97 Камеры распределения ила № 1-12. Общие данные ТП 902-2-343-КЖ-98 Посты гидрогеологических наблюдений за движением уровня грунтовых вод |
| Разработан: | Союзводоканалниипроект |
| Утверждён: | 27.10.1980 СоюзводоканалНИИпроект (SoyuzvodokanalNIIproject 73) |




































































































