Скачать Типовой проект 902-2-343 Альбом V. Нестандартизированное оборудованиеДата актуализации: 01.01.2021
|
| Обозначение: | Типовой проект 902-2-343 |
| Обозначение англ: | 902-2-343 |
| Статус: | не определен законодательством |
| Название рус.: | Альбом V. Нестандартизированное оборудование |
| Дата добавления в базу: | 01.09.2013 |
| Дата актуализации: | 01.01.2021 |
| Дата введения: | 01.03.1981 |
| Дата окончания срока действия: | 30.06.2003 |
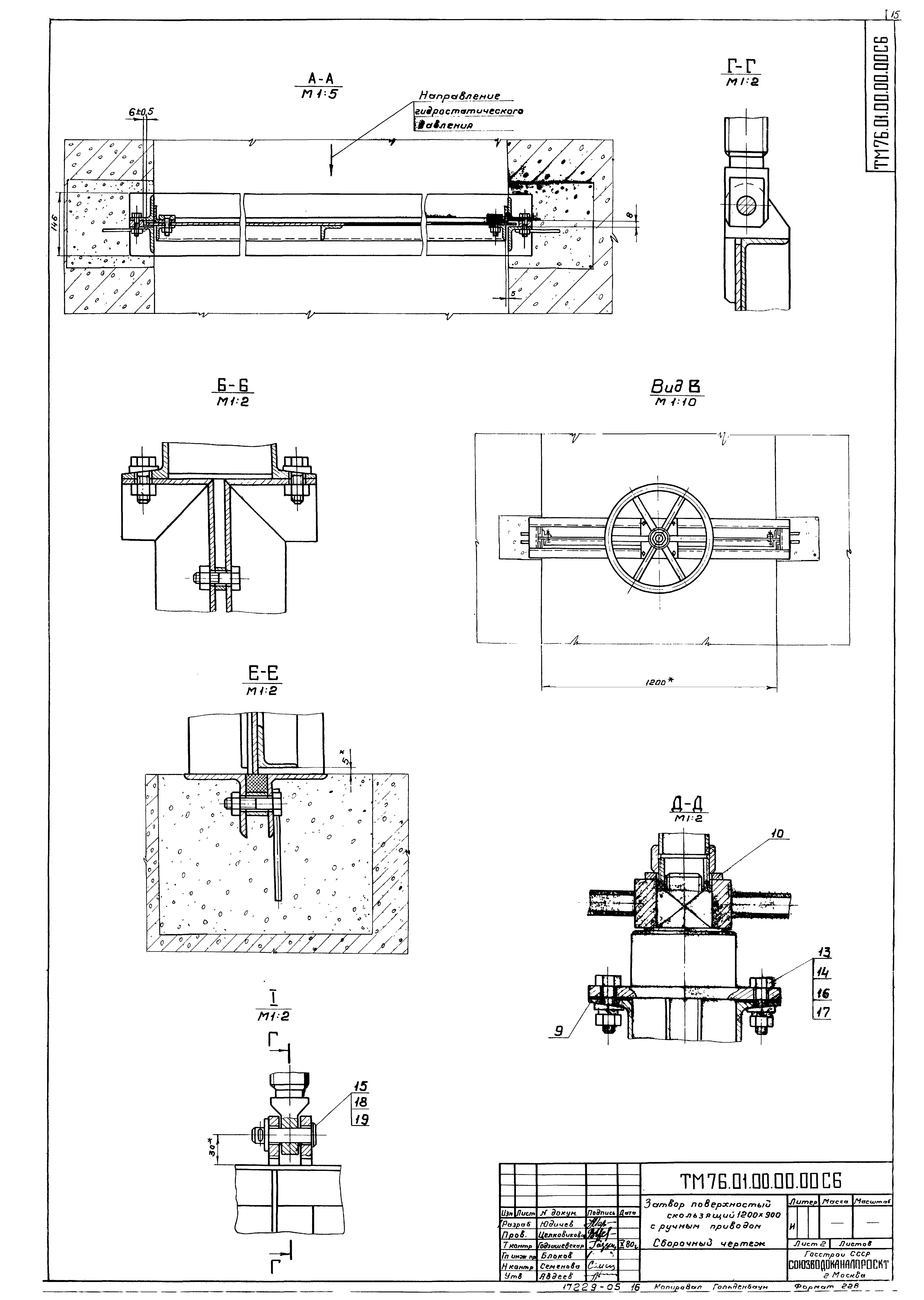
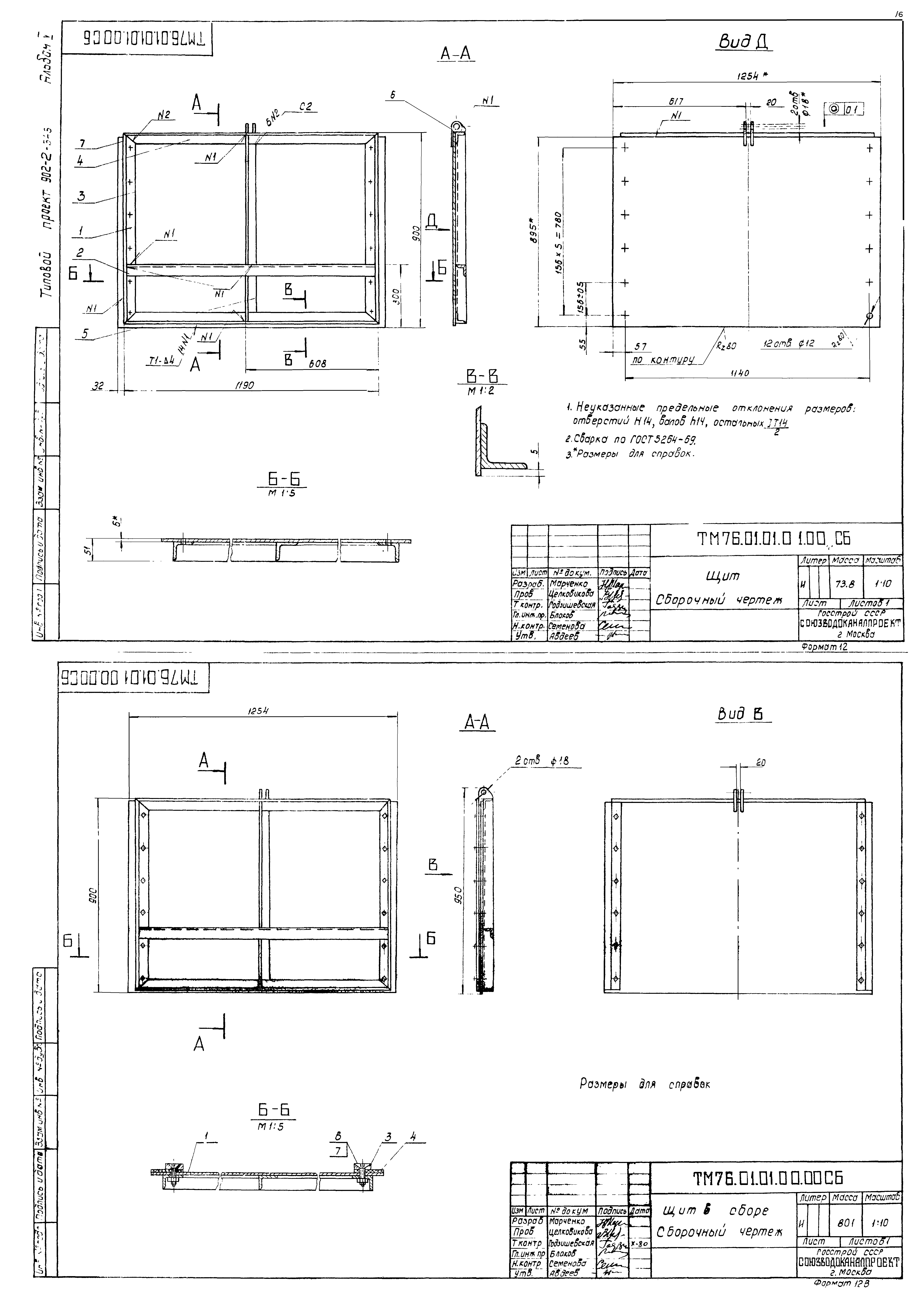
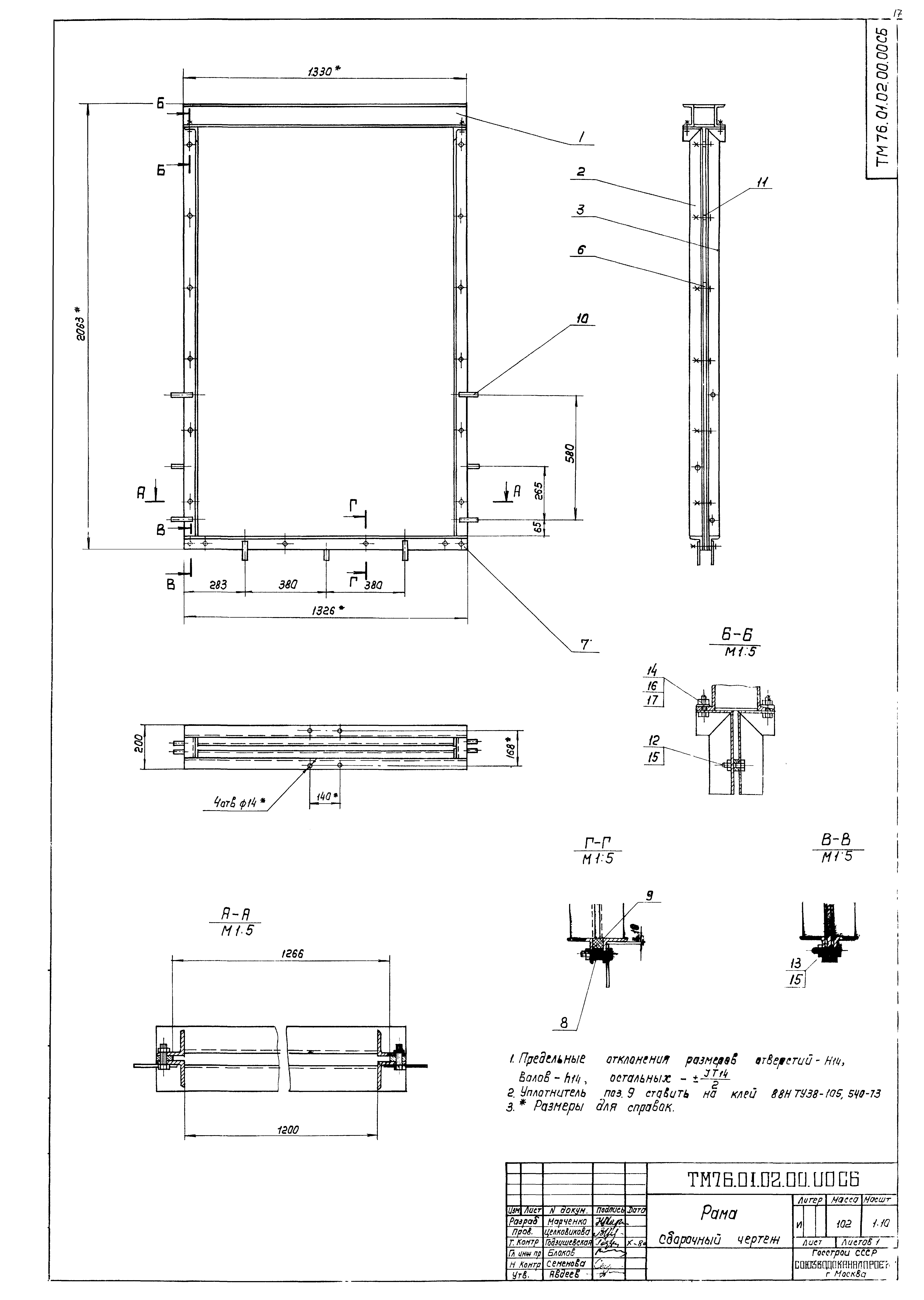
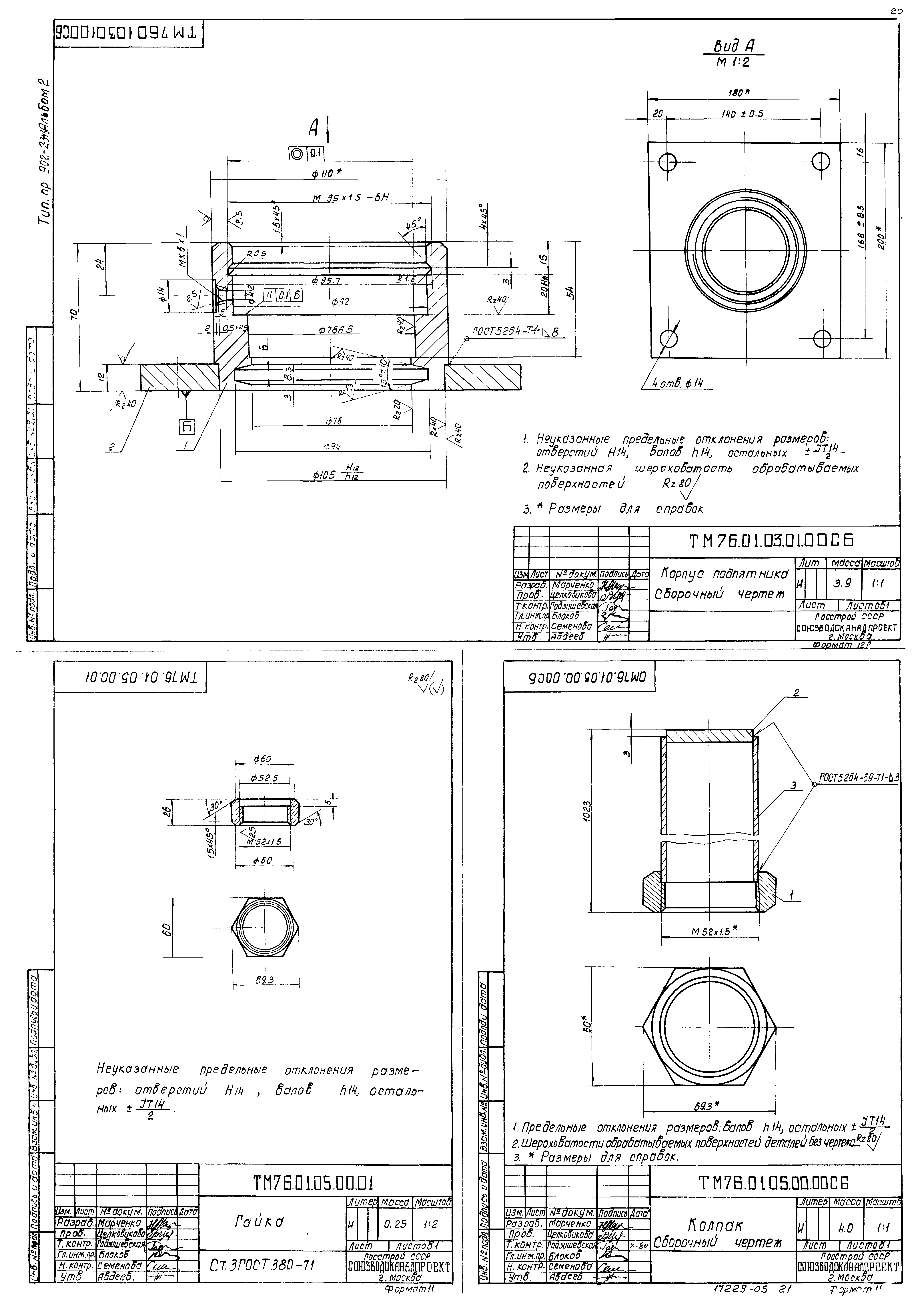
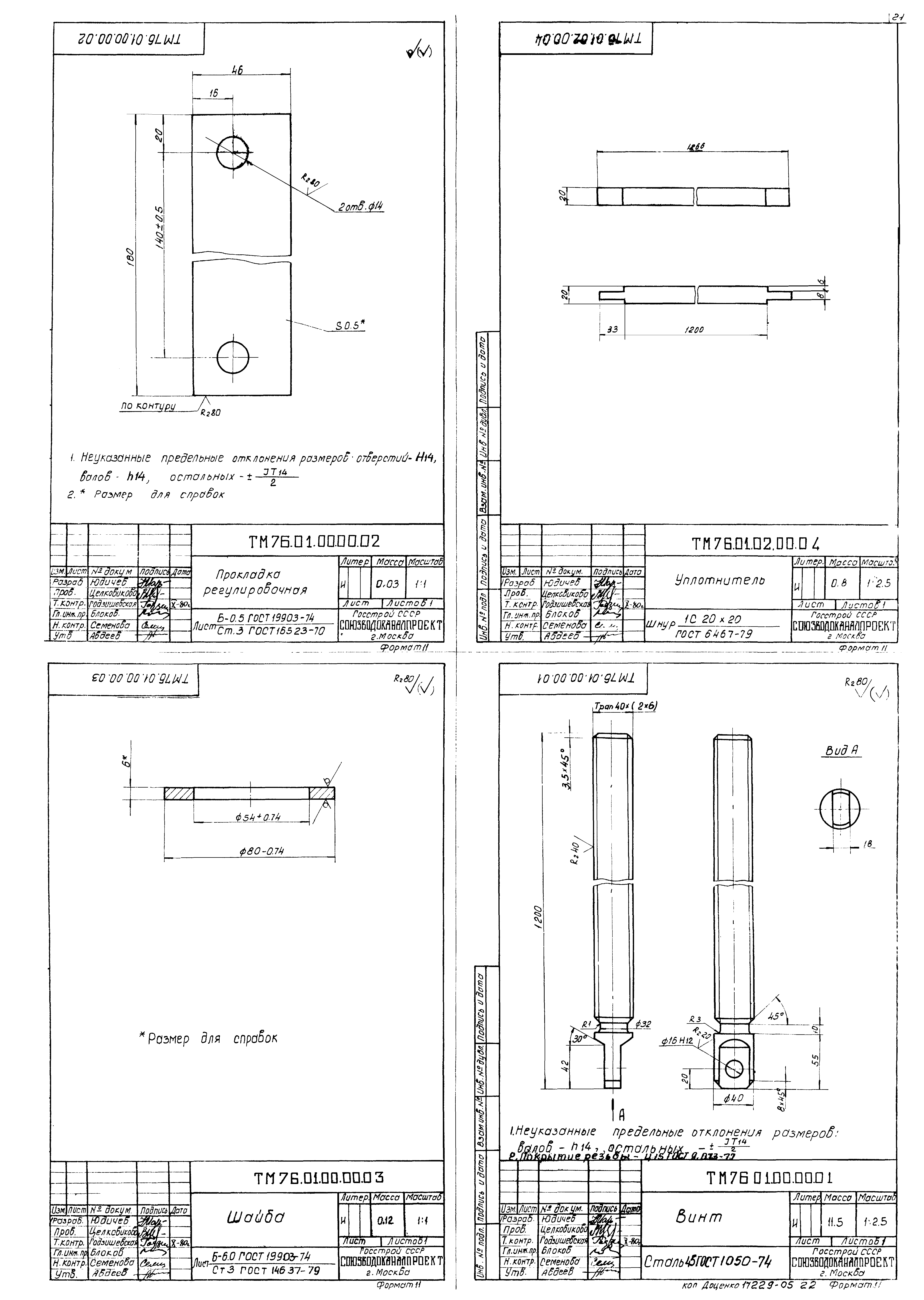
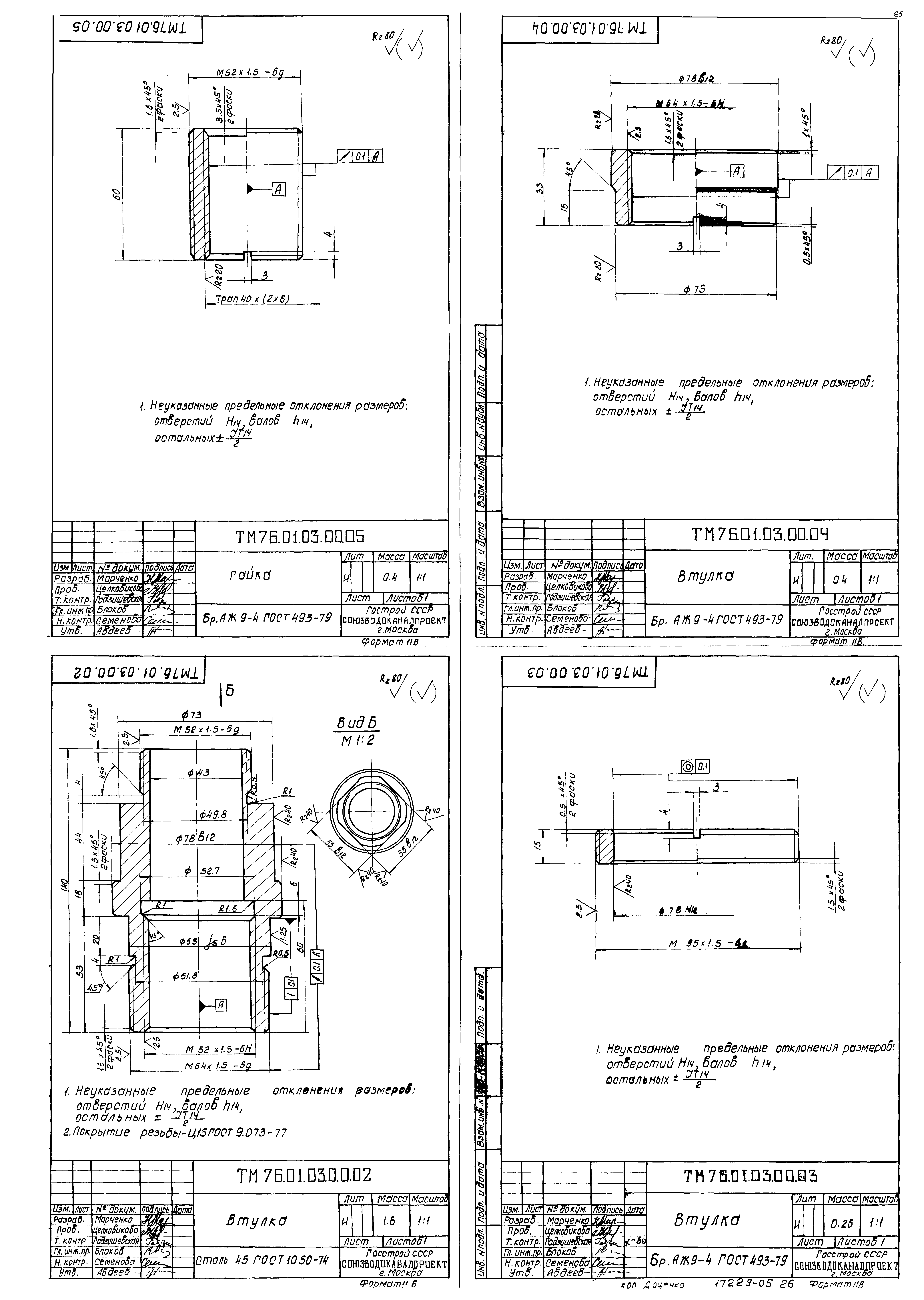
| Оглавление: | ТП 902-2-343 Титульный лист ТП 902-2-343 Содержание альбома ТП 902-2-343 ТМ76.01.00.00.00 Затвор поверхностный скользящий 1200х900 с ручным приводом ТП 902-2-343 ТМ76.01.01.00.00 Щит в сборе ТП 902-2-343 ТМ76.01.01.01.00 Щит ТП 902-2-343 ТМ76.01.02.00.00 Рама ТП 902-2-343 ТМ76.01.02.01.00 Опора ТП 902-2-343 ТМ76.01.02.02.00 Стойка ТП 902-2-343 ТМ76.01.03.00.00 Подпятник ТП 902-2-343 ТМ76.01.03.01.00 Корпус подпятника ТП 902-2-343 ТМ76.01.04.00.00 Маховик ТП 902-2-343 ТМ76.01.05.00.00 Колпак ТП 902-2-343 ТМ76.02.00.00.00 Затвор плоский глубинный 900х500 с ручным приводом ТП 902-2-343 ТМ76.02.01.00.00 Рама ТП 902-2-343 ТМ76.02.02.00.00 Щит в сборе ТП 902-2-343 ТМ76.02.02.01.00 Щит ТП 902-2-343 ТМ76.02.03.00.00 Подпятник ТП 902-2-343 ТМ76.02.03.01.00 Корпус подпятника ТП 902-2-343 ТМ76.02.04.00.00 Штанга ТП 902-2-343 ТМ76.02.05.00.00 Винт ТП 902-2-343 ТМ76.03.00.00.00 Затвор-водослив 1200х500 ТП 902-2-343 ТМ76.03.01.00.00 Рама ТП 902-2-343 ТМ76.02.06.00.00 Колпак ТП 902-2-343 ТМ76.03.02.00 Щит ТП 902-2-343 ТМ76.03.03.00 Маховик ТП 902-2-343 ТМ76.04.00.00 Затвор щитовой 300х250 ТП 902-2-343 ТМ76.04.01.00 Рама ТП 902-2-343 ТМ76.04.02.00 Щит ТП 902-2-343 ТМ76.05.00 Установка трубки Пито ТП 902-2-343 ТМ76.06.00 Эрлифт (узел) ТП 902-2-343 ТМ76.01.00.00.00 СБ Затвор поверхностный скользящий 1200х900 с ручным приводом. Сборочный чертеж ТП 902-2-343 ТМ76.01.01.00.00 СБ Щит в сборе. Сборочный чертеж ТП 902-2-343 ТМ76.01.01.01.00 СБ Щит. Сборочный чертеж ТП 902-2-343 ТМ76.01.02.00.00 СБ Рама. Сборочный чертеж ТП 902-2-343 ТМ76.01.02.01.00 СБ Опора. Сборочный чертеж ТП 902-2-343 ТМ76.01.02.02.00 СБ Стойка. Сборочный чертеж ТП 902-2-343 ТМ76.01.04.00.00 СБ Маховик. Сборочный чертеж ТП 902-2-343 ТМ76.01.03.00.00 СБ Подпятник. Сборочный чертеж ТП 902-2-343 ТМ76.01.03.01.00 СБ Корпус подпятника. Сборочный чертеж ТП 902-2-343 ТМ76.01.05.00.00 СБ Колпак. Сборочный чертеж ТП 902-2-343 ТМ76.01.05.00.01 Гайка ТП 902-2-343 ТМ76.00.00.00.02 Прокладка регулировочная ТП 902-2-343 ТМ76.01.02.00.04 Уплотнитель ТП 902-2-343 ТМ76.01.00.00.01 Винт ТП 902-2-343 ТМ76.01.00.00.03 Шайба ТП 902-2-343 ТМ76.01.01.01.01 Уголок ТП 902-2-343 ТМ76.01.01.01.02 Уголок ТП 902-2-343 ТМ76.01.01.01.03 Уголок ТП 902-2-343 ТМ76.01.01.01.04 Уголок ТП 902-2-343 ТМ76.01.01.01.05 Уголок ТП 902-2-343 ТМ76.01.01.01.06 Ушко ТП 902-2-343 ТМ76.01.01.00.01 Планка ТП 902-2-343 ТМ76.01.01.00.02 Прокладка ТП 902-2-343 ТМ76.01.02.00.01 Направляющая ТП 902-2-343 ТМ76.01.02.00.02 Уголок ТП 902-2-343 ТМ76.01.02.00.03 Планка ТП 902-2-343 ТМ76.07.00 СБ Муфта. Сборочный чертеж ТП 902-2-343 ТМ76.01.03.00.01 Втулка ТП 902-2-343 ТМ76.01.03.00.02 Втулка ТП 902-2-343 ТМ76.01.03.00.03 Втулка ТП 902-2-343 ТМ76.01.03.00.04 Гайка ТП 902-2-343 ТМ76.02.00.00.00 СБ Затвор плоский глубинный 900х500 с ручным приводом. Сборочный чертеж ТП 902-2-343 ТМ76.02.01.00.00 СБ Рама. Сборочный чертеж ТП 902-2-343 ТМ76.02.04.00.00 СБ Штанга. Сборочный чертеж ТП 902-2-343 ТМ76.02.05.00.00 СБ Винт. Сборочный чертеж ТП 902-2-343 ТМ76.02.02.00.00 СБ Щит в сборе. Сборочный чертеж ТП 902-2-343 ТМ76.02.02.01.00 СБ Щит. Сборочный чертеж ТП 902-2-343 ТМ76.02.03.00.00 СБ Подпятник. Сборочный чертеж ТП 902-2-343 ТМ76.03.03.01.00 СБ Корпус подпятника. Сборочный чертеж ТП 902-2-343 ТМ76.02.01.00.01 Поперечина ТП 902-2-343 ТМ76.02.06.00.00 СБ Колпак. Сборочный чертеж ТП 902-2-343 ТМ76.02.02.00.05 Уплотнение нижнее ТП 902-2-343 ТМ76.02.02.00.06 Планка ТП 902-2-343 ТМ76.02.02.00.01 Уплотнение боковое ТП 902-2-343 ТМ76.02.02.00.02 Направляющая ТП 902-2-343 ТМ76.02.02.00.03 Уплотнение верхнее ТП 902-2-343 ТМ76.02.02.00.04 Направляющая верхняя ТП 902-2-343 ТМ76.02.00.00.01 Прокладка ТП 902-2-343 ТМ76.02.02.01.01 Ребро ТП 902-2-343 ТМ76.02.02.01.02 Ушко ТП 902-2-343 ТМ76.00.01 Шпилька ТП 902-2-343 ТМ76.02.03.00.02 Винт ТП 902-2-343 ТМ76.02.04.00.01 Фланец ТП 902-2-343 ТМ76.02.04.00.02 Штанга ТП 902-2-343 ТМ76.02.05.00.01 Фланец ТП 902-2-343 ТМ76.03.00.00 СБ Затвор-водослив 1200х500. Сборочный чертеж ТП 902-2-343 ТМ76.03.01.00.00 СБ Рама. Сборочный чертеж ТП 902-2-343 ТМ76.03.02.00.00 СБ Щит. Сборочный чертеж ТП 902-2-343 ТМ76.03.02.01 Ушко ТП 902-2-343 ТМ76.03.00.01 Винт ТП 902-2-343 ТМ76.03.00.02 Фланец верхний ТП 902-2-343 ТМ76.03.00.03 Фланец нижний ТП 902-2-343 ТМ76.03.00.04 Гайка подъемная ТП 902-2-343 ТМ76.03.00.05 Уголок ТП 902-2-343 ТМ76.03.00.06 Линейка ТП 902-2-343 ТМ76.03.00.07 Стрелка ТП 902-2-343 ТМ76.03.00.08 Прокладка регулировочная ТП 902-2-343 ТМ76.04.00.00 СБ Затвор щитовой 300х250. Сборочный чертеж ТП 902-2-343 ТМ76.04.01.00 СБ Рама. Сборочный чертеж ТП 902-2-343 ТМ76.04.02.00 СБ Щит. Сборочный чертеж ТП 902-2-343 ТМ76.03.03.00 СБ Маховик. Сборочный чертеж ТП 902-2-343 ТМ76.05.00 СБ Установка трубки Пито. Сборочный чертеж ТП 902-2-343 ТМ76.05.01 Бобышка ТП 902-2-343 ТМ76.05.04 Фланец ТП 902-2-343 ТМ76.05.03 Прокладка ТП 902-2-343 ТМ76.05.05 Штуцер ТП 902-2-343 ТМ76.05.02 Штуцер ТП 902-2-343 ТМ76.05.09 Трубка ТП 902-2-343 ТМ76.05.07 Наконечник ТП 902-2-343 ТМ76.05.11 Бобышка ТП 902-2-343 ТМ76.06.00 СБ Эрлифт (узел). Сборочный чертеж ТП 902-2-343 ТМ76.08.00 СБ Заглушка. Сборочный чертеж ТП 902-2-343 ТМ76.00.02 Упор |
| Разработан: | Союзводоканалниипроект |
| Утверждён: | 27.10.1980 СоюзводоканалНИИпроект (SoyuzvodokanalNIIproject 73) |














































