Скачать Типовой проект 903-1-213.84 Альбом II. Тепломеханическая часть. Трубопроводы. Блоки оборудованияДата актуализации: 01.01.2021
|
| Обозначение: | Типовой проект 903-1-213.84 |
| Обозначение англ: | 903-1-213.84 |
| Статус: | не действует |
| Название рус.: | Альбом II. Тепломеханическая часть. Трубопроводы. Блоки оборудования |
| Дата добавления в базу: | 01.09.2013 |
| Дата актуализации: | 01.01.2021 |
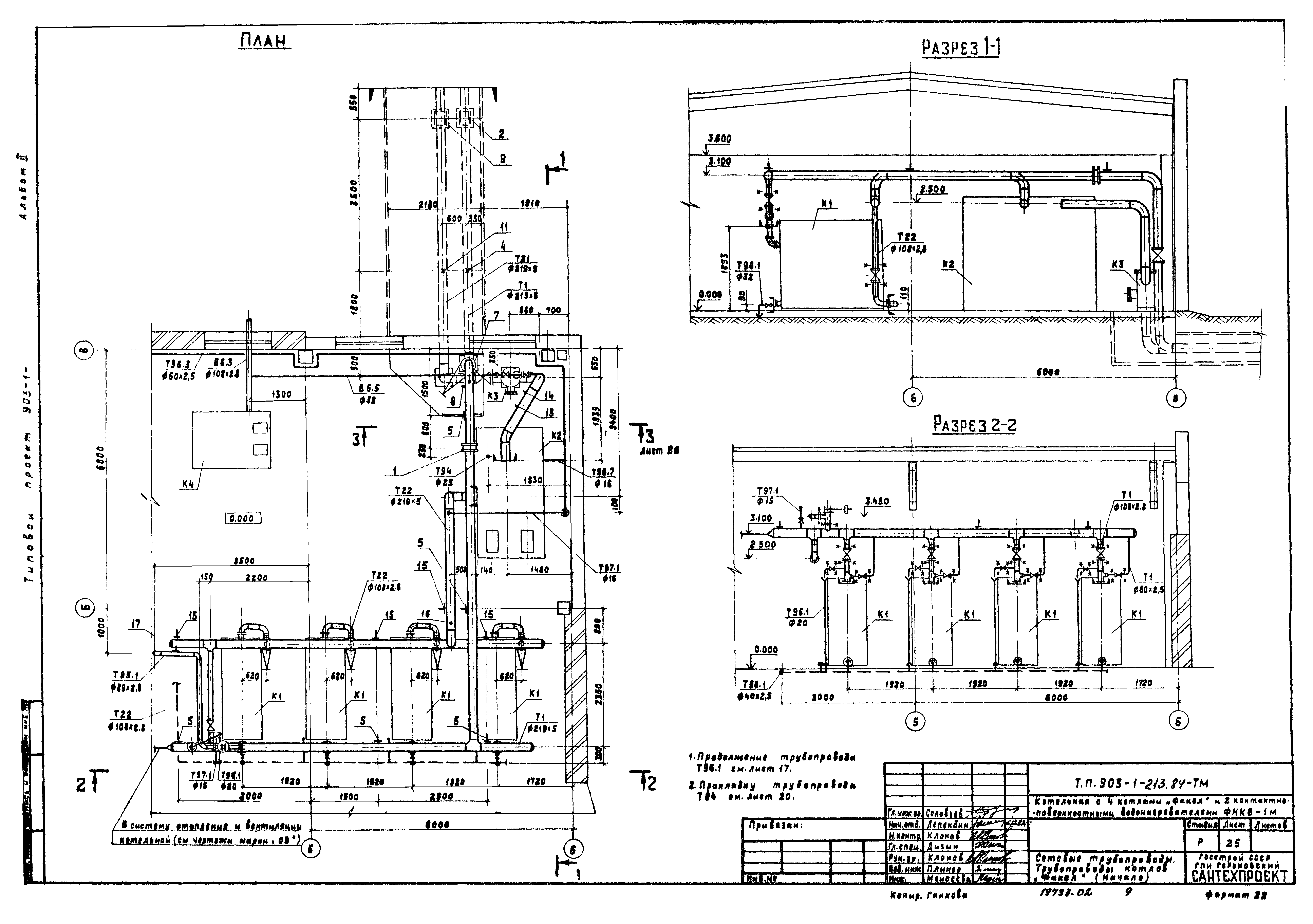
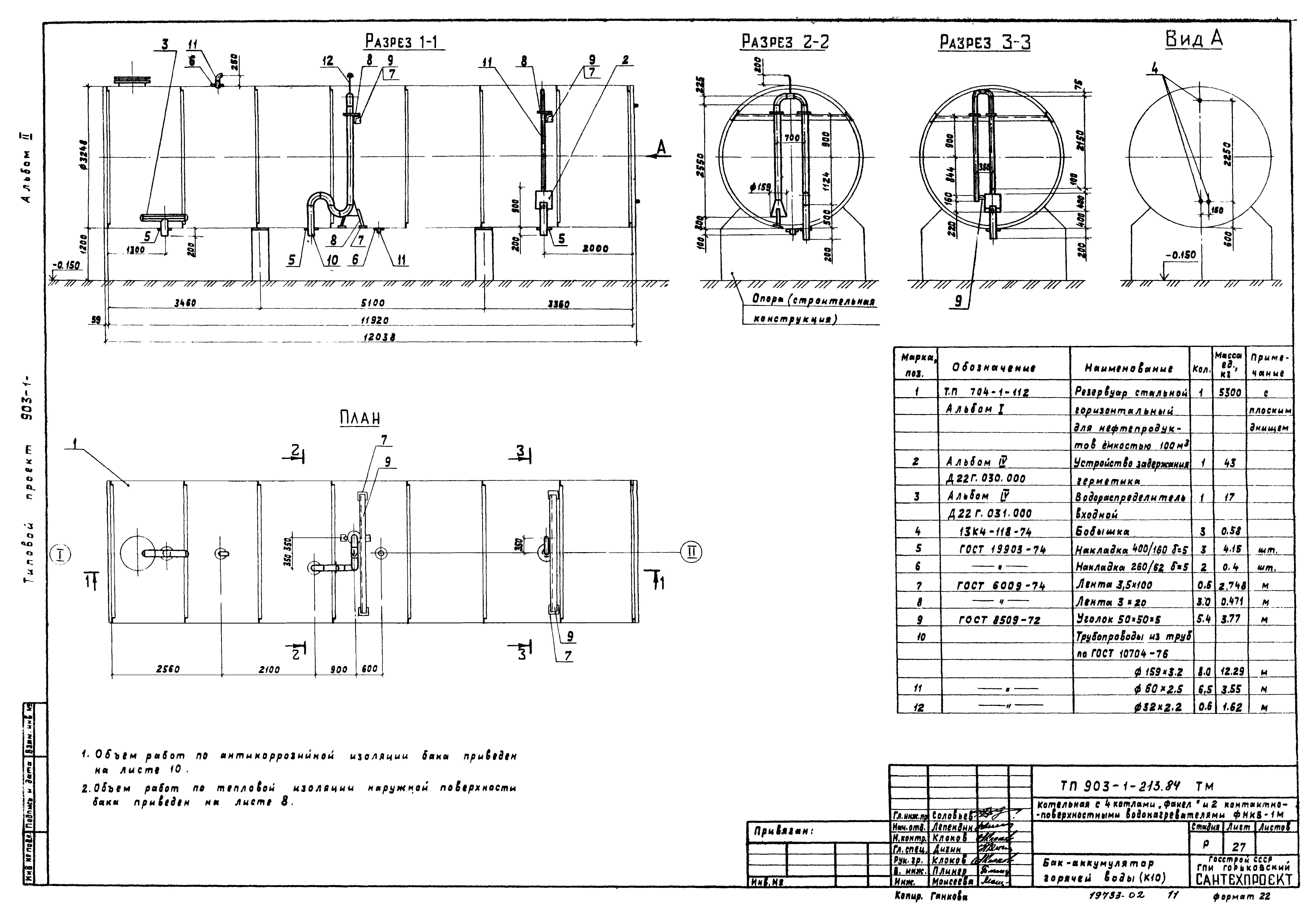
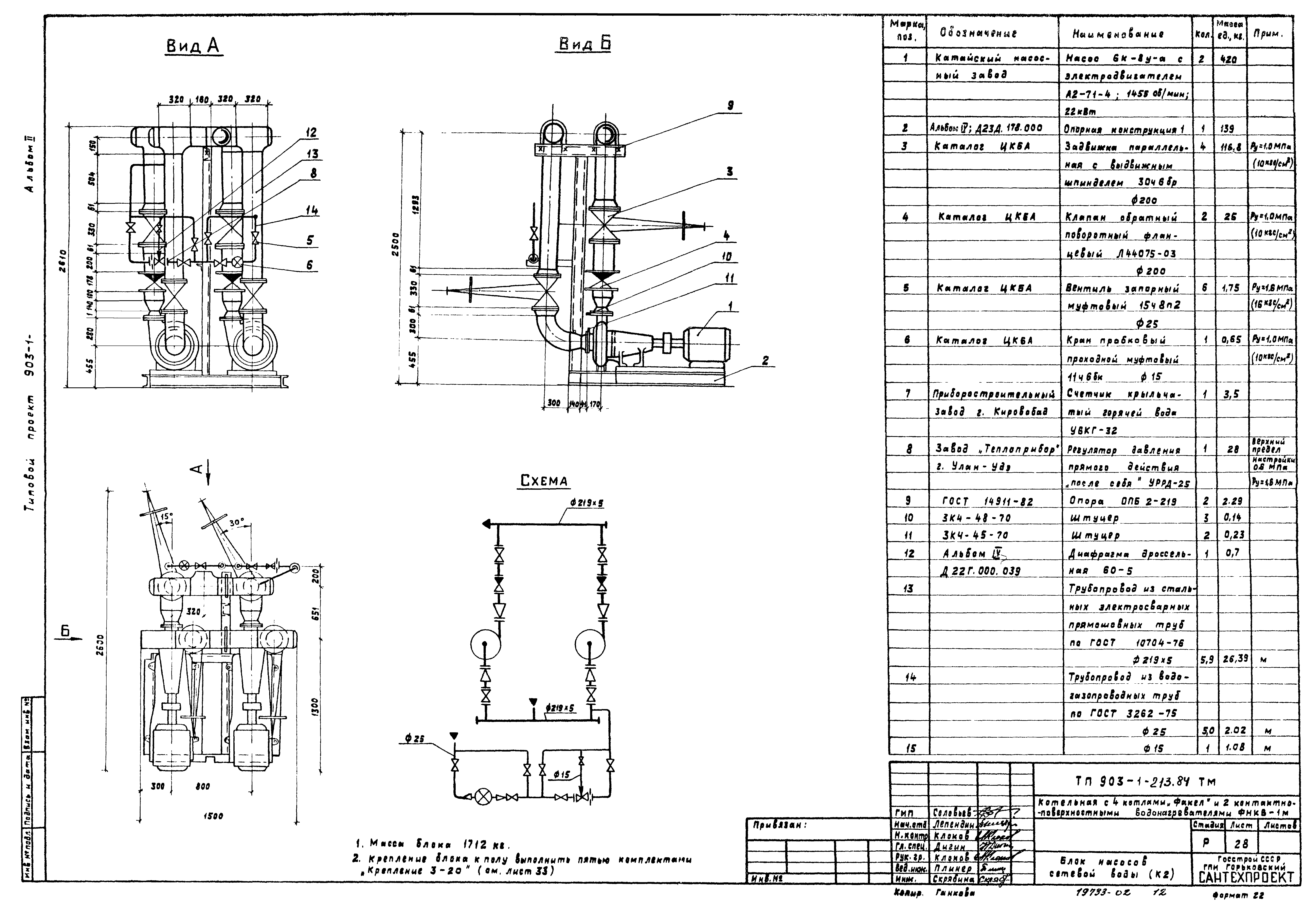
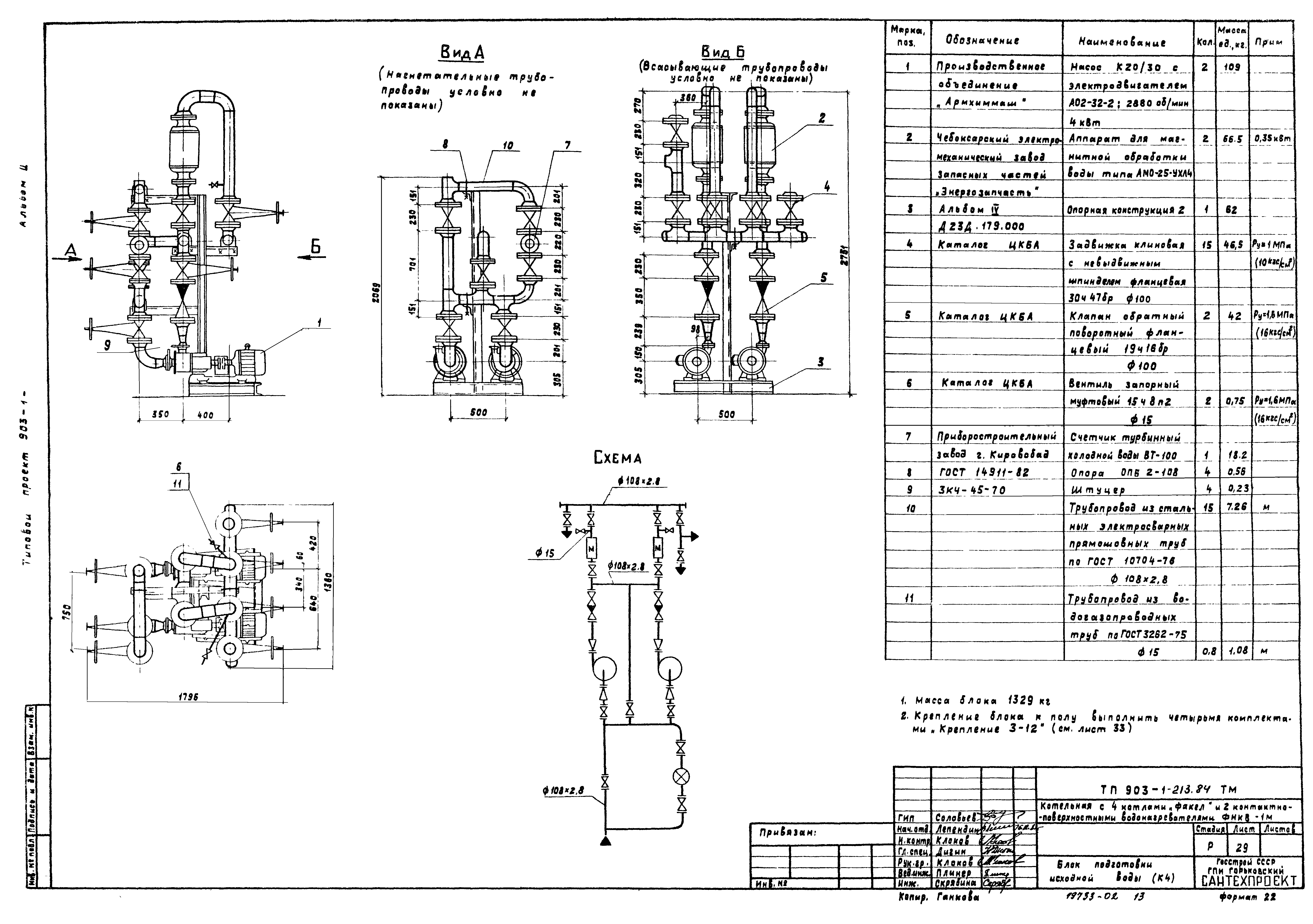
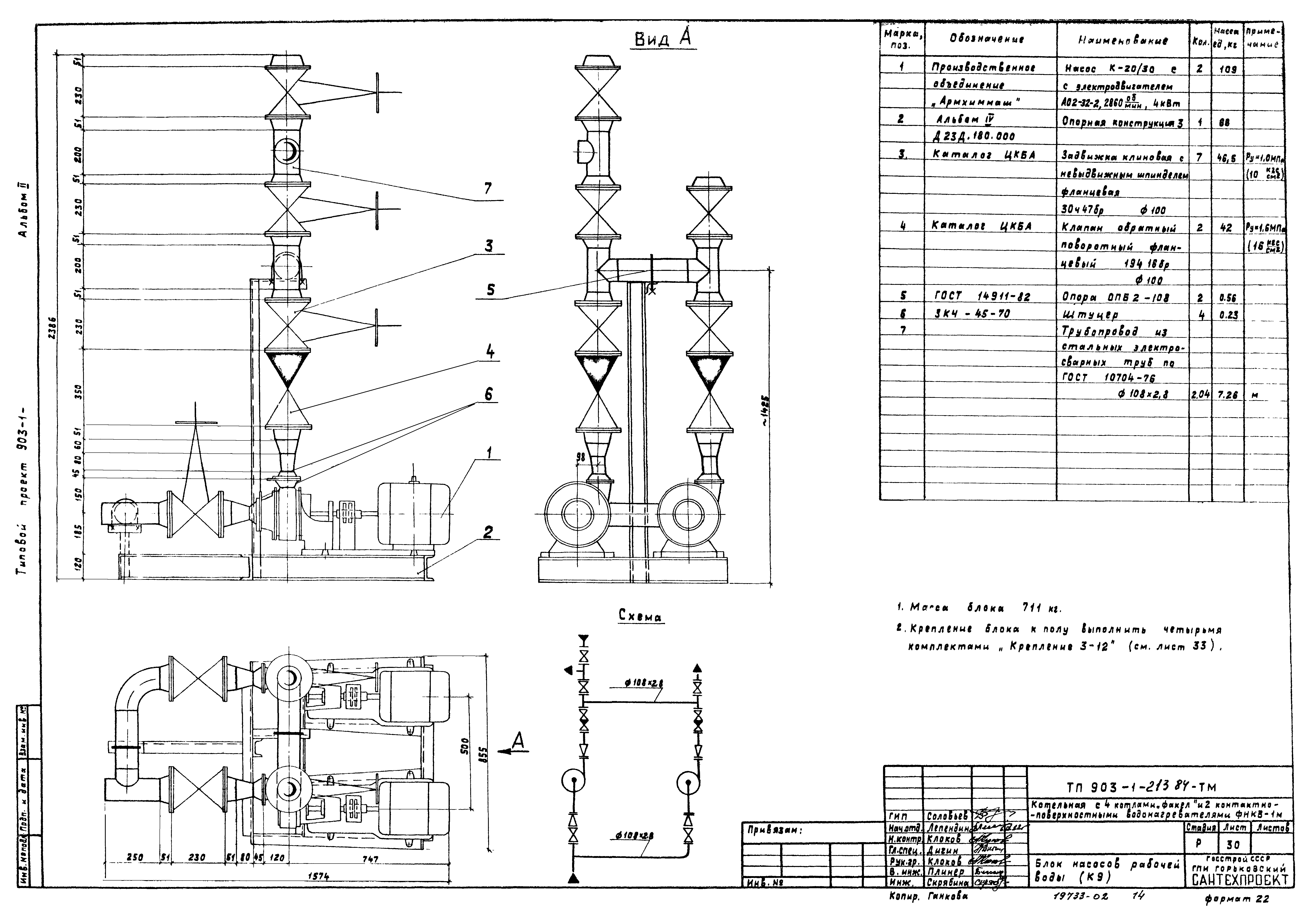
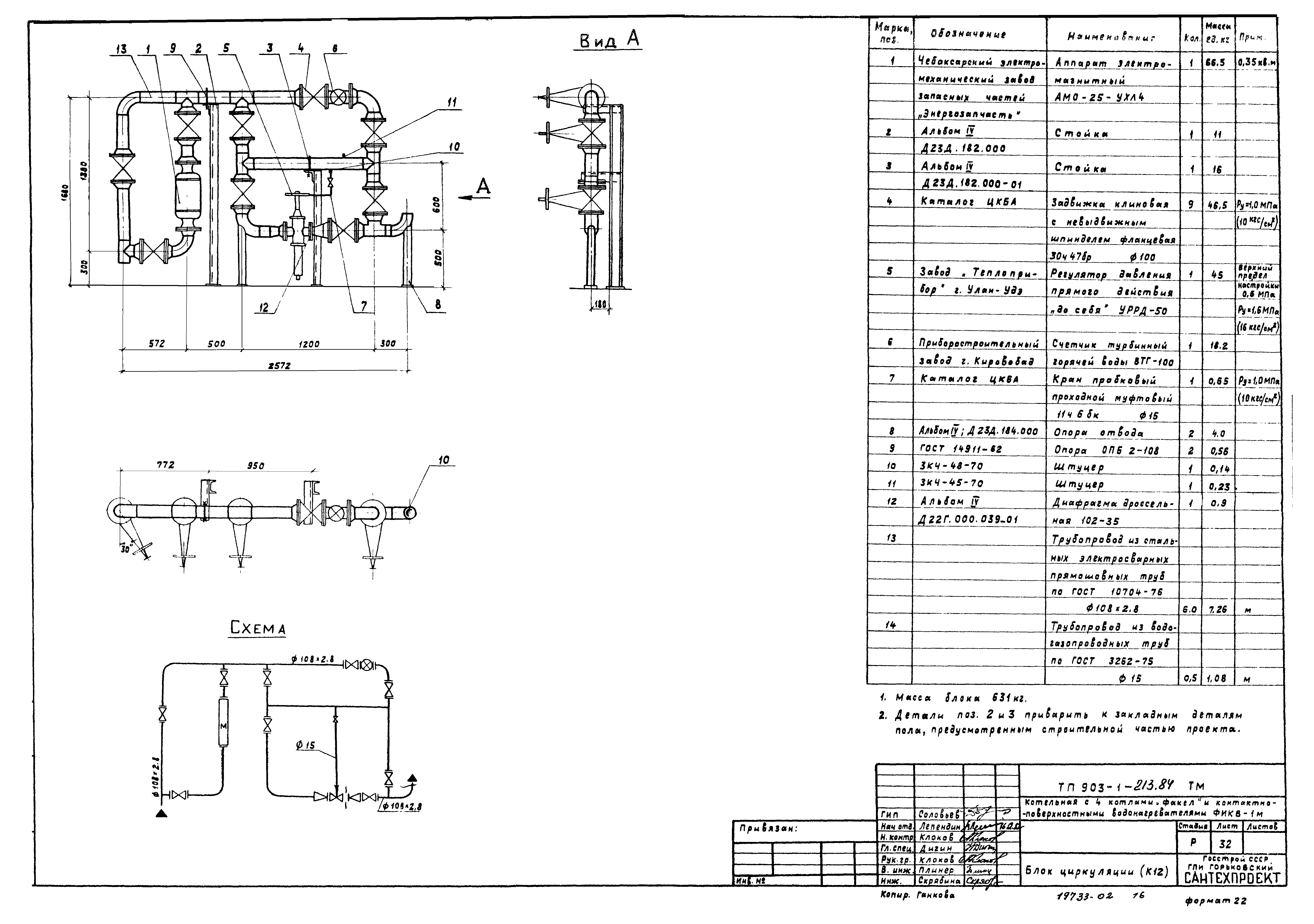
| Оглавление: | ТП 903-1-213.84-ТМ Содержание альбома 2 ТП 903-1-213.84-ТМ-20 Трубопроводы вспомогательного оборудования установки горячего водоснабжения (начало) ТП 903-1-213.84-ТМ-21 Трубопроводы вспомогательного оборудования установки горячего водоснабжения (продолжение) ТП 903-1-213.84-ТМ-22 Трубопроводы вспомогательного оборудования установки горячего водоснабжения (продолжение) ТП 903-1-213.84-ТМ-23 Трубопроводы вспомогательного оборудования установки горячего водоснабжения (продолжение) ТП 903-1-213.84-ТМ-24 Трубопроводы вспомогательного оборудования установки горячего водоснабжения (окончание) ТП 903-1-213.84-ТМ-25 Трубопроводы сетевые. Трубопроводы котлов "Факел" (начало) ТП 903-1-213.84-ТМ-26 Трубопроводы сетевые. Трубопроводы котлов "Факел" (окончание) ТП 903-1-213.84-ТМ-27 Бак-аккумулятор горячей воды (К10) ТП 903-1-213.84-ТМ-28 Блок насосов сетевой воды (К2) ТП 903-1-213.84-ТМ-29 Блок подготовки исходной воды (К4) ТП 903-1-213.84-ТМ-30 Блок насосов рабочей воды (К9) ТП 903-1-213.84-ТМ-31 Блок насосов горячего водоснабжения (К11) ТП 903-1-213.84-ТМ-32 Блок циркуляции (К12) ТП 903-1-213.84-ТМ-33 Типы креплений оборудования |
| Разработан: | ГПИ Горьковский Сантехпроект |
| Утверждён: | 03.02.1984 Главпромстройпроект Госстроя СССР (4) |

















