Скачать Типовой проект 903-1-214.84 Альбом IV. Чертежи нетиповых конструкций вспомогательного оборудования (из ТП 903-1-213.84)Дата актуализации: 01.01.2021
|
| Обозначение: | Типовой проект 903-1-214.84 |
| Обозначение англ: | 903-1-214.84 |
| Статус: | не действует |
| Название рус.: | Альбом IV. Чертежи нетиповых конструкций вспомогательного оборудования (из ТП 903-1-213.84) |
| Дата добавления в базу: | 01.09.2013 |
| Дата актуализации: | 01.01.2021 |
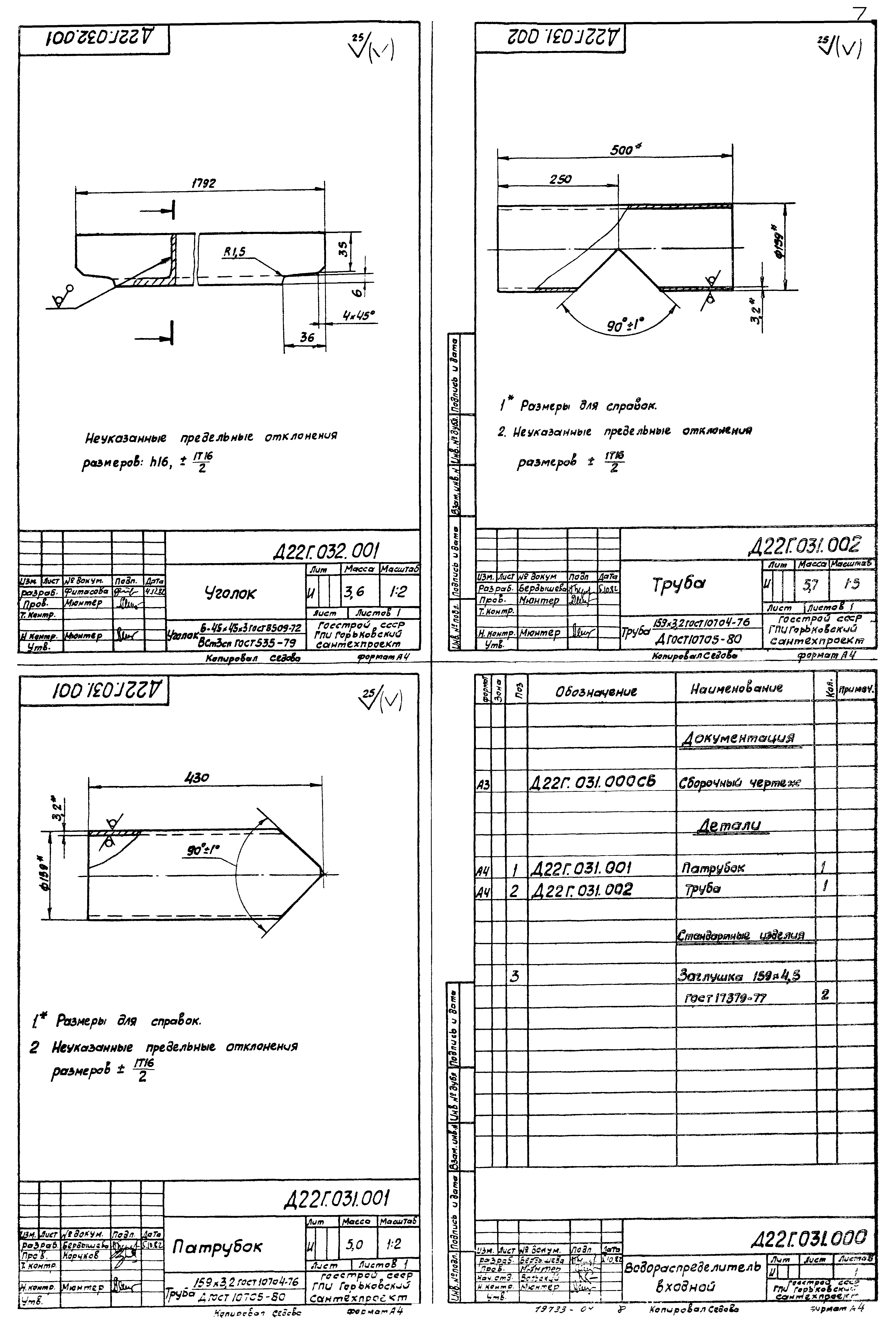
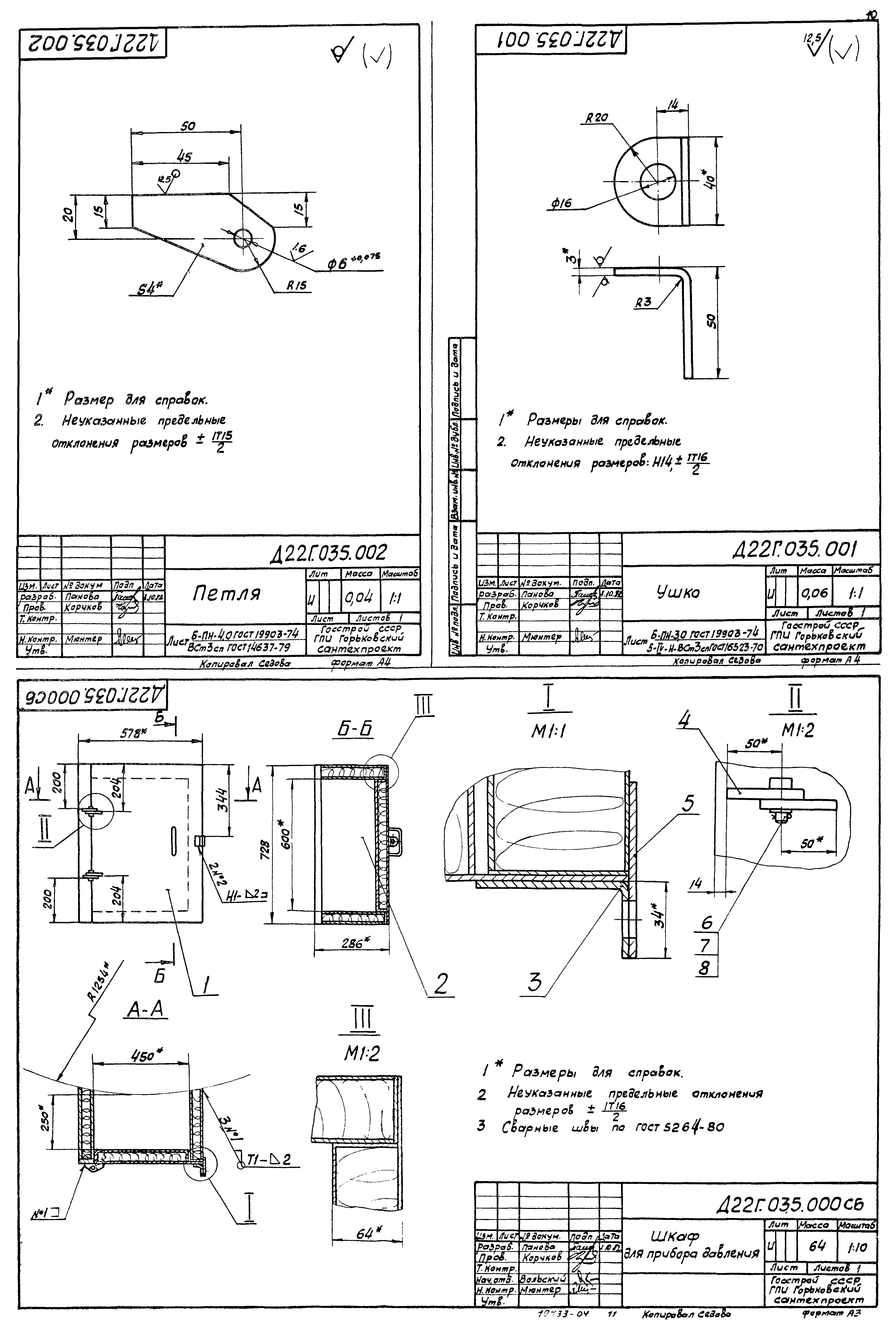
| Оглавление: | ТП 903-1-213.84 Содержание ТП 903-1-213.84 Д12В.130.000 Отборное устройство для датчиков регуляторов температуры ТП 903-1-213.84 Д12В.130.000 СБ Отборное устройство для датчиков регуляторов температуры ТП 903-1-213.84 Д12В.130.001 Корпус ТП 903-1-213.84 Д12В.130.002 Крышка ТП 903-1-213.84 Д12В.130.003 Бобышка ТП 903-1-213.84 Д12В.130.004 Крышка ТП 903-1-213.84 Д22Г.000.037 Фланец переходной ТП 903-1-213.84 Д22Г.000.038 Плита приварная ТП 903-1-213.84 Д22Г.000.039 Диафрагма дроссельная ТП 903-1-213.84 Д22Г.030.000 Устройство задержания герметика ТП 903-1-213.84 Д22Г.030.002 Лист верхний ТП 903-1-213.84 Д22Г.030.000 СБ Устройство задержания герметика ТП 903-1-213.84 Д22Г.031.000 СБ Водораспределитель входной ТП 903-1-213.84 Д22Г.031.000 Водораспределитель входной ТП 903-1-213.84 Д22Г.031.001 Патрубок ТП 903-1-213.84 Д22Г.031.002 Труба ТП 903-1-213.84 Д22Г.032.001 Уголок ТП 903-1-213.84 Д22Г.032.000 Стеллаж для ведер ТП 903-1-213.84 Д22Г.032.003 Лист ТП 903-1-213.84 Д22Г.035.000 Шкаф для прибора давления ТП 903-1-213.84 Д22Г.032.000 СБ Стеллаж для ведер ТП 903-1-213.84 Д22Г.035.000 СБ Шкаф для прибора давления ТП 903-1-213.84 Д22Г.035.001 Ушко ТП 903-1-213.84 Д22Г.035.002 Петля ТП 903-1-213.84 Д22Г.035.003 Ушко ТП 903-1-213.84 Д22Г.035.010 Дверь ТП 903-1-213.84 Д22Г.035.010 СБ Дверь ТП 903-1-213.84 Д22Г.035.004 Каркас ТП 903-1-213.84 Д22Г.035.020 Корпус ТП 903-1-213.84 Д22Г.035.020 СБ Корпус ТП 903-1-213.84 Д22Г.035.006 Ручка ТП 903-1-213.84 Д22Г.035.007 Лист ТП 903-1-213.84 Д23В.032.000 Бак-газоотделитель V=1,6³ ТП 903-1-213.84 Д23В.032.001 Накладка ТП 903-1-213.84 Д23В.032.000 СБ Бак-газоотделитель V=1,6³ ТП 903-1-213.84 Д23В.032.010 Бак ТП 903-1-213.84 Д23В.032.002 Цилиндр ТП 903-1-213.84 Д23В.032.004 Лист верхний ТП 903-1-213.84 Д23В.032.010 СБ Бак ТП 903-1-213.84 Д23В.032.005 Лист нижний ТП 903-1-213.84 Д23Д.000.003 Опора трубопровода ТП 903-1-213.84 Д23Д.178.000 Опорная конструкция 1 ТП 903-1-213.84 Д23Д.178.000 СБ Опорная конструкция 1 ТП 903-1-213.84 Д23Д.178.004 Швеллер ТП 903-1-213.84 Д23Д.178.005 Швеллер ТП 903-1-213.84 Д23Д.178.008 Швеллер ТП 903-1-213.84 Д23Д.179.000 Опорная конструкция 2 ТП 903-1-213.84 Д23Д.179.000 СБ Опорная конструкция 2 ТП 903-1-213.84 Д23Д.179.004 Швеллер ТП 903-1-213.84 Д23Д.179.005 Швеллер ТП 903-1-213.84 Д23Д.180.000 Опорная конструкция 3 ТП 903-1-213.84 Д23Д.180.001 Швеллер ТП 903-1-213.84 Д23Д.180.005 Швеллер ТП 903-1-213.84 Д23Д.180.000 СБ Опорная конструкция 3 ТП 903-1-213.84 Д23Д.180.006 Швеллер ТП 903-1-213.84 Д23Д.181.002 Швеллер ТП 903-1-213.84 Д23Д.181.000 Опорная конструкция 4 ТП 903-1-213.84 Д23Д.181.000 СБ Опорная конструкция 4 ТП 903-1-213.84 Д23Д.181.005 Швеллер ТП 903-1-213.84 Д23Д.182.000 СБ Стойка ТП 903-1-213.84 Д23Д.182.000 Стойка ТП 903-1-213.84 Д23Д.183.000 Опора подогревателя ТП 903-1-213.84 Д23Д.183.000 СБ Опора подогревателя ТП 903-1-213.84 Д23Д.184.000 Опора отвода ТП 903-1-213.84 Д23Д.184.000 СБ Опора отвода ТП 903-1-213.84 Д23Д.184.001 Стойка |
| Разработан: | ГПИ Горьковский Сантехпроект |
| Утверждён: | 03.02.1984 Главпромстройпроект Госстроя СССР (4) |



























