Скачать Типовой проект 902-1-60 Альбом V. Электрооборудование, автоматизация и технологический контроль. Чертежи монтажной зоныДата актуализации: 01.01.2021
|
| Обозначение: | Типовой проект 902-1-60 |
| Обозначение англ: | 902-1-60 |
| Статус: | действует |
| Название рус.: | Альбом V. Электрооборудование, автоматизация и технологический контроль. Чертежи монтажной зоны |
| Дата добавления в базу: | 01.09.2013 |
| Дата актуализации: | 01.01.2021 |
| Дата введения: | 01.10.1982 |
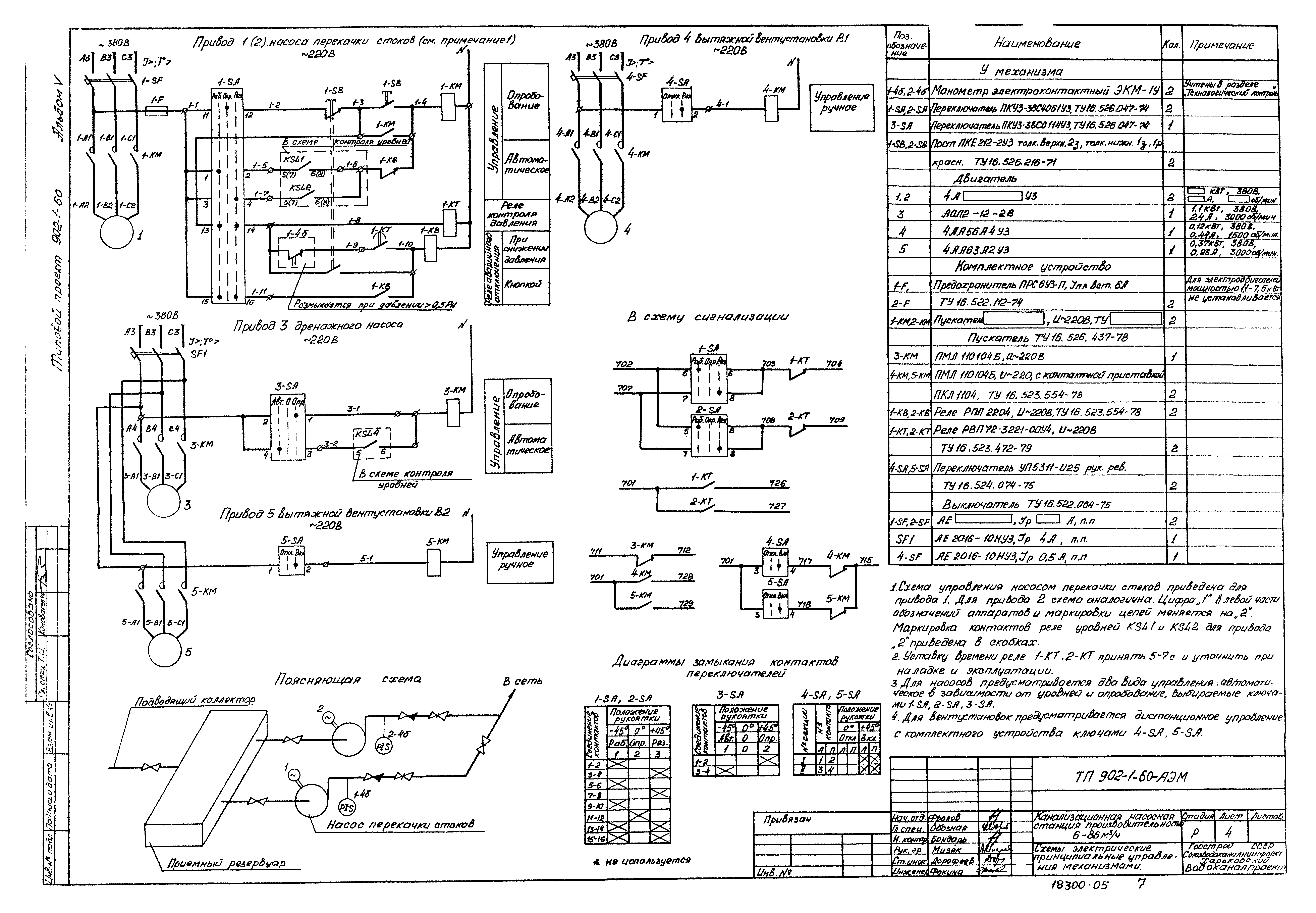
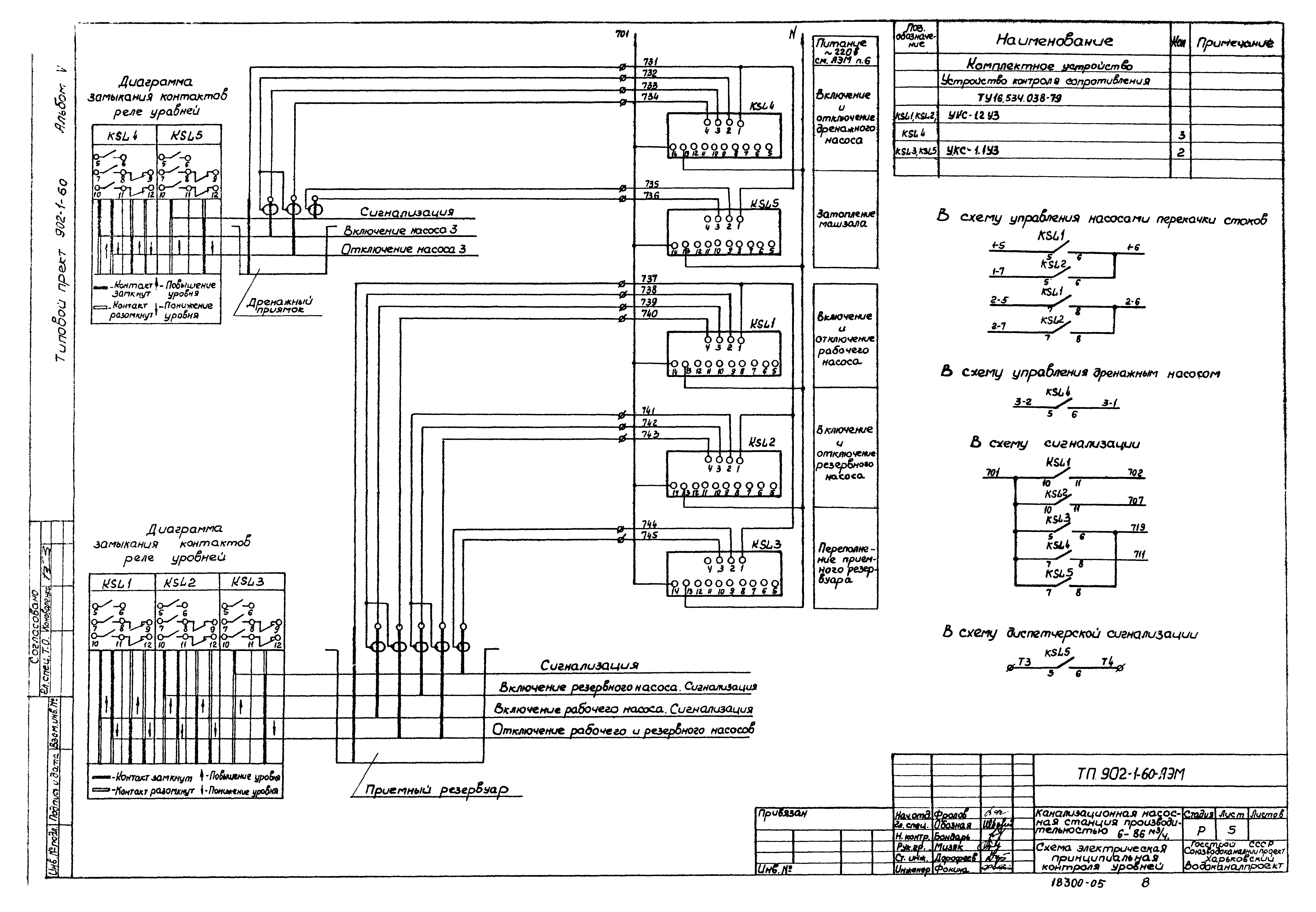
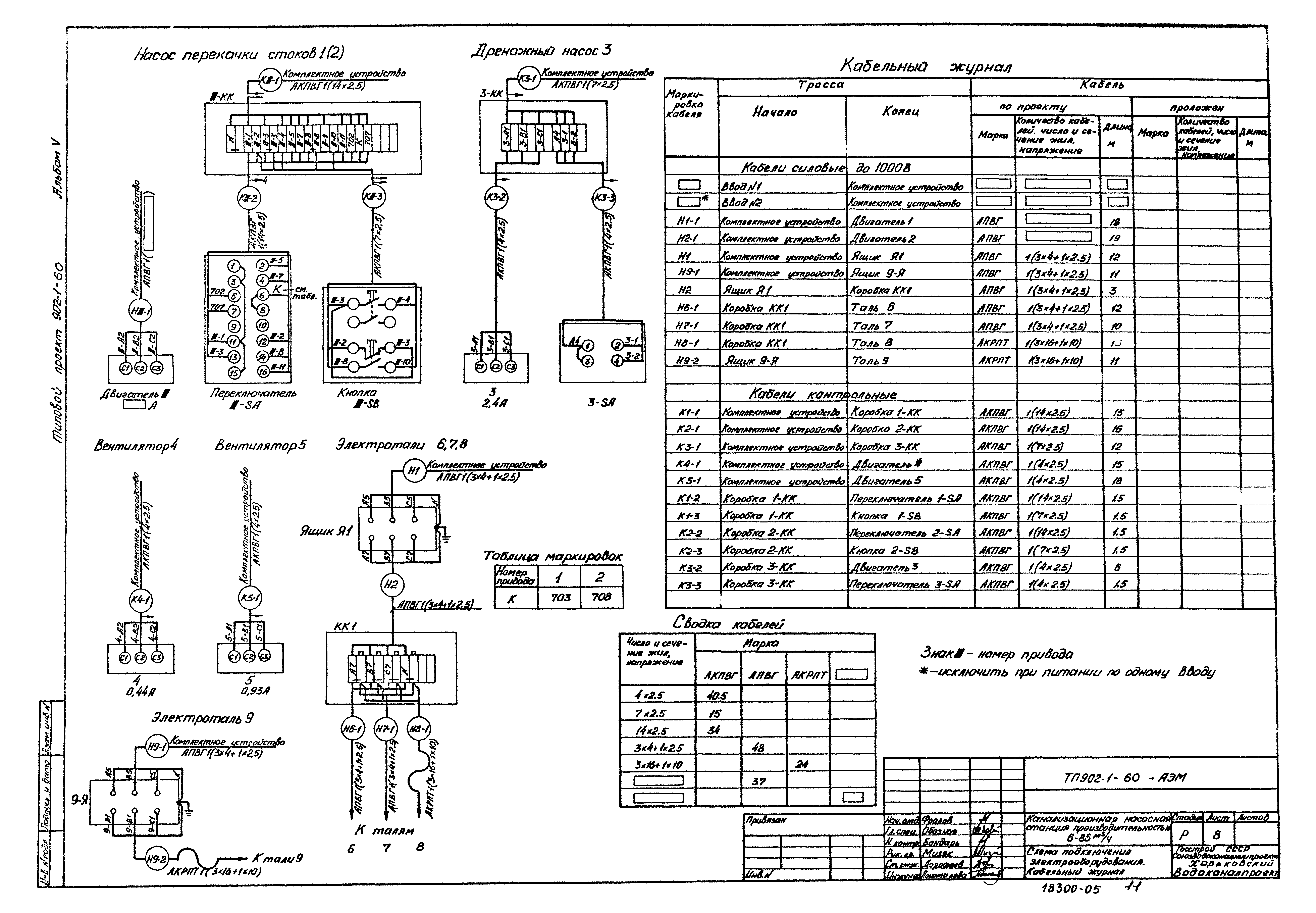
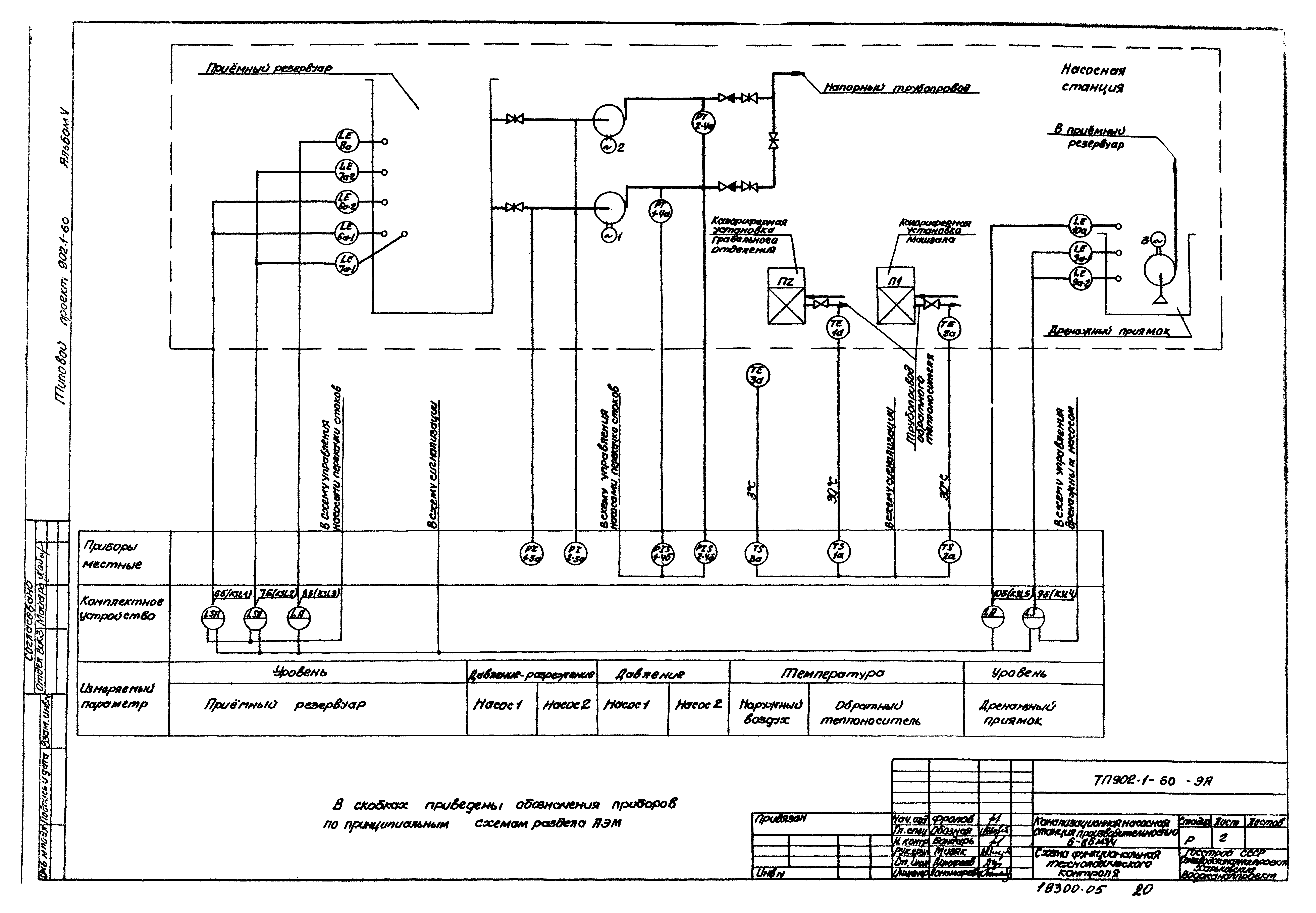
| Оглавление: | ТП 902-1-60 Содержание альбома ТП 902-1-60-АЭМ Основной комплект марки АЭМ ТП 902-1-60-АЭМ-1 Общие данные (начало) ТП 902-1-60-АЭМ-2 Общие данные (окончание) ТП 902-1-60-АЭМ-3 Схема электрическая принципиальная однолинейная распределительной сети ~380/220 В ТП 902-1-60-АЭМ-4 Схемы электрические принципиальные управления механизмами ТП 902-1-60-АЭМ-5 Схема электрическая принципиальная контроля уровней ТП 902-1-60-АЭМ-6 Схема электрическая принципиальная сигнализации ТП 902-1-60-АЭМ-7 Схема подключения комплектного устройства ШОН5903 ТП 902-1-60-АЭМ-8 Схема подключения электрооборудования. Кабельный журнал ТП 902-1-60-АЭМ-9 План расположения электрооборудования. Прокладка кабелей ТП 902-1-60-АЭМ-10 Электроосвещение. Глубина заложения подводящего коллектора -2.600(-3.800)м ТП 902-1-60-АЭМ-11 Электроосвещение. Глубина заложения подводящего коллектора -5.000(-6.200)м ТП 902-1-60-АЭМ-12 Зануление ТП 902-1-60-АЭМ-13 Уточненные ведомости ТП 902-1-60-АЭМ-14 Ведомость объемов электромонтажных работ. Задание МЭЗ ТП 902-1-60-АЭМ-15 Комплектное устройство. Общий вид. Перечень надписей (чертеж для справок) ТП 902-1-60-ЭА Основной комплект марки ЭА ТП 902-1-60-ЭА-1 Общие данные ТП 902-1-60-ЭА-2 Схема функциональная технологического контроля ТП 902-1-60-ЭА-3 Расположение средств автоматизации и проводок. Монтажный чертеж ТП 902-1-60-ЭА-4 Статив датчиков № 1. Монтажный чертеж ТП 902-1-60-ЭА-5 Статив датчиков № 2. Монтажный чертеж ТП 902-1-60-ЭА-6 Задание МЗМ |
| Разработан: | Харьковский Водоканалпроект |
| Утверждён: | 29.04.1982 Главпромстройпроект Госстроя СССР (15) |






















