Скачать Типовой проект 902-1-63 Альбом IV. Часть 1. Изделия. Надземная частьДата актуализации: 01.01.2021
|
| Обозначение: | Типовой проект 902-1-63 |
| Обозначение англ: | 902-1-63 |
| Статус: | действует |
| Название рус.: | Альбом IV. Часть 1. Изделия. Надземная часть |
| Дата добавления в базу: | 01.09.2013 |
| Дата актуализации: | 01.01.2021 |
| Дата введения: | 01.11.1982 |
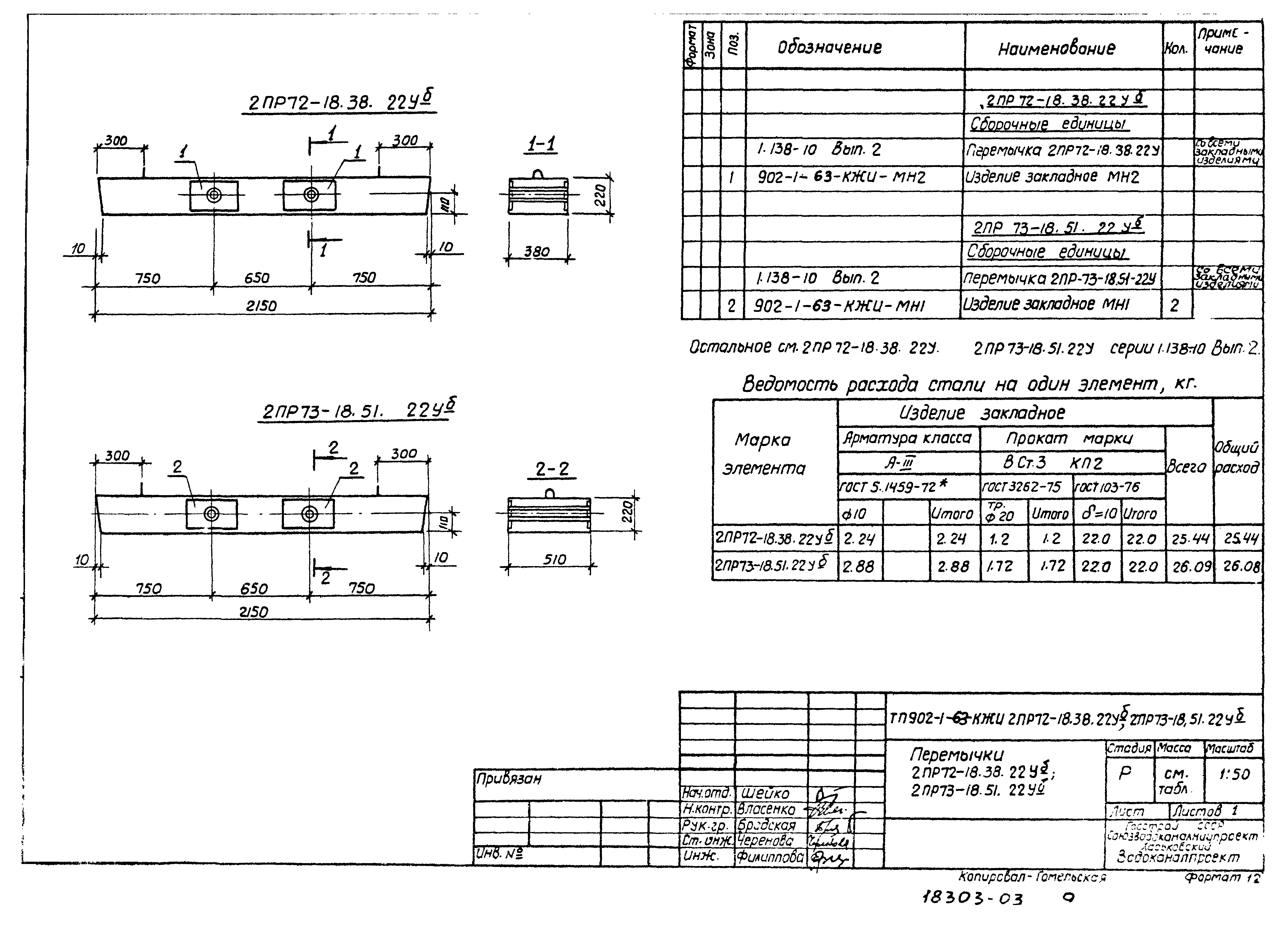
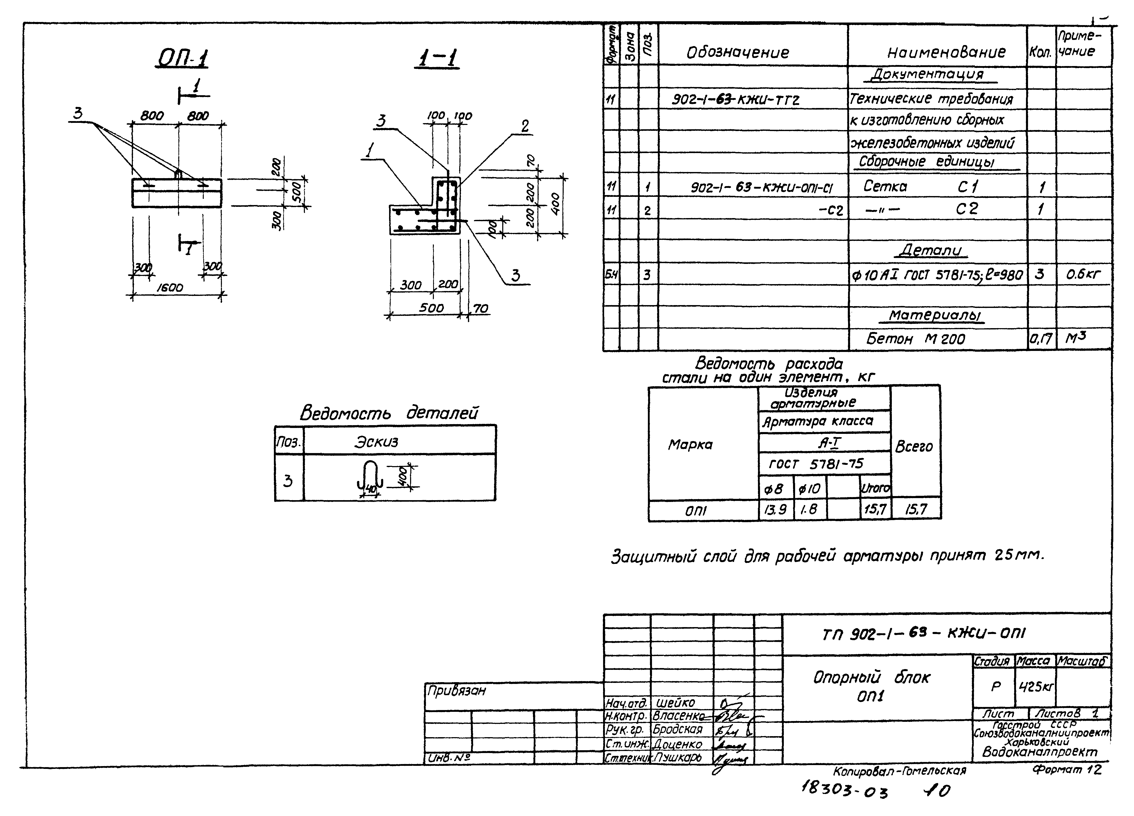
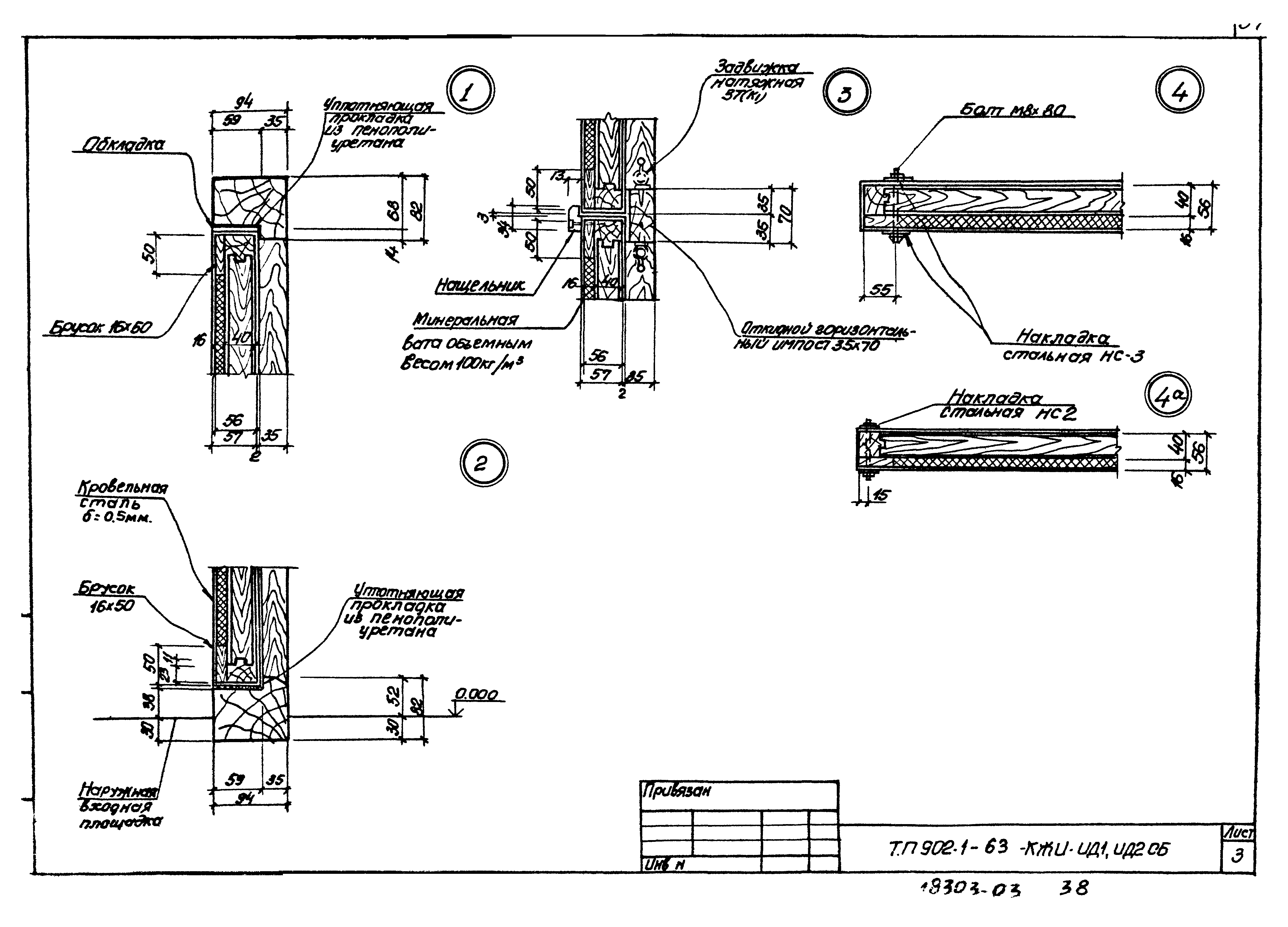
| Оглавление: | ТП 902-1-63-КЖИ-ДО Содержание листов выпуска ТП 902-1-63-КЖИ-ТТ1 Технические требования к изготовлению арматурных и закладных изделий ТП 902-1-63-КЖИ-ПАIIIв-4А/1.5х6-1;ПАIIIв-4А/1.5х6-2 Плита ПАIIIв-4А/1.5х6-1;ПАIIIв-4А/1.5х6-2 ТП 902-1-63-КЖИ-П18д-5А Плита П18д-5А ТП 902-1-63-КЖИ-2ПР72-18.38.22Уа,2ПР73-18.51.22Уа Перемычки 2ПР72-18.38.22Уа,2ПР73-18.51.22Уа ТП 902-1-63-КЖИ-2ПР72-18.38.22Уб,2ПР73-18.51.22Уб Перемычки 2ПР72-18.38.22Уб,2ПР73-18.51.22Уб ТП 902-1-63-КЖИ-ОП1 Опорный блок ОП1 ТП 902-1-63-КЖИ-РКМ1-КР1 Каркас плоский КР1(t=-20ºС,-30ºС) ТП 902-1-63-КЖИ-РКМ1-КР2 Каркас плоский КР2(t=-20ºС,-30ºС) ТП 902-1-63-КЖИ-РКМ1-КР1 Каркас плоский КР1(t=-40ºС) ТП 902-1-63-КЖИ-РКМ1-КР2 Каркас плоский КР2(t=-40ºС) ТП 902-1-63-КЖИ-РКМ1-КР3 Каркас плоский КР3(t=-20ºС,-30ºС) ТП 902-1-63-КЖИ-РКМ1-КР4 Каркас плоский КР4(t=-20ºС,-30ºС) ТП 902-1-63-КЖИ-РКМ1-КР3 Каркас плоский КР3(t=-40ºС) ТП 902-1-63-КЖИ-РКМ1-КР4 Каркас плоский КР4(t=-40ºС) ТП 902-1-63-КЖИ-РКМ1-КР5 Каркас плоский КР5(t=-20ºС,-30ºС) ТП 902-1-63-КЖИ-РКМ1-КР6 Каркас плоский КР6(t=-20ºС,-30ºС) ТП 902-1-63-КЖИ-РКМ1-КР5 Каркас плоский КР5(t=-40ºС) ТП 902-1-63-КЖИ-РКМ1-КР6 Каркас плоский КР6(t=-40ºС) ТП 902-1-63-КЖИ-РКМ1-КР7 Каркас плоский КР7(t=-20ºС,-30ºС) ТП 902-1-63-КЖИ-РКМ1-КР8 Каркас плоский КР8(t=-20ºС,-30ºС) ТП 902-1-63-КЖИ-РКМ1-КР7 Каркас плоский КР7(t=-40ºС) ТП 902-1-63-КЖИ-РКМ1-КР8 Каркас плоский КР8(t=-40ºС) ТП 902-1-63-КЖИ-РКМ1-КР9 Каркас плоский КР9(t=-20ºС,-30ºС,-40ºС) ТП 902-1-63-КЖИ-РКМ1-КР10 Каркас плоский КР10(t=-20ºС,-30ºС,-40ºС) ТП 902-1-63-КЖИ-РКМ1-С1 Сетка С1(t=-20ºС,-30ºС,-40ºС) ТП 902-1-63-КЖИ-РКМ1-С2 Сетка С2(t=-20ºС,-30ºС,-40ºС) ТП 902-1-63-КЖИ-РКМ1-С3 Сетка С3(t=-20ºС,-30ºС) ТП 902-1-63-КЖИ-РКМ1-С3 Сетка С3(t=-40ºС) ТП 902-1-63-КЖИ-РКМ1-С4 Сетка С4(t=-20ºС,-30ºС,-40ºС) ТП 902-1-63-КЖИ-РКМ2-КР1 Каркас плоский КР1 ТП 902-1-63-КЖИ-РКМ2-КР2 Каркас плоский КР2 ТП 902-1-63-КЖИ-РКМ2-КР3 Каркас пространственный КР3 ТП 902-1-63-КЖИ-РКМ2-КР4 Каркас плоский КР4 ТП 902-1-63-КЖИ-РКМ2-КП1 Каркас пространственный КП1 ТП 902-1-63-КЖИ-РКМ2-МН1 Изделие закладное МН1 ТП 902-1-63-КЖИ-ПДМ1-КР1 Каркас плоский КР1 ТП 902-1-63-КЖИ-ОП1-С1 Сетка арматурная С1 ТП 902-1-63-КЖИ-ОП1-С2 Сетка арматурная С2 ТП 902-1-63-КЖИ-МС1 Изделие соединительное МС1 ТП 902-1-63-КЖИ-ОКМ1-С1 Сетка арматурная С1 ТП 902-1-63-КЖИ-РКМ1-МН1 Изделие закладное МН1 ТП 902-1-63-КЖИ-МН3 Изделие закладное МН3 ТП 902-1-63-КЖИ-МН1 Изделие закладное МН1 ТП 902-1-63-КЖИ-МН2 Изделие закладное МН2 ТП 902-1-63-КЖИ-МН4 Изделие закладное МН4 ТП 902-1-63-КЖИ-МН5 Изделие закладное МН5 ТП 902-1-63-КЖИ-МН6 Изделие закладное МН6 ТП 902-1-63-КЖИ-МН7 Изделие закладное МН7 ТП 902-1-63-КЖИ-ПДМ1-МН1 Изделие закладное МН1 ТП 902-1-63-КЖИ-ИД1,ИД2 Дверные блоки ИД1,ИД2 |
| Разработан: | Харьковский Водоканалпроект |
| Утверждён: | 29.04.1982 Главпромстройпроект Госстроя СССР (15) |







































