Скачать Типовой проект 902-2-362.83 Альбом III. Строительные изделияДата актуализации: 01.01.2021
|
| Обозначение: | Типовой проект 902-2-362.83 |
| Обозначение англ: | 902-2-362.83 |
| Статус: | не действует |
| Название рус.: | Альбом III. Строительные изделия |
| Дата добавления в базу: | 01.09.2013 |
| Дата актуализации: | 01.01.2021 |
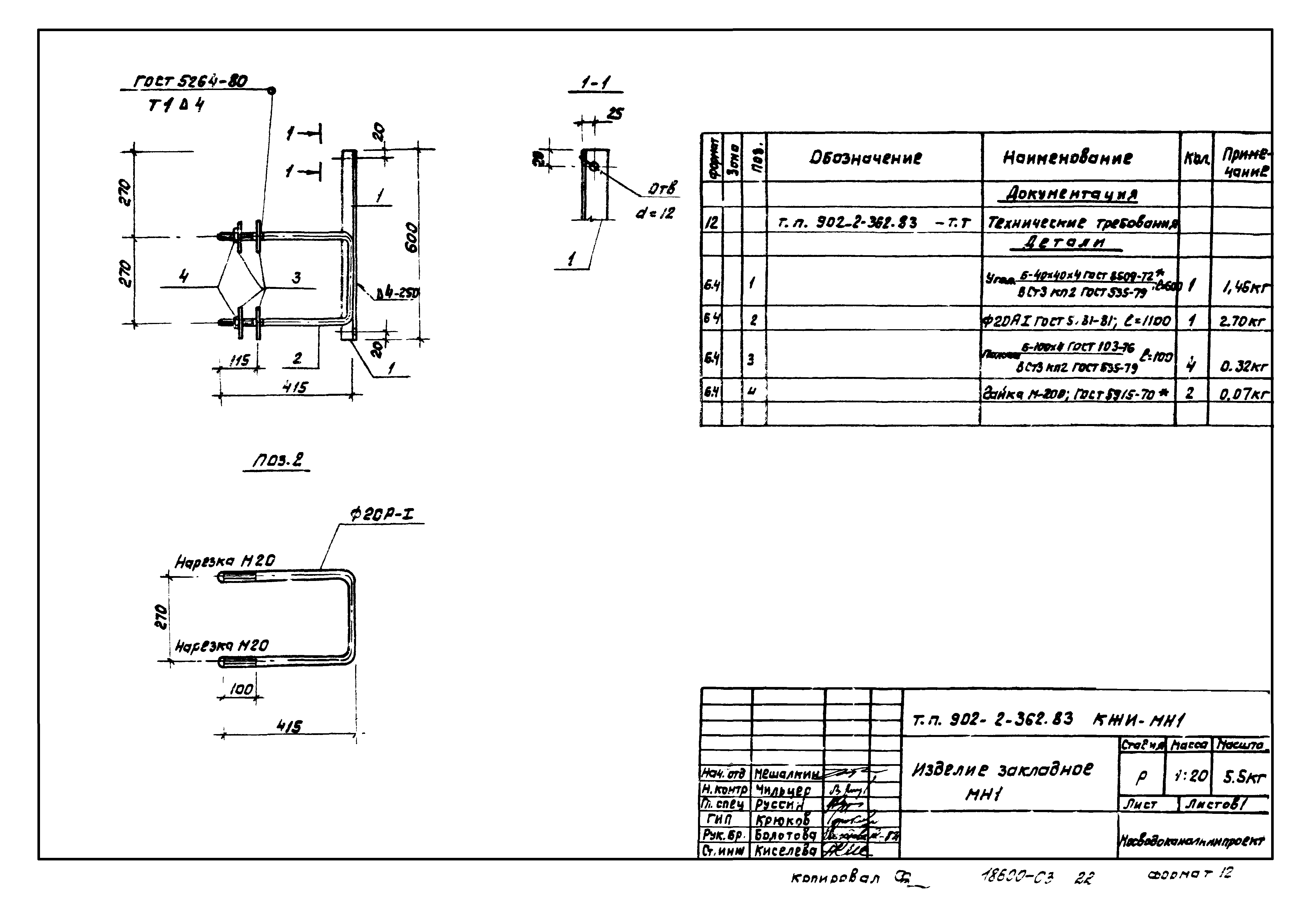
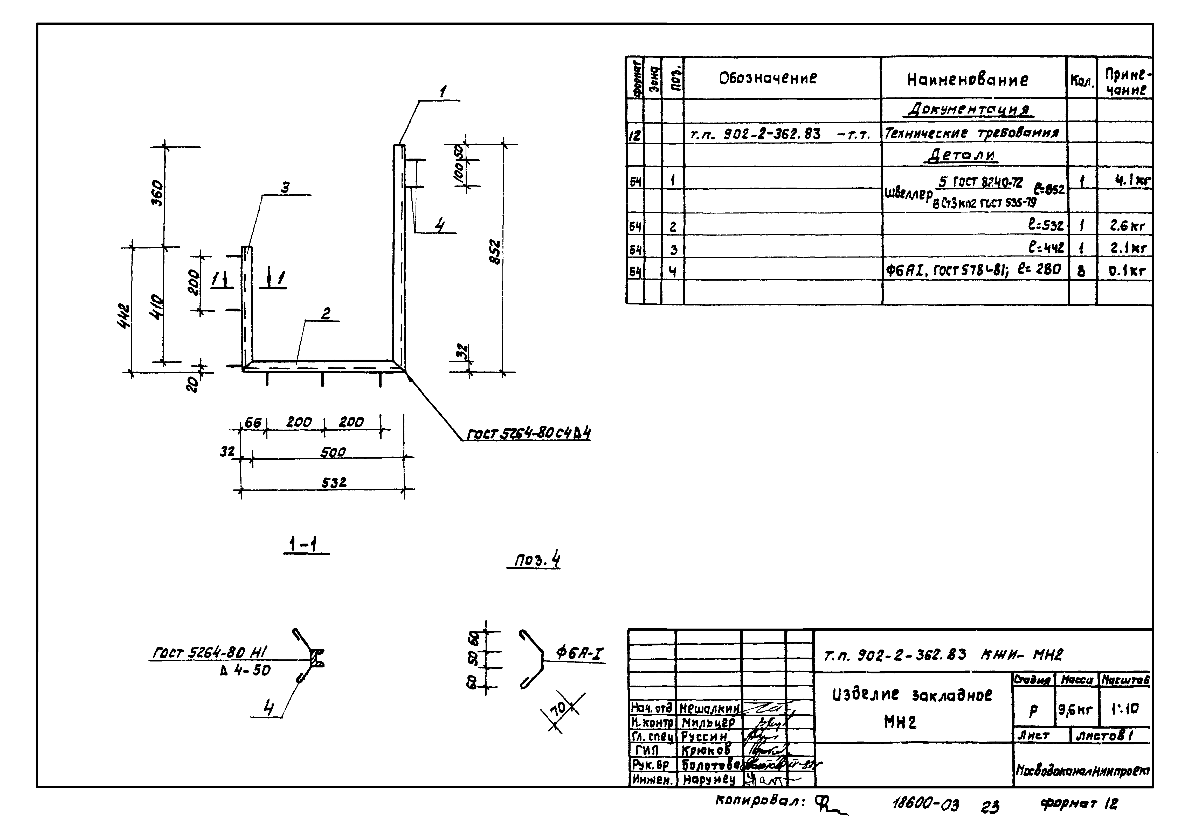
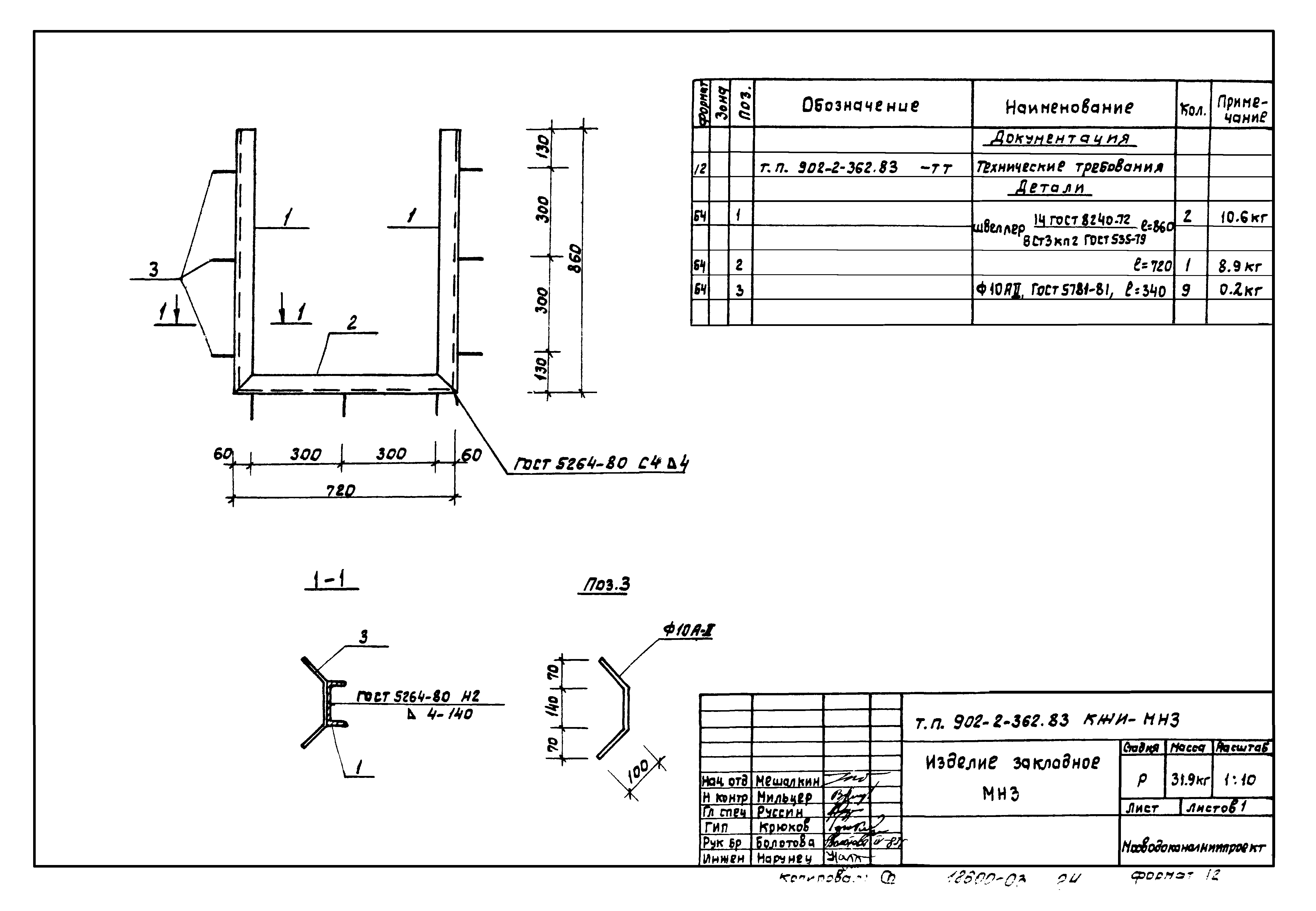
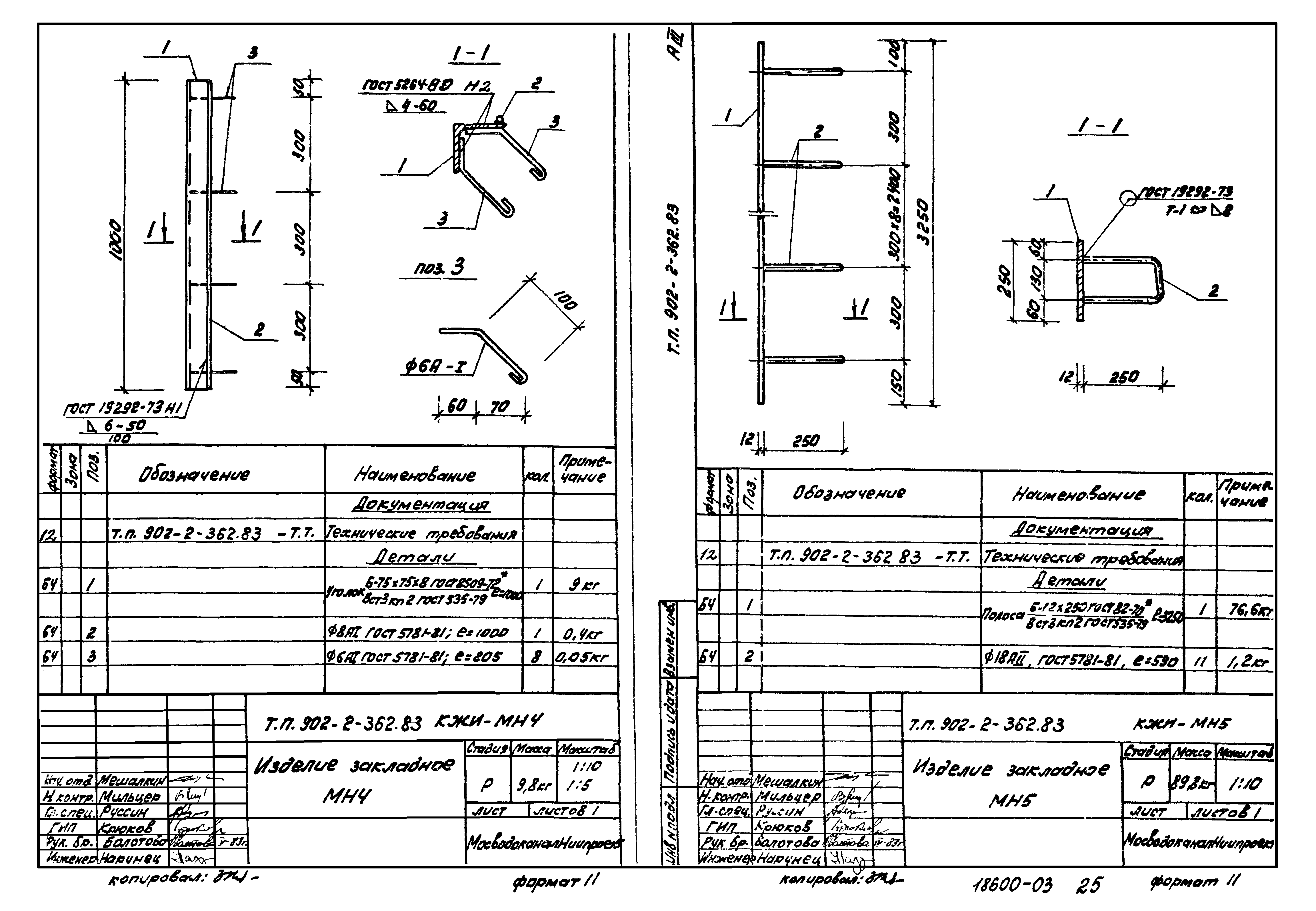
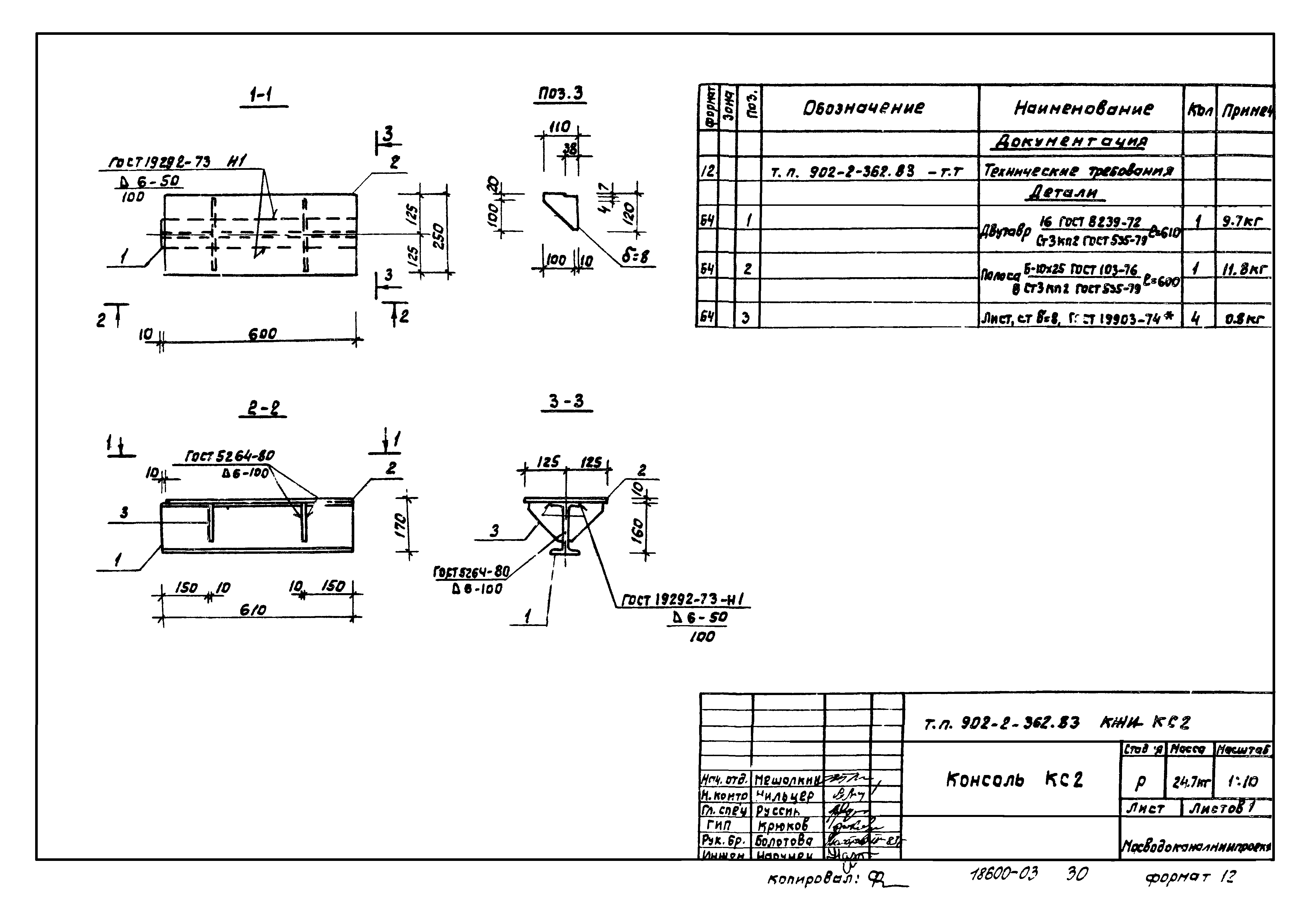
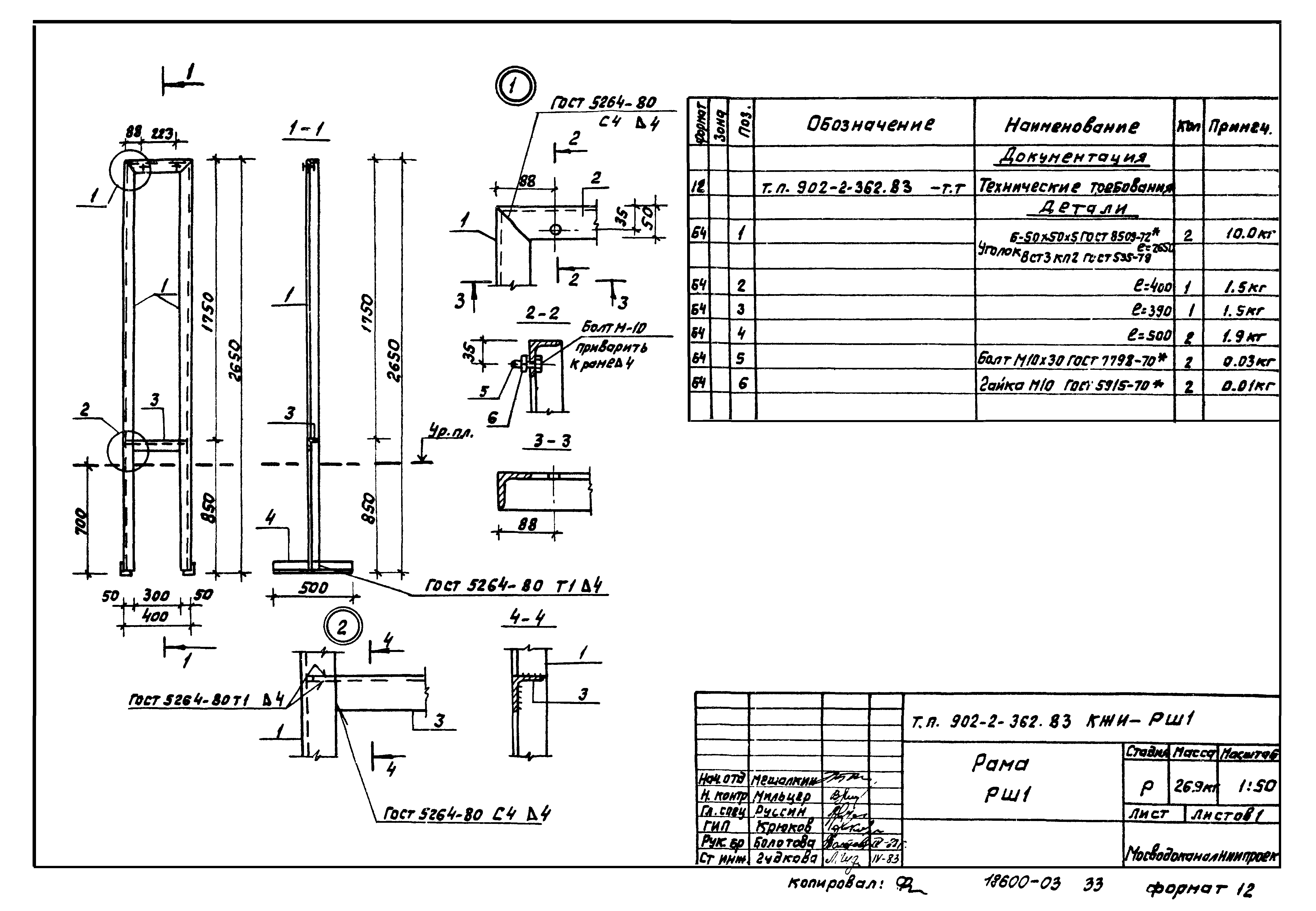
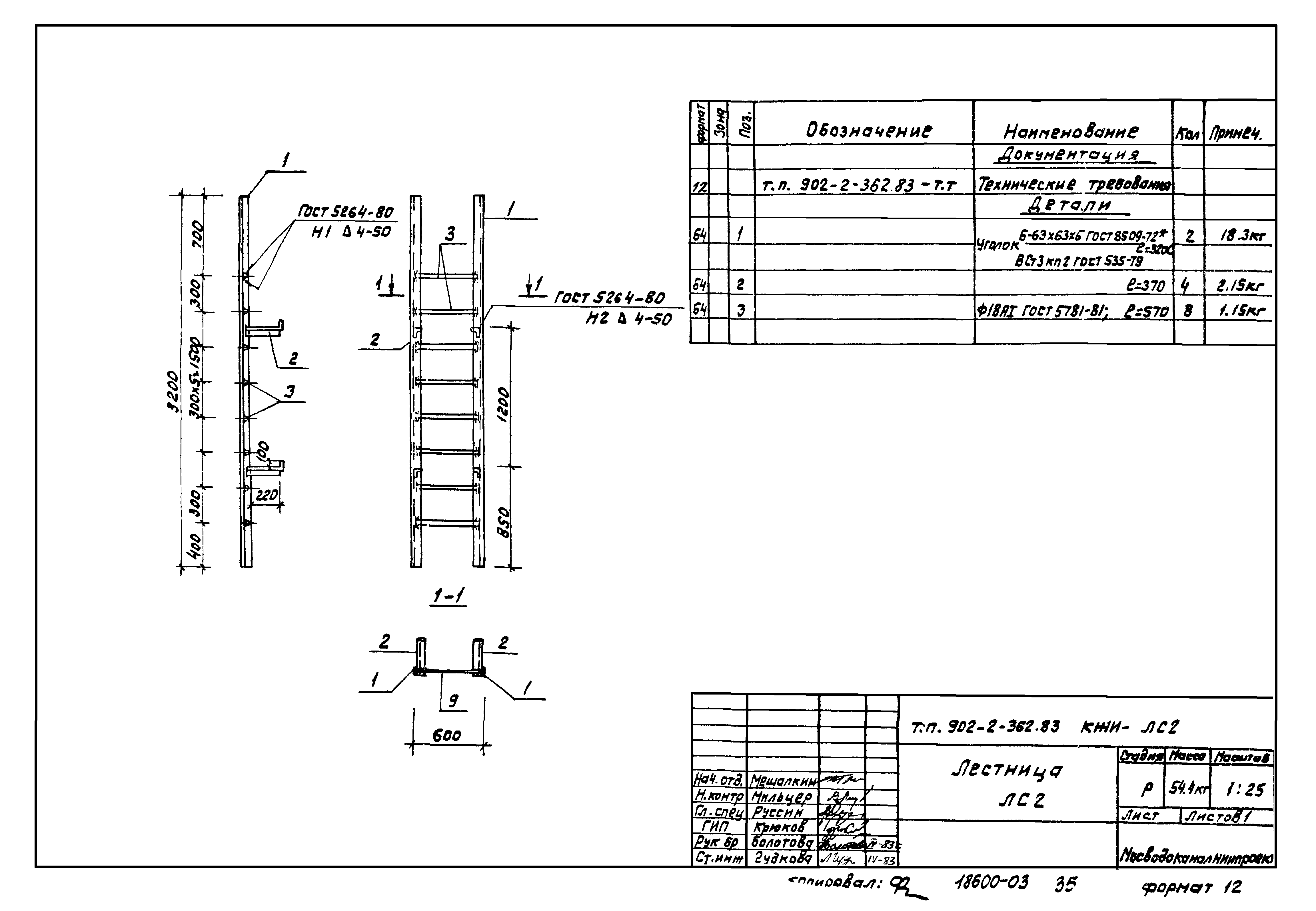
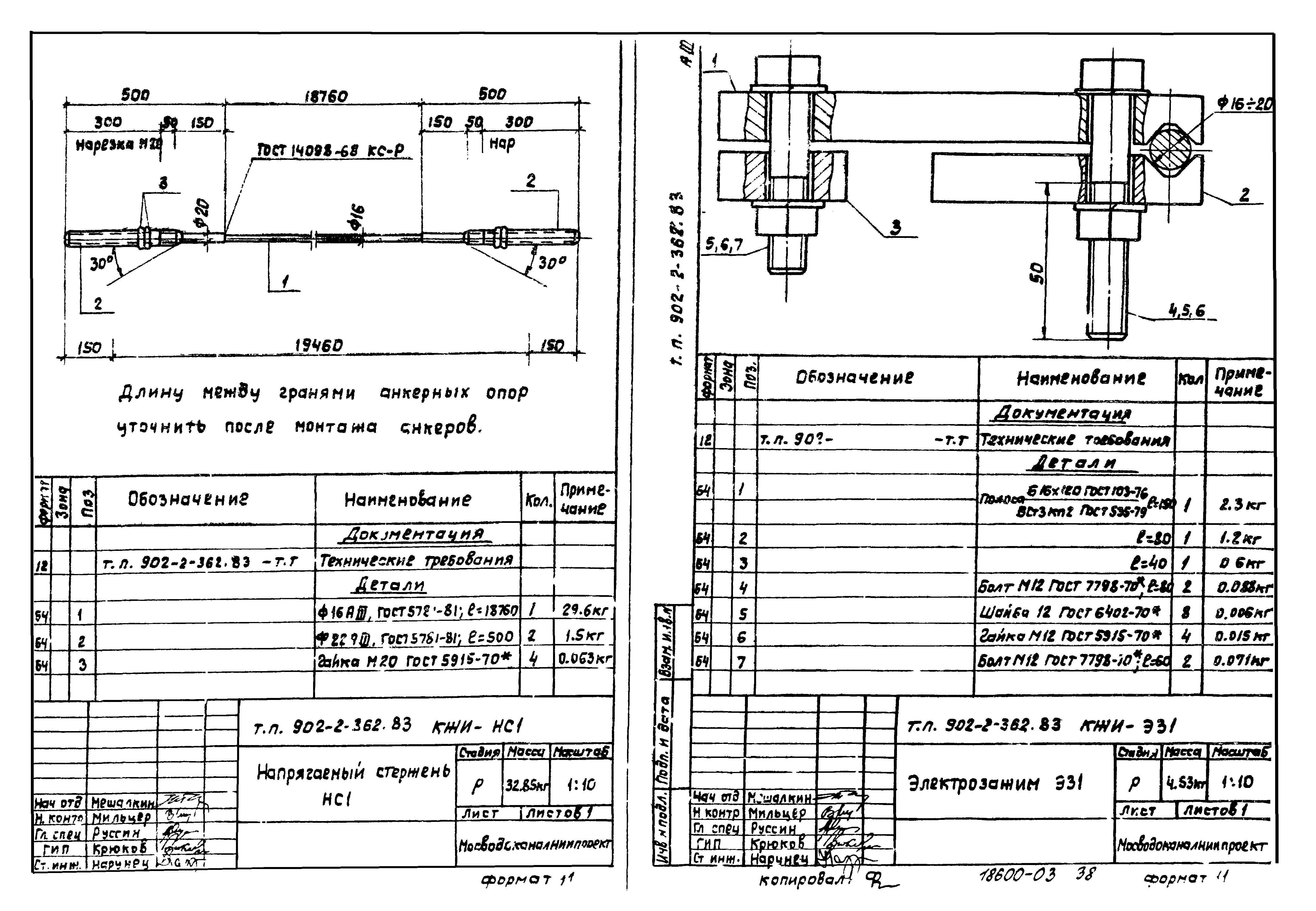
| Оглавление: | ТП 902-2-362.83-ТТ Технические требования ТП 902-2-362.83-ПСЦ2-36-1а/1 Панель стеновая ПСЦ2-36-1а/1 ТП 902-2-362.83-ПСЦ2-36-1а/19 Панель стеновая ПСЦ2-36-1а/19 ТП 902-2-362.83-ПСЦ2-36-1а/3 Панель стеновая ПСЦ2-36-1а/3 ТП 902-2-362.83-ПСЦ2-36-1а/37 Панель стеновая ПСЦ2-36-1а/37 ТП 902-2-362.83-ПС1-36-64а Панель стеновая ПС1-36-64а ТП 902-2-362.83-ЛО1 Лоток ЛО1 ТП 902-2-362.83-КР1 Каркас плоский КР1 ТП 902-2-362.83-КР11 Каркас плоский КР11 ТП 902-2-362.83-КР12 Каркас плоский КР12 ТП 902-2-362.83-С1 Сетка С1 ТП 902-2-362.83-С2 Сетка С2 ТП 902-2-362.83-С3 Сетка С3 ТП 902-2-362.83-С4 Сетка С4 ТП 902-2-362.83-С5 Сетка С5 ТП 902-2-362.83-С6 Сетка С6 ТП 902-2-362.83-М1-1 Изделие закладное М1-1 ТП 902-2-362.83-М1-2 Изделие закладное М1-2 ТП 902-2-362.83-М1-3 Изделие закладное М1-3 ТП 902-2-362.83-М2-1(2) Изделие закладное М2-1(2) ТП 902-2-362.83-М3-1 Изделие закладное М3-1 ТП 902-2-362.83-МН1 Изделие закладное МН1 ТП 902-2-362.83-МН2 Изделие закладное МН2 ТП 902-2-362.83-МН3 Изделие закладное МН3 ТП 902-2-362.83-МН4 Изделие закладное МН4 ТП 902-2-362.83-МН5 Изделие закладное МН5 ТП 902-2-362.83-МН6 Изделие закладное МН6 ТП 902-2-362.83-МН10 Изделие закладное МН10 ТП 902-2-362.83-МН11 Изделие закладное МН11 ТП 902-2-362.83-МН12 Изделие закладное МН12 ТП 902-2-362.83-КС1 Консоль КС1 ТП 902-2-362.83-КС2 Консоль КС2 ТП 902-2-362.83-Р1 Рама Р1 ТП 902-2-362.83-Р2 Рама Р2 ТП 902-2-362.83-РШ1 Рама РШ1 ТП 902-2-362.83-ЛС1 Лестница ЛС1 ТП 902-2-362.83-ЛС2 Лестница ЛС2 ТП 902-2-362.83-ОГ1 Ограждение ОГ1 ТП 902-2-362.83-ОГ2 Ограждение ОГ2 ТП 902-2-362.83-НС1 Напрягаемый стержень НС1 ТП 902-2-362.83-ЭЗ1 Электрозажим ЭЗ1 ТП 902-2-362.83-ЭЗ1 Электрозажим ЭЗ1 поз. 1 ТП 902-2-362.83-ЭЗ1 Электрозажим ЭЗ1 поз. 2 ТП 902-2-362.83-ЭЗ1 Электрозажим ЭЗ1 поз. 3 ТП 902-2-362.83-В1 Водослив В1 |
| Разработан: | МосводоканалНИИпроект |
| Утверждён: | 17.11.1982 МосводоканалНИИпроект (191) |








































