Скачать Типовой проект 125-045/1.2 Часть 01. Раздел 01-1. Архитектурно-строительные чертежи ниже отм. 0.000. Здание с техподпольем. Фундаменты свайныеДата актуализации: 01.01.2021
|
| Обозначение: | Типовой проект 125-045/1.2 |
| Обозначение англ: | 125-045/1.2 |
| Статус: | действует |
| Название рус.: | Часть 01. Раздел 01-1. Архитектурно-строительные чертежи ниже отм. 0.000. Здание с техподпольем. Фундаменты свайные |
| Дата добавления в базу: | 01.09.2013 |
| Дата актуализации: | 01.01.2021 |
| Дата введения: | 30.06.1984 |
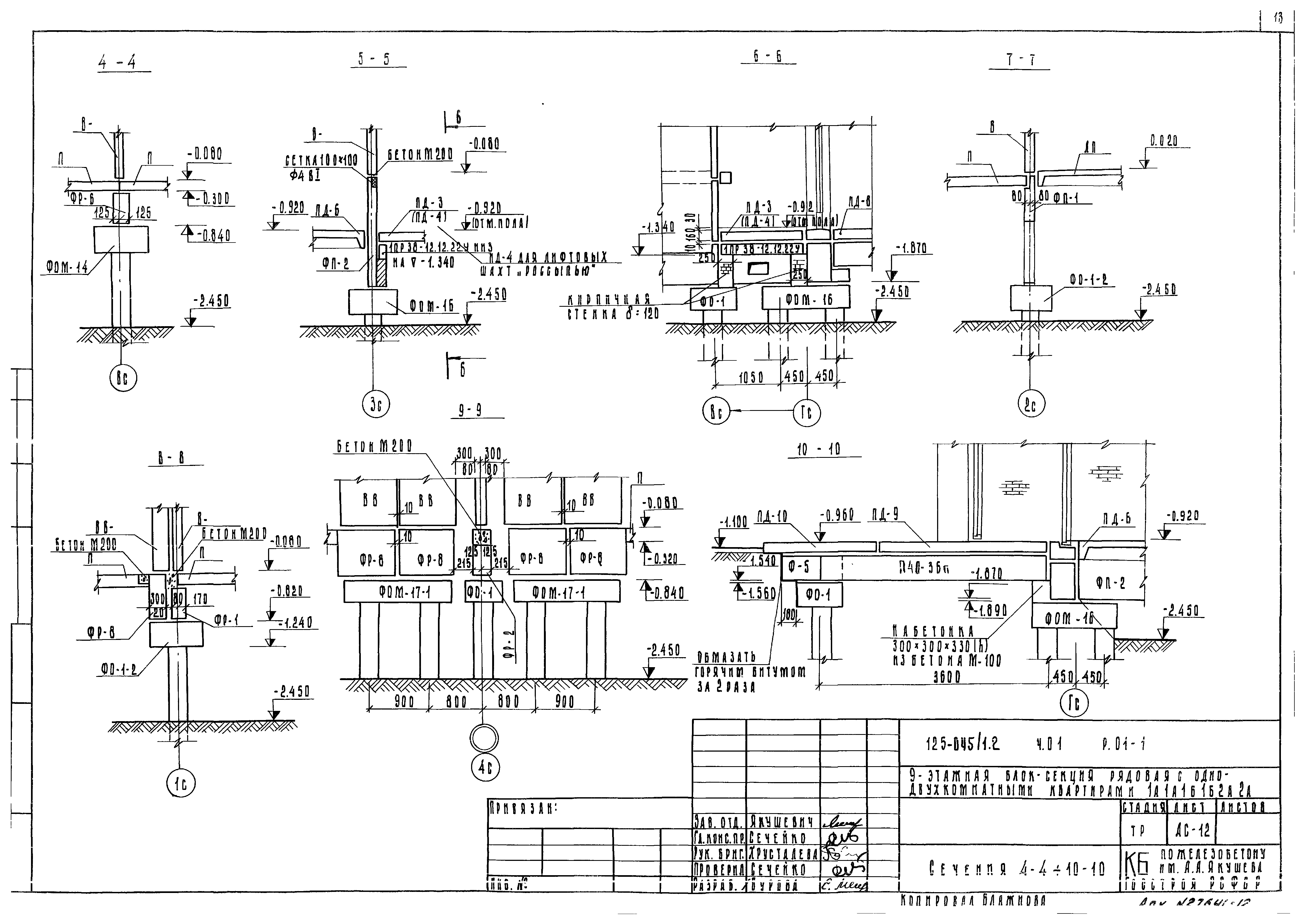
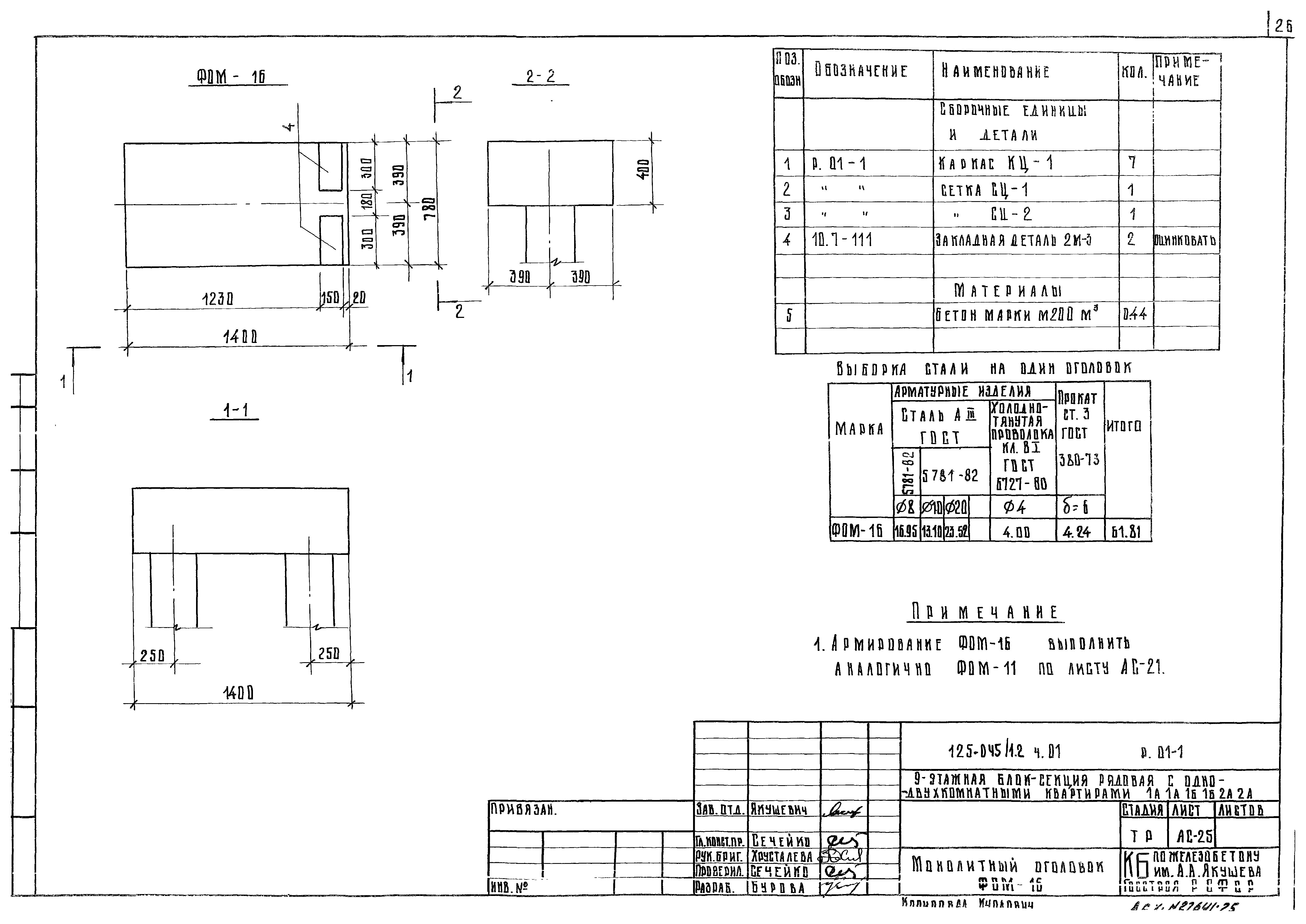
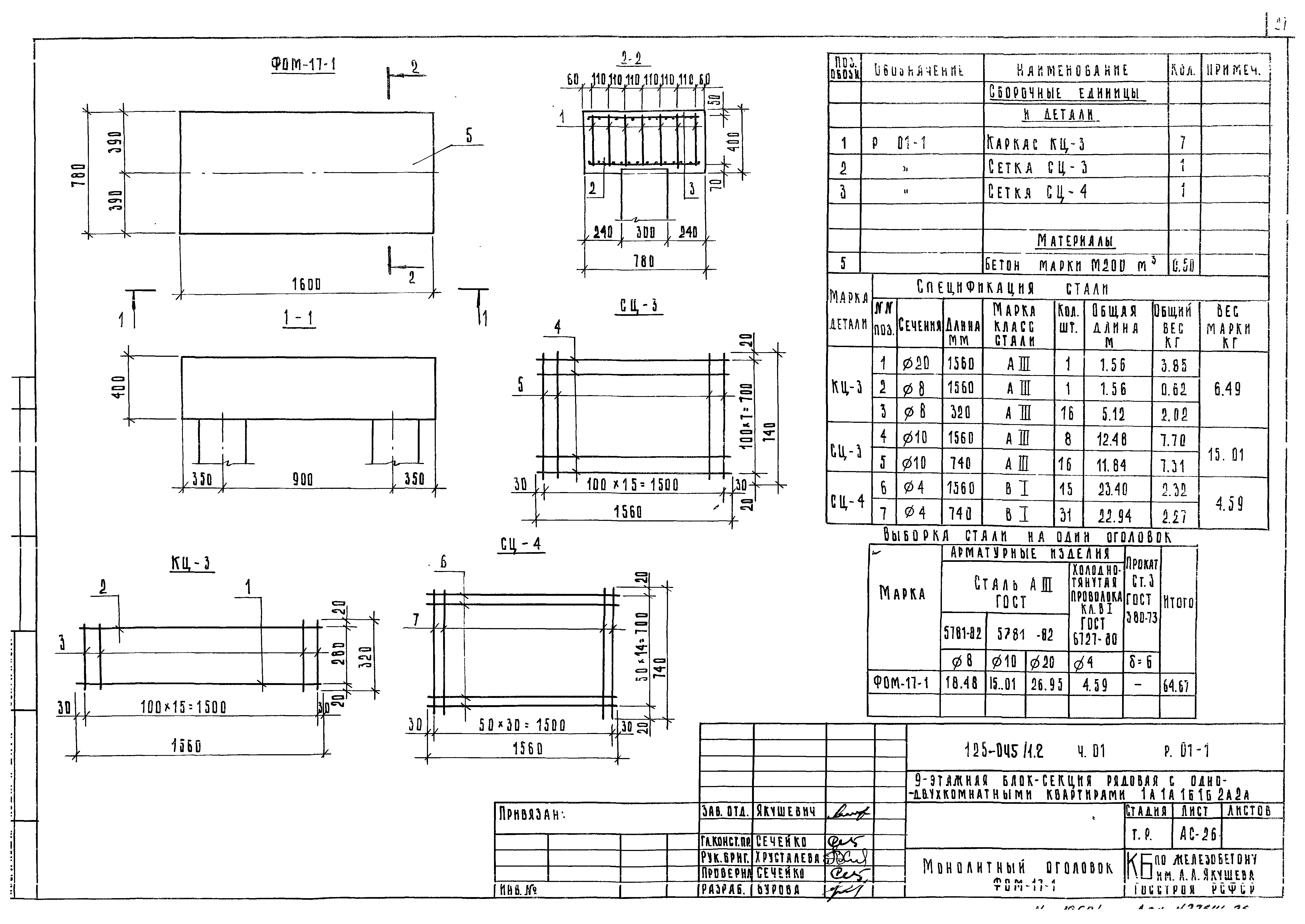
| Оглавление: | ТП 125-045/1.2-АС-1 Заглавный лист (начало) ТП 125-045/1.2-АС-2,АС-3 Заглавный лист (продолжение) ТП 125-045/1.2-АС-4 Заглавный лист (окончание). Схемы нагрузок ТП 125-045/1.2-АС-5 План техподполья ТП 125-045/1.2-АС-6 План свайного поля ТП 125-045/1.2-АС-7 Разрезы по свайному полю 1-1,2-2 ТП 125-045/1.2-АС-8 Монтажный план оголовков ТП 125-045/1.2-АС-9 Монтажный план ростверков и цокольных панелей ТП 125-045/1.2-АС-10 Монтажный план перекрытия над техподпольем ТП 125-045/1.2-АС-11 Разрезы 3-3,4-4 ТП 125-045/1.2-АС-12 Сечения 4-4÷10-10 ТП 125-045/1.2-АС-13 Сечения 11-11÷12-12 ТП 125-045/1.2-АС-14 Фрагмент входа тип "6д" ТП 125-045/1.2-АС-15 ЭБд-7. Монтажные планы ниже отм. 0.000 ТП 125-045/1.2-АС-16 ЭБд-8. Монтажные планы ниже отм. 0.000 ТП 125-045/1.2-АС-17 ЭБд-9. Монтажные планы ниже отм. ±0.000 ТП 125-045/1.2-АС-18 ЭБд-10. Монтажные планы ниже отм. ±0.000 ТП 125-045/1.2-АС-19 Разрезы 5-5÷6-6 ТП 125-045/1.2-АС-20 Сечения 13-13÷20-20 ТП 125-045/1.2-АС-21 Монолитный оголовок ФОМ-11 ТП 125-045/1.2-АС-22 Монолитный оголовок ФОМ-12 ТП 125-045/1.2-АС-23 Монолитный оголовок ФОМ-13 ТП 125-045/1.2-АС-24 Монолитный оголовок ФОМ-14 ТП 125-045/1.2-АС-25 Монолитный оголовок ФОМ-16 ТП 125-045/1.2-АС-26 Монолитный оголовок ФОМ-17 ТП 125-045/1.2-АС-27 Монолитный оголовок ФОМ-18 ТП 125-045/1.2-АС-28 Указания по производству работ |
| Разработан: | КБ по железобетону Госстроя РСФСР |
| Утверждён: | 21.06.1982 Госстрой РСФСР (Russian Federation Gosstroy 46) |





























