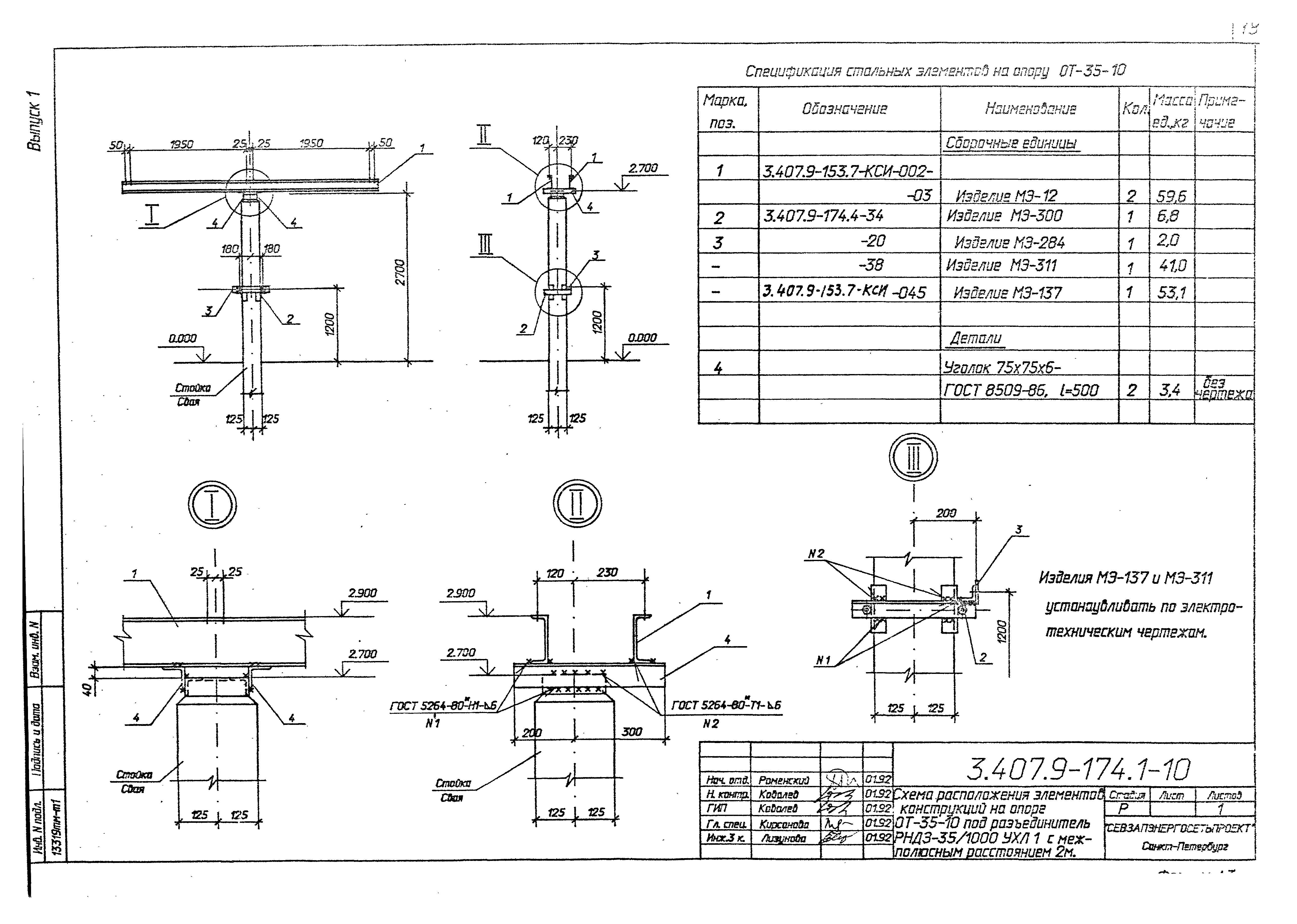
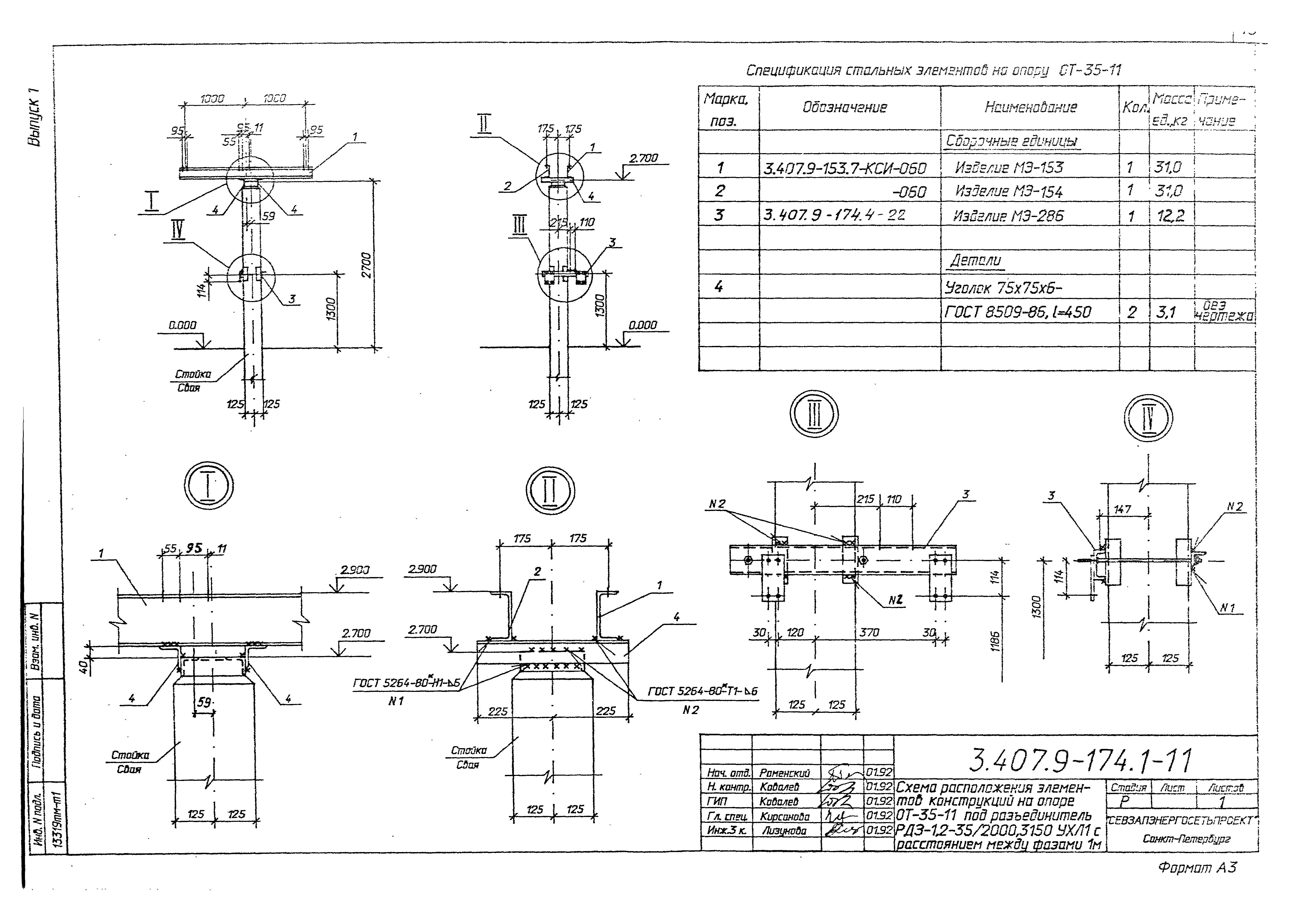
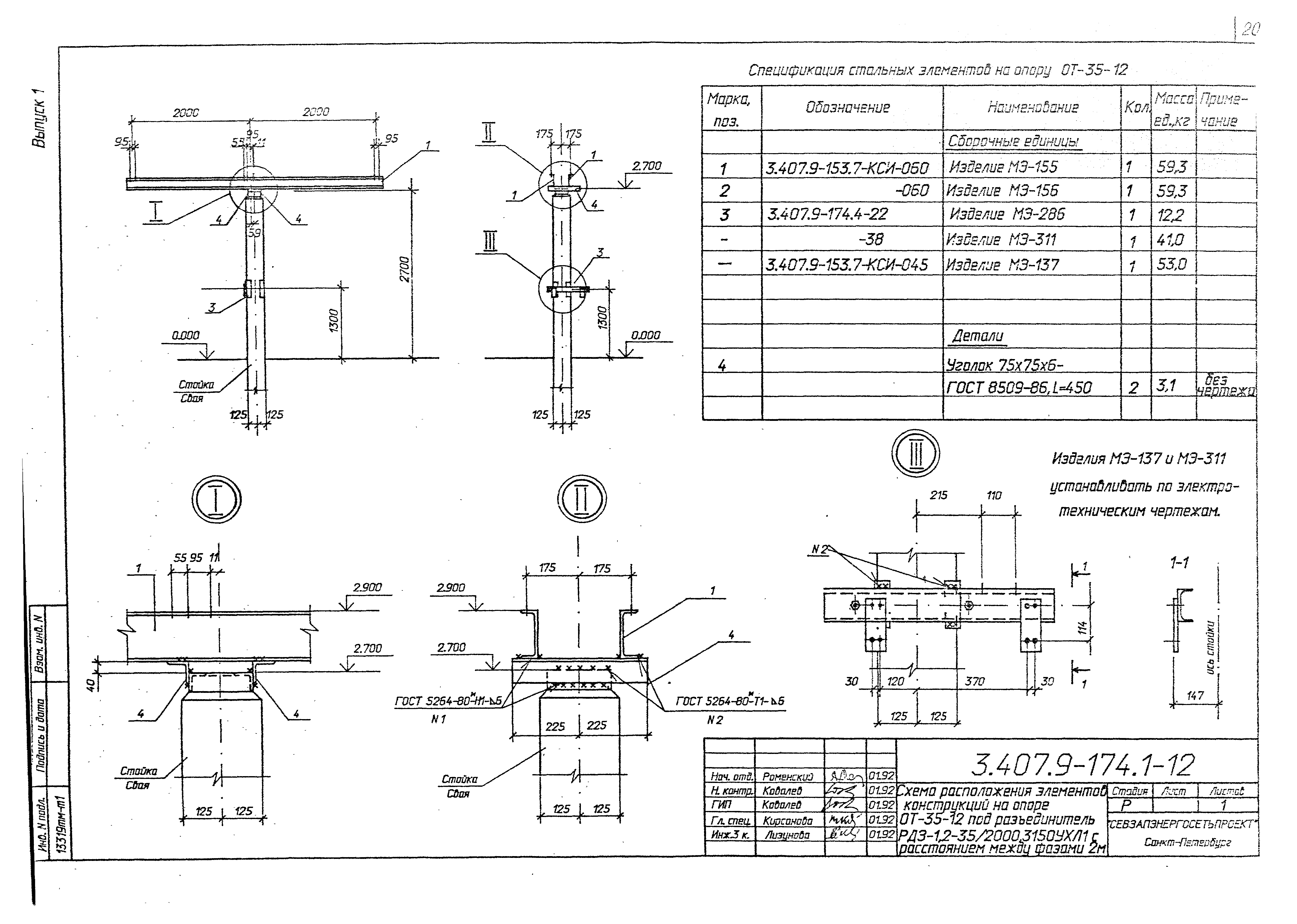
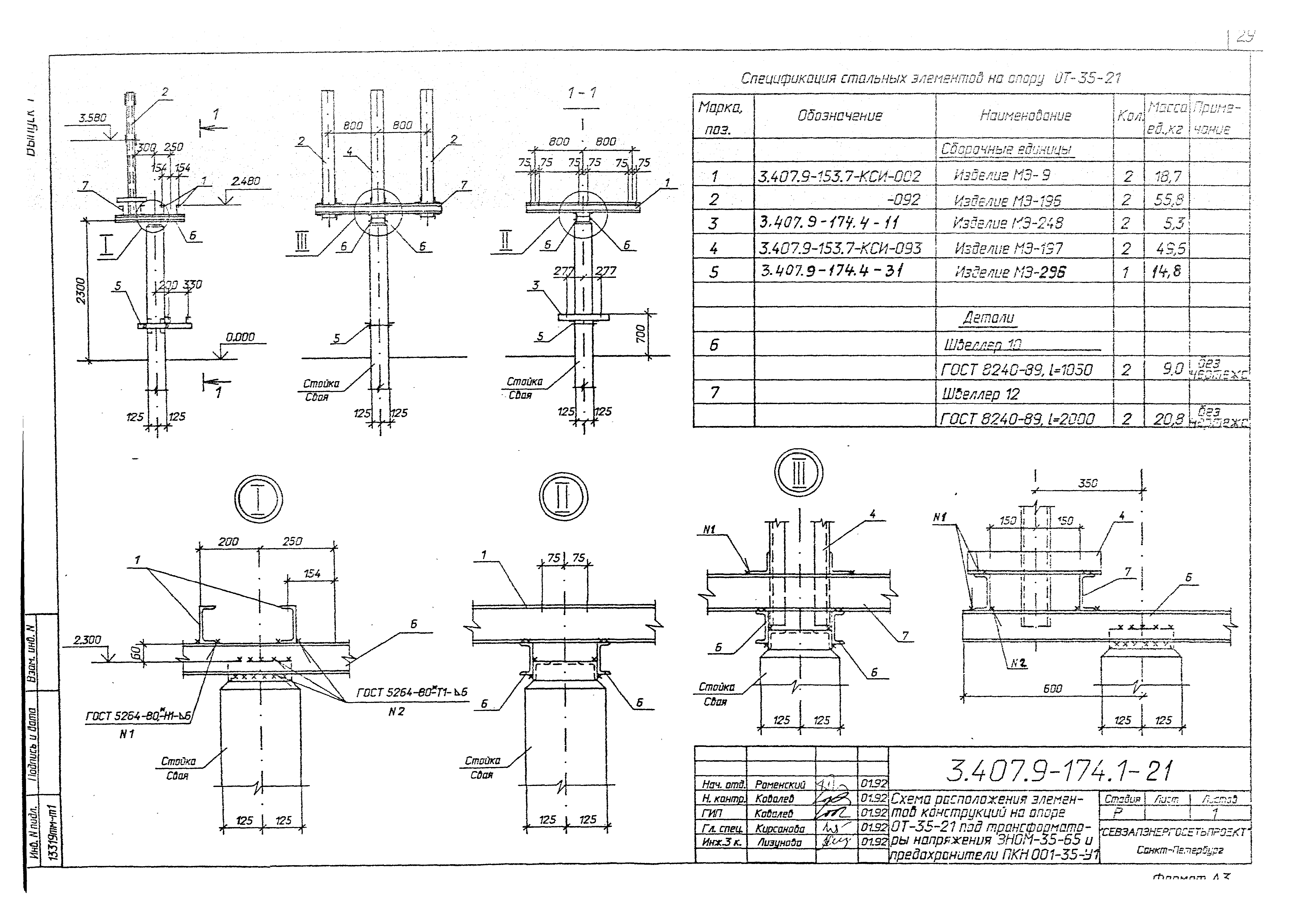
Скачать Серия 3.407.9-174 Выпуск 1. Опоры под оборудование ОРУ 35 кВ. Рабочие чертежиДата актуализации: 01.01.2021
|
| Обозначение: | Серия 3.407.9-174 |
| Обозначение англ: | Series 3.407.9-174 |
| Статус: | не определен законодательством |
| Название рус.: | Выпуск 1. Опоры под оборудование ОРУ 35 кВ. Рабочие чертежи |
| Дата добавления в базу: | 01.09.2013 |
| Дата актуализации: | 01.01.2021 |
| Дата введения: | 15.05.1992 |
| Дата окончания срока действия: | 30.06.2003 |
| Разработан: | Севзапэнергосетьпроект |
| Утверждён: | 15.05.1992 Севзапэнергосетьпроект (3) |
| Принят: | 15.05.1992 Минсктиппроект (3) |






































