Скачать Типовой проект 901-7-4.84 Альбом V. Электротехническая часть. Задание заводу-изготовителюДата актуализации: 01.01.2021
|
| Обозначение: | Типовой проект 901-7-4.84 |
| Обозначение англ: | 901-7-4.84 |
| Статус: | действует |
| Название рус.: | Альбом V. Электротехническая часть. Задание заводу-изготовителю |
| Дата добавления в базу: | 01.09.2013 |
| Дата актуализации: | 01.01.2021 |
| Дата введения: | 23.09.1983 |
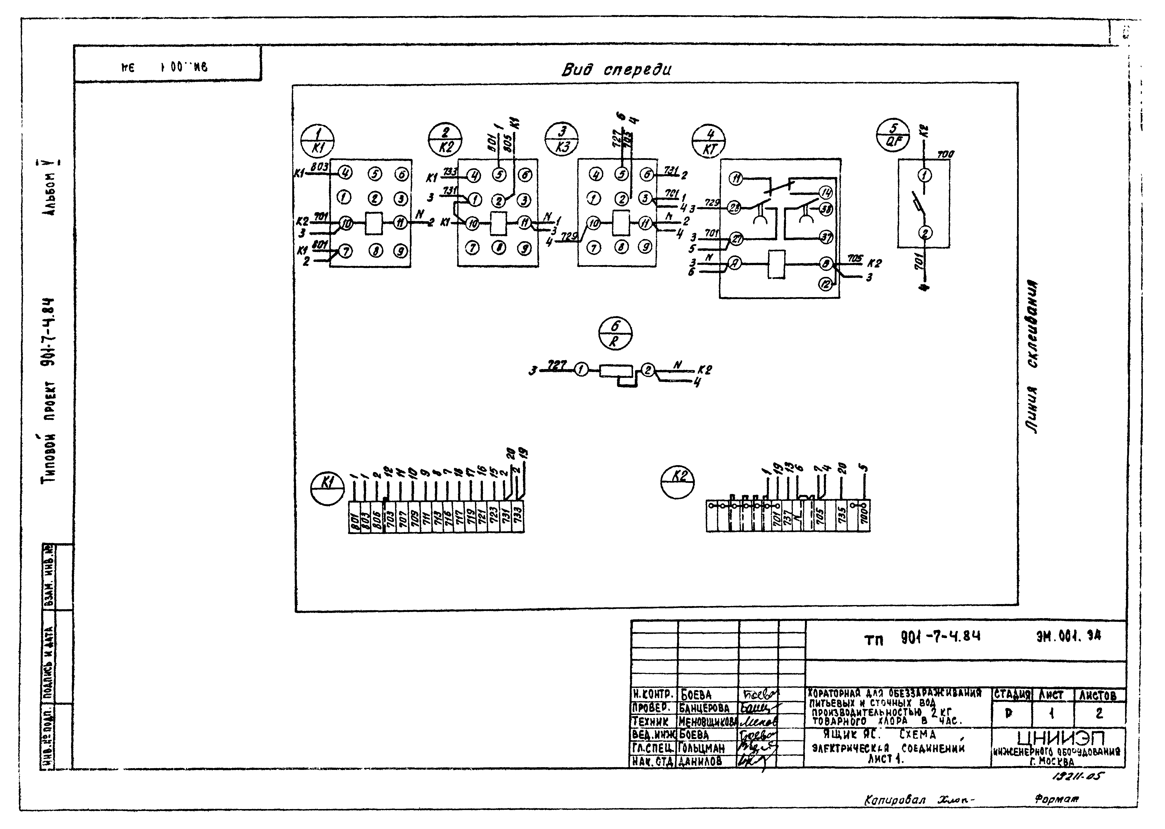
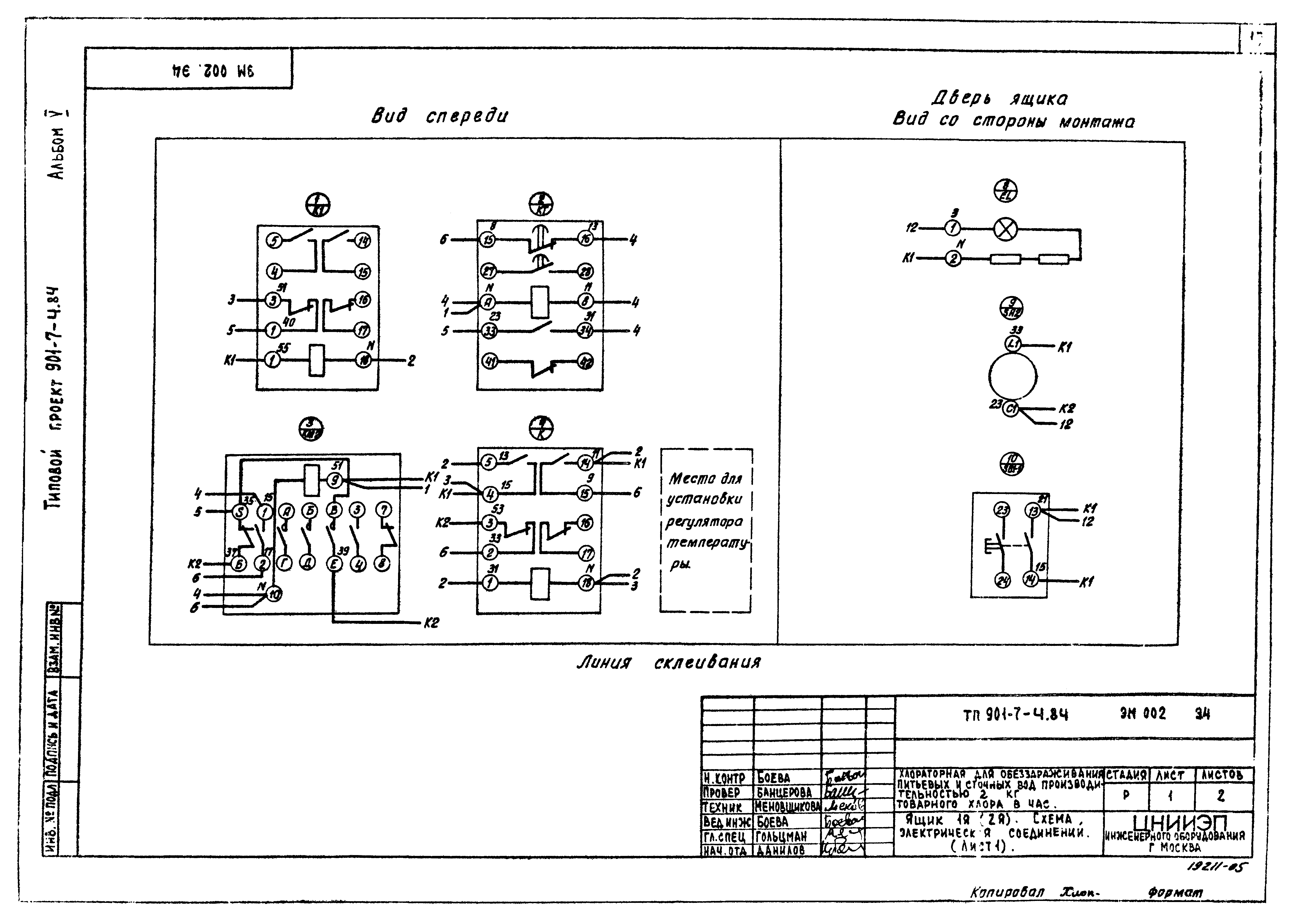
| Оглавление: | ЭМ.001.ВС Ящик ЯС. Технические данные аппаратов ЭМ.001.ТБ Ящик ЯС. Таблица перечня надписей ЭМ.001.ВО Ящик ЯС. Чертеж общего вида ЭМ.001.ВО Ящик ЭЧ. Схема электрическая соединений. Лист 1 ЭМ.001.ВО Ящик ЭЧ. Схема электрическая соединений. Лист 2 ЭМ.002.ВС Ящик ЯС. Технические данные аппаратов ЭМ.002.ТБ Ящик ЯС. Таблица перечня надписей ЭМ.002.ВО Ящик ЭЧ. Схема электрическая соединений. Лист 1 ЭМ.002.ВО Ящик ЭЧ. Схема электрическая соединений. Лист 2 |
| Разработан: | ЦНИИЭП |
| Утверждён: | 27.12.1979 Госгражданстрой (Gosgrazhdanstroy 279) |
| Заменяет собой: |












