Скачать Типовой проект 902-1-73.83 Альбом VI. Подземная часть. ИзделияДата актуализации: 01.01.2021
|
| Обозначение: | Типовой проект 902-1-73.83 |
| Обозначение англ: | 902-1-73.83 |
| Статус: | заменен |
| Название рус.: | Альбом VI. Подземная часть. Изделия |
| Дата добавления в базу: | 01.09.2013 |
| Дата актуализации: | 01.01.2021 |
| Дата введения: | 28.10.1983 |
| Дата окончания срока действия: | 01.11.1990 |
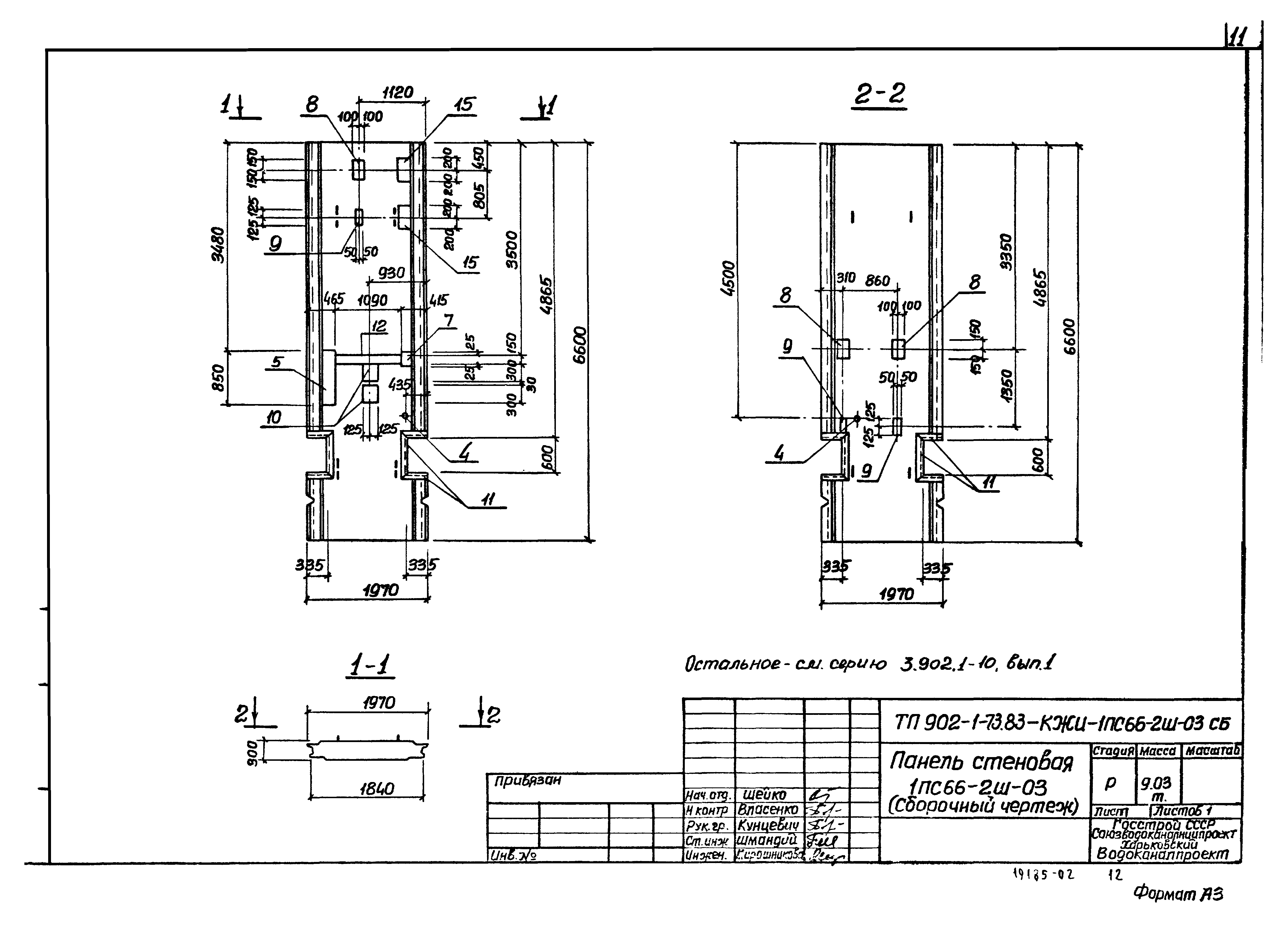
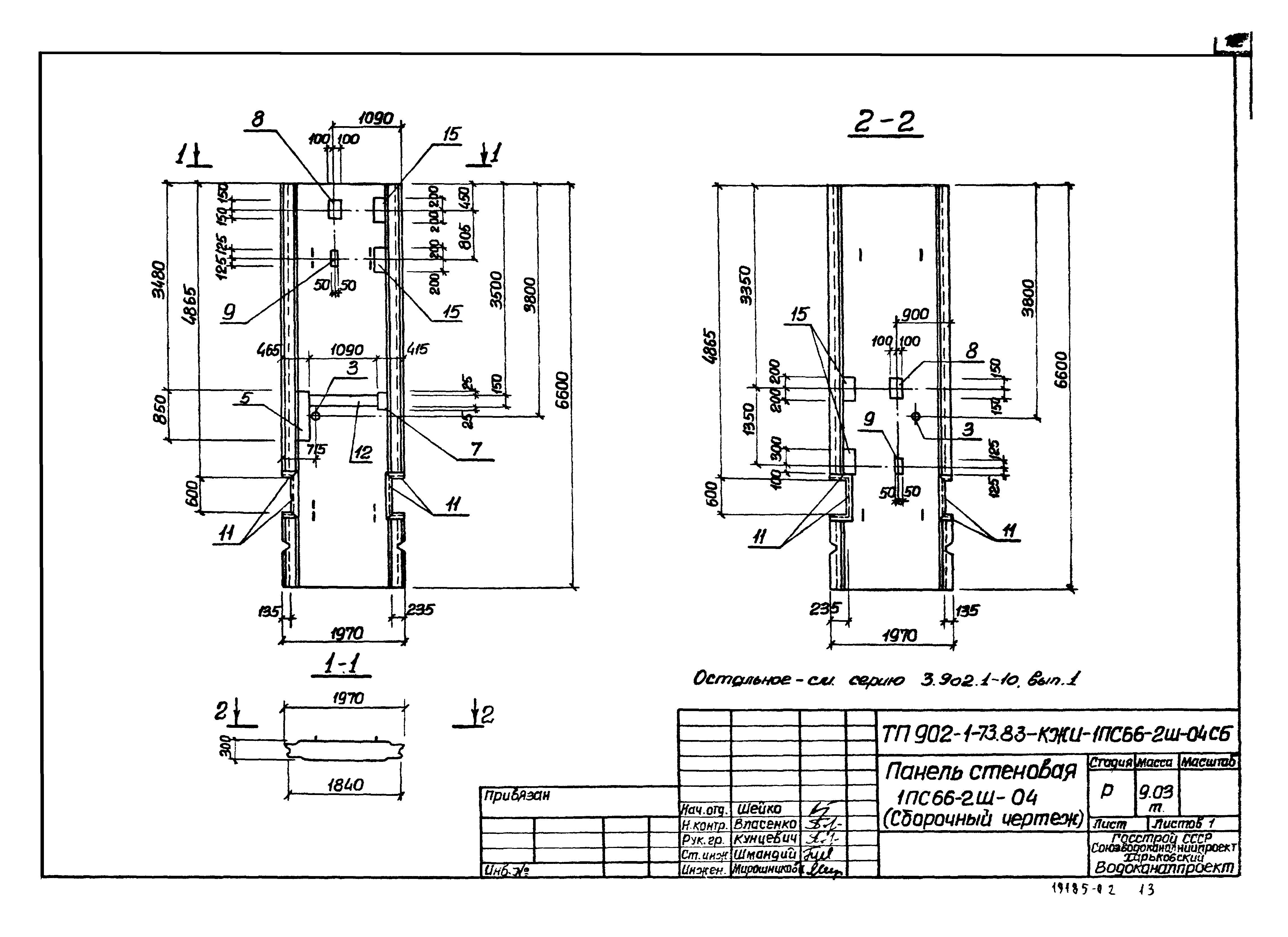
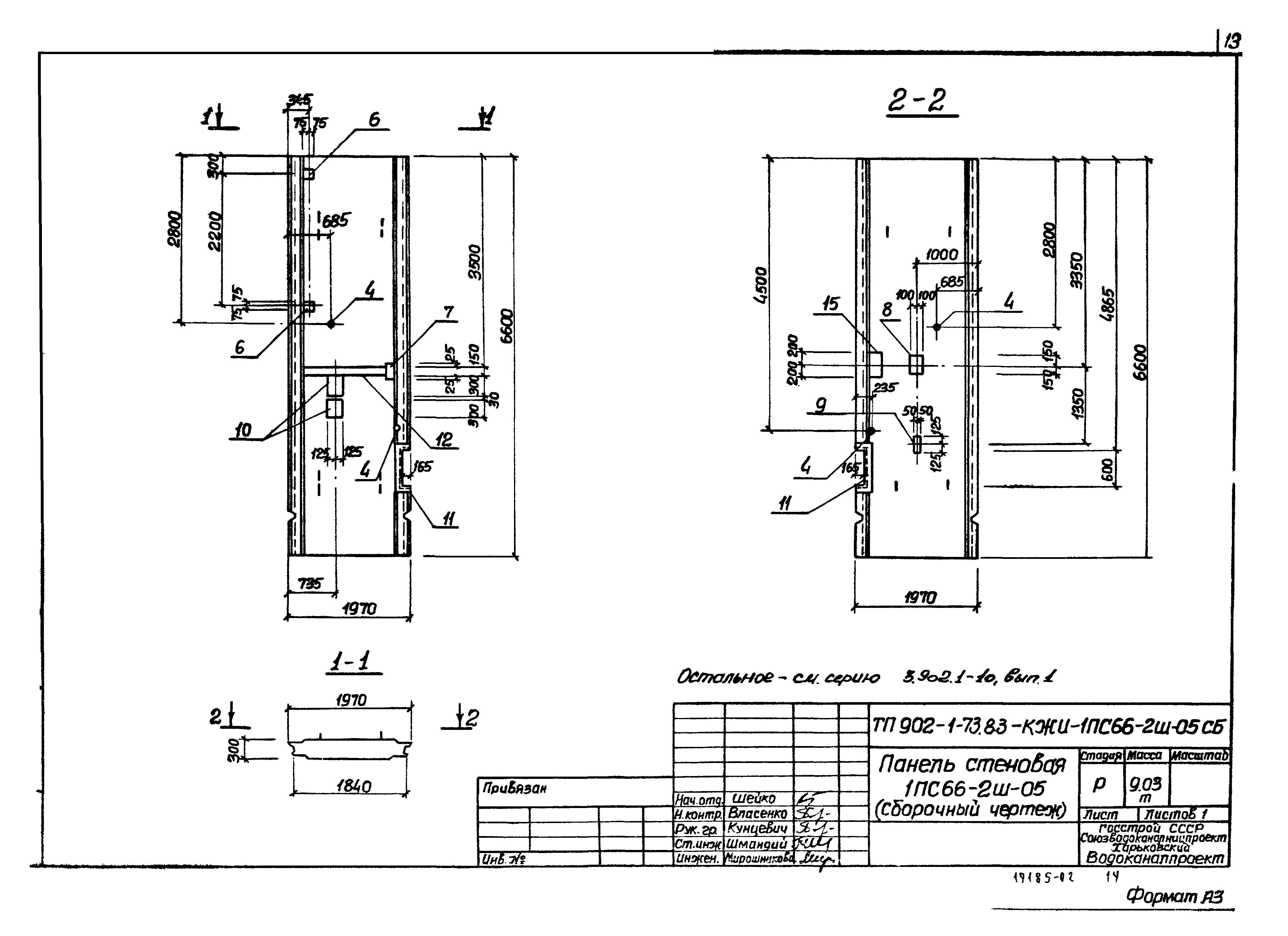
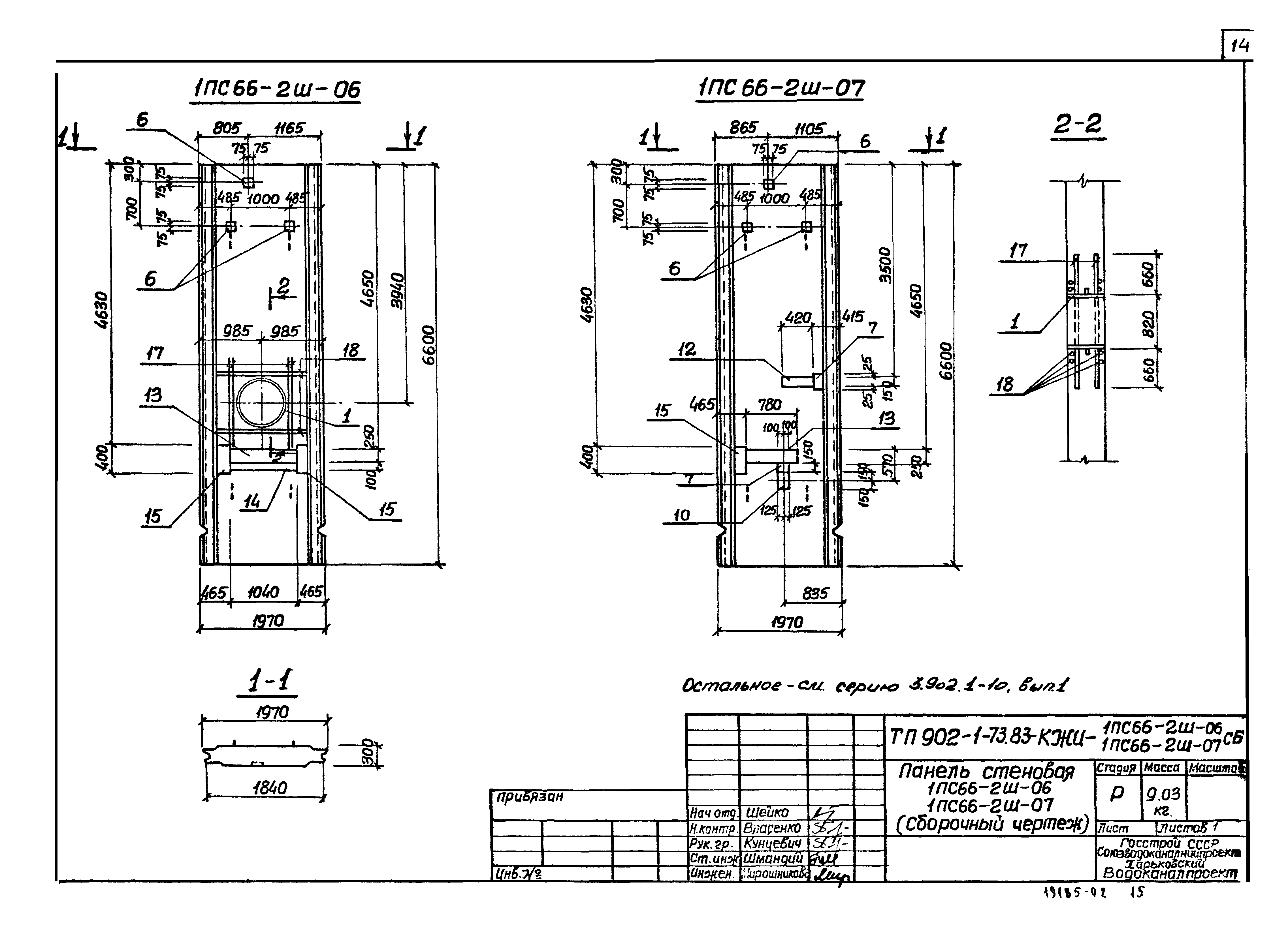
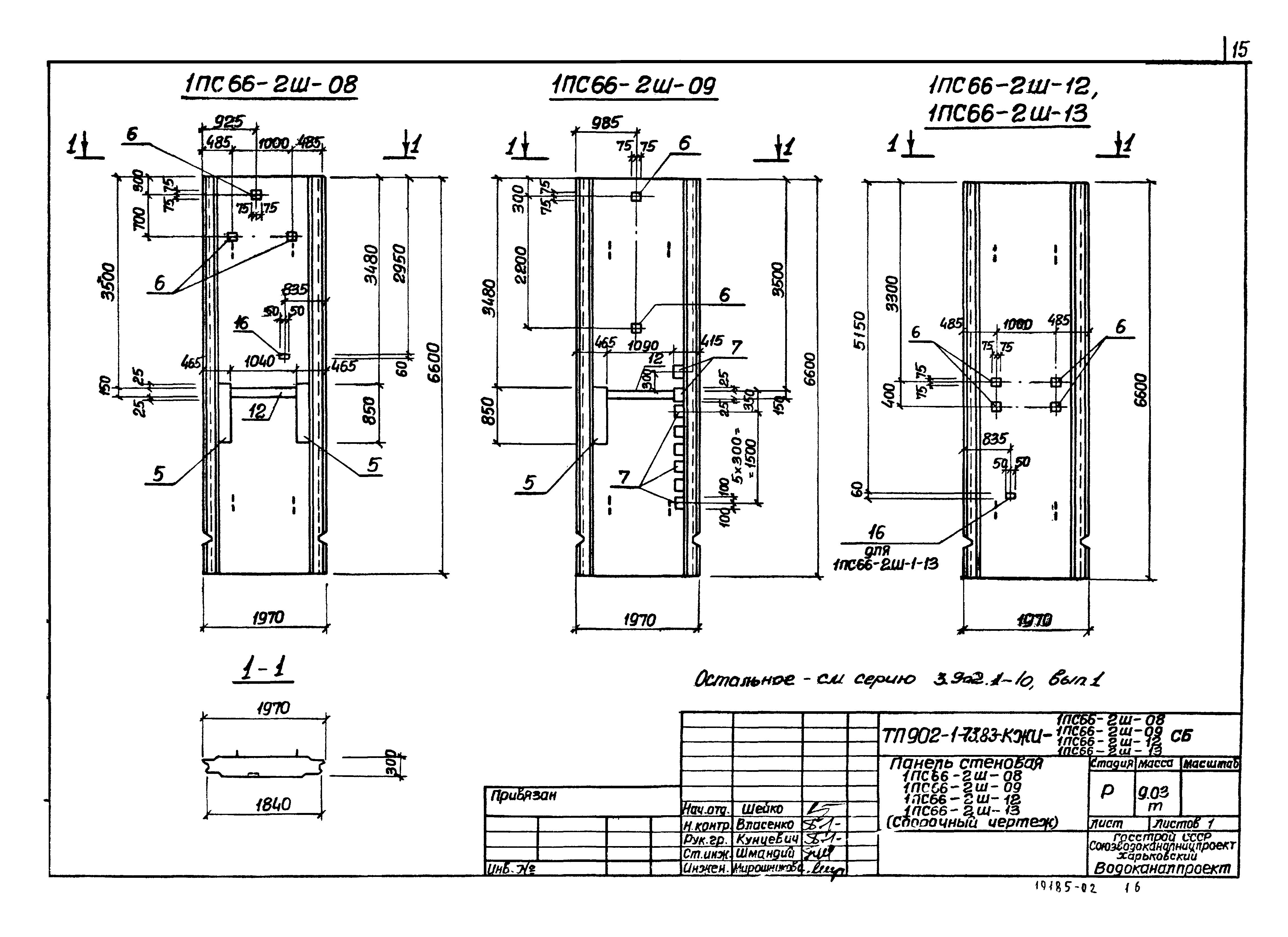
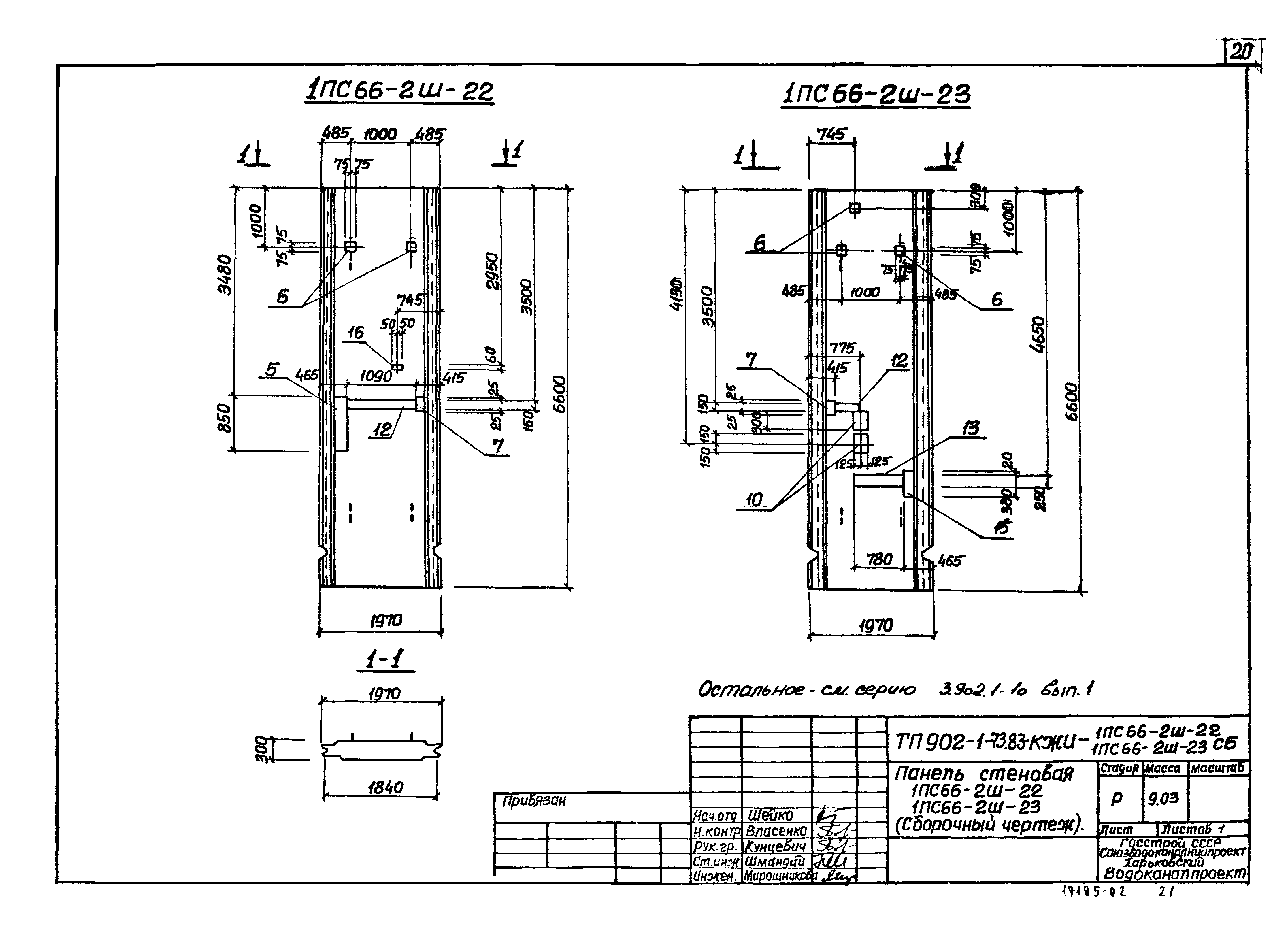
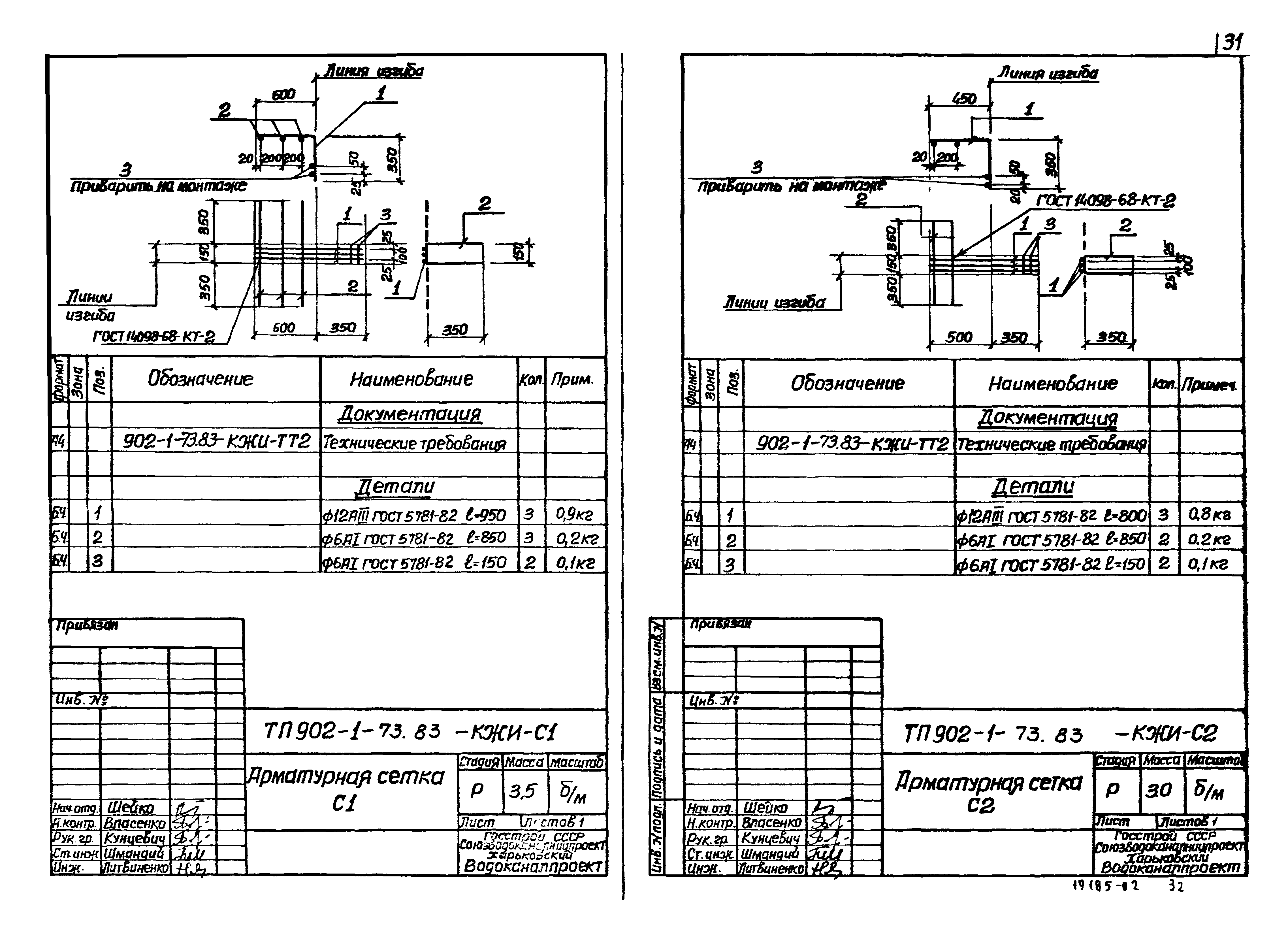
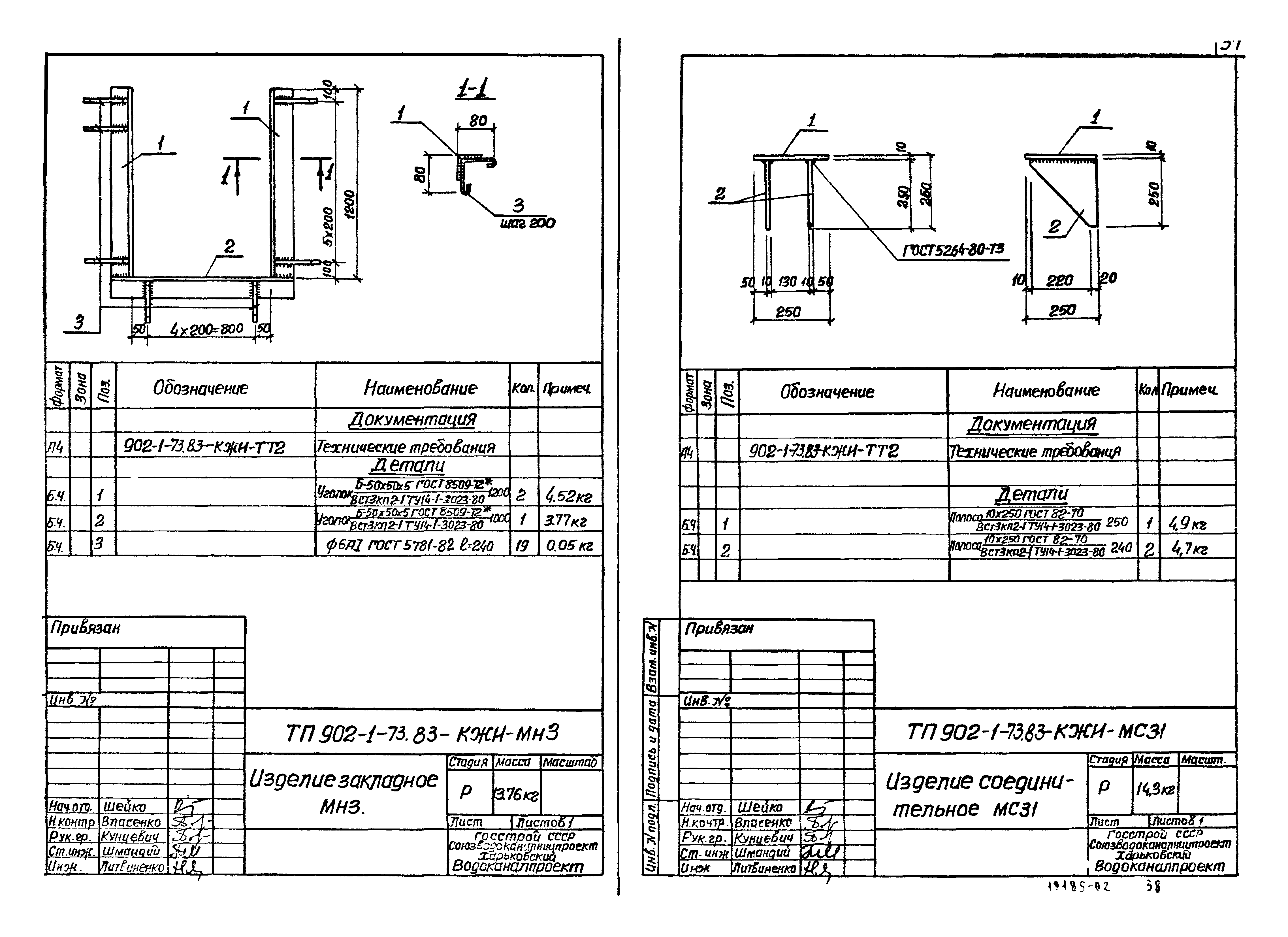
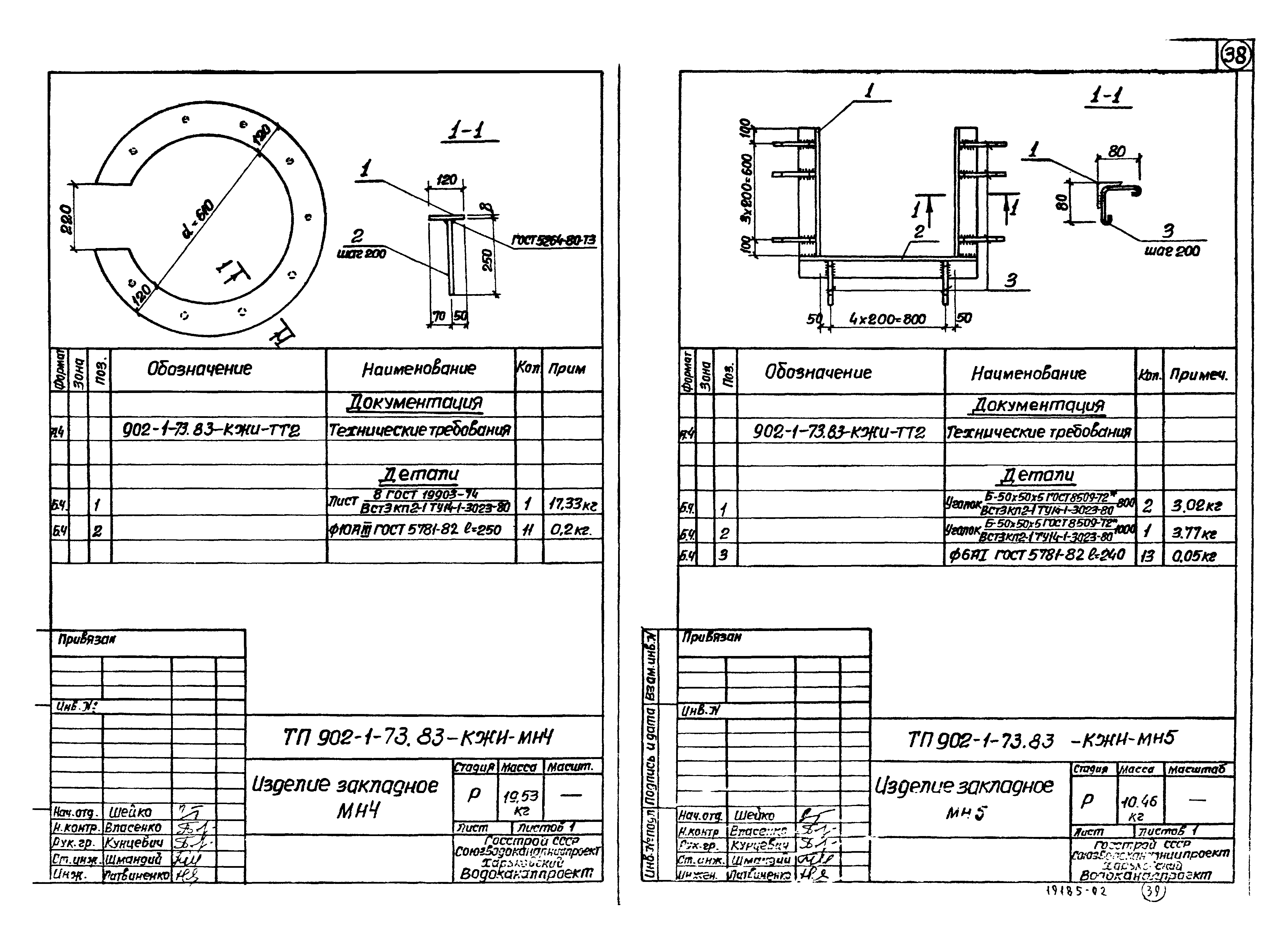
| Оглавление: | 902-1-73.83-КЖИ-ДО Содержание листов выпуска 902-1-73.83-КЖИ-ТТ1 Технические требования к изготовлению сборных железобетонных изделий 902-1-73.83-КЖИ-ТТ2 Технические требования к изготовлению арматурных и закладных изделий 902-1-73.83-КЖИ-1ПС66-2Ш-01-1ПС66-2Ш-23 Панель стеновая 1ПС66-2Ш-01-1ПС66-2Ш-23 902-1-73.83-КЖИ-1ПС66-2Ш-01 СБ Панель стеновая 1ПС66-2Ш-01. Сборочный чертеж 902-1-73.83-КЖИ-1ПС66-2Ш-02 СБ Панель стеновая 1ПС66-2Ш-02. Сборочный чертеж 902-1-73.83-КЖИ-1ПС66-2Ш-03 СБ Панель стеновая 1ПС66-2Ш-03. Сборочный чертеж 902-1-73.83-КЖИ-1ПС66-2Ш-04 СБ Панель стеновая 1ПС66-2Ш-04. Сборочный чертеж 902-1-73.83-КЖИ-1ПС66-2Ш-05 СБ Панель стеновая 1ПС66-2Ш-05. Сборочный чертеж 902-1-73.83-КЖИ-1ПС66-2Ш-06,1ПС66-2Ш-07 СБ Панель стеновая 1ПС66-2Ш-06,1ПС66-2Ш-07. Сборочный чертеж 902-1-73.83-КЖИ-1ПС66-2Ш-08,1ПС66-2Ш-09,1ПС66-2Ш-12,1ПС66-2Ш-13 СБ Панель стеновая 1ПС66-2Ш-08,1ПС66-2Ш-09,1ПС66-2Ш-12,1ПС66-2Ш-13. Сборочный чертеж 902-1-73.83-КЖИ-1ПС66-2Ш-10,1ПС66-2Ш-20 СБ Панель стеновая 1ПС66-2Ш-10,1ПС66-2Ш-20. Сборочный чертеж 902-1-73.83-КЖИ-1ПС66-2Ш-11,1ПС66-2Ш-19 СБ Панель стеновая 1ПС66-2Ш-11,1ПС66-2Ш-19. Сборочный чертеж 902-1-73.83-КЖИ-1ПС66-2Ш-14,1ПС66-2Ш-15,1ПС66-2Ш-16 СБ Панель стеновая 1ПС66-2Ш-14,1ПС66-2Ш-15,1ПС66-2Ш-16. Сборочный чертеж 902-1-73.83-КЖИ-1ПС66-2Ш-17,1ПС66-2Ш-18,1ПС66-2Ш-21 СБ Панель стеновая 1ПС66-2Ш-17,1ПС66-2Ш-18,1ПС66-2Ш-21. Сборочный чертеж 902-1-73.83-КЖИ-1ПС66-2Ш-22,1ПС66-2Ш-23 СБ Панель стеновая 1ПС66-2Ш-22,1ПС66-2Ш-23. Сборочный чертеж 902-1-73.83-КЖИ-ВМС Ведомость расхода стали 902-1-73.83-КЖИ-КР1 Каркас плоский КР1 902-1-73.83-КЖИ-КР2 Каркас плоский КР2 902-1-73.83-КЖИ-КР3 Каркас плоский КР3 902-1-73.83-КЖИ-КР4 Каркас плоский КР4 902-1-73.83-КЖИ-КР5 Каркас плоский КР5 902-1-73.83-КЖИ-КР6 Каркас плоский КР6 902-1-73.83-КЖИ-КР7 Каркас плоский КР7 902-1-73.83-КЖИ-КР8 Каркас плоский КР8 902-1-73.83-КЖИ-КР9 Каркас плоский КР9 902-1-73.83-КЖИ-КР10 Каркас плоский КР10 902-1-73.83-КЖИ-КР11 Каркас плоский КР11 902-1-73.83-КЖИ-КР14 Каркас плоский КР14 902-1-73.83-КЖИ-КР12 Каркас плоский КР12 902-1-73.83-КЖИ-КР13 Каркас плоский КР13 902-1-73.83-КЖИ-С1 Сетка арматурная С1 902-1-73.83-КЖИ-С2 Сетка арматурная С2 902-1-73.83-КЖИ-С3 Сетка арматурная С3 902-1-73.83-КЖИ-МС9 Изделие соединительное МС9 902-1-73.83-КЖИ-МС1,МС2,МС3,МС4 Изделие соединительное МС1,МС2,МС3,МС4 902-1-73.83-КЖИ-МС1,МС2,МС3,МС4 СБ Изделие соединительное МС1,МС2,МС3,МС4. Сборочный чертеж 902-1-73.83-КЖИ-МС5,МС6,МС7,МС8 СБ Изделие соединительное МС5,МС6,МС7,МС8. Сборочный чертеж 902-1-73.83-КЖИ-МС5,МС6,МС7,МС8 Изделие соединительное МС5,МС6,МС7,МС9 902-1-73.83-КЖИ-МС10 Изделие соединительное МС10 902-1-73.83-КЖИ-МС11 Изделие соединительное МС11 902-1-73.83-КЖИ-МН1 Изделие закладное МН1 902-1-73.83-КЖИ-МН2 Изделие закладное МН2 902-1-73.83-КЖИ-МН3 Изделие закладное МН3 902-1-73.83-КЖИ-МС31 Изделие соединительное МС31 902-1-73.83-КЖИ-МН4 Изделие закладное МН4 902-1-73.83-КЖИ-МН5 Изделие закладное МН5 |
| Разработан: | Харьковский Водоканалпроект |
| Утверждён: | 27.06.1983 СоюзводоканалНИИпроект (SoyuzvodokanalNIIproject 32) |
| Чем заменён: |







































