Скачать Серия ИИ-04-2 Выпуск 5. Колонны каркаса сечением 40х40 см для зданий с высотой этажа 4,2 м. Опалубка и армирование. Рабочие чертежиДата актуализации: 01.01.2021
|
| Обозначение: | Серия ИИ-04-2 |
| Обозначение англ: | Series ИИ-04-2 |
| Статус: | не действует |
| Название рус.: | Выпуск 5. Колонны каркаса сечением 40х40 см для зданий с высотой этажа 4,2 м. Опалубка и армирование. Рабочие чертежи |
| Дата добавления в базу: | 01.09.2013 |
| Дата актуализации: | 01.01.2021 |
| Дата окончания срока действия: | 01.04.1982 |
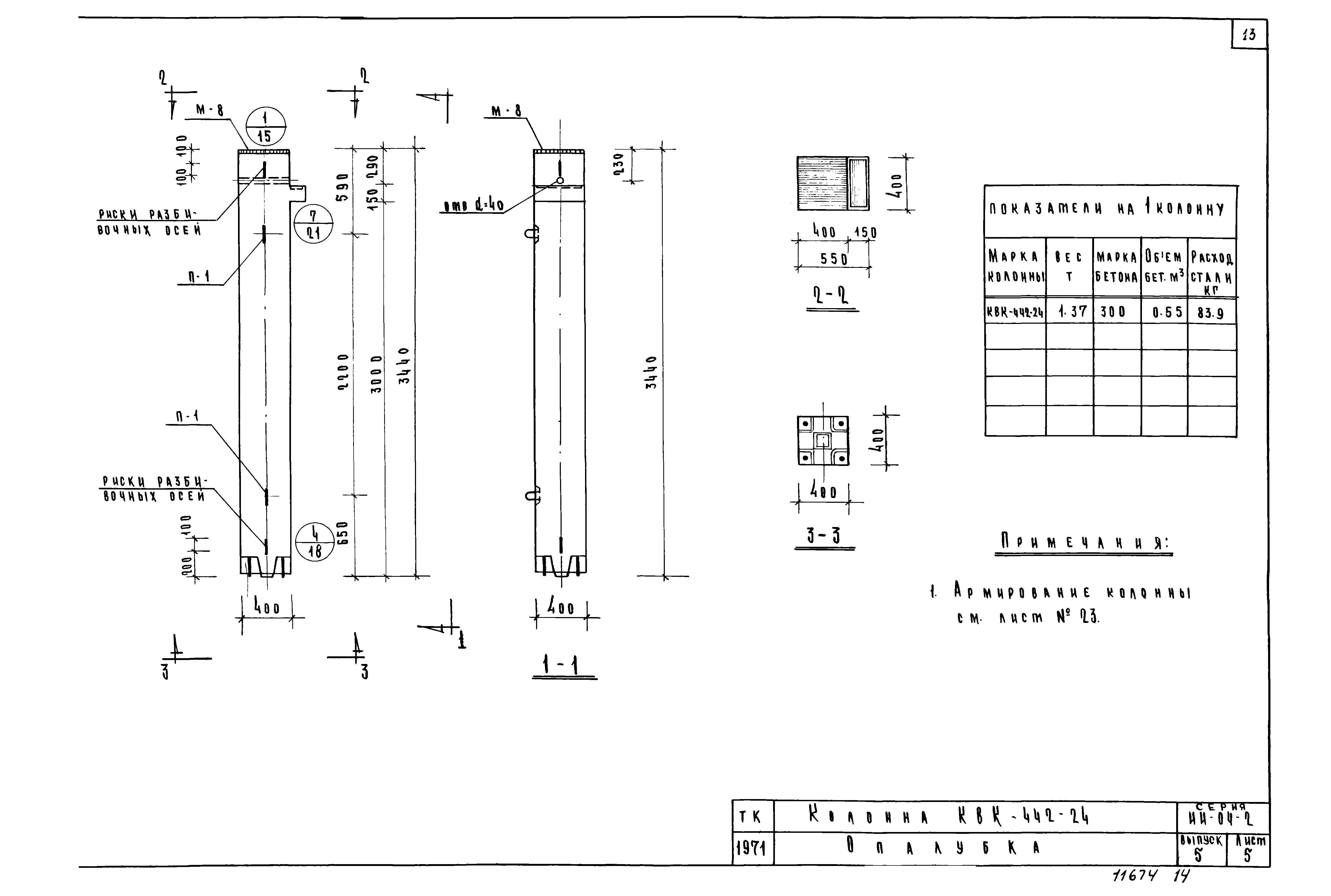
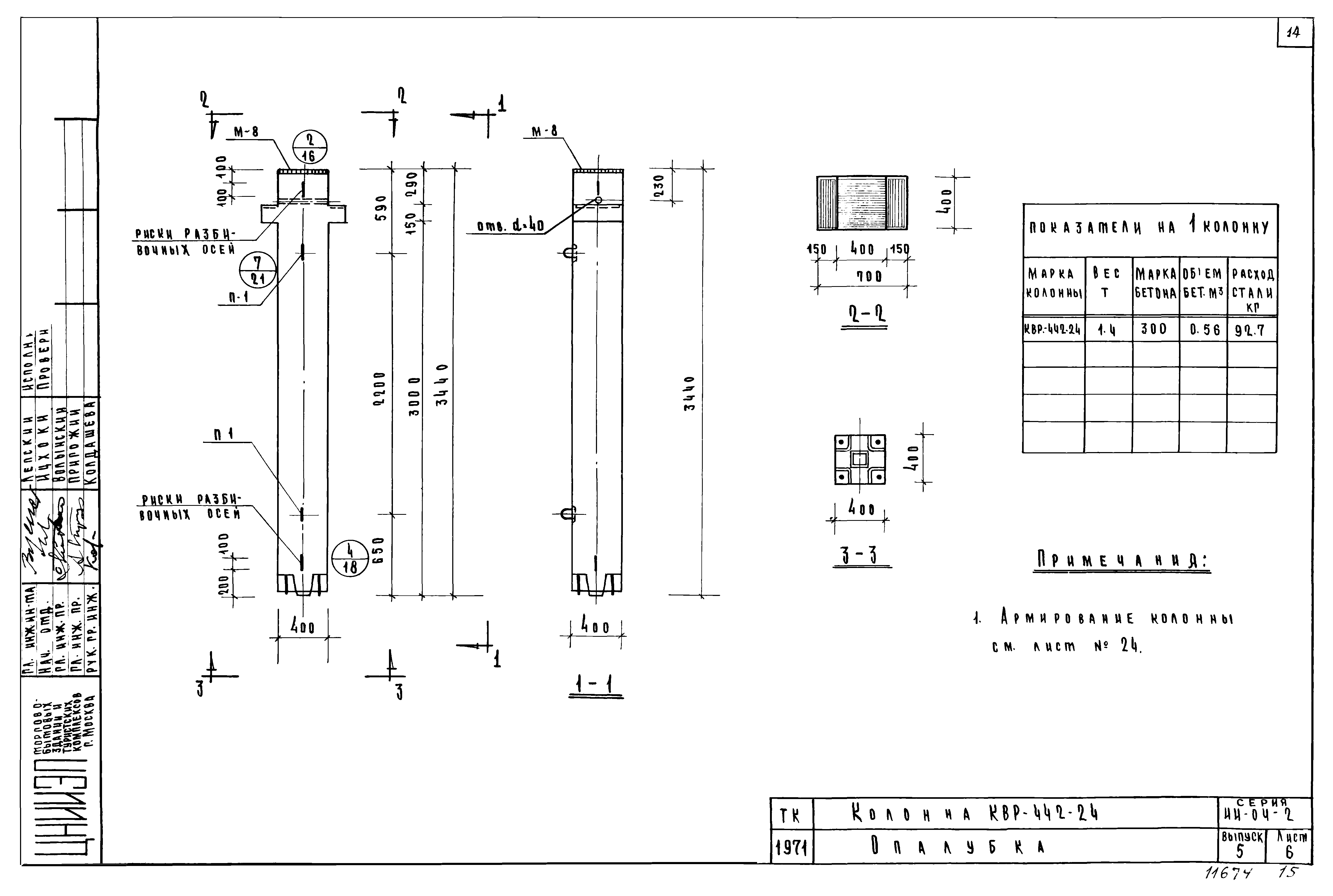
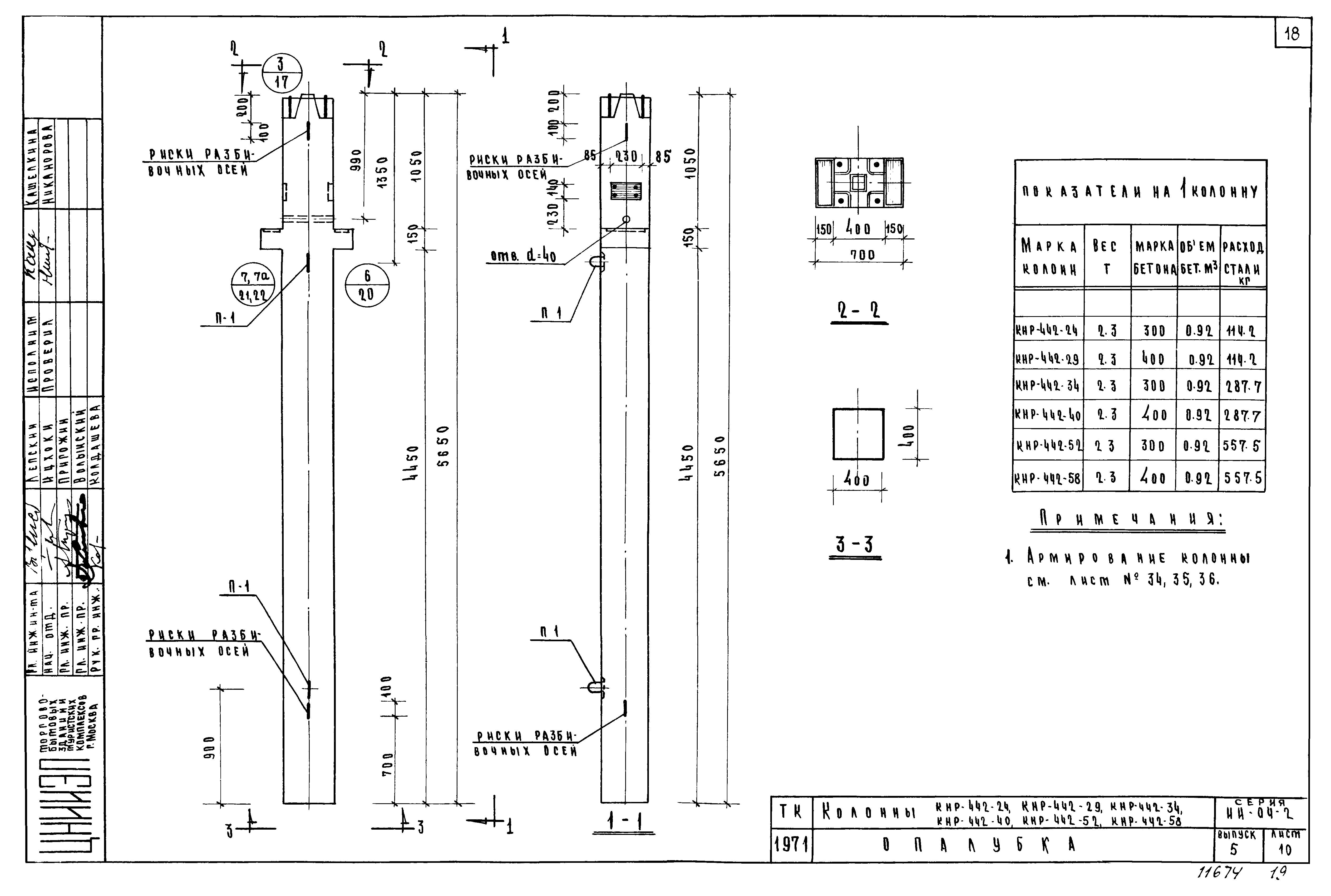
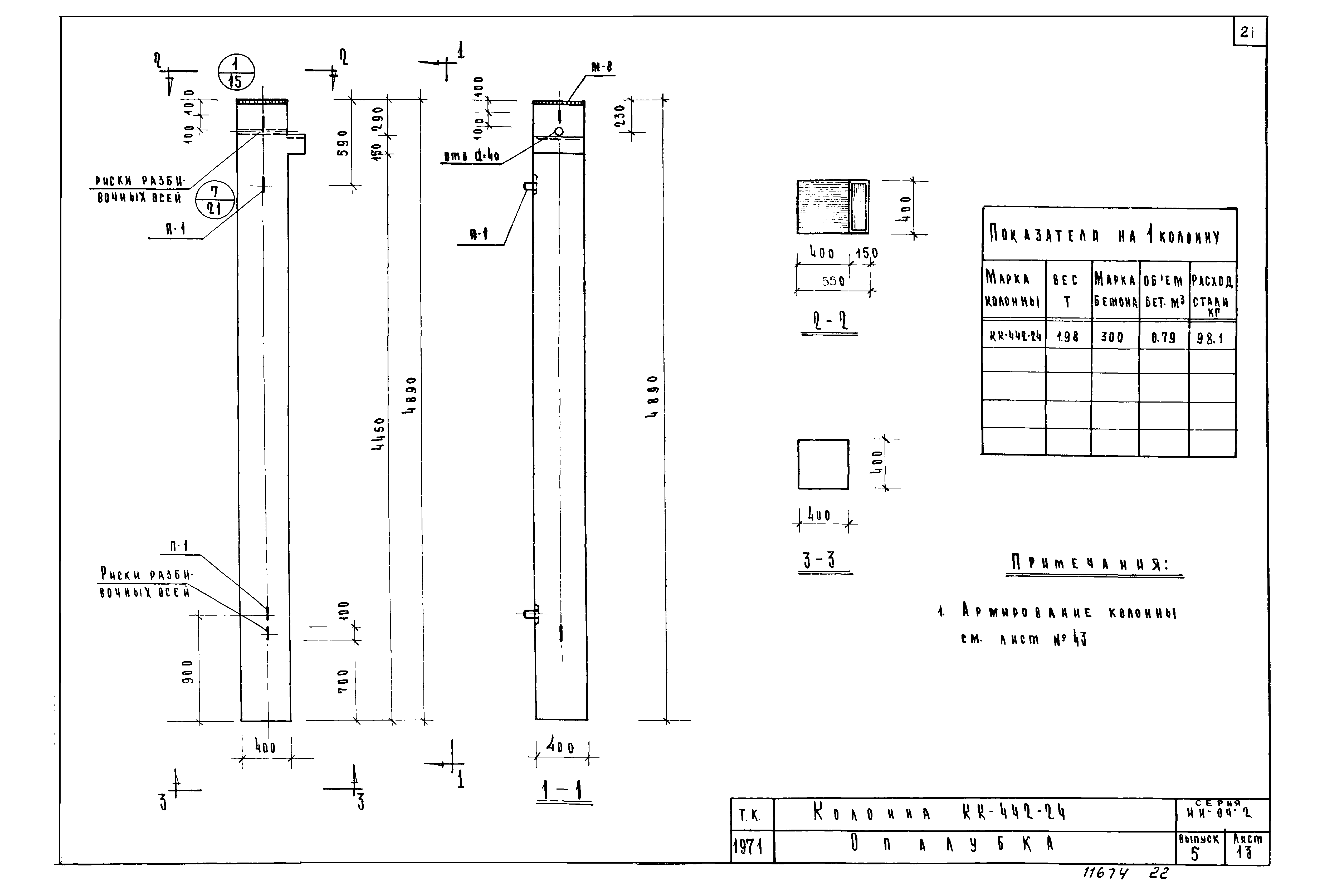
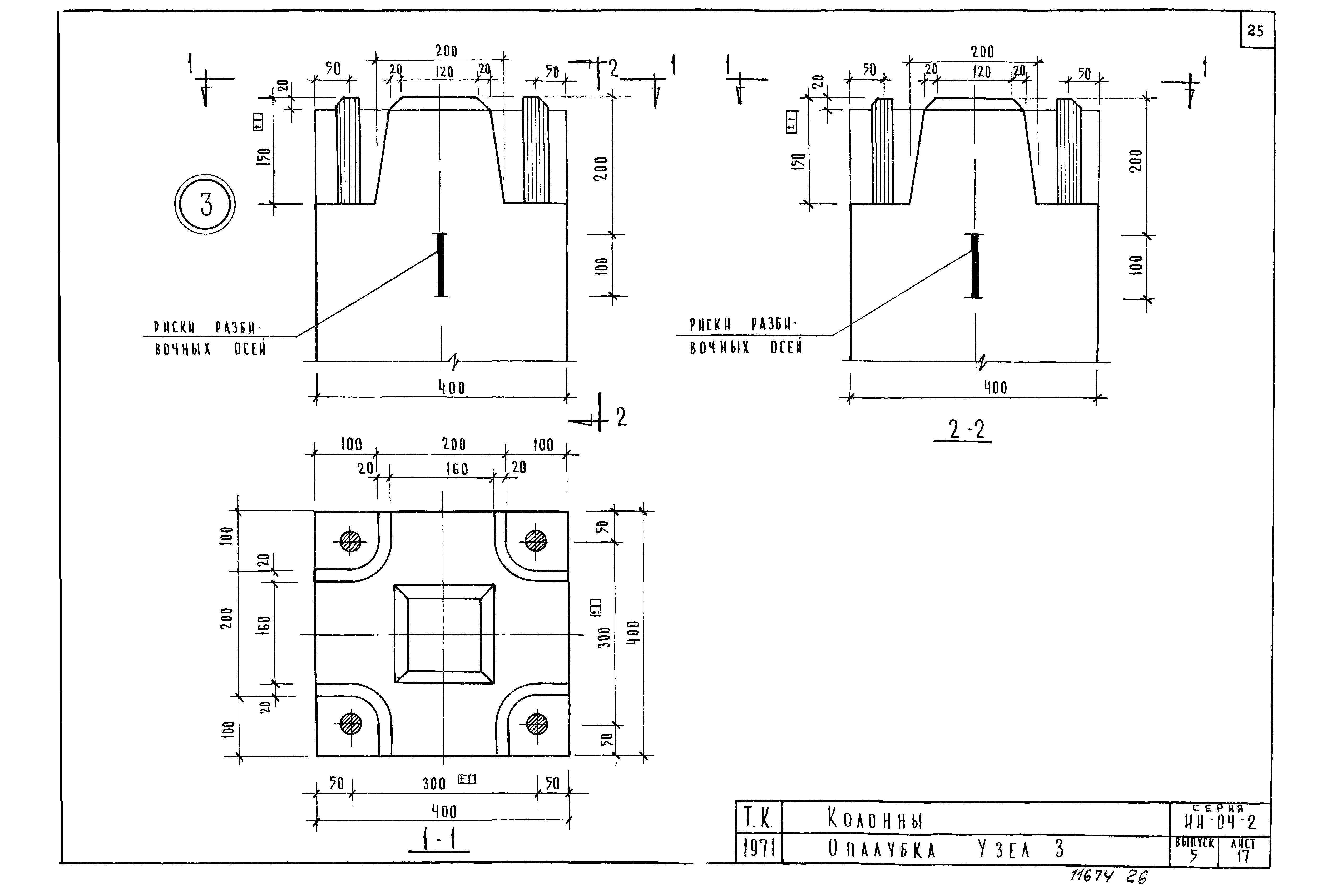
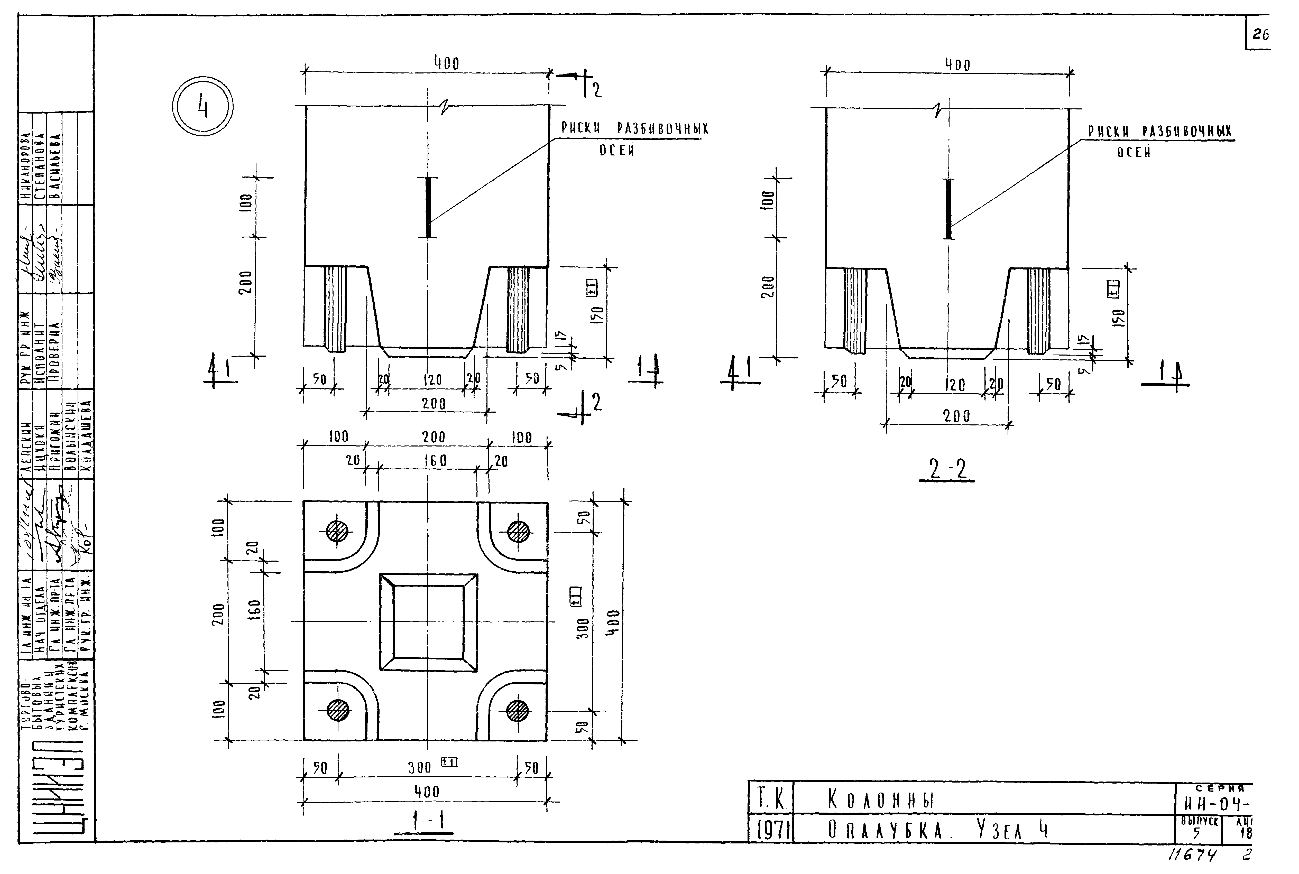
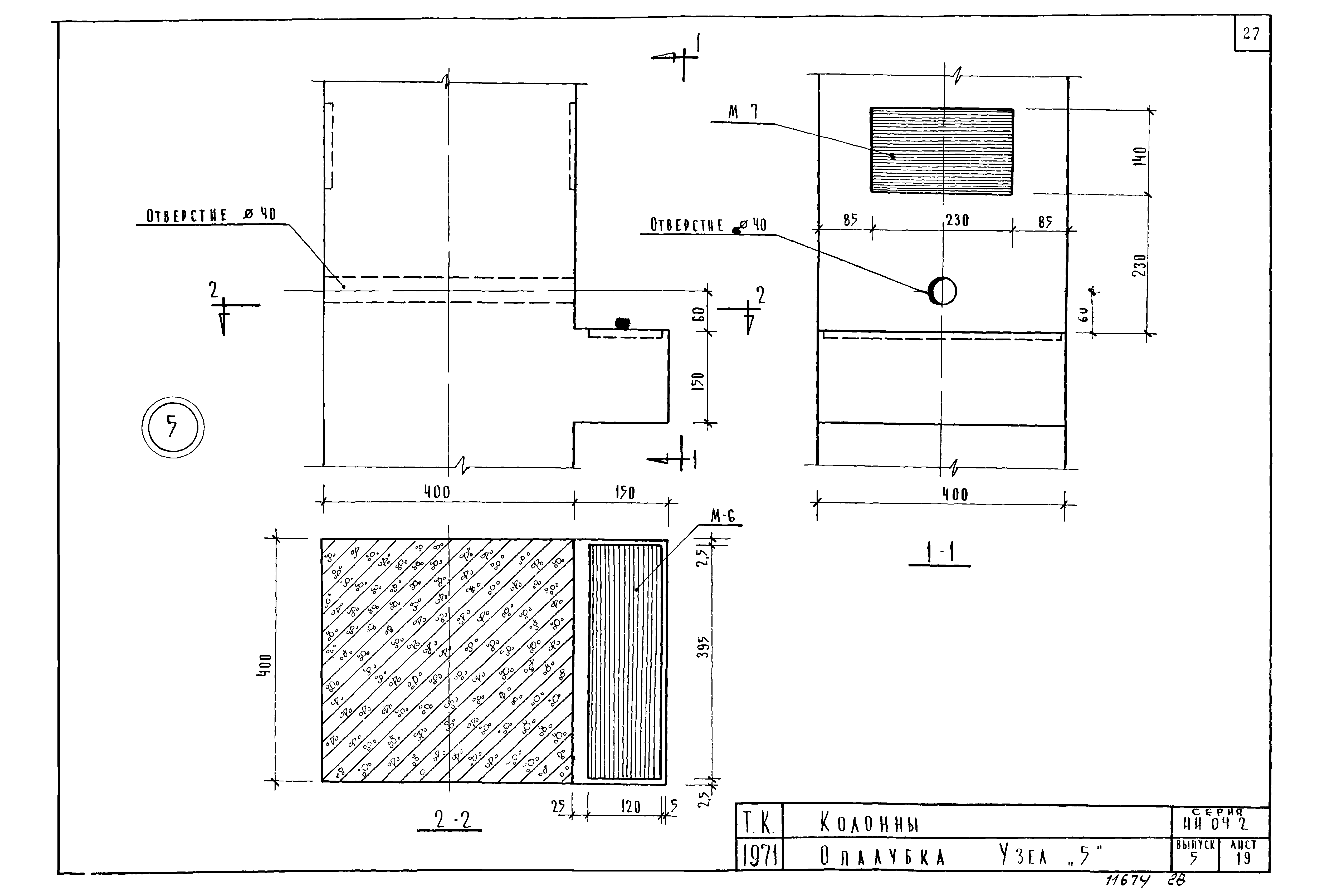
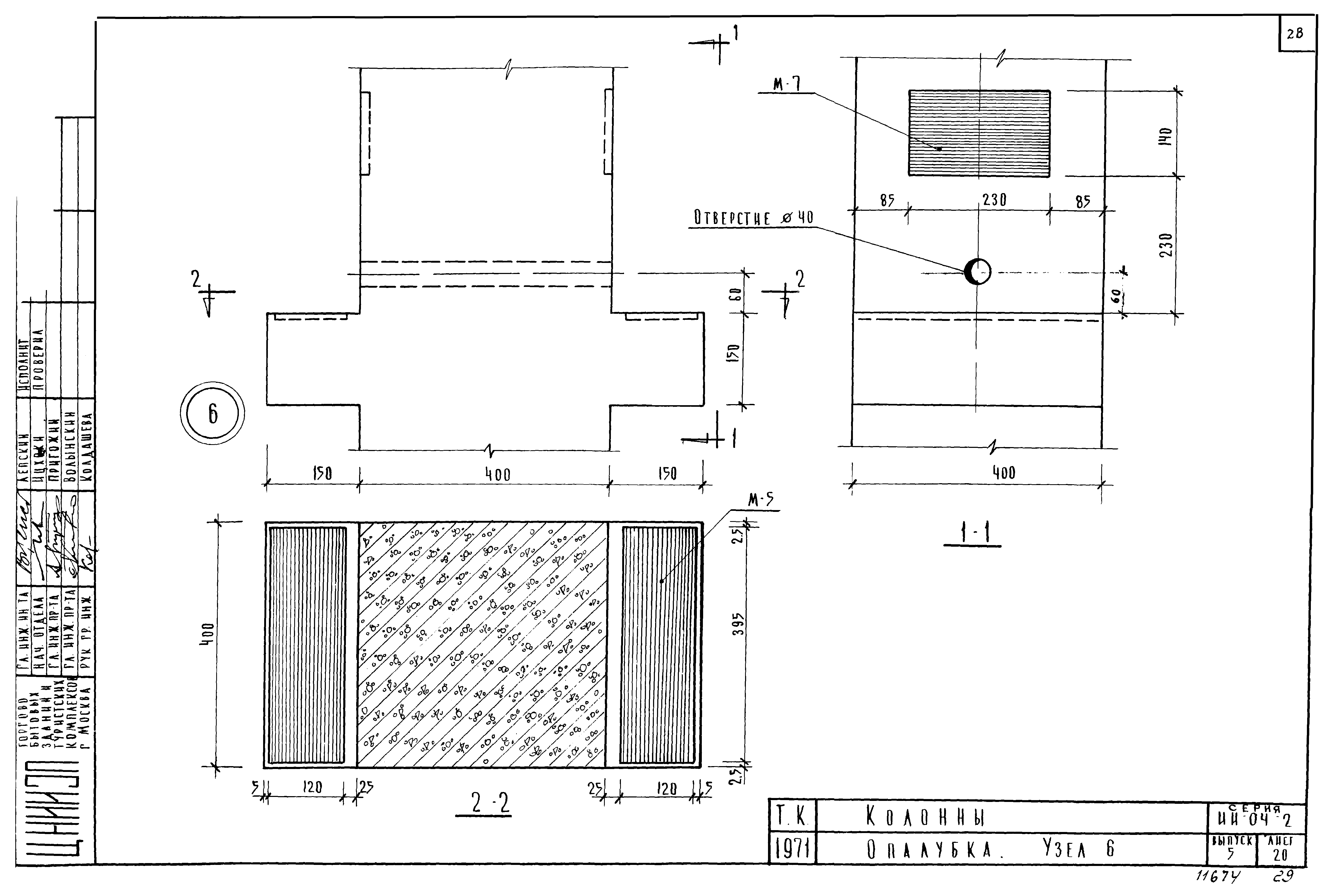
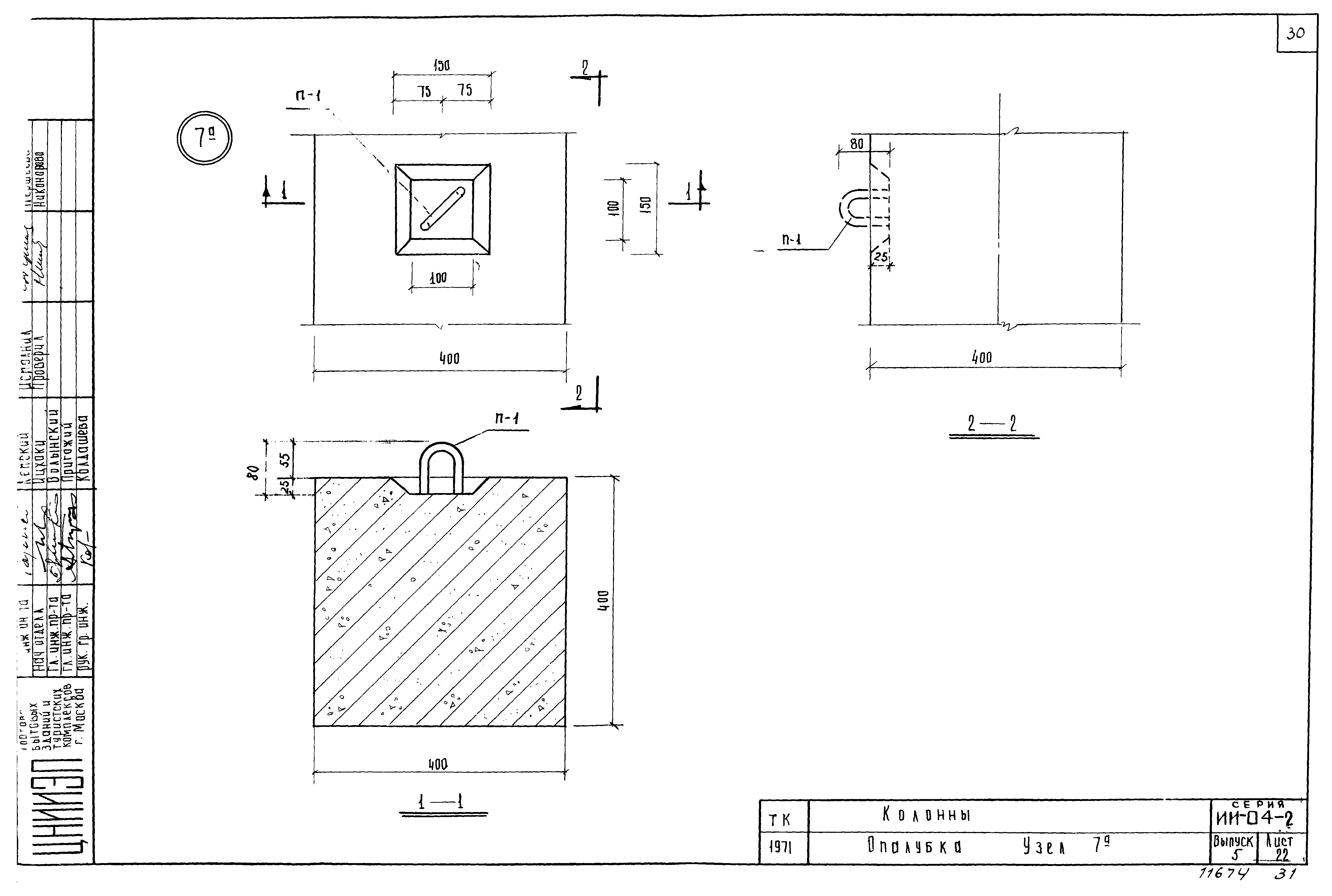
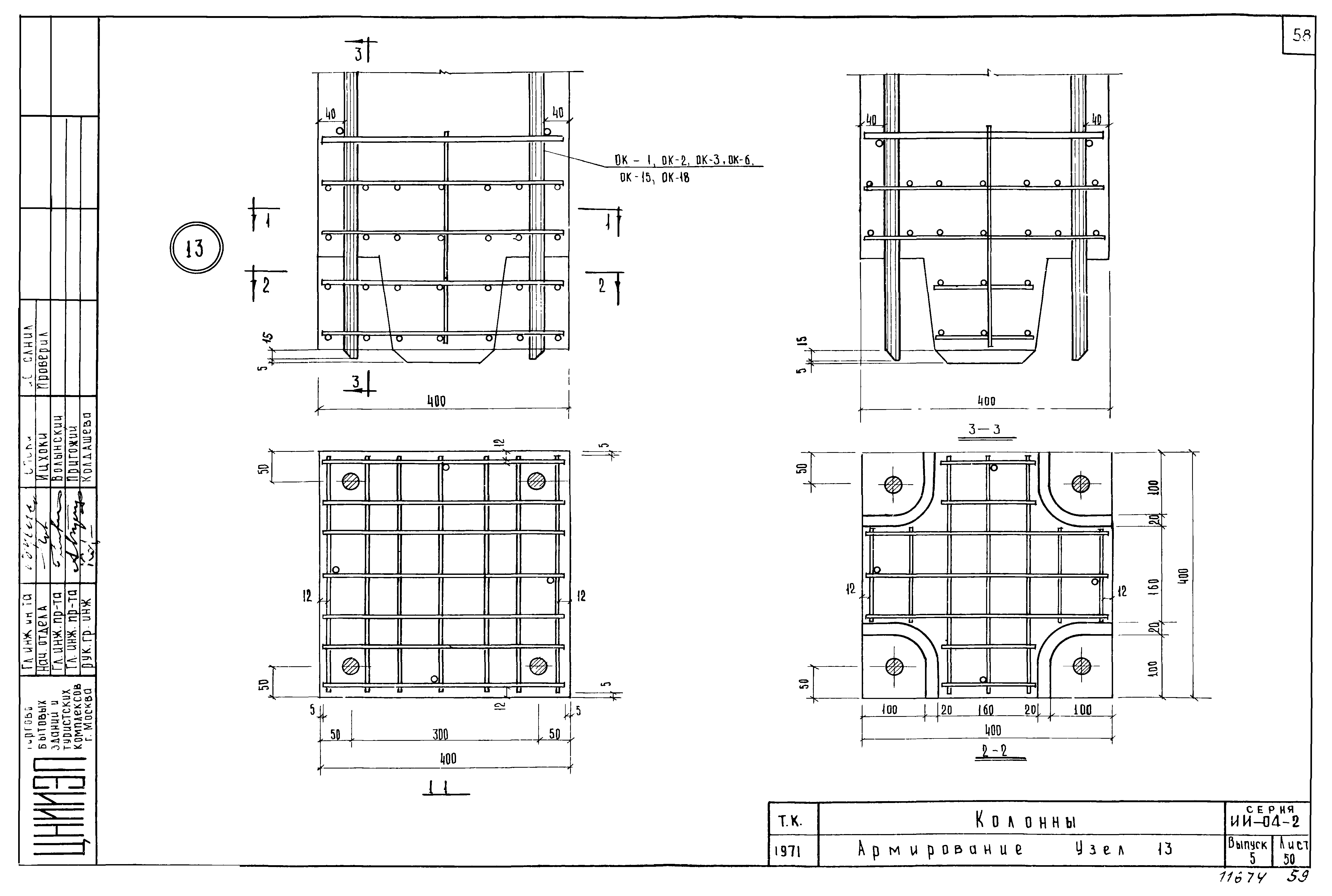
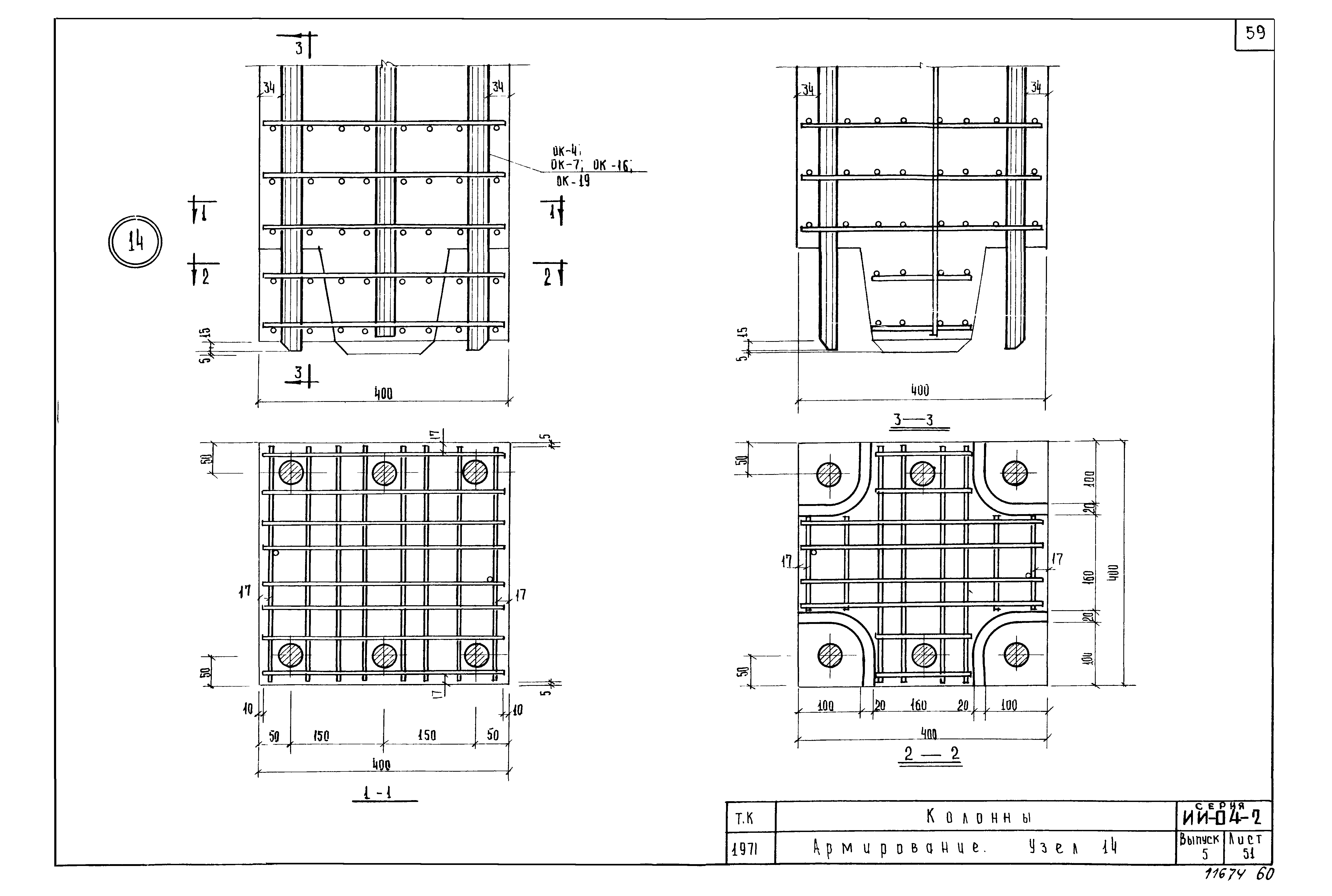
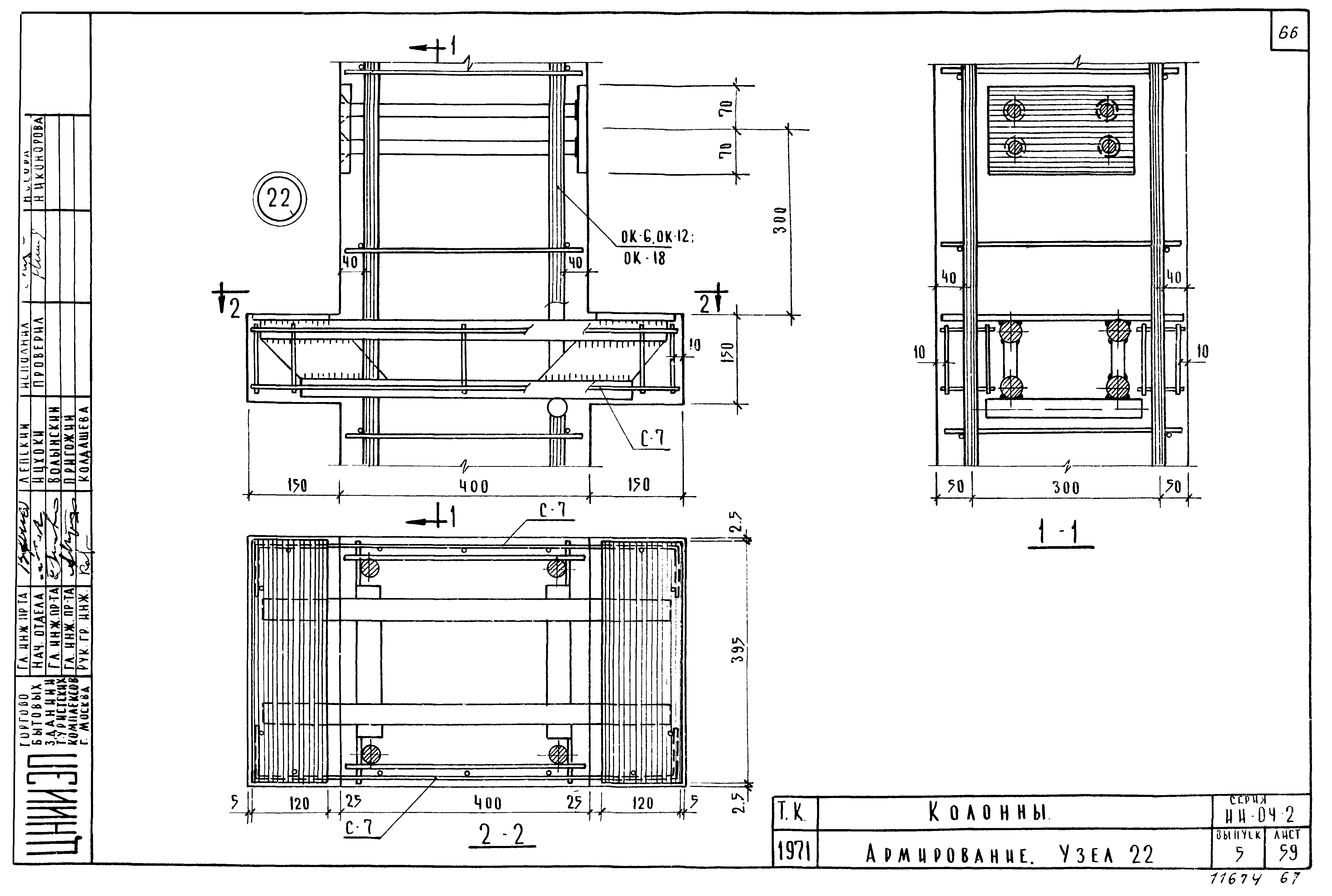
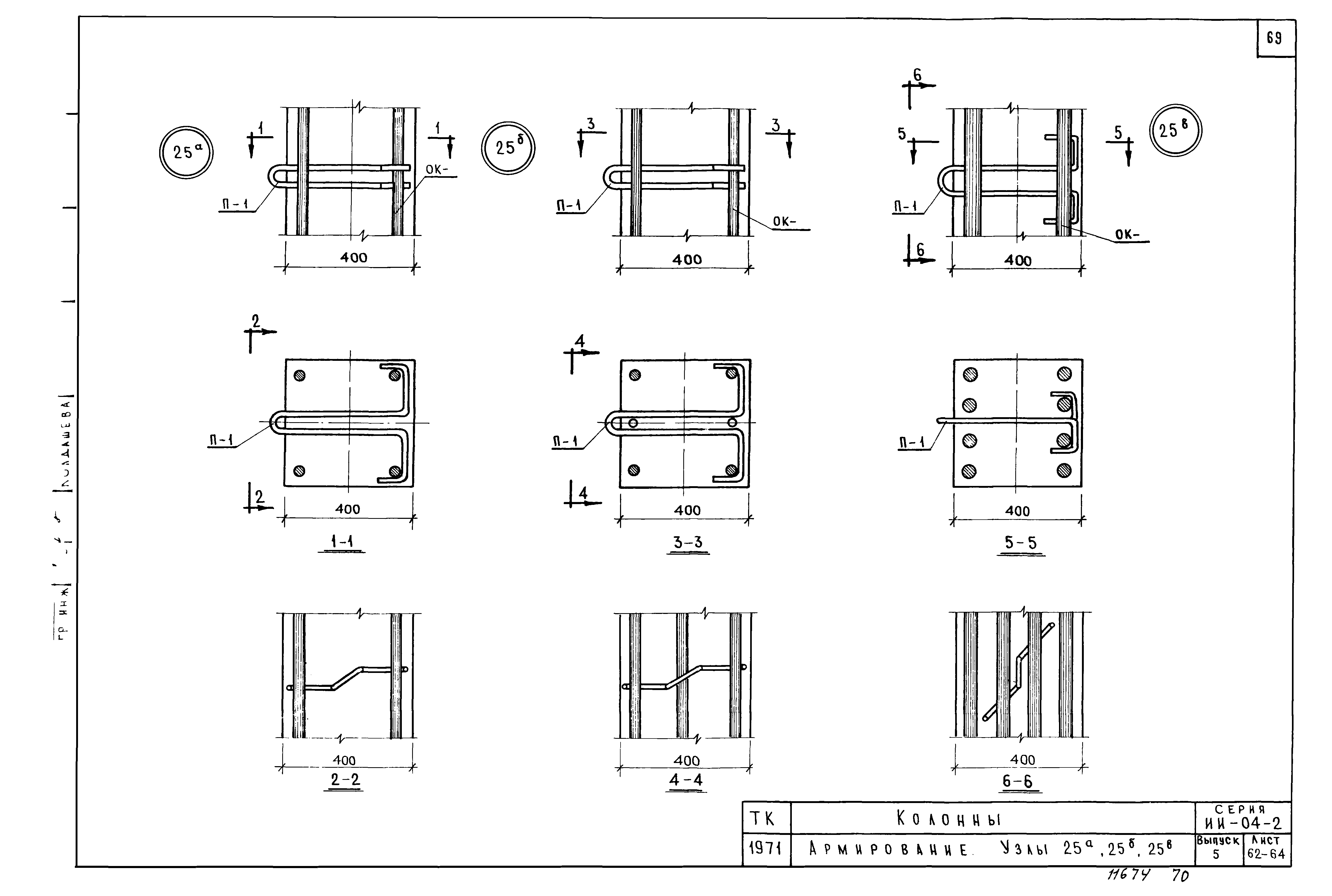
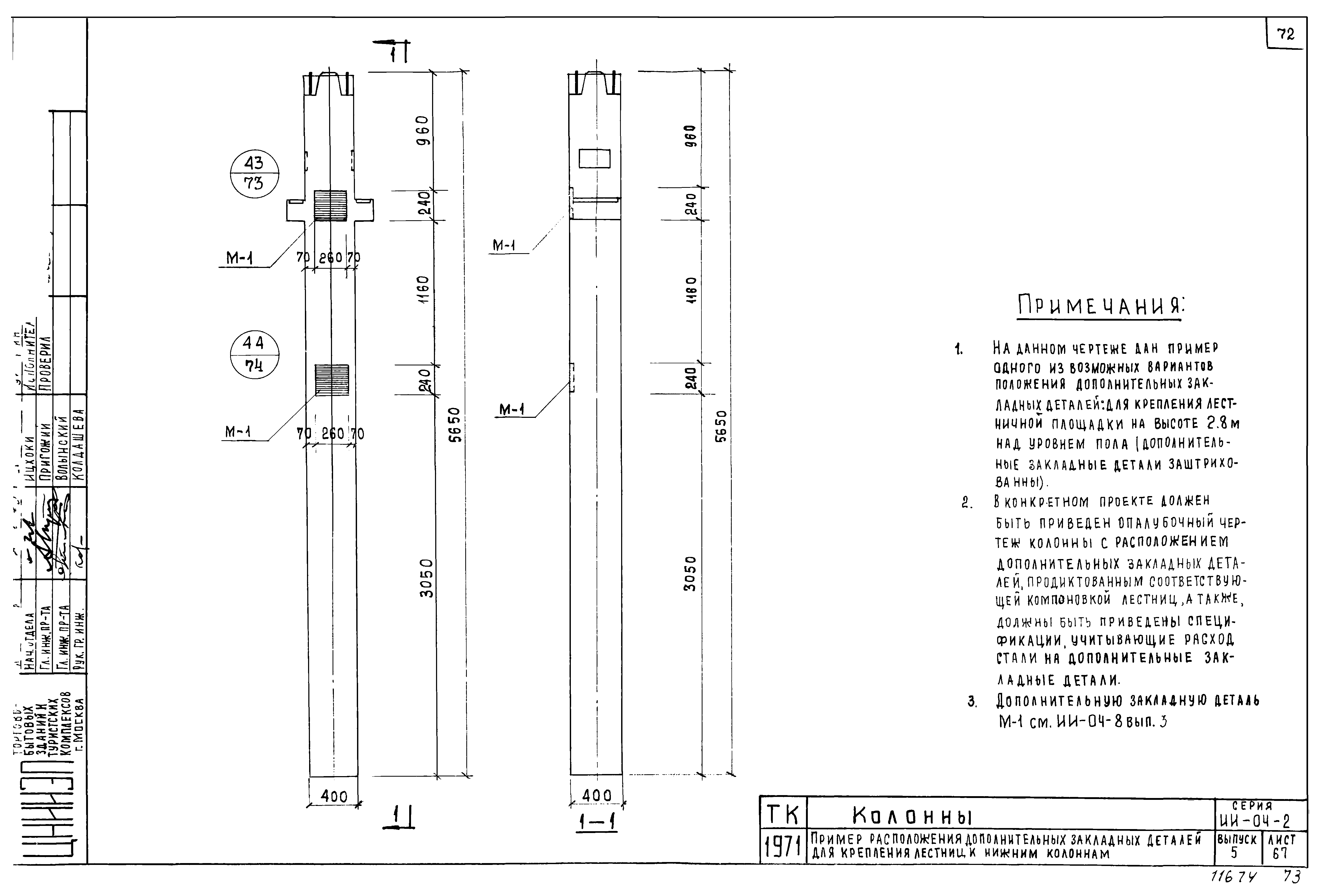
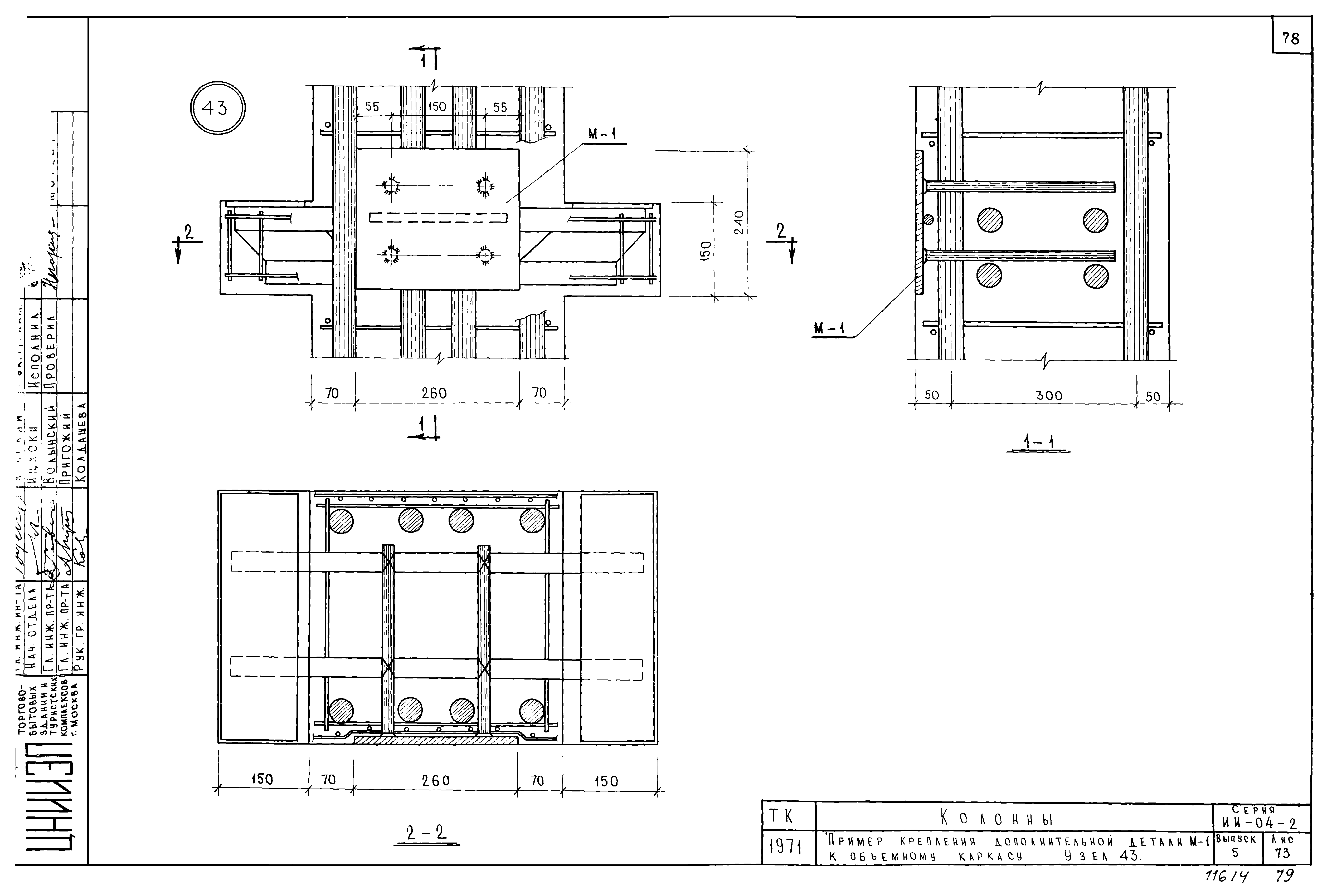
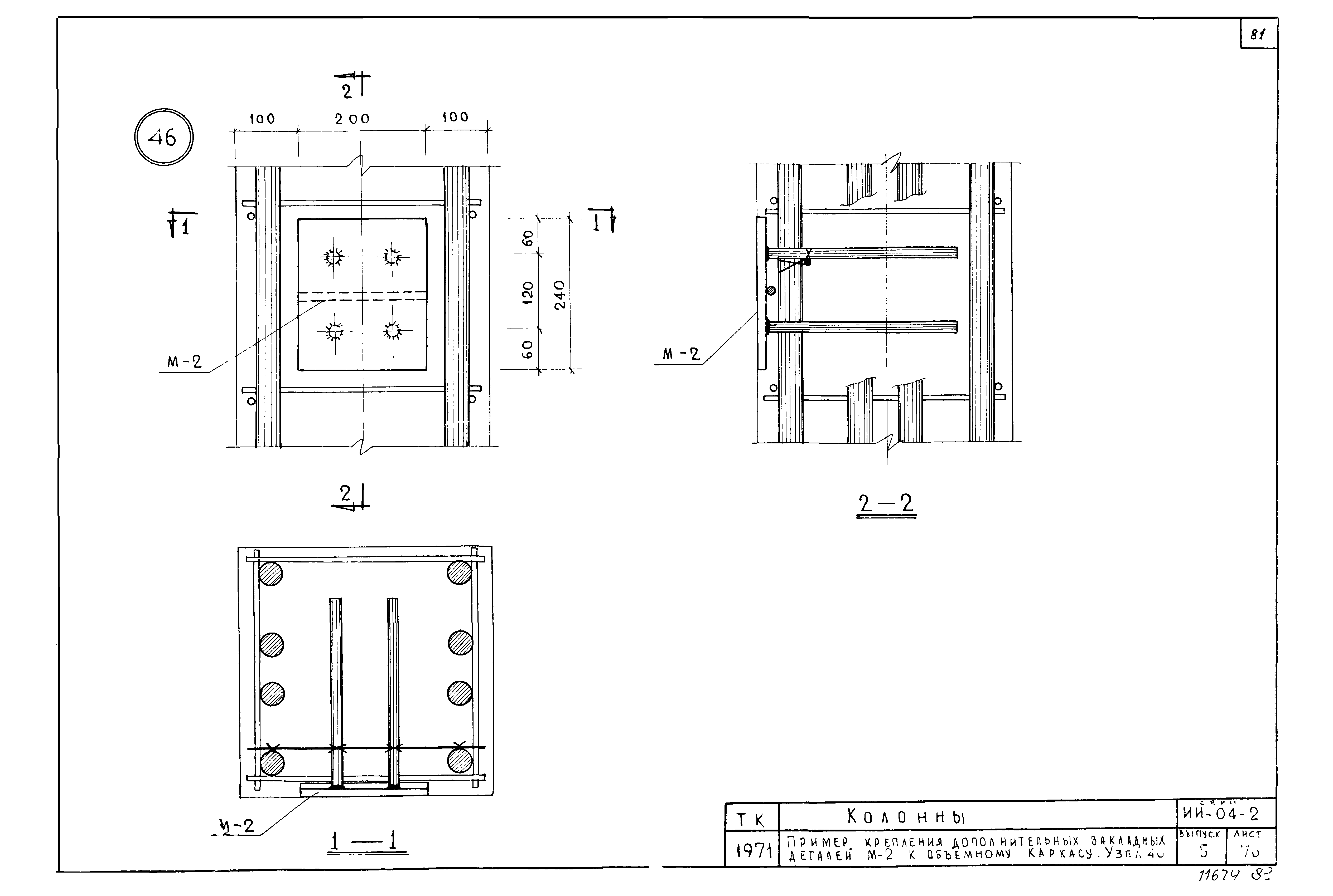
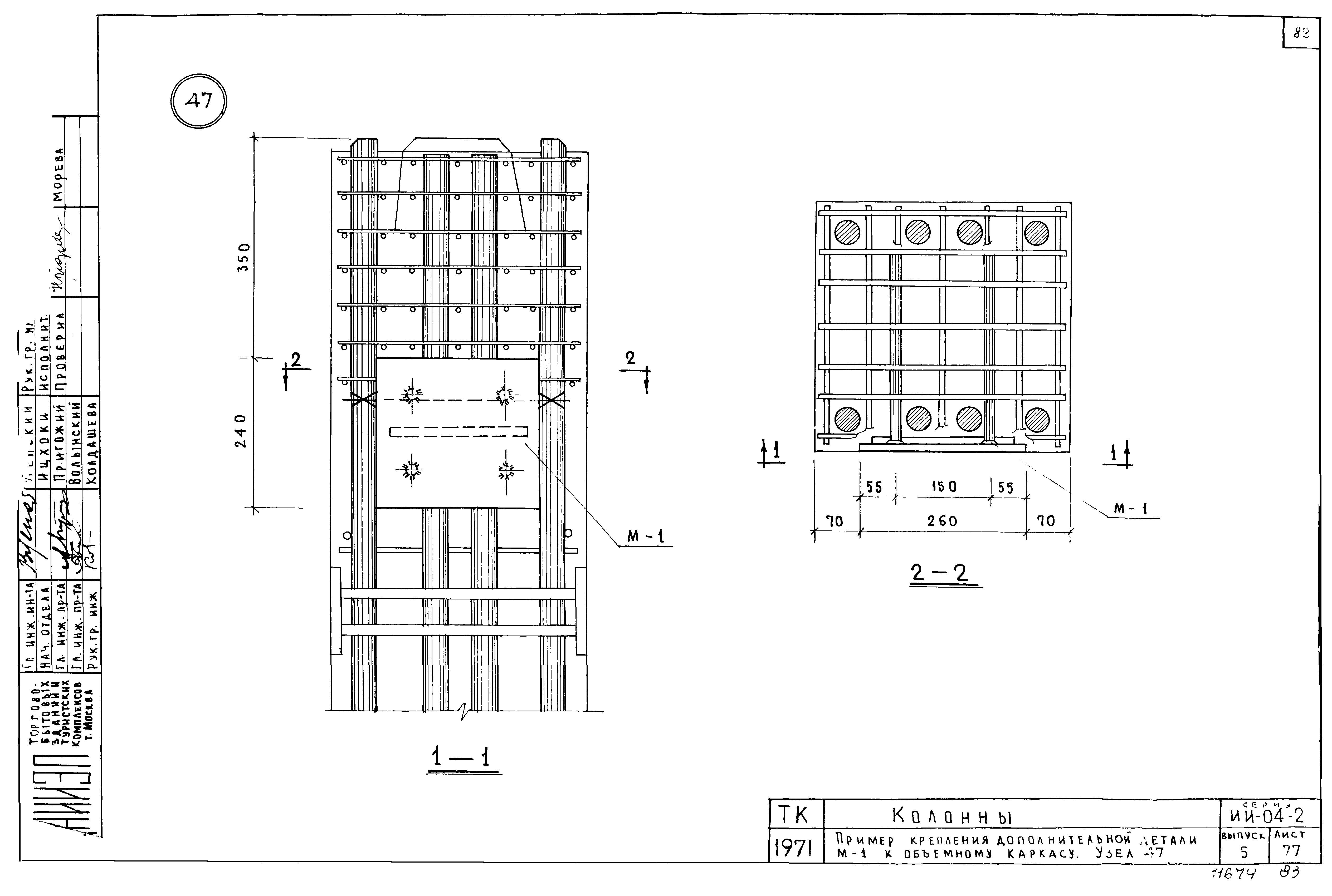
| Оглавление: | Перечень серий и выпусков Содержание выпуска Пояснительная записка Номенклатура Колонна КВК-442-24. Опалубка Колонна КВР-442-24. Опалубка Колонны КСК-442-24,КСК-442-29,КСК-442-34,КСК-442-40,КСК-442-52. Опалубка Колонны КСР-442-24,КСР-442-29,КСР-442-34,КСР-442-40,КСР-442-52,КСР-442-58. Опалубка Колонны КНК-442-24,КНК-442-29,КНК-442-34,КНК-442-40,КНК-442-52. Опалубка Колонны КНР-442-24,КНР-442-29,КНР-442-34,КНР-442-40,КНР-442-52,КНР-442-58. Опалубка Колонны КСК-442-24,КСК-442-29,КСК-442-34,КСК-442-40,КСК-442-52. Опалубка Колонны КСР-442-24,КСР-442-29,КСР-442-34,КСР-442-40,КСР-442-52,КСР-442-58. Опалубка Колонна КК-442-24. Опалубка Колонна КР-442-24. Опалубка Колонны. Опалубка. Узел 1 Колонны. Опалубка. Узел 2 Колонны. Опалубка. Узел 3 Колонны. Опалубка. Узел 4 Колонны. Опалубка. Узел 5 Колонны. Опалубка. Узел 6 Колонны. Опалубка. Узел 7 Колонны. Опалубка. Узел 8А Колонна КВК-442-24. Армирование Колонна КВР-442-24. Армирование Колонны КСК-442-24,КСК-442-29. Армирование Колонны КСК-442-34,КСК-442-40. Армирование Колонна КСК-442-52. Армирование Колонны КСР-442-24,КСР-442-29. Армирование Колонны КСР-442-34,КСР-442-40. Армирование Колонны КСР-442-52,КСР-442-58. Армирование Колонны КНК-442-24,КНК-442-29. Армирование Колонны КНК-442-34,КНК-442-40. Армирование Колонна КНК-442-52. Армирование Колонны КНР-442-24,КНР-442-29. Армирование Колонны КНР-442-34,КНР-442-40. Армирование Колонны КНР-442-52,КНР-442-58. Армирование Колонны КСК-442-24,КСК-442-29. Армирование Колонны КСК-442-34,КСК-442-40. Армирование Колонна КСК-442-52. Армирование Колонны КСР-442-24,КСР-442-29. Армирование Колонны КСР-442-34,КСР-442-40. Армирование Колонны КСР-442-52,КСР-442-58. Армирование Колонна КК-442-24. Армирование Колонна КР-442-24. Армирование Колонны. Армирование. Узел 8 Колонны. Армирование. Узел 9 Колонны. Армирование. Узел 10 Колонны. Армирование. Узел 11 Колонны. Армирование. Узел 12 Колонны. Армирование. Узел 13 Колонны. Армирование. Узел 14 Колонны. Армирование. Узел 15 Колонны. Армирование. Узлы 16,17 Колонны. Армирование. Узел 18 Колонны. Армирование. Узел 19 Колонны. Армирование. Узел 20 Колонны. Армирование. Узел 21 Колонны. Армирование. Узел 22 Колонны. Армирование. Узел 23 Колонны. Армирование. Узел 24 Колонны. Армирование. Узлы 25а,25б,25в Колонны. Пример расположения дополнительных закладных деталей для крепления лестниц к средним колоннам Колонны. Пример расположения дополнительных закладных деталей для крепления лестниц к нижним колоннам Колонны. Пример расположения дополнительных закладных деталей М-2 для крепления диафрагм жесткости к средним колоннам Колонны. Пример расположения дополнительных закладных деталей М-1 для крепления диафрагм жесткости к средним колоннам Колонны. Пример расположения дополнительных закладных деталей М-2 для крепления диафрагм жесткости к нижним колоннам Колонны. Пример расположения дополнительных закладных деталей М-1 для крепления диафрагм жесткости к нижним колоннам Колонны. Пример крепления дополнительной детали М-1 к объемному каркасу. Узел 43 Колонны. Пример крепления дополнительных деталей М-1 к объемному каркасу. Узел 44 Колонны. Пример крепления дополнительной детали М-2 к объемному каркасу. Узел 45 Колонны. Пример крепления дополнительных закладных деталей М-2 к объемному каркасу. Узел 46 Колонны. Пример крепления дополнительной детали М-1 к объемному каркасу. Узел 47 Колонны. Пример крепления дополнительной закладной детали М-1 к объемному каркасу. Узел 48 |
| Разработан: | НИИЖБ Госстроя СССР ЦНИИЭП торгово-бытовых зданий и туристских комплексов |
| Утверждён: | 28.01.1972 Государственный комитет по гражданскому строительству и архитектуре при Госстрое СССР (9) |
| Чем заменён: |




















































































